![]()
Yorkville YXL Series YXL15SP Powered Subwoofer

IMPORTANT SAFETY INSTRUCTIONS
- This lightning flash with arrowhead symbol, within an equilateral triangle, is intended to alert the user to the presence of uninsulated “dangerous voltage” within the product’s enclosure that may be of sufficient magnitude to constitute a risk of electric shock to persons.
- The DO NOT STACK symbol is intended to alert the user that the product shall not be vertically stacked because of the nature of the product.
- The exclamation point within an equilatereal triangle is intended to alert the user to the presence of important operating and maintenance (servicing) instructions in the literature accompanying the appliance.
FOLLOW ALL INSTRUCTIONS
Instructions pertaining to a risk of fire, electric shock, or injury to a person
CAUTION: TO REDUCE THE RISK OF ELECTRIC SHOCK, DO NOT REMOVE COVER (OR BACK). NO USER SERVICEABLE PARTS INSIDE. REFER SERVICING TO QUALIFIED SERVICE PERSONNEL. THIS DEVICE IS FOR INDOOR USE ONLY! INSTALLED BATTERY PACKS SHALL NOT BE EXPOSED TO EXCESSIVE HEAT SUCH AS SUNSHINE, FIRE OR THE LIKE.
Read Instructions: The Owner’s Manual should be read and understood before operation of your unit. Please, save these instructions for future reference and heed all warnings. Clean only with dry cloth.
Packaging: Keep the box and packaging materials, in case the unit needs to be returned for service.
Warning: To reduce the risk or fire or electric shock, do not expose this apparatus to rain or moisture. Do not use this apparatus near water!
Warning: When using electric products, basic precautions should always be followed, including the following:
- Power Sources
Your unit should be connected to a power source only of the voltage specified in the owners manual or as marked on the unit. This unit has a polarized plug. Do not use with an extension cord or receptacle unless the plug can be fully inserted. Precautions should be taken so that the grounding scheme on the unit is not defeated. An apparatus with CLASS I construction shall be connected to a Mains socket outlet with a protective earthing connection. Where the MAINS plug or an appliance coupler is used as the disconnect device, the disconnect device shall remain readily operable. - Hazards
Do not place this product on an unstable cart, stand, tripod, bracket or table. The product may fall, causing serious personal injury and serious damage to the product. Use only with cart, stand, tripod, bracket, or table recommended by the manufacturer or sold with the product. Follow the manufacturer’s instructions when installing the product and use mounting accessories recommended by the manufacturer. Only use attachments/accessories specified by the manufacturer - Note: Prolonged use of headphones at a high volume may cause health damage on your ears.
The apparatus should not be exposed to dripping or splashing water; no objects filled with liquids should be placed on the apparatus. Terminals marked with the “lightning bolt” are hazardous live; the external wiring connected to these terminals require installation by an instructed person or the use of ready made leads or cords. Ensure that proper ventilation is provided around the appliance. Do not install near any heat sources such as radiators, heat registers, stoves, or other apparatus (including amplifiers) that produce heat. No naked flame sources, such as lighted candles, should be placed on the apparatus. - Power Cord
Do not defeat the safety purpose of the polarized or grounding-type plug. A polarized plug has two blades with one wider than the other. A grounding type plug has two blades and a third grounding prong. The wide blade or the third prong are provided for your safety. If the provided plug does not fit into your outlet, consult an electrician for replacement of the obsolete outlet. The AC supply cord should be routed so that it is unlikely that it will be damaged. Protect the power cord from being walked on or pinched particularly at plugs. If the AC supply cord is damaged DO NOT OPERATE THE UNIT. To completely disconnect this apparatus from the AC Mains, disconnect the power supply cord plug from the AC receptacle. The mains plug of the power supply cord shall remain readily operable.Unplug this apparatus during lightning storms or when unused for long periods of time. - Service
The unit should be serviced only by qualified service personnel. Servicing is required when the apparatus has been damaged in any way, such as power-supply cord or plug is damaged, liquid has been spilled or objects have fallen into the apparatus, the apparatus has been exposed to rain or moisture, does not operate normally, or has been dropped. Disconnect power before servicing!
IMPORTANT SAFETY INSTRUCTIONS
The Lightning Flash with arrowhead symbol within an equilateral triangle, is intended to alert the user to the presence of uninsulated “dangerous voltage” within the product enclosure that may be of sufficient magnitude to constitute a risk of shock to persons
The exclamation point within an equilateral triangle is intended to alert the user to the presence of important operating and maintenance (servicing) instructions in the literature accompanying the product
- Read these instructions.
- Keep these instructions.
- Heed all warnings.
- Follow all instructions.
- Do not use this apparatus near water.
- Clean only with dry cloth.
- Do not block any ventilation openings. Install in accordance with the manufacturer’s instructions.
- Do not install near any heat sources such as radiators, heat registers, stoves, or other apparatus (including amplifiers) that produce heat.
- Do not defeat the safety purpose of the polarized or grounding-type plug. A polarized plug has two blades with one wider than the other. A grounding type plug has two blades and a third grounding prong. The wide blade or the third prongs are provided for your safety. If the provided plug does not fit into your outlet, consult an electrician for replacement of the obsolete outlet.
- Protect the power cord from being walked on or pinched particularly at plugs, convenience receptacles, and the point where they exit from the apparatus.
- Only use attachments/accessories specified by the manufacturer.
- Use only with the cart, stand, tripod, bracket, or table specified by the manufacturer, or sold with the apparatus. When a cart is used, use caution when moving the cart/apparatus combination to avoid injury from tip-over.
- Unplug this apparatus during lightning storms or when unused for long periods of time.
- Refer all servicing to qualified service personnel. Servicing is required when the apparatus has been damaged in any way, such as power-supply cord or plug is damaged, liquid has been spilled or objects have fallen into the apparatus, the apparatus has been exposed to rain or moisture, does not operate normally, or has been dropped.
WARNING:
- To reduce the risk of fire or electric shock, do not expose this apparatus to rain or moisture and objects filled with liquids, such as vases, should not be placed on this apparatus.
- To completely disconnect this apparatus from the ac mains, disconnect the power supply cord plug from the ac receptacle.
- The mains plug of the power supply cord or appliance coupler shall remain readily accessible.
CAUTION
TO PREVENT ELECTRIC SHOCK HAZARD, DO NOT CONNECT TO MAINS POWER SUPPLY WHILE GRILLE IS REMOVED.
YXL15SP Powered Subwoofer
The YXL15SP offers our best ratio of power, performance and value for an active subwoofer enclosure. Providing 500 watts (1000 watts peak) with efficient speaker components, the YXL Series is extremely loud for its size. The YXL15SP can be easily used in any situation, close to walls, floors or in arrays with multiple enclosures.
Features
- 1000 watts (peak) 500 watts (program)
- Superior DSP processing with component protection
- 15-inch woofer with 3-inch voice coil
- Recessed control panel
- Master Level control with Activity indicator (cabinet level adjustment)
- 3 Performance modes, Punch, Smooth and Deep
- 2 x XLR/ 1/4-inch Combi Inputs
- 2 x XLR Link outputs
- 12 mm plywood, latex paint
- Tough, full length metal grille
Power LED Indicator
The power switch is located at the bottom of the rear panel. The Power LED, located near the top of the plate, indicates when the unit is on.
Mode Switch
EQ and tone settings.
- Punch Mode will process the sound so it is perceived as a punchier sound, giving less power into deep bass and more into the upper bass.
- Smooth Mode will keep the original signal character with no preference for deep or upper bass.
- Deep mode will process the signal to provide a deeper sound, giving more power into deep bass while keeping the upper bass similar to the Smooth Mode.
Sub Level Control
Independently sets the audio level.
Activity LED
Illuminates when signal is sent to the Master.
Input
Left/Right Inputs
Link
Left/Right Links
Specifications
- System Type: Powered Subwoofer
- Active or Passive: Active
- Power Rating (watts): 500 watts program (1000 watts peak)
- Max SPL (dB): 128 dB peak
- Frequency Response (Hz +/- 3dB): 45 – 100 (Hz +/-3dB)
- LF Driver: 15-inch (3-inch voice coil)
- LF Power Rating (watts): 500 watts program (1000 watts Peak)
- LF Amplifier Type Class D
- Cooling Scheme Speed controlled fan
- Power Cable: Yes
- Power Switch: Yes
- Inputs/Links: 2 x Main IN XLR Female/ 1/4-inch Combi, 2 x LINK XLR Male
- Level Controls: Master
- EQ Controls: Push-button select, Punch, Smooth, Deep
- Limiter: Multi-band excursion, RMS, Rail
- Feet: Rubber
- Bar Handles: 2 x Side
- Enclosure Materials: 12 mm Plywood, Metal grille
- Grille: Powder Coated Steel with Grille Cloth
- Other Details: Rubber feet on bottom and side with the monitor wedge
- Dimensions: (DWH inches) 19 x 18 x 24
- Dimensions: (DWH cm) 48 x 46 x 61
- Weight: (lbs/kg) 62/28.1
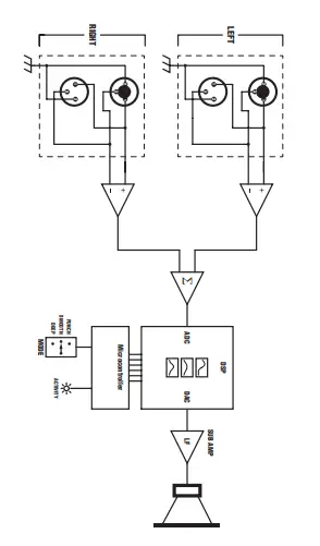
BLOCK DIAGRAM
Two & Ten Year Warranty
Unlimited Warranty
Yorkville’s two and ten-year unlimited warranty on this product is transferable and does not require registration with Yorkville Sound or your dealer. If this product should fail for any reason within two years of the original purchase date (ten years for the wooden enclosure), simply return it to your Yorkville dealer with original proof of purchase and it will be repaired free of charge. This includes all Yorkville products, except for the YSM Series studio monitors, Coliseum Mini Series and TX Series Loudspeakers.
Freight charges, consequential damages, weather damage, damage as a result of improper installation, damages due to exposure to extreme humidity, accident or natural disaster are excluded under the terms of this warranty. Warranty does not cover consumables such as vacuum tubes or par bulbs. See your Yorkville dealer for more details. Warranty valid only in Canada and the United States.
Canada
Voice: (905) 837-8481 Fax: (905) 837-8746
U.S.A.
Voice: (716) 297-2920 Fax: (716) 297-3689
www.yorkville.com
WORLD HEADQUARTERS CANADA
Yorkville Sound Limited 550 Granite Court
Pickering, Ontario L1W 3Y8 CANADA
Voice: 905-837-8481
Fax: 905-837-8746
U.S.A.
Yorkville Sound Inc. 4625 Witmer Industrial Estate Niagara Falls, New York 14305, USA
Voice: 716-297-2920
Fax: 716-297-3689



















