Yorkville SA315S Synergy 15 Inch Powered Portable Subwoofer Owner’s Manual
IMPORTANT SAFETY INSTRUCTIONS
This lightning flash with arrowhead symbol, within an equilateral triangle, is intended to alert the user to the presence of uninsulated “dangerous voltage” within the product’s enclosure that may be of sufficient magnitude to constitute a risk of electric shock to persons.
The DO NOT STACK symbol is intended to alert the user that the product shall not be vertically stacked because of the nature of the product.

SEPARATE COLLECTION WEEE

IEC 60417-5041
CAUTION: HOT SURFACE
ATTENTION: SURFACE CHAUDE

NOT TO BE SERVICED BY USERS

DO NOT PUSH OR PULL

The exclamation point within an equilatereal triangle is intended to alert the user to the presence of important operating and maintenance (servicing) instructions in the literature accompanying the appliance.
Instructions pertaining to a risk of fire, electric shock, or injury to a person
CAUTION:TO REDUCE THE RISK OF ELECTRIC SHOCK, DO NOT REMOVE COVER (OR BACK). NO USER SERVICEABLE PARTS INSIDE. REFER SERVICING TO QUALIFIED SERVICE PERSONNEL.THIS DEVICE IS FOR INDOOR USE ONLY!
INSTALLED BATTERY PACKS SHALL NOT BE EXPOSED TO EXCESSIVE HEAT SUCH AS SUNSHINE, FIRE OR THE LIKE.
Read Instructions: The Owner’s Manual should be read and understood before operation of your unit. Please, save these instructions for future reference and heed all warnings.
Clean only with dry cloth.
Packaging: Keep the box and packaging materials, in case the unit needs to be returned for service.
Warning: To reduce the risk or fire or electric shock, do not expose this apparatus to rain or moisture. Do not use this apparatus near water!
Warning: When using electric products, basic precautions should always be followed, including the following:
Power Sources
Your unit should be connected to a power source only of the voltage specified in the owners manual or as marked on the unit. This unit has a polarized plug. Do not use with an extension cord or receptacle unless the plug can be fully inserted. Precautions should be taken so that the grounding scheme on the unit is not defeated. An apparatus with CLASS I construction shall be connected to a Mains socket outlet with a protective earthing connection. Where the MAINS plug or an appliance coupler is used as the disconnect device, the disconnect device shall remain readily operable.
Hazards
Do not place this product on an unstable cart, stand, tripod, bracket or table. The product may fall, causing serious personal injury and serious damage to the product. Use only with cart, stand, tripod, bracket, or table recommended by the manufacturer or sold with the product. Follow the manufacturer’s instructions when installing the product and use mounting accessories recommended by the manufacturer. Only use attachments/accessories specified by the manufacturer
Note: Prolonged use of headphones at a high volume may cause health damage on your ears.
The apparatus should not be exposed to dripping or splashing water; no objects filled with liquids should be placed on the apparatus.
Terminals marked with the “lightning bolt” are hazardous live; the external wiring connected to these terminals require installation by an instructed person or the use of ready made leads or cords.
Ensure that proper ventilation is provided around the appliance. Do not install near any heat sources such as radiators, heat registers, stoves, or other apparatus (including amplifiers) that produce heat. No naked flame sources, such as lighted candles, should be placed on the apparatus.
Power Cord
Do not defeat the safety purpose of the polarized or grounding-type plug. A polarized plug has two blades with one wider than the other. A grounding type plug has two blades and a third grounding prong. The wide blade or the third prong are provided for your safety. If the provided plug does not fit into your outlet, consult an electrician for replacement of the obsolete outlet. The AC supply cord should be routed so that it is unlikely that it will be damaged. Protect the power cord from being walked on or pinched particularly at plugs. If the AC supply cord is damaged DO NOT OPERATE THE UNIT. To completely disconnect this apparatus from the AC Mains, disconnect the power supply cord plug from the AC receptacle. The mains plug of the power supply cord shall remain readily operable.
Unplug this apparatus during lightning storms or when unused for long periods of time.
Service
The unit should be serviced only by qualified service personnel. Servicing is required when the apparatus has been damaged in any way, such as power-supply cord or plug is damaged, liquid has been spilled or objects have fallen into the apparatus, the apparatus has been exposed to rain or moisture, does not operate normally, or has been dropped. Disconnect power before servicing!
The Lightning Flash with arrowhead symbol within an equilateral triangle, is intended to alert the user to the presence of uninsulated “dangerous voltage” within the product enclosure that may be of sufficient magnitude to constitute a risk of shock to persons
The exclamation point within an equilateral triangle is intended to alert the user to the presence of important operating and maintenance (servicing) instructions in the literature accompanying the product
- Read these instructions.
- Keep these instructions.
- Heed all warnings.
- Follow all instructions.
- Do not use this apparatus near water.
- Clean only with dry cloth.
- Do not block any ventilation openings. Install in accordance with the manufacturer’s instructions.
- Do not install near any heat sources such as radiators, heat registers, stoves, or other apparatus (including amplifiers) that produce heat.
- Do not defeat the safety purpose of the polarized or grounding-type plug. A polarized plug has two blades with one wider than the other. A grounding type plug has two blades and a third grounding prong.The wide blade or the third prongs are provided for your safety. If the provided plug does not fit into your outlet, consult an electrician for replacement of the obsolete outlet.
- Protect the power cord from being walked on or pinched particularly at plugs, convenience receptacles, and the point where they exit from the apparatus.
- Only use attachments/accessories specified by the manufacturer.
- Use only with the cart, stand, tripod, bracket, or table specified by the manufacturer, or sold with the apparatus. When a cart is used, use caution when moving the cart/apparatus combination to avoid injury from tip over.
- Unplug this apparatus during lightning storms or when unused for long periods of time.
- Refer all servicing to qualified service personnel. Servicing is required when the apparatus has been damaged in any way, such as power-supply cord or plug is damaged, liquid has been spilled or objects have fallen into the apparatus, the apparatus has been exposed to rain or moisture, does not operate normally, or has been dropped.
WARNING
- To reduce the risk of fire or electric shock, do not expose this apparatus to rain or moisture and objects filled with liquids, such as vases, should not be placed on this apparatus.
- To completely disconnect this apparatus from the ac mains, disconnect the power supply cord plug from the ac receptacle.
- The mains plug of the power supply cord or appliance coupler shall remain readily accessible.
CAUTION
TO PREVENT ELECTRIC SHOCK HAZARD, DO NOT CONNECT TO MAINS POWER SUPPLY WHILE GRILLE IS REMOVED
Thank you for choosing Yorkville’s Synergy SA315S subwoofer, the companion subwoofer to the SA153. The SA series excels in sound reinforcement applications where a line array is desired but cannot be easily accommodated.
Cabinet Features
The SA315S is constructed of high strength multiply birch plywood for ultimate durability. There are 3 woofers, each 15-inch-long-throw. The design allows the SA315S to match the footprint of the SA153 top cabinets.
Electronic Features
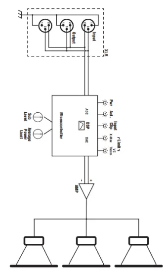
A Yorkville proprietary DSP platform provides processing to prevent over excursion (X-Max), voice coil overheating (VC thermal) and clipping. The DSP uses IIR filters for crossover and equalization and there is a small delay added to time align with the SA153 top box. The X-Max limiter and the VC thermal limiter are both frequency sensitive and calibrated to match the characteristics of the driver and cabinet system. The VC-thermal limiter can be advanced to limit the power draw in cases where there is less than ample power available. The X-Max limiter is faster, pretty much instantaneous. The VC-thermal limiter is slower reacting, typically operating near the end of a bass beat at 120 bpm.
The amplifier is a high headroom Class-D design. There is a large capacitor bank so that bass transients are less dependent on the quality of the power line.
The limiter indicators indicate when the X-max or VC thermal limiters are active. Typically, the X-max limiter is more active but this is content dependent. The effect of the line power advance can be observed by carefully watching these limit lights as the control is changed while operating in limit. The VC-therm indicator will come on sooner as the Average Power limiter is advanced. With many types of music, the effect of the VC-therm limiter will be minimal.
Power Switch and Indicator
The green power LED illuminates when the power switch is turned to the On position and AC voltage is supplied. When the power is removed or the power switched is moved to the off position the green power indicator will blink while the power supply is discharging. The processing circuitry will not reboot unless the power supply is fully discharged before being turned back on. It is not necessary to reboot however. Turning the power back on before the power supply is discharged will simply resume normal operation.
PowerCON TRUE AC Loop Thru
As a standard, the AC inlet on the SA315S accepts locking PowerCON TRUE power cords. There is also an AC outlet that can be used to loop power through to other cabinets in your array using a male to female PowerCON TRUE looping power cord. Check with your local Yorkville dealer for availability of these accessory cords.
IMPORTANT: DO NOT EXCEED THE CURRENT RATING OF THE POWER and ACCESSORY CORDS. PLEASE READ THE SECTION OF THIS MANUAL CALLED CASCADE INSTALLATION
Input Jack
This female-XLR accepts line level XLR microphone cables. For best noise reduction use balanced sources.
Dual Link Outputs
These XLR male connectors can be used with a standard XLR cable to daisy-chain up to 20 SA315S or SA315 cabinets without signal degradation. Simply loop from one cabinet’s Link jack to the next cabinets Input jack. In many cases this limit of 20 cabinets can be exceeded, consult Yorkville sound for more details.
SA315S Level Control
This control adjusts the volume level of the SA315S relative to the input signal level. Mixers and other audio sources connected to the SA315S tend to have different output voltages, which mean the level control on the SA315S is used to fine tune the cabinet’s volume relative to the mixer settings. It is perfectly acceptable to set the SA315S Level above or below the center 0 dB setting.
NOTE: With the level controls set at “0,” the onset of limiting will occur at a signal level of +4 dBV; however, this will vary with signal content.
Clip, X-Max, VC-Therm, Activity Indicators
The Clip and Limit LED indicators illuminate to guide the user to proper operating levels.
Illumination either of the yellow Limit LEDs indicates that a level has been reached where the SA315S limiters are reducing the signal internally to prevent damage or distortion. It also indicates that further increases in input level or increasing the SA315S Level control position will not appreciably increase acoustic output.
The red Clip LED indicates that the input level is excessive and further increases in level will cause severe distortion The input signal should be reduced at the source until Clip activity ceases. The clip indicator comes on at 12 Vrms,16 volts peak. The input clips at 17 Vrms, 24 volts peak.
The activity Indicator comes on at 5 mVrms or -45 dBV.
Average Power Limit Control
The average power limit control allows the power to be reduced to allow operation on limited power availability. Full power transients will be allowed through but if the average power is excessive then the power will be limited. This control works by advancing the limiter that limits the voice coil temperature. In the 100% position the power is limited only by the voice coil temperature. In the 75% position music with deep continuous bass will be limited but many types of music will not. In the 50% position only certain types of music will not be limited, primarily music without deep bass or where the bass is unprocessed. Voice applications typically will not be limited in the 50% position.
| Optional Synergy Series Accessories | ||
| YS Part | Name | Description |
| SAPICKUPBAR1 | Pickup Bar | Single column cabinet hanging hardware (2x SA153 plus 1x SA315S MAX) |
| SABUMPER1 | Flying Bumper | 4 wide flying bumper (8x SA153 plus 4x SA315S MAX) |
| SACABLELOOP | AC Loop Cable | 6 foot male to female PowerCON TRUE looping power cord |
| SA153COVER | SA153 Cabinet Cover | Covers two cabinets (stacked) |
| SA315SCOVER | SA315S Cabinet Cover | Covers one cabinet |
| SADOLLY1 | Cabinet Dolly | Holds 2x SA153 (stacked) or 1 x SA315S |
This equipment has been tested and found to comply with the limits for a Class A digital device, pursuant to part 15 of the FCC Rules. These limits are designed to provide reasonable protection against harmful interference when the equipment is operated in a commercial environment. This equipment generates, uses, and can radiate radio frequency energy and, if not installed and used in accordance with the instruction manual, may cause harmful interference to radio communications. Operation of this equipment in a residential area is likely to cause harmful interference in which case the user will be required to correct the interference at his own expense.
Specifications
Active or Passive: Active
Program Power (watts): 6500 program (13000 peak)
Measured Max SPL (C-Weighted, Max Hold): 130 dB measured
Frequency Response (Hz +/- 3db): 31-100
Crossover Frequency (Hz): 100 lowpass
Cabinet Configuration: Bass Reflex
Driver Configuration: 3×15-inch LF woofer
LF Driver(s): 15-inch Ceramic with 3-inch Voice Coil
LF Program Power (watts): 6500 program (13000 peak)
LF Impedance (ohms): 2.7 (3x 8)
LF Protection: Excursion, Voice Coil Thermal (RMS)
LF Power Amplifier (watts): 6500 program (13000 peak)
LF Amplifier Type: Class D
Cooling Scheme: Convection
Power Cable: Removable Locking Powercon True Input and Loop Thru Output
Power Switch: Yes
Power Consumption (typ/max): 600 VA / 1200 VA
Input: 1 XLR with 2x XLR Parallel out, Impedance 35k ohms
Input Sensitivity (Vrms Sine): Line in 1.4 at center, 0.56 at max
Level Controls: Volume, -∞,0dB,8dB (Min, Top, Max)
EQ Controls: Thermal Limiter Advance for power consumption management
Limiter: Excursion, Thermal (RMS), Clipping
LED Indicators: Power, Excursion Limit, Thermal (RMS) Limit, Input Clip, Activity
Enclosure Materials: Multiply 15mm Birch Plywood
Standard Rigging Hardware: RAIL and LOCKBAR Rigging System (Top and Bottom)
Stacking Feature: Interlocking UHMW Feet (Top and Bottom)
Covering / Finish: Paint
Dimensions (DWH xbackW, inches): 24 x 21 x 51.5 x 12.25
Dimensions (DWH xbackW, cm): 60.9 x 53.3 x 130.8 x 31.1
Weight (lbs/kg): 236/107

Cascade Installation
The SYNERGY product line provide ac power convenience outlets which minimize wiring and improve overall safety when used properly. Carefully read all of the important safety tips shown below for long and safe use of your equipment.
- Always connect the equipment to a circuit with a suitable electrical ground.
- Do not overload the power cords and convenience outlets.
Yorkville provides heavy gauge certified power cords which safely deliver up to 12Ato interconnected equipment. It is important to know what the total current requirements are for all of the equipment you want to connect together in a chain.
All of our SYNERGY products have their current rating marked at the rear of the enclosure. This number represents the typical current drawn at moderate power levels. If the total rated current is below 12A the system will operate safely even when the amplifiers are operating at higher power levels.
Here is an example of using the rated current to ensure you’re not overloading the power cords.
The SA102 is rated 1.0A at 120V therefore Two SA102 will consume 2.0A The SA115S is rated 3.0A at 120V therefore Two SA1115S will consume 6.0A The total rated current of the four pieces of equipment is 8.0A
This is less than the 12A limit and this system will operate safely.
NOTE:
The SA221SKIT is a 16A option that exists for the SA221S subwoofer and this line cord can safely deliver up to 16A - Always inspect the cords and plugs before use. Do not use outlets or cords that have exposed wiring, are worn or damaged. Replace electrical cords that have worn or damaged insulation and remember to pull the plug, not the cord to extend the life of the cord itself. Please replace with the equivalent heavy-duty cord supplied by the manufacturer.
- The AC supply cord should be routed so that it is unlikely that it will be damaged. Protect the power cord from being walked on or pinched. If the AC supply cord is damaged DO NOT OPERATE THE UNIT. To completely disconnect this apparatus from the AC Mains, disconnect the power supply cord plug from the AC receptacle. The mains plug of the power supply cord shall remain readily operable. Unplug this apparatus during lightning storms or when unused for long periods of time. Route cords away from traffic to avoid tripping hazards and unnecessary wear on the power cord.
- Never Break Off the Third Prong on a Plug. Replace broken 3-prong plugs and make sure the third prong is properly grounded.
- Keep line cords away from heat, water and oil. They can damage the insulation and create a shock hazard.
- Do not tie cords in tight knots. Knots can cause short circuits and shocks. Loop the cords or use a twist lock plug.
BUMPER MOUNTING
IMPORTANT!!
THE RIGGING OF LOUDSPEAKER SYSTEMS IS AN EXTREMELY SERIOUS MATTER. OVERHEAD RIGGING REQUIRES EXTENSIVE
EXPERIENCE, INCLUDING (BUT NOT LIMITED TO) CALCULATING WORKING LOAD LIMITS, HARDWARE INSTALLATION, AND PERIODIC SAFETY INSPECTION OF ALL HARDWARE AND CABINETRY. IF YOU LACK THESE QUALIFICATIONS, DO NOT ATTEMPT THE INSTALLATION YOURSELF, BUT INSTEAD USE A PROFESSIONAL STRUCTURAL RIGGER. IMPROPER INSTALLATION CAN RESULT IN BODILY INJURY OR DEATH. CONSULT A STRUCTURAL ENGINEER TO CALCULATE ADDED LOADS FOR A BUILDING. STRUCTURAL REINFORCEMENT MAY BE NECESSARY TO INSURE A SAFE INSTALLATION.
- Remove PIN from Box 1 (Figure 1)

- Remove LOCK BAR From rail (Figure 2)

- Stack BOX 2 on top of BOX 1
- Line up feet of BOX 2 with recess in BOX 1 (Figures 3, 4, and 5)



- Insert LOCK BAR into Rails of BOX1 and 2 (Figure 6)

- Insert PIN to secure Lock Bar (Figure 7 and 8)


- Line up boxes as shown (Figure 9), then set up Bumper as shown (Figure 10 and 11)


- Insert LOCK BAR into Rails of BUMPER and BOX ASSEMBLY (Figure 12)
- Insert PIN to secure Lock Bar (Figure 13)

- LOCK BAR and PIN installed (Figures 14 and 15)

SABUMPER1
Important Safety Considerations
- Experienced professionals should only carry out rigging.
- Use mounting and rigging hardware that has been rated to meet or exceed the weight being hung.
- Inspect mounting and rigging hardware regularly. Immediately replace any worn or damaged components.
SABUMPER1 Users Guide
V1 (Feb-2019)
The SABUMPER1 has been designed to hang arrays of SA153 and SA315S Synergy Series Loudspeakers. Up to 4 columns wide and 3 cabinets deep for a maximum number of 12 cabinets (figure 1) can be safely hung at a safety rating of 7:1.

SA153 and SA315S cabinets can be flown right side up or upside down by simply engaging the LOCKBAR provided with each cabinet into the RAILS on the underside of the SABUMPER1 and securing the RAILS in place with the provided quick pin.
Remember, when flying SA153 cabinets above and below each other, they should be mirrored for optimum performance – THIS IS CRITICAL
The SABUMPER1 has 4 main hanging rails providing a multitude of hanging options for motor hoists. The minimum number of pick-up points will depend on the number of columns flying and the array tilt required – a minimum of 2 pick up points are suggested. These two pick up points can be on either the two inner hanging rails (Figure 2) or the two outer hanging rails (Figure 3) regardless of where the columns of cabinets are hanging below on the bumper.
Two extension tilt bars are provided if an array tilt is required; the pick-up points can be moved forward or rearward of the main fly bumper. The two extension bars can be located on either of the two inner or outer main hanging rails. Simply slide the extension bars into the main hanging rails and secure in place with a 5/8-inch shackle. (Shackles are not included)

Hanging an Array
- Attach the main pick-up points from the motor hoist to the SABUMPER1 and raise the bumper off the ground enough to roll the first row of cabinets underneath it.
- Cluster the first row of cabinets tightly together directly below the bumper. Slowly lower the bumper down on top of the cabinets while lining up the RAILS on the underside of the bumper and the RAILS on the top of each cabinet.
- Remove the quick pins and LOCKBARS from between each dolly and cabinet and insert the LOCKBAR into the RAILS on the underside of the bumper and the top of each cabinet.
REMEMBER TO REPLACE EACH QUICK PIN TO SECURE THE LOCKBARS IN PLACE. FAILURE TO DO SO COULD RESULT IN THE LOCKBARS SLIDING OUT DURING USE. - Once all the LOCKBARS and quick pins are secure raise the bumper up and roll the dollies out of the way.
- Roll the next row of cabinets into place and repeat the process of lowering the cabinets down onto each other removing the LOCKBARS and quick pins from the dollies and securing them into the RAILS between the top and bottom of the cabinets.
To dismantle the array simply reverse the process by lowering the bottom row of cabinet down onto the dollies, remove the LOCKBAR and quick pins from between the cabinets and secure them into the dollies.

SAPICKUPBAR1
- Remove the 4 bolts that secure the RAIL to the cabinet and discard.
NOTE: The SAPICKUPBAR1 can be installed on the top and/or bottoms of the SA153 and SA315S speaker cabinets.
- Slide SAPICKUPBAR1 into RAIL and align holes (holes will not align if installed backwards).

- Secure SAPICKUPBAR1 and RAIL on cabinet with supplied 4 BOLTS
and LOCKING WASHERS.
- SAPICKUPBAR1 installed

Included
1x SAPICKUPBAR1
4x YS#9400SS Lock Washers
4x YS#9125 Bolts
Two & Ten Year Warranty
Unlimited Warranty
Yorkville’s two and ten-year unlimited warranty on this product is transferable and does not require registration with Yorkville Sound or your dealer. If this product should fail for any reason within two years of the original purchase date (ten years for the wooden enclosure), simply return it to your Yorkville dealer with original proof of purchase and it will be repaired free of charge. This includes all Yorkville products, except for the YSM Series studio monitors, Coliseum Mini Series and TX Series Loudspeakers.
Freight charges, consequential damages, weather damage, damage as a result
of improper installation, damages due to exposure to extreme humidity, accident or natural disaster are excluded under the terms of this warranty. Warranty does not cover consumables such as vacuum tubes or par bulbs. See your Yorkville dealer for more details. Warranty valid only in Canada and the United States.
WORLD HEADQUARTERS
CANADA
Yorkville Sound Limited
550 Granite Court
Pickering, Ontario
L1W 3Y8 CANADA
Voice: 905-837-8481
Fax: 905-837-8746
U.S.A.
Yorkville Sound Inc.
4625 Witmer Industrial Estate
Niagara Falls, New York
14305, USA
Voice: 716-297-2920
Fax: 716-297-3689



































