

OWNER’S MANUAL
SA102
This lightning flash with an arrowhead symbol, within an equilateral triangle, is intended to alert the user to the presence of uninsulated “dangerous voltage” within the product’s enclosure that may be of sufficient magnitude to constitute a risk of electric shock to persons.
The DO NOT STACK symbol is intended to alert the user that the product shall not be vertically stacked because of the nature of the product.
CAUTION THE RISK OF ELECTRIC SHOCK DO NOT OPEN.
![]() | SEPARATE COLLECTION WEEE |
![]() | CAUTION: HOT SURFACE |
![]() | NOT TO BE SERVICED BY USERS |
![]() | DO NOT PUSH OR PULL |
The exclamation point within an equilateral triangle is intended to alert the user to the presence of important operating and maintenance (servicing) instructions in the literature accompanying the appliance.
FOLLOW ALL INSTRUCTIONS
Instructions pertaining to a risk of fire, electric shock, or injury to a person
CAUTION: TO REDUCE THE RISK OF ELECTRIC SHOCK, DO NOT REMOVE COVER (OR BACK).
NO USER-SERVICEABLE PARTS INSIDE. REFER SERVICING TO QUALIFIED SERVICE PERSONNEL. THIS DEVICE IS FOR INDOOR USE ONLY!
INSTALLED BATTERY PACKS SHALL NOT BE EXPOSED TO EXCESSIVE HEAT SUCH AS SUNSHINE, FIRE, OR THE LIKE.
Read Instructions: The Owner’s Manual should be read and understood before the operation of your unit. Please, save these instructions for future reference and heed all warnings.
Clean only with a dry cloth.
Packaging: Keep the box and packaging materials, in case the unit needs to be returned for service.
Warning: To reduce the risk of fire or electric shock, do not expose this apparatus to rain or moisture. Do not use this apparatus near water!
Warning: When using electric products, basic precautions should always be followed, including the following:
Power Sources
Your unit should be connected to a power source only of the voltage specified in the owner’s manual or as marked on the unit. This unit has a polarized plug. Do not use with an extension cord or receptacle unless the plug can be fully inserted. Precautions should be taken so that the grounding scheme on the unit is not defeated. An apparatus with CLASS I construction shall be connected to a Mains socket outlet with a protective earthing connection. Where the MAINS plug or an appliance coupler is used as the disconnect device, the disconnect device shall remain readily operable.
Hazards
Do not place this product on an unstable cart, stand, tripod, bracket, or table. The product may fall, causing serious personal injury and serious damage to the product. Use only with cart, stand, tripod, bracket, or table recommended by the manufacturer or sold with the product. Follow the manufacturer’s instructions when installing the product and use mounting accessories recommended by the manufacturer. Only use attachments/accessories specified by the manufacturer Note: Prolonged use of headphones at a high volume may cause health damage to your ears.
The apparatus should not be exposed to dripping or splashing water; no objects filled with liquids should be placed on the apparatus.
Te terminals marked with the “lightning bolt” are hazardous live; the external wiring connected to these terminals requires installation by an instructed person or the use of ready-made leads or cords.
Ensure that proper ventilation is provided around the appliance. Do not install near any heat sources such as radiators, heat registers, stoves, or other apparatus (including amplifiers) that produce heat.
No naked flame sources, such as lighted candles, should be placed on the apparatus.
Power Cord
Do not defeat the safety purpose of the polarized or grounding-type plug. A polarized plug has two blades with one wider than the other. A grounding-type plug has two blades and a third grounding prong. The wide blade or the third prong is provided for your safety. If the provided plug does not fit into your outlet, consult an electrician for the replacement of the obsolete outlet.
The AC supply cord should be routed so that it is unlikely that it will be damaged. Protect the power cord from being walked on
or pinched particularly at plugs. If the AC supply cord is damaged DO NOT OPERATE THE UNIT. To completely disconnect
this apparatus from the AC Mains, disconnect the power supply cord plug from the AC receptacle. The main plug of the power supply cord shall remain readily operable.
Unplug this apparatus during lightning storms or when unused for long periods of time.
Service
The unit should be serviced only by qualified service personnel. Servicing is required when the apparatus has been damaged in any way, such as power-supply cord or plug is damaged, liquid has been spilled or objects have fallen into the apparatus, the apparatus has been exposed to rain or moisture, does not operate normally, or has been dropped. Disconnect power before servicing!
IMPORTANT SAFETY INSTRUCTIONS
The Lightning Flash with arrowhead symbol within an equilateral triangle is intended to alert the user to the presence of uninsulated “dangerous voltage” within the product enclosure that may be of sufficient magnitude to constitute a risk of shock to persons The exclamation point within an equilateral triangle is intended to alert the user to the presence of important operating and maintenance(servicing) instructions in the literature accompanying the product
- Read these instructions.
- Keep these instructions.
- Heed all warnings.
- Follow all instructions.
- Do not use this apparatus near water.
- Clean only with a dry cloth.
- Do not block any ventilation openings. Install in accordance with the manufacturer’s instructions.
- Do not install near any heat sources such as radiators, heat registers, stoves, or other apparatus (including amplifiers) that produce heat.
- Do not defeat the safety purpose of the polarized or grounding-type plug. A polarized plug has two blades with one wider than the other. A grounding-type plug has two blades and a third grounding prong. The wide blade or the third prongs are provided for your safety. If the provided plug does not fit into your outlet, consult an electrician for the replacement of the obsolete outlet.
- Protect the power cord from being walked on or pinched particularly at plugs, convenience receptacles, and the point where they exit from the apparatus.
- Only use attachments/accessories specified by the manufacturer.
- Use only with the cart, stand, tripod, bracket, or table specified by the manufacturer, or sold with the apparatus. When a cart is used, use caution
when moving the cart/apparatus combination to avoid injury from tip-over. - Unplug this apparatus during lightning storms or when unused for long periods of time.
- Refer all servicing to qualified service personnel. Servicing is required when the apparatus has been damaged in any way, such as power-supply cord or plug is damaged, liquid has been spilled or objects have fallen into the apparatus, the apparatus has been exposed to rain or moisture, does not operate normally, or has been dropped.
WARNING:
- To reduce the risk of fire or electric shock, do not expose this apparatus to rain or moisture and objects filled with liquids, such as vases, should not be placed on this apparatus.
- To completely disconnect this apparatus from the ac mains, disconnect the power supply cord plug from the ac receptacle.
- The main plug of the power supply cord or an appliance coupler shall remain readily accessible.
CAUTION
TO PREVENT ELECTRIC SHOCK HAZARDS, DO NOT CONNECT TO THE MAINS POWER SUPPLY WHILE THE GRILLE IS REMOVED.
Synergy SA102 Powered Speaker
Thank you for choosing Yorkville’s Synergy SA102 arrayable speaker, the pinnacle of clarity and output in a fully expandable speaker system. The SA102 excels in sound reinforcement applications where a line array is desired but cannot be easily accommodated. Used alone or in multiples with the matching SA115 subwoofers, the SA102 is designed to deliver reliable, high-quality audio at a professional level.
Cabinet Features
The SA102 is constructed of high-strength multiply birch plywood for ultimate durability. At the heart of the SA102 is a Paraline lens loaded with a coaxial compression driver along with a 10-inch woofer mounted on a 30°H x 45°V constant directivity horn. Paraline technology was first developed for Yorkville’s flagship VTC Pro Audio Elevation series line array. By channeling the sound waves along equidistant paths, the Paraline lens converts the point source compression driver into a line source with constant phase and amplitude. The result is a completely balanced sound field and coverage pattern across the cabinet’s horizontal and vertical planes.The unique design of the SA102 allows the cabinets to be placed side by side without interference. Cabinets can be placed together to cover as wide a pattern as desired, including 360 degrees, without any loving or interference
patterns.
Electronic Features
Innovative DSP processing is used to drive the 900-watt Class-D woofer amplifier and the three-tier 300-watt horn amplifier. An active crossover for the amplifiers ensures that the woofer and horn operate optimally; meanwhile, separate undefeatable limiters protect those drivers from excessive peaks and over-powering. The drivers themselves are sourced from the world’s premier manufacturers offering an extended lifetime of smooth, powerful performance. We are confident you will find the SA102 a worthy mainstay for all of your sound application needs.
- Power Switch and Indicator
The green power LED illuminates when the power switch is turned to the On position and AC voltage is supplied.
- PowerCON TRUE AC Loop Thru
As a standard, the AC inlet on the SA102 accepts locking PowerCON TRUE power cords. There is also an AC outlet that can be used to loop power through to other cabinets in your array using a male to female PowerCON TRUE looping power cord. Check with your local Yorkville dealer for the availability of these accessory cords. IMPORTANT: DO NOT EXCEED THE CURRENT RATING OF THE POWER and ACCESSORY CORDS. PLEASE READ THE SECTION OF THIS MANUAL CALLED CASCADE INSTALLATION - Input Jack
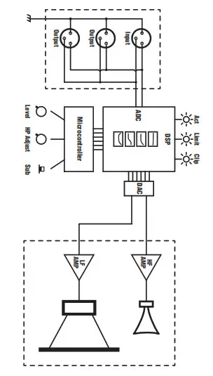
This female-XLR accepts line-level XLR microphone cables. For best noise reduction use balanced sources. - Dual Link Outputs
These XLR male connectors can be used with a standard XLR cable to daisy-chain up to 20 SA102 or SA115 cabinets without signal degradation. Simply loop from one cabinet’s Link jack to the next cabinet’s Input jack. - SA102 Level Control
This control adjusts the volume level of the SA102 relative to the input signal level. Mixers and other audio sources connected to the SA102 tend to have different output voltages, which means the level control on the SA102 is used to fine-tune the cabinet’s volume relative to the mixer settings. It is perfectly acceptable to set the SA102 Level above or below the center 0 dB setting. When arraying multiple cabinets, it may be desirable to reduce the volume of some cabinets to better cover the audience. (ex. The outer box of a cluster may be against a wall) - Mode Switch (Sub/No Sub)
This switch allows the user to configure the SA102 to be used with or without a subwoofer. In “No Sub” mode, the cabinet’s internal high-pass (low-cut) filter is set to 50 Hz. When using the SA102 with a subwoofer, such as the SA115, depress the button to set the internal high-pass filter to align perfectly with the subwoofer. - HF (High Frequency) Adjust Selector
The HF Adjust switch is used to set the relatively high-frequency level of the SA102. If you are assembling multiple SA102 cabinets into an array, you may notice an increase in bass and a lack of treble. This is due to the low-frequency coupling between the cabinets of the low-frequency drivers. Setting this control to the number of cabinets in the array will ensure a flat response from the system. As the number of cabinets increases the high-frequency output will be correspondingly increased. The HF switch can also be used in applications where the loudspeakers are situated far from the audience. The increase of treble will help overcome the natural loss of high frequency due to traveling a greater distance. - Clip and Limit Indicators
The Clip and Limit LED indicators to illuminate to guide the user to proper operating levels. Illumination of the yellow Limit LED indicates that a level has been reached where the SA102 limiters are reducing the signal internally to prevent damage or distortion. It also indicates that further increases in input level or increasing the SA102 Level control position will not appreciably increase acoustic output. The red Clip LED indicates that the input level is excessive and further increases in level will cause severe distortion. This happens at very high input signal levels in excess of 13V peak. The input signal should be reduced at the source until Clip activity ceases.

Specifications
System Type Active Full-Range Powered Speaker
Active or Passive Active
Program Power (watts) 1200 watts Program (2400 watts Peak)
Biampable Biamp
Measured Max SPL (C-Weighted, Max Hold) 127 dB Continous 133 dB Peak
Frequency Response (Hz +/- 3dB) 60Hz-18k
Modèle de projection 30×45 Asymmetrical (7 Haut, 38 Bas)
Crossover Frequency (Hz) 750Hz
Cabinet Configuration Patented Synergy Horn and Paraline Lens Technology
Driver Configuration 1×10-inches LF Woofer, 1xHF Compression Driver
HF Driver(s) 4-inches Diaphragm/Voice Coil, Neo
HF Program Power (watts) 120 watts Program, 240 watts Peak
HF Impedance (ohms) 8 ohm Load
HF Protection Peak and Average Limiting
LF Driver(s) 1×10-inches Neo Woofer with 3-inches Voice Coil
LF Impedance (ohms) 2 ohm Load
LF Protection Excursion, RMS
HF Power Amplifier (watts) 300 watts Program, 500 watts Peak
HF Amplifier Type 3-Tier Class H
LF Power Amplifier (watts) 900 watts Program, 1600 watts Peak
LF Amplifier Type Class D
Cooling Scheme Convection
Power Cable Removable Locking Powercon True Input and Loop Thru Output
Power Switch Yes
Power Consumption 200VA/320VA Max
Inputs 1 XLR, 2 x XLR Loop
Input Sensitivity (Vrms Sine) Line in 1.4 at center, 0.56 at max
Level Controls Volume
EQ Controls HF Boost select, Fullrange/Sub switch
LED Indicators Power, Limit, Clip
Enclosure Materials Multiply 15mm Birch Plywood
Standard Rigging Hardware 1/4-20 Eyebolts (4 Top, 4 Bottom)
Stacking Feature Interlocking UHMW Feet (Top and Bottom)
Covering / Finish Paint
Dimensions (DWH xbackW, inches) 21.250 x 17.375 x 22.750 x 6.750
Dimensions (DWH xbackW, cm) 54 x 45 x 58 x 17
Weight (lbs/kg) 69/31.3
CAUTION DO NOT STACK
The DO NOT STACK symbol is intended to alert the user that the product shall not be vertically stacked because of the nature of the product.
This equipment has been tested and found to comply with the limits for a Class A digital device, pursuant to part 15 of the FCC Rules. These limits are designed to provide reasonable protection against harmful interference when the equipment is operated in a commercial environment. This equipment generates, uses, and can radiate radio frequency energy and, if not installed and used in accordance with the instruction manual, may cause harmful interference to radio communications. Operation of this equipment in a residential area is likely to cause harmful interference in which case the user will be required to correct the interference at his own expense.
Block Diagram SA102
DESIGNED & MANUFACTURED BY YORKVILLE SOUND

Cascade Installation
The SYNERGY product line provides ac power convenience outlets that minimize wiring and improve overall safety when used properly. Carefully read all of the important safety tips shown below for the long and safe use of your equipment.
- Always connect the equipment to a circuit with a suitable electrical ground.
- Do not overload the power cords and convenience outlets.
Yorkville provides heavy-gauge certified power cords that safely deliver up to 12Ato interconnected equipment. It is important to know what the total current requirements are for all of the equipment you want to connect together in a chain.
All of our SYNERGY products have their current rating marked at the rear of the enclosure. This number represents the typical current drawn at moderate power levels. If the total rated current is below 12A the system will operate safely even when the amplifiers are operating at higher power levels.
Here is an example of using the rated current to ensure you’re not overloading the power cords.
The SA102 is rated 1.0A at 120V therefore Two SA102 will consume 2.0A
The SA115S is rated 3.0A at 120V therefore Two SA1115S will consume 6.0A
The total rated current of the four pieces of equipment is 8.0A
This is less than the 12A limit and this system will operate safely.
NOTE:
The SA221SKIT is a 16A option that exists for the SA221S subwoofer and this line cord can safely deliver up to 16A. - Always inspect the cords and plugs before use. Do not use outlets or cords that have exposed wiring, are worn or damaged. Replace electrical cords that have worn or damaged insulation and remember to pull the plug, not the cord to extend the life of the cord itself. Please replace with the equivalent heavy-duty cord supplied by the manufacturer.
- The AC supply cord should be routed so that it is unlikely that it will be damaged. Protect the power cord from being walked on or pinched. If the AC supply cord is damaged DO NOT OPERATE THE UNIT. To completely disconnect this
apparatus from the AC Mains, disconnect the power supply cord plug from the AC receptacle. The main plug of the power supply cord shall remain readily operable. Unplug this apparatus during lightning storms or when unused for long periods of time. Route cords away from traffic to avoid tripping hazards and unnecessary wear on the power cord. - Never Break Off the Third Prong on a Plug. Replace broken 3-prong plugs and make sure the third prong is properly grounded.
- Keep line cords away from heat, water and oil. They can damage the insulation and create a shock hazard.
- Do not tie cords in tight knots. Knots can cause short circuits and shocks. Loop the cords or use a twist lock plug.
Two & Ten Year Warranty

Unlimited Warranty
Yorkville’s two and ten-year unlimited warranty on this product is transferable and does not require registration with Yorkville Sound or your dealer. If this product should fail for any reason within two years of the original purchase date (ten years for the wooden enclosure), simply return it to your Yorkville dealer with original proof of purchase and it will be repaired free of charge.
This includes all Yorkville products, except for the YSM Series studio monitors, Coliseum Mini-Series and TX Series Loudspeakers.
Freight charges, consequential damages, weather damage, damage as a result of improper installation, damages due to exposure to extreme humidity, accident or natural disaster are excluded under the terms of this warranty. Warranty does not cover consumables such as vacuum tubes or par bulbs. See your Yorkville dealer for more details. Warranty valid only in Canada and the United States.

REAL Gear.
REAL People.
Canada U.S.A.
Voice: (905) 837-8481
Fax: (905) 837-8746
www.Yorkville.com
Yorkville Sound
550 Granite Court
Pickering, Ontario
L1W-3Y8 CANADA
WEB: www.Yorkville.com
WORLD HEADQUARTERS
| CANADA Yorkville Sound Limited 550 Granite Court Pickering, Ontario L1W 3Y8 CANADA Voice: 905-837-8481 Fax: 905-837-8746 | U.S.A. Yorkville Sound Inc. 4625 Witmer Industrial Estate Niagara Falls, New Yo rk 14305, USA Voice: 716-297-2920 Fax: 716-297-3689 |
Quality and Innovation Since 1963
Printed in Canada
Manual-Owners-SYNERGY-SA102-00-1v1 • Jun 24, 2021























