Yorkville SA153 Synergy Array 3Way 2500W Power Speaker

IMPORTANT SAFETY INSTRUCTIONS
- This lightning flash with an arrowhead symbol, within an equilateral triangle, is intended to alert the user to the presence of uninsulated “dangerous voltage” within the product’s enclosure that may be of sufficient magnitude to constitute a risk of electric shock to persons.
- CAUTION AVIS RISK OF ELECTRIC SHOCK DO NOT OPEN RISQUE DE CHOC ELECTRIQUE NE PAS OUVRIR
- The exclamation point within an equilateral triangle is intended to alert the user to the presence of important operating and maintenance (servicing) instructions in the literature accompanying the appliance.
- The DO NOT STACK symbol is intended to alert the user that the product shall not be vertically stacked because of the nature of the product.
- CAUTION: HOT SURFACE ATTENTION: SURFACE CHAUDE
- NOT TO BE SERVICED BY USERS
- CAUTION: OVERHEAD LOAD
FOLLOW ALL INSTRUCTIONS
- Instructions pertaining to a risk of fire, electric shock, or injury to a person
- CAUTION: TO REDUCE THE RISK OF ELECTRIC SHOCK, DO NOT REMOVE THE COVER (OR BACK). NO USER-SERVICEABLE PARTS INSIDE. REFER SERVICING TO QUALIFIED SERVICE PERSONNEL. THIS DEVICE IS FOR INDOOR USE ONLY! INSTALLED BATTERY PACKS SHALL NOT BE EXPOSED TO EXCESSIVE HEAT SUCH AS SUNSHINE, FIRE, OR THE LIKE.
- Read Instructions: The Owner’s Manual should be read and understood before operation of your unit. Please, save these instructions for future
reference and heed all warnings.
Cleaning: Clean only with dry cloth. - Packaging: Keep the box and packaging materials, in case the unit needs to be returned for service.
- Warning: To reduce the risk or fire or electric shock, do not expose this apparatus to rain or moisture. Do not use this apparatus near water!
- Warning: When using electric products, basic precautions should always be followed, including the following:
Power Sources
- Your unit should be connected to a power source only of the voltage specified in the owners manual or as marked on the unit. This unit has a polarized
plug. Do not use with an extension cord or receptacle unless the plug can be fully inserted. Precautions should be taken so that the grounding scheme
on the unit is not defeated. An apparatus with CLASS I construction shall be connected to a Mains socket outlet with a protective earthing connection. - Where the MAINS plug or an appliance coupler is used as the disconnect device, the disconnect device shall remain readily operable.
Hazards
- Do not place this product on an unstable cart, stand, tripod, bracket or table. The product may fall, causing serious personal injury and serious damage to the product. Use only with cart, stand, tripod, bracket, or table recommended by the manufacturer or sold with the product. Follow the manufacturer’s instructions when installing the product and use mounting accessories recommended by the manufacturer. Only use attachments/accessories specified by the manufacturer. Equipment that is suspended overhead must use a secondary safeguard to prevent personal injury in the event the primary mounting mechanism
fails. Safety eyebolts attached to the equipment and galvanized steel wire can be used together to implement a failsafe mounting thus ensuring the safety of the equipment and anyone positioned below the equipment. Improper installation can result in bodily injury or death. If you are not qualified to attempt the installation get help from a professional structural rigger. - Note: Prolonged use of headphones at a high volume may cause health damage to your ears.
- The apparatus should not be exposed to dripping or splashing water; no objects filled with liquids should be placed on the apparatus.
- Terminals marked with the “lightning bolt” are hazardous live; the external wiring connected to these terminals require installation by an instructed person or the use of ready made leads or cords. Ensure that proper ventilation is provided around the appliance. Do not install near any heat sources such as radiators, heat registers, stoves, or other apparatus (including amplifiers) that produce heat. No naked flame sources, such as lighted candles, should be placed on the apparatus.
Power Cord
- Do not defeat the safety purpose of the polarized or grounding-type plug. A polarized plug has two blades with one wider than the other. A grounding type plug has two blades and a third grounding prong. The wide blade or the third prong are provided for your safety. If the provided plug does not fit into your outlet, consult an electrician for replacement of the obsolete outlet. The AC supply cord should be routed so that it is unlikely that it will be damaged.
- Protect the power cord from being walked on or pinched particularly at plugs. If the AC supply cord is damaged DO NOT OPERATE THE UNIT. To completely disconnect this apparatus from the AC Mains, disconnect the power supply cord plug from the AC receptacle. The mains plug of the power supply cord shall remain readily operable. Unplug this apparatus during lightning storms or when unused for long periods of time. Service The unit should be serviced only by qualified service personnel. Servicing is required when the apparatus has been damaged in any way, such as power-supply cord or plug is damaged, liquid has been spilled or objects have fallen into the apparatus, the apparatus has been exposed to rain or moisture, does not operate normally, requires battery pack replacement or has been dropped.
Disconnect power before servicing!
The Lightning Flash with the arrowhead symbol within an equilateral triangle, is intended to alert the user to the presence of uninsulated “dangerous voltage” within the product enclosure that may be of sufficient magnitude to constitute a risk of shock to persons The exclamation point within an equilateral triangle is intended to alert the user to the presence of important operating and maintenance (servicing) instructions in the literature accompanying the product
- Read these instructions.
- Keep these instructions.
- Heed all warnings.
- Follow all instructions.
- Do not use this apparatus near water.
- Clean only with dry cloth.
- Do not block any ventilation openings. Install in accordance with the manufacturer’s instructions.
- Do not install near any heat sources such as radiators, heat registers, stoves, or other apparatus (including amplifiers) that produce heat.
- Do not defeat the safety purpose of the polarized or grounding-type plug. A polarized plug has two blades with one wider than the other. A grounding type plug has two blades and a third grounding prong. The wide blade or the third prongs are provided for your safety. If the provided plug does not fit into your outlet, consult an electrician for replacement of the obsolete outlet.
- Protect the power cord from being walked on or pinched particularly at plugs, convenience receptacles, and the point where they exit from the apparatus.
- Only use attachments/accessories specified by the manufacturer.
- Use only with the cart, stand, tripod, bracket, or table specified by the manufacturer, or sold with the apparatus. When a cart is used, use caution when moving the cart/apparatus combination to avoid injury from tip-over.
- Unplug this apparatus during lightning storms or when unused for long periods of time.
- Refer all servicing to qualified service personnel. Servicing is required when the apparatus has been damaged in any way, such as power-supply cord or plug is damaged, liquid has been spilled or objects have fallen into the apparatus, the apparatus has been exposed to rain or moisture, does not operate normally, or has been dropped.
WARNING:
- To reduce the risk of fire or electric shock, do not expose this apparatus to rain or moisture and objects filled with liquids, such as vases, should not be
placed on this apparatus. - To completely disconnect this apparatus from the ac mains, disconnect the power supply cord plug from the ac receptacle.
- The mains plug of the power supply cord or an appliance coupler shall remain readily accessible.
CAUTION TO PREVENT ELECTRIC SHOCK HAZARDS, DO NOT CONNECT TO THE MAINS POWER SUPPLY WHILE THE GRILLE IS REMOVED.
- This equipment has been tested and found to comply with the limits for a Class A digital device, pursuant to part 15 of the FCC Rules. These limits are designed to provide reasonable protection against harmful interference when the equipment is operated in a commercial environment. This equipment generates, uses, and can radiate radio frequency energy and, if not installed and used in accordance with the instruction manual, may cause harmful interference to radio communications. Operation of this equipment in a residential area is likely to cause harmful interference in which case the user will be required to correct the interference at his own expense.
Synergy SA153 Powered Speaker
- Thank you for choosing Yorkville’s Synergy SA153 arrayable speaker, the pinnacle of clarity and output in a fully expandable speaker system. The SA153 excels in sound reinforcement applications where high output and precise control of horizontal dispersion are required. Used alone or in multiples with the matching SA315 subwoofers, the SA153 is designed to deliver reliable, high quality audio at a professional level.
Cabinet Features
- The SA153 is constructed of high strength multiply birch plywood for ultimate durability. At the heart of the SA153 is a Paraline lens loaded with a coaxial compression driver along with a 15-inch woofer mounted on a 22.5°H x 45°V constant directivity horn. Paraline technology was first developed for Yorkville’s flagship VTC Pro Audio Elevation series line array. By channeling the sound waves along equidistant paths, the Paraline lens converts the point source compression driver into a line source with constant phase and amplitude. The result is a completely balanced sound field and coverage pattern across the cabinet’s horizontal and vertical planes. The unique design of the SA153 allows the cabinets to be placed side by side without interference. Cabinets can be placed together to cover as wide a pattern as desired, including 360 degrees, without any lobing or interference patterns.
Electronic Features
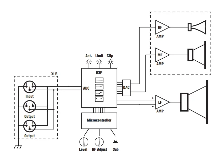
- Innovative DSP processing is used to drive the 2000-watt Class-D woofer amplifier and the three-tier 300-watt horn amplifiers. An active crossover for the amplifiers ensures that the woofer and horn operate optimally; meanwhile, separate non-defeatable limiters protect those drivers from excessive peaks and over-powering. The drivers themselves are sourced from the world’s premier manufacturers offering an extended lifetime of smooth, powerful performance. We are confident you will find the SA153 a worthy mainstay for all of your sound application needs.

- Input Jack
This female-XLR accepts line level XLR microphone cables. For best noise reduction use balanced sources. - Dual Link Outputs
These XLR male connectors can be used with a standard XLR cable to daisy-chain up to 20 SA153 or SA315
cabinets without signal degradation. Simply loop from one cabinet’s Link jack to the next cabinets Input jack. - SA153 Level Control
This control adjusts the volume level of the SA153 relative to the input signal level. Mixers and other audio sources connected to the SA153 tend to have different output voltages, which mean the level control
on the SA153 is used to fine tune the cabinet’s volume relative to the mixer settings. It is perfectly acceptable to set the SA153 Level above or below the center 0 dB setting. When arraying multiple cabinets, it may be desirable to reduce the volume of some cabinets to better cover the audience. (ex. The outer box of a cluster may be against a wall) - Mode Switch (Sub/No Sub)
This switch allows the user to configure the SA153 to be used with or without a subwoofer. In “No Sub” mode, the cabinet’s internal high-pass (low-cut) filter is set to 40 Hz. When using the SA153 with a subwoofer, such as the SA315, depress the button to set the internal high-pass filter to align perfectly with the subwoofer. - HF (High Frequency) Adjust Selector
The HF Adjust switch is used to set the relative high frequency level of the SA153. If you are assembling multiple SA153 cabinets into an array, you may notice an increase in bass and a lack of treble. This is due to low frequency coupling between the cabinets of the low frequency drivers. Setting this control to the number of cabinets in the array will insure flat response from the system. As the number of cabinets increases the high frequency output will be correspondingly increased. The HF switch can also be used in applications where the loudspeakers are situated far from the audience. The increase of treble will help overcome the natural loss of high frequency due to traveling a greater distance. - Clip and Limit Indicators
The Clip and Limit LED indicators illuminate to guide the user to proper operating levels. Illumination of the yellow Limit LED indicates that a level has been reached where the SA153 limiters are reducing the signal internally to prevent damage or distortion. It also indicates that further increases in input level or increasing the SA153 Level control position will not appreciably increase acoustic output. The red Clip LED indicates that the input level is excessive and further increases in level will cause severe distortion. This happens at very high input signal levels in excess of 13V peak. The input signal should be reduced at the source until Clip activity ceases. - Power Switch and Indicator
The green power LED illuminates when the power switch is turned to the On position and AC voltage is supplied. - PowerCON TRUE AC Loop Thru
As a standard, the AC inlet on the SA153 accepts locking PowerCON TRUE power cords. There is also an AC
outlet that can be used to loop power through to other cabinets in your array using a male to female PowerCON
TRUE looping power cord. Check with your local Yorkville dealer for availability of these accessory cords.
IMPORTANT: DO NOT EXCEED THE CURRENT RATING OF THE POWER and ACCESSORY CORDS. PLEASE READ THE SECTION OF THIS MANUAL CALLED CASCADE INSTALLATION
| Optional Synergy Series Accessories | ||
| YS Part | Name | Description |
| SAPICKUPBAR1 | Pickup Bar | Single column cabinet hanging hardware (2x SA153 plus 1x SA315S MAX) |
| SABUMPER1 | Flying Bumper | 4 wide flying bumper (8x SA153 plus 4x SA315S MAX) |
| SACABLELOOP | AC Loop Cable | 6-foot male-to-female PowerCON TRUE looping power cord |
| SA153COVER | SA153 Cabinet Cover | Covers two cabinets (stacked) |
| SA315SCOVER | SA315S Cabinet Cover | Covers one cabinet |
| SADOLLY1 | Cabinet Dolly | Holds 2x SA153 (stacked) or 1 x SA315S |
Specifications
- Active or Passive Active
- Program Power (watts) 2600 program (5000 peak)
- Biampable Trump
- Measured Max SPL (C-Weighted, Max Hold) 131dB Continuous 137dB Peak
- Frequency Response (Hz +/- 3db) 55-18K
- Dispersion (°H x °V) 22.5×45 asymetrical 10 up, 35 down
- Crossover Frequency (Hz) 400, 7k
- Cabinet Configuration Patented Synergy Horn and Paraline Lens Technology
- Driver Configuration 1×15-inch LF woofer, 1x MF/HF Co-ax Compression Driver
- HF Driver 1.75-inch Diaphragm/Voice Coil Annular Co-axial
- HF Program Power (watts) 300
- HF Impedance (ohms) 16
- HF Protection Peak and Average Limiting
- MF Driver 3.5-inch diaphragm/voice coil annular coaxial
- MF Program Power (watts) 300
- MF Impedance (ohms) 16
- MF Protection Peak and Average Limiting
- LF Driver 1×15-inch neodymium woofer with 3.5-inch voice coil
- LF Program Power(watts) 2000 program (4000 peak)
- LF Impedance (ohms) 8
- LF Protection Excursion, RMS
- HF Power Amplifier (watts) 300
- HF Amplifier Type 3-Tier Class H
- MF Power Amplifier (watts) 300
- MF Amplifier Typ 3-Tier Class H
- LF Power Amplifier (watts) 2000
- LF Amplifier Type Class D
- Cooling Scheme Convection
- Power Cable Removable Locking Powercon True Input and Loop Thru Output
- Power Switch Yes
- Power Consumption (typ/max) 220 VA / 400 VA
- Inputs 1 XLR, 2 x XLR Loop
- Input Sensitivity (Vrms Sine) Line in 1.4 at center, 0.56 at max
- Level Controls Volume
- EQ Controls HF/MF Boost select, Fullrange/Sub switch
- LED Indicators Power, Limit, Clip
- Enclosure Materials Multiply 15mm Birch Plywood
- Standard Rigging Hardware RAIL and LOCKBAR Rigging System (Top and Bottom)
- Stacking Feature Interlocking UHMW Feet (top and bottom)
- Covering / Finish Paint
- Dimensions (DWH xbackW, inches) 24 x 21 x 26.5 x 12.25
- Dimensions (DWH back, cm) 60.9 x 53.3 x 67.3 x 31.1
- Weight (lbs/kg) 115/52.1
Yorkville Synergy Convenience Receptacle Installation (Cascade Installation)
RATED CURRENT
Table 1 – SYNERGY RATED CURRENT
| MAINS VOLTAGE | MODEL | RATED CURRENT (Arms) | LINE CURRENT a LIMIT SWITCH (Arms) | ||
| MAX | 80% | 60% | |||
| 120V 60 Hz (NORTH AMERICA) | SA102 | 1.0 | |||
| SA153 | 2.5 | ||||
| SA115S | 3.0 | ||||
| SA221S | 11.0 | 11.0 | 8.0 | 6.0 | |
| SA315S | 10.2 | 10.2 | 10.2 | 8.1 | |
| 230V 50 Hz (EUROPE) | SA102 | 0.5 | |||
| SA153 | 1.5 | ||||
| SA221SCE | 6.3 | 6.3 | 4.0 | 3.0 | |
The LINE CURRENT LIMIT SWITCH allows the user to limit the maximum continuous current consumption to reduced values as shown.
Tech Support: If you have any questions concerning your SYNERGY equipment don’t hesitate to contact [email protected]
ELECTRICAL SAFETY
It is always important to connect all sound reinforcement equipment to ac mains supply circuits that have proper electrical safety grounds. Never break off the Earth Ground pin from a 3-prong plug. This pin provides personal protection from electrical shock and protection of the equipment from lightning strikes and electrostatic buildup. It is also required for EMC shielding. Replace the plug if the Earth Ground pin is missing.
- Always connect the equipment to a circuit with a suitable electrical ground.
- Do not overload the power cords and convenience outlets.
- Always inspect the cords and plugs before use. Do not use outlets or cords that have exposed conductors, are worn or damaged. Replace electrical cords that have worn or damaged insulation and remember to pull the plug not the cord to prevent damage to the cord. Only replace with the equivalent heavy-duty cord supplied by the manufacturer.
- The AC supply cord should be routed so that it is unlikely that it will be damaged. Protect the power cord from being walked on or pinched. If the AC supply cord is damaged DO NOT OPERATE THE UNIT. To completely disconnect this apparatus from the AC Mains, disconnect the power supply cord plug from the AC receptacle. The mains plug of the power supply cord shall remain readily accessible. Unplug the apparatus during lightning storms or when unused for long periods of time. Route cords away from traffic to avoid tripping hazards and unnecessary wear on the power cord.
- Never Break Off the Third Prong on a Plug. Replace broken 3-prong plugs and make sure the third prong is properly grounded.
- Keep line cords away from heat, water and oil. They can damage the insulation and create a shock hazard.
- Do not tie cords in tight knots. Knots can cause short circuits and shocks. Loop the cords or use a twist lock plug.
IMPORTANT!!
THE RIGGING OF LOUDSPEAKER SYSTEMS IS AN EXTREMELY SERIOUS MATTER. OVERHEAD RIGGING REQUIRES EXTENSIVE EXPERIENCE, INCLUDING (BUT NOT LIMITED TO) CALCULATING WORKING LOAD LIMITS, HARDWARE INSTALLATION, AND PERIODIC SAFETY INSPECTION OF ALL HARDWARE AND CABINETRY. IF YOU LACK THESE QUALIFICATIONS, DO NOT ATTEMPT THE INSTALLATION YOURSELF, BUT INSTEAD USE A PROFESSIONAL STRUCTURAL RIGGER. IMPROPER INSTALLATION CAN RESULT IN BODILY INJURY OR DEATH. CONSULT A STRUCTURAL ENGINEER TO CALCULATE ADDED LOADS FOR A BUILDING. STRUCTURAL REINFORCEMENT MAY BE NECESSARY TO INSURE A SAFE INSTALLATION.
BUM P E R M OUNTI NG
- Remove PIN from Box 1 (Figure 1)

- Remove LOCK BAR From rail (Figure 2)
- Stack BOX 2 on top of BOX 1
- Line up feet of BOX 2 with recess in BOX 1 (Figures 3, 4, and 5)


- Insert LOCK BAR into Rails of BOX1 and 2 (Figure 6)

- Insert PIN to secure Lock Bar (Figure 7 and 8)


- Line up boxes as shown (Figure 9), then set up Bumper as shown (Figure 10 and 11)


- Insert LOCK BAR into Rails of BUMPER and BOX ASSEMBLY (Figure 12)

- Insert PIN to secure Lock Bar (Figure 13)
- LOCK BAR and PIN installed (Figures 14 and 15)
Important Safety Considerations
- Experienced professionals should only carry out rigging.
- Use mounting and rigging hardware that has been rated to meet or exceed the weight being hung.
- Inspect mounting and rigging hardware regularly. Immediately replace any worn or damaged components.
SABUMPER1 Users Guide
V1 (Feb-2019)
- The SABUMPER1 has been designed to hang arrays of SA153 and SA315S Synergy Series Loudspeakers. Up to 4 columns wide and 3 cabinets deep for a maximum number of 12 cabinets (figure 1) can be safely hung at a safety rating of 7:1.
- SA153 and SA315S cabinets can be flown right side up or upside down by simply engaging the LOCKBAR provided with each cabinet into the RAILS on the underside of
- the SABUMPER1 and securing the RAILS in place with the provided quick pin.
Remember, when flying SA153 cabinets
above and below each other, they should be mirrored for optimum performance –
THIS IS CRITICAL
The SABUMPER1 has 4 main hanging rails providing a multitude of hanging options for motor hoists. The minimum number of pick-up points will depend on the number of columns flying and the array tilt required – a minimum of 2 pick up points are suggested. These two pick up points can be on either the two inner hanging rails (Figure 2) or the two outer hanging rails (Figure 3) regardless of where the columns of cabinets are hanging below on the bumper.
Two extension tilt bars are provided if an array tilt is required; the pick-up points can be moved forward or rearward of the main fly bumper. The two extension bars can be located on either of the two inner or outer main hanging rails. Simply slide the extension bars into the main hanging rails and secure in place with a 5/8-inch shackle. (Shackles are not included)

- Remove the 4 bolts that secure the RAIL to the cabinet and discard.”
NOTE: The SAPICKUPBAR1 can be installed on the top and/or bottoms of the SA153 and SA315S speaker cabinets. - Slide SAPICKUPBAR1 into RAIL and align holes (holes will not align if installed backward).
- Secure SAPICKUPBAR1 and RAIL on cabinet with supplied 4 BOLTS and LOCKING WASHERS.
- SAPICKUPBAR1 installed.

Included
- 1x SAPICKUPBAR1
- 4x YS#9400SS Lock Washers
- 4x YS#9125 Bolts
Block Diagram SA153
DESIGNED & MANUFACTURED BY YORKVILLE SOUND
Two & Ten Year Warranty
Unlimited Warranty
Yorkville’s two and ten-year unlimited warranty on this product is transferable and does not require registration with Yorkville Sound or your dealer. If this product should fail for any reason within two years of the original purchase date (ten years for the wooden enclosure), simply return it to your Yorkville dealer with original proof of purchase and it will be repaired free of charge. This includes all Yorkville products, except for the YSM Series studio monitors, Coliseum Mini Series and TX Series Loudspeakers.
Freight charges, consequential damages, weather damage, damage as a result of improper installation, damages due to exposure to extreme humidity, accident or natural disaster are excluded under the terms of this warranty. Warranty does not cover consumables such as vacuum tubes or par bulbs. See your Yorkville dealer for more details. Warranty valid only in Canada and the United States.
- Canada
- Voice: (905) 837-8481 Fax: (905) 837-8746
- U.S.A.
- Voice: (716) 297-2920 Fax: (716) 297-3689
- Yorkville Sound 550 Granite Court Pickering, Ontario L1W-3Y8 CANADA
- Yorkville Sound Inc.
- 4625 Witmer Industrial Estate Niagara Falls, New York 14305 USA
- www.yorkville.comwww.com
- WORLD HEADQUARTERS
- CANADA
- Yorkville Sound Limited
- 550 Granite Court
- Pickering, Ontario
- L1W 3Y8 CANADA
- Voice: 905-837-8481
- Fax: 905-837-8746
- U.S.A.
- Yorkville Sound Inc.
- 4625 Witmer Industrial Estate Niagara Falls, New York 14305, USA
- Voice: 716-297-2920
- Fax: 716-297-3689
- Manual-Owners-SYNERGY-SA153-00-1v2
- August 29, 2022






























