POTTER SPHH Series Powertone High Output Speaker

SPHH Series Powertone High Output Speaker
Features
- Operates on 25Vrms or 70Vrms signal lines
- Multiple power taps @ 0.5, 1, 2, 7 and 15 watts
- High dB output for coverage of large areas
- UL sound pressure level 102dB(A) at 10 feet (see chart)
- Built-in 15 watt high efficiency compression driver
- Die-cast aluminum circuitry housing
- Wide frequency response, 400 – 4000Hz
- NEMA 3 rated enclosure
- Indoor and outdoor mounting
Description
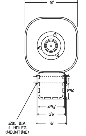
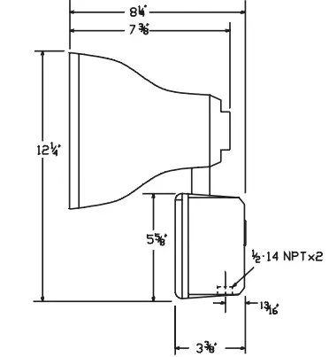
CPG Signals Model SPHH PowerTone® Amplified Speaker is designed for use in hazardous locations and produces a crisp clear high decibel tone/voice output on any 25Vrms or 70Vrms tone/voice audio system. The speaker cone and projector are of spun aluminum. The speaker circuitry is contained in dust and moisture proof sealed housing of die-cast aluminum. The speaker has a supervisory DC coupling capacitor and wattage taps from 0.5 to 15 watts. The speaker is UL Listed for indoor and outdoor use, is NEMA 3 rated, and is finished in red enamel. The PowerTone® Speaker is designed for connection to system supervised alarm notification circuits. Weatherproof and corrosion-resistant surface mount speaker is required.
Applications
- The Powertone® Speaker is well suited for signaling in hazardous areas with high ambient noise levels and where a high efficiency, weatherproof and corrosion-resistant surface mount speaker is required.
- The speaker is suitable for use in National Electrical Code (NFPA 70); Class I, Groups A, B, C and D, Division 2; Class II, Groups F, G, Division 2; Class III hazardous locations. The speaker may be used with any 25Vrms or 70Vrms audio system. The speaker can be indoor or outdoor mounted. The
SPHH is NEMA 3 rated.
Technical Specifications
| Model Number | SpHH-DVSMR |
| Nominal Input Voltage | 25/70Vrms |
| Frequency Response | 400 – 4000Hz |
| Material | Speaker: Spun Aluminum Housing: Die-Cast Aluminum |
| Operating Temperature Range | -40°F to 151°F |
| Shipping Weight | 5.5 lbs |
Engineering Specificiations
Alarm notification appliances shall be speakers using solid-state circuitry. The speaker circuitry shall include a supervisory capacitor and shall be housed in a die-cast, dust and moisture proof aluminum housing which is NEMA 3 rated. The speaker cone and projector shall be of spun aluminum. The entire unit shall have a red finish. The speaker shall be capable of clearly reproducing alarm tones or voice on all 25Vrms or 70Vrms audio systems. The speaker shall provide incremental wattage tap settings of 0.5, 1, 2, 7, and 15 watts. The speaker shall be capable of indoor and outdoor mounting. The speaker shall be capable of a UL sound pressure level at 10 feet of 102dB(A). The PowerTone® Speaker is well suited for signaling in areas with high ambient noise levels and where a high efficiency, weatherproof and corrosion-resistant surface mount speaker is required. The speaker can be indoor or outdoor mounted. The SPHH is NEMA 3 rated.

Model SPHH dB Specifications
| Wattage Tap | UL dB(a) Sound pressure | dB(a) Sound power |
| 0.5 | 87 | 104.4 |
| 1 | 93 | 108.4 |
| 2 | 96 | 111.2 |
| 7 | 99 | 115.7 |
| 15 | 102 | 116.8 |
Warning:
- Installation must be performed by qualified personnel and in accordance with all national and local codes and ordinances.
- Shock hazard. Disconnect power source before servicing. Serious injury or death could result.
- Read all instructions carefully and understand them before starting installation. Save instructions for future use. Failure to read and understand instructions could result in improper operation of device resulting in serious injury or death.
Ordering Information
| Part Number | Ordering Part Number | Description |
| SpHH- DVSMR | 1460234 | High Output, Hazardous areas (Div 2), Red |
Potter Electric Signal Company, LLC
St. Louis, MO
Phone: 800-325-3936
www.pottersignal.com





















