OMCAN BB-CN-0005-HC Reach In Bottle Coolers
General Information
Omcan Manufacturing and Distributing Company Inc., Food Machinery of America, Inc. dba Omcan and Omcan Inc. are not responsible for any harm or injury caused due to any person’s improper or negligent use of this equipment. The product shall only be operated by someone over the age of 18, of sound mind, and not under the influence of any drugs or alcohol, who has been trained in the correct operation of this machine, and is wearing authorized, proper safety clothing. Any modification to the machine voids any warranty, and may cause harm to individuals using the machine or in the vicinity of the machine while in operation.
CHECK PACKAGE UPON ARRIVAL
Upon receipt of an Omcan shipment please inspect for external damage. If no damage is evident on the external packaging, open carton to ensure all ordered items are within the box, and there is no concealed damage to the machine. If the package has suffered rough handling, bumps or damage (visible or concealed), please note it on the bill of lading before accepting the delivery and contact Omcan within 24 hours, so we may initiate a claim with the carrier. A detailed report on the extent of the damage caused to the machine must be filled out within three days, from the delivery date shown in the shipping documents. Omcan has no recourse for damaged products that were shipped collect or third party. Before operating any equipment, always read and familiarize yourself with all operation and safety instructions.Omcan would like to thank you for purchasing this machine. It’s of the utmost importance to save these instructions for future reference. Also save the original box and packaging for shipping the equipment if servicing or returning of the machine is required.
Safety and Warranty
Please pay close attention to the safety notices in this section. Disregarding these notices may lead to serious injury and/or damage to the unit.
ATTENTION
- To minimize shock and fire hazards, be sure not to overload outlet. Please designate one outlet for your unit.
- Do not use extension cords.
- Do not put your hands under the unit when the units is required to be moved.
- When the unit is not in use for a long period of time, please unplug the unit from the outlet.
- After unplugging the unit, wait at least 10 minutes before re-plugging it. Failure to do so could cause damage to the compressor.
UNPLUG CORD
- To minimize shock and fire hazards, please do not plug or unplug the cord with wet hands.
- During maintenance and cleaning, please unplug the unit.
PROPER GROUNDING REQUIRED
- To minimize shock and fire hazards, make sure that the unit is properly grounded.
PROHIBITION
- Do not attempt to remove or repair any component unless instructed by factory.
- Make sure that the unit is not resting on or against the electrical cord and plug.
- To minimize personal injury, do not hang on the doors.
- Do not store any flammable and explosive gas or liquids inside the unit.
- Do not attempt to alter or tamper with the electrical cord.
- Do not set the desired temperature out of the recommended temperature range: (Ref: 32°F – 50°F).
2 YEARS PARTS AND LABOUR / 5 YEARS PARTS ONLY ON COMPRESSOR WARRANTY
Within the warranty period, contact Omcan Inc. at 1-800-465-0234 to schedule an Omcan authorized service technician to repair the equipment locally. Unauthorized maintenance will void the warranty. The warranty covers electrical and part failures, not improper use. Please see https://omcan.com/disclaimer for complete info.
WARNING:
The packaging components are classified as normal solid urban waste and can therefore be disposed of without difficulty. In any case, for suitable recycling, we suggest disposing of the products separately (differentiated waste) according to the current norms.DO NOT DISCARD ANY PACKAGING MATERIALS IN THE ENVIRONMENT!
Technical Specifications
| Model | BB-CN-0005-HC | BB-CN-0014-HC | BB-CN-0017-HC | BB-CN-0026-HC |
| Bottle Product Capacity | 4.5 cases | 16.5 cases | 22 cases | 37.5 cases |
| Can Product Capacity | 6 cases | 24 cases | 32 cases | 55 cases |
| Power | 1/6 HP | 1/4+ HP | ||
| Net Volume | 141 L / 5 cu.ft. | 382 L / 13.5 cu.ft. | 488 L / 17.23 cu.ft. | 580 L / 20.5 cu.ft. |
| Temperature Range | 0.5 – 3.3°C / 33 – 38°F | |||
| Max Ambient Temp Rating | 32°C / 90°F | |||
| Electrical | 115V / 60Hz / 1 | |||
| Current | 2.04A | 2.28A | 2.6A | 4.2A |
| Number of Lids | 1 | 2 | 3 | |
| Refrigerant | R290 | |||
| Isolation Material | Cyclopentane | |||
| Cooling System | Ventilated | |||
| Defrosting | Automatic | |||
| Dimensions | 28.1” x 26.4” x 34.2” 713 x 670 x 869mm | 28” x 49.5” x 34.2” 713 x 1257 x 869mm | 28” x 64.5” x 34.2” 713 x 1638 x 869mm | 28” x 95.2” x 34.2” 713 x 2418 x 869mm |
| Interior Dimensions | 22.3” x 23” x 15.7” 566 x 583 x 400mm | 23” x 45” x 26” 584 x 1143 x 660mm | 23” x 60” x 26” 584 x 1524 x 600mm | 23” x 91” x 26” 583 x 2314 x 662mm |
| Packaging Dimensions | 32.6” x 32.6” x 41.8” 830 x 830 x 1060mm | 32.8” x 56” x 41.8” 832 x 1422 x 1061mm | 32.8” x 70” x 41.8” 832 x 1778 x 1061mm | 101” x 32” x 42” 2565 x 813 x 1067mm |
| Weight | 127.9 lbs. / 58 kgs. | 181 lbs. / 82 kgs. | 253 lbs. / 115 kgs. | 341.7 lbs. / 155 kgs. |
| Packaging Weight | 176 lbs. / 80 kgs. | 247 lbs. / 112 kgs. | 331 lbs. / 150 kgs. | 365 lbs. / 166 kgs. |
| Item Number | 50038 | 50039 | 50040 | 50041 |
Installation / Operation
IMPORTANT!!! PLEASE READ BEFORE INSTALLATION
- If the unit has recently been transported. Please let unit stand still for a minimum of 24 hours before plugging it in.
- Make sure that the unit drops down to desired temperature before loading the unit with product.
- Maker sure that there is proper ventilation around the unit in the area where it will operate.
- Make sure all accessories are installed(i.e. shelves, shelf clips, casters) before plugging the unit in.
- Please read through the Operation / Owners Manual in its entirety.
CABINET LOCATION GUIDELINES
- Install the unit on strong and leveled surfaces.
- Unit may make unpleasant noises if surface is uneven.
- Unit may malfunction if surface is uneven.
- Install the unit in an indoor, well-ventilated area.
- Unit performs more efficiently in a well-ventilated area.
- For best performance, please maintain clearance of 6” on the back of the unit.
- Outdoor use may cause decreased efficiency and damage to the unit.
- Avoid installation in a high humidity and/or dusty area.
- Humidity could cause unit to rust and decrease efficiency of the unit.
Dust collected on condenser coil will cause unit to malfunction. Clean the condenser at least once a month with a brush or clean cloth.
- Humidity could cause unit to rust and decrease efficiency of the unit.
- Select a location away from heat and moisture-generating equipment.
- High ambient temperature will cause the compressor to overwork, leading to higher energy bills and gradual breakdown of the unit.
ELECTRICAL
Please ensure that the required voltage of the compressor is being supplied at all times. Low or high voltage can detrimentally affect the refrigeration unit. All units should be plugged into a grounded and properly-sized electrical outlet with appropriate overcurrent protection. Please refer to the electrical requirement on the nameplate. Please make sure that your unit has its own dedicated outlet. Do not use an extension cord.
TEMPERATURE CONTROLS
The temperature controls are factory-set to maintain an average temperature of 38°F in refrigeration. To maintain a different temperature, simply adjust the control knob located inside the unit. To decrease the temperature (colder), turn clockwise. To increase the temperature(warmer), turn counter-clockwise – see diagram.
LOADING PRODUCT
The bin dividers have been installed at the factory for your convenience. Feel free to reposition the dividers as you see fit. To remove the bin dividers, simply push the divider towards the back wall unit the front of the divider is removed from the positioning holes. To install, position the divider to the desired holes, making sure that the pressure spring is installed properly.
PAY CLOSE ATTENTION TO THE LOAD LIMIT STICKERS LOCATED ON THE INTERIOR WALLS TO THE UNIT. DO NOT LOAD PRODUCT ABOVE THE LOAD LIMIT STICKERS OR ABOVE THE TOP CROSSBAR OF THE BIN DIVIDERS. LOADING PRODUCTS ABOVE THE LOAD LIMIT STICKERS WILL HARM THE PERFORMANCE OF THE UNIT.
CAUTION
Setting the temperature control to the coldest setting may cause the evaporator coil to freeze and ice up. This will eventually result in a warmer Cabinet temperature. Temperature range from 7 (coldest) to 1(warmest). Do not load Product above the top crossbar. Doing so will harm the Refrigeration.
MECHANICAL CONTROLLER INSTRUCTIONS
OFF: shut the compressor off
Temperature range from 7 (coldest) to 1 (warmest).
CAUTION:
Setting the temperature control to the coldest setting may cause the evaporator coil to freeze and ice up. This will eventually result in a warmer cabinet temperature.
Maintenance
CLEANING THE CONDENSER COIL
- For efficient operation, it is important that the condenser surface be kept free of dust, dirt, and lint.
- We recommend cleaning the condenser coil and fins at least once per month.
- Clean with a commercial condenser coil cleaner, available from any kitchen equipment retailer. Brush the condenser fins from top to bottom, not side to side.
- After cleaning, straighten any bent condenser fins with a fin comb.
CLEANING THE FAN BLADE AND MOTOR
- If necessary, clean the fan blades and motor with a soft cloth. If it is necessary to wash the fan blades, cover the fan motor to prevent moisture damage.
CLEANING THE INTERIOR OF UNIT
- When cleaning the cabinet interior, use a solvent of warm water and mild soap.
- Do not use steel wool, caustic soap, abrasive cleaners, or bleach that may damage the stainless steel.
- Wash door gaskets on a regular basis, preferably weekly. Simply remove door gasket from the frame of the door, soak in warm water and soap for thirty (30) minutes, dry with soft cloth, and replace.
- Check door gaskets for proper seal after they are replaced.
- Periodically remove the shelves and pilasters from the unit and clean them with mild soap and warm water. To remove the pilasters, first remove the shelves and shelf brackets. Then, simply lift the pilaster up and out.
Troubleshooting
Before requesting any service on your unit, please check the following points. Please note that this guide serve only as a reference for solutions to common problems.
| PROBLEM | POSSIBLE CAUSE | CORRECTIVE ACTION |
| Compressor not running. | Fuse blown or circuit breaker tripped. | Replace fuse or reset circuit breaker. |
| Power cord unplugged. | Plug in power cord. | |
| Thermostat set too high. | Set thermostat to lower Temperature. | |
| Cabinet in defrost cycle. | Wait for defrost cycle to finish. | |
| Condensing unit runs for long periods of time. | Excessive amount of warm product Placed in cabinet. | Allow adequate time for Product to cool down. |
| Prolonged door opening or door ajar. | Ensure doors are closed when not in use. Avoid opening doors for long periods of time. | |
| Door gasket(s) not sealing properly. | Ensure gaskets are snapped in Completely. Remove gasket and Wash with soap and water. Check condition of gasket and Replace if necessary. | |
| Dirty condenser coil. | Clean the condenser coil. | |
| Evaporator coil iced over. | Unplug unit and allow coil to defrost. Make sure thermostat is not set too cold. Ensure that door gasket(s) are sealing properly. |
| Cabinet Temperature Is too warm. | Thermostat set too warm. | Set thermostat to lower Temperature. |
| Blocking air flow. | Re-arrange product to allow for Proper air flow. Make sure there Is at least four inches of clearance from evaporator. | |
| Excessive amount of warm product Placed in cabinet. | Allow adequate time for product to cool down. | |
| Fuse blown or circuit breaker tripped. | Replace fuse or reset circuit breaker. | |
| Dirty condenser coil. | Clean the condenser coil. | |
| Prolonged door opening or door ajar. | Ensure doors are closed when not in use. Avoid opening doors for long periods of time. | |
| Evaporator coil iced over. | (See above) | |
| Cabinet is noisy. | Loose part(s). | Locate and tighten loose part(s). |
| Tubing vibration. | Ensure tubing is free from contact with other tubing or components. |
Parts Breakdown
| Item No. | Description | Position | Item No. | Description | Position | Item No. | Description | Position |
| AE966 | Compressor Unit Installation Board for 50038 | 1 | AE976 | Top Board for 50038 | 16 | AA210 | Condenser for 50038 | 30 |
| AB973 | Limited Block for Installation Board for 50038 | 2 | AE977 | Base Board for Lock for 50038 | 17 | AE905 | Outer Drain Pan for 50038 | 31 |
| AA185 | Leveling Feet for 50038 | 3 | AE978 | Evaporator Fan Right and Left Baffle for 50038 | 18 | AE982 | Right Rail for Installation Board for 50038 | 32 |
| AE967 | Cabinet Base for 50038 | 4 | AA201 | Evaporator Fan Motor Cover for 50038 | 19 | AE983 | Fixer for Front Grill for 50038 | 33 |
| AE968 | Front Grill for 50038 | 5 | AE979 | Evaporator Fan Bottom Baffle for 50038 | 20 | AA214 | Thermostat Water Proof Cover for 50038 | 34 |
| AE969 | Back Grill for 50038 | 6 | AE901 | Evaporator Fan Motor for 50038 | 21 | AA124 | Power Switch for 50038 | 35 |
| AE970 | Door for 50038 | 7 | AA203 | Evaporator for 50038 | 22 | AB109 | Thermostat for 50038 | 36 |
| AE971 | Door Gasket for 50038 | 8 | AF836 | Evaporator Cover for 50038 | 23 | AE984 | Thermostat Installation Cover for 50038 | 37 |
| 62363 | Door Handle for 50038 | 9 | AA205 | Inner Drain Pipe for 50038 | 24 | AA216 | Drain Tube for 50038 | 38 |
| AA192 | Back Limit Block for 50038 | 10 | AE981 | Inner Drain Pan for 50038 | 25 | AE985 | Left Rail for Installation Board for 50038 | 39 |
| AE986 | Door Limit Block for 50038 | 11 | AF740 | Compressor for 50038 | 26 | AA135 | Power Cord for 50038 | 40 |
| AF835 | Panel Under Table with Component for 50038 | 12 – 13 | AA207 | Condenser Fan Motor Cover for 50038 | 27 | AB594 | Filter for 50038 | 41 |
| AA196 | Key for 50038 | 14 | AA208 | Condenser Fan Blade for 50038 | 28 | AB595 | Filter Fixer for 50038 | 42 |
| AA197 | Lock for 50038 | 15 | AA209 | Condenser Fan Motor for 50038 | 29 |

| Item No. | Description | Position | Item No. | Description | Position | Item No. | Description | Position |
| AE987 | Compressor Unit Installation Board for 50039 | 1 | AE994 | Decoration Strip for 50039 | 18 | AA244 | Bottle Opener for 50039 | 35 |
| AE988 | Base Board for 50039 | 2 | AE995 | Top Board for 50039 | 19 | AF841 | Bottle Opener Board for 50039 | 36 |
| AA185 | Leveling Feet for 50039 | 3 | AE996 | Left Support for Evaporator Cover for 50039 | 20 | AA246 | Bottle Opener Cover for 50039 | 37 |
| AF005 | Front Grill for 50039 | 4 | AF839 | Evaporator Cover for 50039 | 21 | AF740 | Compressor for 50039 | 38 |
| AF837 | Cabinet Base for 50039 | 5 | AA201 | Evaporator Fan Motor Cover for 50039 | 22 | AA247 | Condenser Fan Motor for 50039 | 39 |
| AE990 | Door for 50039 | 6 | AE901 | Evaporator Fan Motor for 50039 | 23 | AA248 | Condenser Fan Blade for 50039 | 40 |
| 62363 | Door Handle for 50039 | 7 | AE998 | Inner Drain Pan for 50039 | 24 | AA249 | Condenser Fan Motor Cover for 50039 | 41 |
| AE971 | Door Gasket for 50039 | 8 | AE999 | Right Support for Evaporator Cover for 50039 | 26 | AB594 | Filter for 50039 | 42 |
| AE986 | Door Limit Block for 50039 | 9 | AA192 | Back Limit Block for 50039 | 27 | AB595 | Filter Fixer for 50039 | 43 |
| AA225 | Shelf for 50039 | 10 | AF000 | Back Grill for 50039 | 28 | AA216 | Drain Tube for 50039 | 44 |
| AA226 | Shelf Spring for 50039 | 11 | AF840 | Inner Baffle for 50039 | 29 | AA250 | Condenser for 50039 | 45 |
| AA227 | Shelf Cap for 50039 | 12 | AE984 | Thermostat Installation Cover for 50039 | 30 | AE905 | Outer Drain Pan for 50039 | 46 |
| AF838 | Panel Under Table with Component for 50039 | 13 – 14 | AB109 | Thermostat for 50039 | 31 | AA135 | Power Cord for 50039 | 47 |
| AA197 | Lock for 50039 | 15 | AA124 | Power Switch for 50039 | 32 | AA196 | Key for 50039 | 48 |
| AE977 | Base Board for Lock for 50039 | 16 | AA242 | Evaporator for 50039 | 33 | AA214 | Thermostat Water Proof Cover for 50039 | 49 |
| AA231 | Decoration Cover for 50039 | 17 | AA243 | Screw for Bottle Opener Component for 50039 | 34 | AF004 | Thermostat Baffle for 50039 | 50 |

| Item No. | Description | Position | Item No. | Description | Position | Item No. | Description | Position |
| AE987 | Compressor Unit Installation Board for 50040 | 1 | AF847 | Decoration Strip for 50040 | 18 | AA244 | Bottle Opener for 50040 | 35 |
| AE988 | Base Board for 50040 | 2 | AF848 | Top Board for 50040 | 19 | AF841 | Bottle Opener Board for 50040 | 36 |
| AA185 | Leveling Feet for 50040 | 3 | AE996 | Left Support for Evaporator Cover for 50040 | 20 | AA246 | Bottle Opener Cover for 50040 | 37 |
| AF005 | Front Grill for 50040 | 4 | AF849 | Evaporator Cover for 50040 | 21 | AF740 | Compressor for 50040 | 38 |
| AF842 | Cabinet Base for 50040 | 5 | AA201 | Evaporator Fan Motor Cover for 50040 | 22 | AA247 | Condenser Fan Motor for 50040 | 39 |
| AF843 | Door for 50040 | 6 | AE901 | Evaporator Fan Motor for 50040 | 23 | AA248 | Condenser Fan Blade for 50040 | 40 |
| AA191 | Door Handle for 50040 | 7 | AF850 | Inner Drain Pan for 50040 | 24 | AA249 | Condenser Fan Motor Cover for 50040 | 41 |
| AE971 | Door Gasket for 50040 | 8 | AE999 | Right Support for Evaporator Cover for 50040 | 26 | AB594 | Filter for 50040 | 42 |
| AF844 | Door Limit Block for 50040 | 9 | AA192 | Back Limit Block for 50040 | 27 | AB595 | Filter Fixer for 50040 | 43 |
| AA225 | Shelf for 50040 | 10 | AF000 | Back Grill for 50040 | 28 | AA216 | Drain Tube for 50040 | 44 |
| AA226 | Shelf Spring for 50040 | 11 | AF840 | Inner Baffle for 50040 | 29 | AA250 | Condenser for 50040 | 45 |
| AA227 | Shelf Cap for 50040 | 12 | AE984 | Thermostat Installation Cover for 50040 | 30 | AE905 | Outer Drain Pan for 50040 | 46 |
| AF845 | Panel Under Table with Component for 50040 | 13 – 14 | AB109 | Thermostat for 50040 | 31 | AA135 | Power Cord for 50040 | 47 |
| AA197 | Lock for 50040 | 15 | AA124 | Power Switch for 50040 | 32 | AA196 | Key for 50040 | 48 |
| AE977 | Base Board for Lock for 50040 | 16 | AA274 | Evaporator for 50040 | 33 | AA214 | Thermostat Water Proof Cover for 50040 | 49 |
| AA231 | Decoration Cover for 50040 | 17 | AA243 | Screw for Bottle Opener Component for 50040 | 34 | AF004 | Thermostat Baffle for 50040 | 50 |

| Item No. | Description | Position | Item No. | Description | Position | Item No. | Description | Position |
| AE987 | Compressor Unit Installation Board for 50041 | 1 | AF854 | Decoration Strip for 50041 | 18 | AA244 | Bottle Opener for 50041 | 35 |
| AE988 | Base Board for 50041 | 2 | AF855 | Top Board for 50041 | 19 | AF841 | Bottle Opener Board for 50041 | 36 |
| AA185 | Leveling Feet for 50041 | 3 | AE996 | Left Support for Evaporator Cover for 50041 | 20 | AA246 | Bottle Opener Cover for 50041 | 37 |
| AF005 | Front Grill for 50041 | 4 | AF856 | Evaporator Cover for 50041 | 21 | AE876 | Compressor for 50041 | 38 |
| AF851 | Cabinet Base for 50041 | 5 | AA201 | Evaporator Fan Motor Cover for 50041 | 22 | AA247 | Condenser Fan Motor for 50041 | 39 |
| AF843 | Door for 50041 | 6 | AE901 | Evaporator Fan Motor for 50041 | 23 | AA248 | Condenser Fan Blade for 50041 | 40 |
| AA191 | Door Handle for 50041 | 7 | AF857 | Inner Drain Pan for 50041 | 24 | AA249 | Condenser Fan Motor Cover for 50041 | 41 |
| AE971 | Door Gasket for 50041 | 8 | AE999 | Right Support for Evaporator Cover for 50041 | 26 | AB594 | Filter for 50041 | 42 |
| AE986 | Door Limit Block for 50041 | 9 | AA192 | Back Limit Block for 50041 | 27 | AB595 | Filter Fixer for 50041 | 43 |
| AA225 | Shelf for 50041 | 10 | AF000 | Back Grill for 50041 | 28 | AA216 | Drain Tube for 50041 | 44 |
| AA226 | Shelf Spring for 50041 | 11 | AF840 | Inner Baffle for 50041 | 29 | AA300 | Condenser for 50041 | 45 |
| AA227 | Shelf Cap for 50041 | 12 | AE984 | Thermostat Installation Cover for 50041 | 30 | AE905 | Outer Drain Pan for 50041 | 46 |
| AF852 | Panel Under Table with Component for 50041 | 13 – 14 | AB109 | Thermostat for 50041 | 31 | AA135 | Power Cord for 50041 | 47 |
| AA197 | Lock for 50041 | 15 | AA124 | Power Switch for 50041 | 32 | AA196 | Key for 50041 | 48 |
| AE977 | Base Board for Lock for 50041 | 16 | AA298 | Evaporator for 50041 | 33 | AA214 | Thermostat Water Proof Cover for 50041 | 49 |
| AA231 | Decoration Cover for 50041 | 17 | AA243 | Screw for Bottle Opener Component for 50041 | 34 | AF004 | Thermostat Baffle for 50041 | 50 |
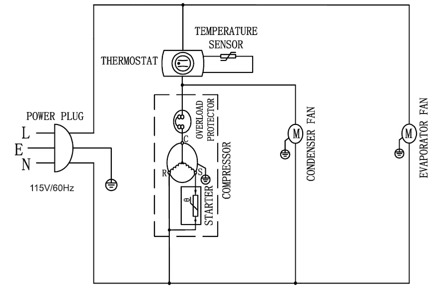
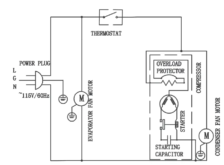
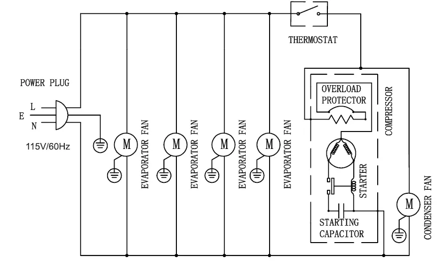
Electrical Schematics



Warranty Registration
Thank you for purchasing an Omcan product. To register your warranty for this product, complete the information below, tear off the card at the perforation and then send to the address specified below. You can also register online by visiting:
Thank you for choosing Omcan |Omcan Since 1951 Omcan has grown to become a leading distributor of equipment and supplies to the North American foodservice industry. Our success over these many years can be attributed to our commitment to strengthening and developing new and existing relationships with our valued customers and manufacturers. Today with partners in North America, Europe, Asia and South America, we continually work to improve and grow the company. We strive to offer customers exceptional value through our qualified local sales and service representatives who provide convenient access to over 5,000 globally sourced products.





















![Arctic Air Back Bar Bottle Cooler [abb72, Abb72g] Instruction Manual Arctic Air Back Bar Bottle Cooler [abb72, Abb72g] Instruction Manual](https://static-data1.manualsee.com/1/img/200/17361/2020/12/00-67.jpg)



