INSTALLATION AND OPERATION INSTRUCTIONS
FLAT TOP BOTTLE COOLER – BC SERIES
BC72 shown
MODELS
BC24 BC36 BC48
BC60 BC72 BC96![]()
GENERAL INFORMATION
Introduction
Congratulations on your purchase of a Perlick commercial underbar product. This manual has been prepared to assist you in the installation of your cabinet and to acquaint you with its operation and maintenance.
This manual has been prepared to assist you in the installation of your under counter refrigerator and to acquaint you with its operation and maintenance.
We dedicate considerable time to ensure that our products provide the highest level of customer satisfaction. If service is required, your dealer can provide you with a list of qualified service agents. For your own protection, never return merchandise for credit without our approval.
We thank you for selecting a Perlick product and assure you of our continuing interest in your satisfaction.
Warranty
To register your product, visit our web site at www.perlick.com. Click on “Commercial”, then “Service”.
Click on the link “Warranty Registration Form”. You must complete and submit this form or the installation date will revert back to the ship date.
Please record the purchase date and the dealer’s name, address and telephone number below.
Model Number: ____________________________
Serial Number: _____________________________
Purchase Date: ____________________________
Dealer Name & Address _____________________
Phone Number ____________________________
SAFETY
PLEASE READ all instructions completely before attempting to install or operate the unit. Take particular note of the DANGER, WARNING and CAUTION information in the manual. The information is important for the safe and efficient installation, operation and care of your Perlick unit.
DANGER
Indicates a hazard that WILL result in serious injury or death if precautions are not followed.
WARNING
Indicates a hazard MAY cause serious injury or death if precautions are not followed.
CAUTION
Indicates a hazard where minor or moderate injury may occur if precautions are not followed.
NOTICE
Indicates that property damage may occur if warnings or instructions are not followed.
IMPORTANT!
Read and understand all information in this manual before attempting the installation.
All plumbing and electrical work must be performed by a qualified technician and conform to all applicable state and local codes.
FLAT TOP BOTTLE COOLERS
Operation/Installation Manual

| JOB | |
| AREA | |
| ITEM NO. | |
| MODEL NO. |
| BC24 SERIES |
| BC36 SERIES |
| BC48 SERIES |
| BC60 SERIES |
| BC72 SERIES |
| BC96 SERIES |
![]()
| MODEL NUMBERS | BC24 | BC36 | BC48 | BC60 | BC72 | BC96 | |
| EXTERIOR CABINET DIMENSIONS | Length – in. (mm) | 24 (610) | 36 (914) | 48 (1219) | 60 (1524) | 72 (1829) | 96 (2436) |
| Depth – in. (mm) | 24 (610) | 24 (610) | 24 (610) | 24 (610) | 24 (610) | 24 (610) | |
| Height – in. (mm) | 34-1/8 (866) | 34-1/8 (866) | 34-1/8 (866) | 34-1/8 (866) | 34-1/8 (866) | 34-1/8 (866) | |
| INERNAL NET VOLUME – cubic ft. (liters) | 4.2 (118) | 8.6 (242) | 12.5 (353) | 16.3 (462) | 20.3 (575) | 28.3 (800) | |
| CASE CAPACITY (12 bottles) | 5.5 | 9.8 | 17.2 | 21.0 | 28.3 | 41.0 | |
| CASE CAPACITY (12 cans) | 7 | 16 | 25 | 30 | 36 | 58 | |
| SHIPPING WEIGHT Lbs. (kg.) | 190 (86) | 245 (111) | 300 (136) | 353 (160) | 405 (184) | 515 (235) | |
| CABINET CONSTRUCTION (INTERIOR) | All models have stainless steel walls and floor. | ||||||
| CABINET CONSTRUCTION (EXTERIOR) | Choice of black, stainless steel and all stainless. Black Option: Front and ends are black vinyl coated steel, back and bottom are galvanized. Stainless Steel Option: Front and ends are stainless steel, back and bottom are galvanized. All Stainless Option: Front, ends, back and bottom are all stainless steel. | ||||||
| DOORS AND HARDWARE | Sliding style open with standard locks. Stainless steel top and bottom panss. Die cast handle | ||||||
| PLUMBING | No drain required. Condensate evaporates automatically. | ||||||
| INSULATION | 2 inch foamed-in-place, environmentally friendly Ecomate® polyurethane insulation. Blowing agent R-611. | ||||||
| VENTILATION | 2’ model is front vented, all other models require 2” clearance from wall on either left end or back of cabinet for proper air flow. | ||||||
| TEMPERATURE SPECIFICATIONS | Default Temperature Setpoint: Standard Temp (RT) Models – °F [°C] | 38 [3.3] | |||||
| Adjustable Setpoint Range: Standard Temp (RT) Models – °F [°C] | 34 – 40 [1.1 – 4.4] | ||||||
| Default Temperature Setpoint: Low Temp (LT) Models – °F [°C] | 30 [-1.1] | ||||||
| Adjustable Setpoint Range: Low Temp (LT) Models – °F [°C] | 28 – 34 [-2.2 – 1.1] | ||||||
| Default Temperature Setpoint: Wine Temp (WT) Models – °F [°C] | 50 [10.0] | ||||||
| Adjustable Setpoint Range: Wine Temp (WT) Models – °F [°C] | 45 – 60 [7.2 – 15.6] | ||||||
| ELECTRICAL SPECIFICATIONS | Supply | 120 VAC/60 Hz/1 Ph | |||||
| Running Load Amps | 1.9 | 1.9 | 3.1 | 4.4 | 4.4 | 4.4 | |
| Power Cord | 6-foot length with NEMA 5-15 plug. | ||||||
| Thermostat | NSF Listed electronic control. | ||||||
| Defrost Type | Automatic electric defrost (Low Temp models only). | ||||||
| Lighting Type | LED (136 Lumens, 5500K) | ||||||
| REFRIGERATION SPECIFICATIONS | Condensing Unit | Hermetic condensing unit pulls out for service and cleaning. | |||||
| Expansion Device | Capillary Tube | ||||||
| Refrigerant | R290 | ||||||
| Refrigerant Charge (g) | 90 | 110 | 120 | 120 | 120 | 120 | |
| Compressor H.P. | 1/6 | 1/6 | 1/5 | 1/4 | 1/4 | 1/4 | |
| Total Heat of Rejection At 75°F ambient (BTU/h) | 1420 | 1420 | 1920 | 2980 | 2980 | 2980 | |
| OPTIONAL ACCESSORIES | Floor racks • Casters • Bottle opener and receiver • Bin dividers Speed rails • Adjustable legs • Roller basket shelving | ||||||
24″ CABINET
36″, 48″, 60″, 72″, & 96″ CABINET![]()
Perlick is committed to continuous improvement. Therefore, we reserve the right to change specifications without prior notice
Refrigerant
DANGER
Take caution when handling, moving and using the product to avoid damaging the refrigerant tubing or increasing the risk of a leak
WARNING
All service work shall be performed by factory authorized service personnel and all component parts shall be replaced with like components to minimize the risk of possible ignition due to incorrect parts or improper service.
CAUTION
If service is necessary, repair work must be performed by a Perlick authorized servicer. Work done by unqualified individuals could potentially be dangerous and will void the warranty.
NOTICE
This product contains blown foam insulation using blowing agent R-611 (Methyl Formate). The foam in this product does not contain HFC’s, CFC’s, or HCFC’s.
All models covered in this user manual are manufactured using refrigerant R290 (Propane). R290 is a hydrocarbon.
This refrigerant is flammable and is only allowed for use in appliances which fulfill the requirements of UL 471 (To cover potential risk originated from the use of flammable refrigerants). Consequently, R290 is only allowed to be used in refrigerating appliances which are designed for this refrigerant and fulfill the above-mentioned standard.
- R290 is heavier than air. The concentration will always be highest at floor level.
- The explosion limits are as follows:
- Lower Limit: 1.7% by vol. (37 g/m3)
- Upper Limit: 9.5% by vol. (177 g/m3)
- Ignition Temperature: 470 °C
Preparing the Cabinet for Use
UNCRATING AND INSPECTION
Remove all crating material before operating. Carefully inspect cabinet for hidden damage. If damage is discovered, file your claim immediately with the transport company. Perlick is not responsible for damage in transit.
DANGER
Do not use or store flammable liquids (ie; gasoline) or vapors near the appliance to avoid fire.
INSTALLATION
NOTICE
The unit must NOT be totally enclosed or damage may occur. Air circulation must not be restricted. The condenser at cabinet front must be provided with a minimum of two inches air space. Be sure to provide access so front cover can be removed to clean the condenser.
NOTICE
If unit has been laid on its back or sides, place unit upright and allow a minimum of 24 hours before connecting power.
Failure to follow this procedure may damage the compressor and void the warranty. Use care when handling, moving
NOTICE
and using the product to avoid damaging the refrigerant tubing or increasing the risk of a leak.
ELECTRICAL
For specifications, see data plate located on the cabinet.
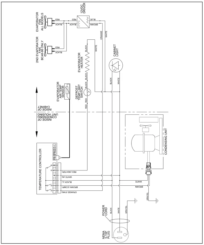
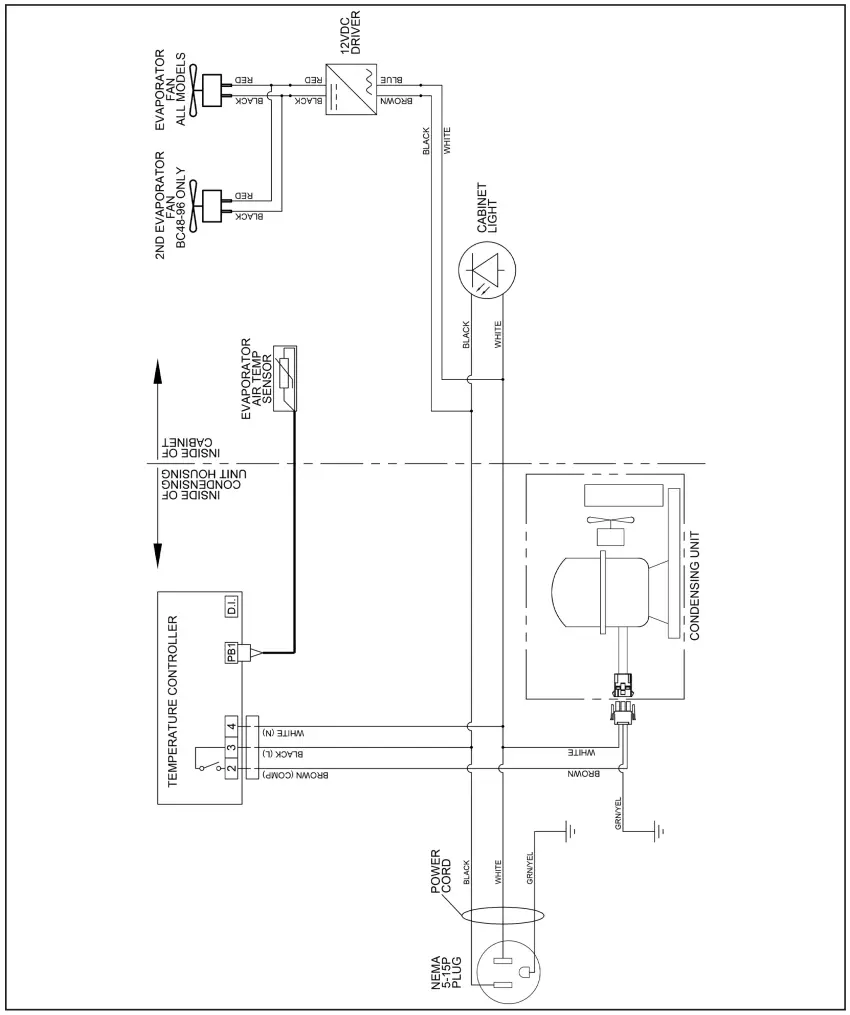
Also, see wiring diagram located in this publication.
WARNING
Inspect the electrical cord and plug for damage prior to energizing the unit to avoid potential electric shock.
WARNING
Use electical grounding to avoid electrocution or electric shock.
This appliance is equipped with a 3-prong (grounding) polarized plug for your protection against possible shock hazards. Failure to use grounding may result in death, serious injury, or property damage.
WARNING
Never use an extension cord to connect the unit to the electrical source. Do not use a two-prong adapter or remove the power cord ground prong. Failure to use grounding may result in death, serious injury, or property damage.
Using any voltage other than
NOTICE
specified will result in serious damage to the unit.
Use and Operation
USE & OPERATION
DANGER
Do not use or store flammable liquids (ie; gasoline) or vapors near the appliance to avoid fire.
CAUTION
If service is necessary, repair work should be performed by a Perlick- authorized service personnel. Work done by unqualified individuals could create dangerous conditions in unit that may result in serious injury or death.
NOTICE
The unit must NOT be totally enclosed or damage may occur.
REPAIR & MAINTENANCE
WARNING
All service work shall be performed by Perlick-authorized service personnel. All component parts shall be replaced with like components. Incorrect parts or improper service may result in fire.
INSTALLING CASTERS OR LEGS (OPTIONAL)
Attach bracket assembly to the bottom of the cabinet base using the ¼”-20 Philips head machine screws provided. Attach casters or legs to the mounting bracket with ¼” – 20 Philips head screws provided
NOTICE
To comply with NSF requirements, cabinet must be sealed to floor or on legs, casters, or rollers.
ADJUSTABLE PARTITIONS & SHELVING
Perlick Bottle Coolers may be provided with adjustable partitions and shelving which will accommodate various bottle sizes.
- Remove bottles and cans from their cases before placing in cooler to ensure proper air flow.
- When loading product into cabinet, care must be taken to avoid blocking airflow into and out of the evaporator. Maintain at least 2” of clearance on evaporator air intake and exhaust for proper operation.
PLACING THE CABINET
To assure maximum performance, fresh air must be allowed to circulate through the machinery compartment. It is important to allow at least two inched of clearance at the back or left end of the cabinet. Do not place anything in front of the cabinet that would obstruct air flow at these grilles. Do not place the unit in an unventilated small room.
CAUTION
Removing the factory installed back clearance spacers without providing proper left side grill clearance for compressor air flow will void the warranty.
Cabinet should be leveled.
For sanitation purposes, it may be necessary to seal the base of the cabinet to the floor. This can be accomplished by laying a bead of silicone sealant along the base of the cabinet as shown by the figure below (figure 1).![]()
Use and Operation
TEMPERATURE CONTROL
A digital temperature control is located on the front face of the Bottle Cooler, above the condensing unit housing.
It is factory set at approximately 38°F for standard refrigeration, 30°F for low temperature models, and 50°F for wine temperature models. Make adjustments as detailed below to attain the desired temperature.
Digital Temperature Control
To display the Set point values press the key when the ‘SET’ label is displayed. The Set point value appears on the display. To change the Set point value, press the and keys within 15 seconds. Press to confirm the modification.
![]()
The condenser fan motor turns off and on with compressor. The evaporator fan motor runs continuously.
CLEANING THE CONDENSER
DANGER
Flammable Refrigerant.Risk of fire or explosion. Do not damage refrigeration tubes.
• The condenser (located behind the from grille) should be inspected every 30 days, and cleaned, if necessary. Failure to keep the condenser clean will cause a loss in condensing unit efficiency, or compressor failure.
CLEANING THE DOORS
- Doors should be periodically removed from the cabinet and inspected for a buildup of foreign materials, such as syrups, beer, etc. Buildups on the underside of the doors, along with the cabinet breaker strips on which they ride, will cause them to bind, and therefore, not function as designed. If dirty, these surfaces should be cleaned with a mild detergent and water and then coated with an NSF certified silicone lubricating material.
To remove doors: - With door closed, lift it upward by its handle and slide forward until doors clears the cabinet top. Use the reverse procedure to reinstall the doors.
CLEANING THE CABINETS - Use a damp cloth with a mild detergent and water to clean the inside and outside of the cabinet. Dry thoroughly. Do not allow cleaning agents or large amounts of water to go down the drain. Use an acceptable stainless steel polish to clean all stainless steel surfaces. Never use steel wool or scouring pads to clean stainless steel.
Avoiding Stainless Steel Corrosion
Corrosion can be prevented by following product cautions, cleaning instructions and avoiding use of certain chemicals or objects which will cause stainless steel corrosion.
STAINLESS STEEL ENEMY
- Steel wool or steel scouring pads
- Cherry/Orange/Olive juice
- Chlorine Bleach
- Sharp Objects
Wiring Diagram – Standard and Wine-Temp Bottle Coolers![]()
Wiring Diagram – Low-Temp Bottle Coolers![]()
Replacement Parts – Flat Top Bottle Coolers![]()
Replacement Parts – Flat Top Bottle Coolers
| MODEL NOS. | BC24 RT / LT | BC36 RT / LT | BC48RT / LT | BC60 RT / LT | BC72 RT / LT | BC96 RT / LT | |
| Item | Description | Part Numbers | |||||
| 1 | Complete condensing unit | 1018398 | 1018398 | 1018399 | 1018400 | 1018400 | 1018400 |
| Replacement compressor, R290 | C22999CMP09 | C22999CMP09 | C22999CMP10 | C22999CMP11 | C22999CMP11 | C22999CMP11 | |
| Condensing unit fan motor assy. | 1013047 | 1013047 | 1013047 | 1013047 | 1013047 | 1013047 | |
| Condensing unit filter drier | C22999DAH01 | C22999DAH01 | C22999DAH01 | C22999DAH01 | C22999DAH01 | C22999DAH01 | |
| Condensing units start components | C22999STCP08 | C22999STCP08 | C22999STCP09 | C22999STCP10 | C22999STCP10 | C22999STCP10 | |
| 3 | Evaporator fan | 71386 | 71386 | 71386 | 71386 | 71386 | 71386 |
| 4 | Evaporator coil | 64785-1EP | C17511-1EP | C17511-1EP | C17511-2EP | C17511-2EP | C17511-2EP |
| 5 | Defrost heater | none / C25655-1 | none / 65045-1 | none / 65045-1 | none / 61900 | none / 61900 | none / 61900 |
| 6 | Temperature sensor | 1005668 | 1005668 | 1006584 | 1006584 | 1006584 | 1006584 |
| 7 | Bottle opener | C6713-1 | C6713-1 | C6713-1 | C6713-1 | C6713-1 | C6713-1 |
| 8 | Bottle cap receiver | C17332SS | C17332SS | C17332SS | C17332SS | C17332SS | C17332SS |
| 9 | Front grille | 1024465-1 | 1024230-1 | 1024230-1 | 1024230-1 | 1024230-1 | 1024230-1 |
| 10 | Rear grille/panel | 66498-1 | 65662-3 | 65662-3 | 65662-3 | 65662-3 | 65662-3 |
| 11 | Top assembly | RT-SL2 | RT-SL2 | RT-SL2 | RT-SL2 | RT-SL2 | RT-SL2 |
| 12 | Top wiper gasket | 63671-24 | 63671-36 | 63671-48 | 63671-60 | 63671-72 | 63671-96 |
| 13 | Door assembly | RD-SL2 | RD-SL2 | RD-SL2 | RD-SL2 | RD-SL2 | RD-SL2 |
| 14 | Lock assembly | 63940 | 63940 | 63940 | 63940 | 63940 | 63940 |
| 15 | Vertical partition | 65503 | 66441 | 66441 | 66441 | 66441 | 66441 |
| 16 | Roller basket | N/A | 66442-1 | 66442-1 | 66442-1 | 66442-1 | 66442-1 |
| 17 | Wide shelf | N/A | 64811-1 | 64811-1 | 64811-1 | 64811-1 | 64811-1 |
| Narrow shelf | 64809-1 | 64809-1 | 64809-1 | 64809-1 | 64809-1 | 64809-1 | |
| 18 | Bottom floor rack (wide) | 64814-1 | 64814-1 | 64814-1 | 64814-1 | 64814-1 | 64814-1 |
| Bottom floor rack (narrow) | N/A | N/A | 64815-1 | 64815-1 | 64815-1 | N/A | |
| 19 | Shelf with side rail | N/A | 64810-1 | 64810-1 | 64810-1 | 64810-1 | 64810-1 |
| 20 | Shelf bracket | 65653-24 | 65653-36 | 65653-48 | 65653-60 | 65653-72 | 65653-96 |
| 21 | Door handle | 63931 | 63931 | 63931 | 63931 | 63931 | 63931 |
| 22 | Light Bulb | 1009338 | 1009338 | 1009338 | 1009338 | 1009338 | 1009338 |
| 23 | Light socket | 63484 | 63484 | 63484 | 63484 | 63484 | 63484 |
| 24 | Light Guard | 65009-1 | 65009-1 | 65009-1 | 65009-1 | 65009-1 | 65009-1 |
| 25 | Evaporator drain pan | 1025311-1 | 1025311-2 | 1025583-1 | 1025583-2 | 1025583-2 | 1025583-2 |
ITEMS NOT SHOWN
| Wire harness, main | 1024877 / 1024910 | 1024877 / 1024910 | 1024877 / 1024910 | 1024877 / 1024910 | 1024877 / 1024910 | 1024877 / 1024910 |
| Suction line and capillary tube assembly | 1024536 | 1024536 | 1023912 | 1024762 | 1024296 | 1024537 |
| Mullion assembly | N/A | N/A | 66551 | 66551 | 66551 | 66551 |
| Refrigerant charge (grams R290) | 90 | 110 | 120 | 120 | 120 | 120 |
| Defrost temp. limit switch | none / 57676 | none / 57676 | none / 57676 | none / 57676 | none / 57676 | none / 57676 |
| Evaporator fan DC driver | 68758 | 68758 | 68758 | 68758 | 68758 | 68758 |
| Digital temperature controller | 1024855 / 1024856 | 1024855 / 1024856 | 1024855 / 1024856 | 1024855 / 1024856 | 1024855 / 1024856 | 1024855 / 1024856 |
8300 West Good Hope Road Milwaukee, WI 53223
Toll Free 800.558.5592 • Fax 414.353.7069 • www.perlick.com












![Arctic Air Back Bar Bottle Cooler [abb72, Abb72g] Instruction Manual Arctic Air Back Bar Bottle Cooler [abb72, Abb72g] Instruction Manual](https://static-data1.manualsee.com/1/img/200/17361/2020/12/00-67.jpg)






