
DAKE SEMI-AUTO MITERING BANDSAW
SE-8.5M
INSTRUCTIONAL MANUAL 
WARNING!
Read and understand all instructions and responsibilities before operating. Failure to follow safety instructions and labels could result in serious injury.
1809 Industrial Park Dr
Fax: 800.846.3253
Grand Haven, MI 49417
Dake Corporation
Phone: 800.937.3253
www.dakecorp.com
DAKE STANDARD LIMITED WARRANTY
Finished Machines
Dake warrants to the original purchaser the finished machine manufactured or distributed by it to be free from defects in material and workmanship under normal use and service within 1 year (12 months) from the delivery date to the end-user.
Parts
Dake warrants to the original purchaser the component part manufactured or distributed by it to be free from defects in material and workmanship under normal use and service within 30 days from the delivery date to the end-user.
The standard limited warranty includes the replacement of the defective component part at no cost to the end-user.
Sale of Service (Repairs)
Dake warrants to the original purchaser the component part repaired by Dake Corporation at the manufacturing facility to be free from defects in material and workmanship under normal use and service within 90 days from the return date to the end-user, as it pertains to the repair work completed. The standard limited warranty includes repair of the defective component part, at no cost to the end-user.
Warranty Process
Subject to the conditions hereinafter set forth, the manufacturer will repair or replace any portion of the product that proves defective in materials or workmanship. The manufacturer retains the sole right and option, after inspection, to determine whether to repair or replace defective equipment, parts, or components. The manufacturer will assume ownership of any defective parts replaced under this warranty.
All requested warranty claims must be communicated to the distributor or representative responsible for the sale. Once communication has been initiated, Dake Customer Service must be contacted for approval:
Phone: (800) 937-3253
Email: [email protected]
When contacting Dake, please have the following information readily available:
– Model #
– Serial #
– Sales Order #
Purchasers who notify Dake within the warranty period will be issued a Case number and/or a Return Material Authorization (RMA) number. If the item is to be returned per Dake’s request, the RMA number must be clearly written on the exterior packaging. Any item shipped to Dake without an RMA will not be processed.
Warranty Exceptions:
The following conditions are not applicable to the standard limited warranty:
(a) Part installation or machine service was not completed by a certified professional and is not in accordance with applicable local codes, ordinances, and good trade practices. (b) Defects or malfunctions resulting from improper installation or failure to operate or maintain the unit in accordance with the printed instructions provided.
(c) Defects or malfunctions resulting from abuse, accident, neglect, or damage outside of prepaid freight terms.
(d) Normal maintenance service or preventative maintenance, and the parts used in connection with such service.
(e) Units and parts which have been altered or repaired, other than by the manufacturer or as specifically authorized by the manufacturer.
(f) Alterations made to the machine that were not previously approved by the manufacturer, or that are used for purposes other than the original design of the machine.
RETURN & REFUND POLICY
Thank you for purchasing from Dake! If you are not entirely satisfied with your purchase, we are here to help.
Returns
All Dake manufactured/distributed machines, parts and couplings include a 30-day return option. These policies are valid from the date of final shipment to the end-user.
To be eligible for a return, the item must be unused and in the same condition as received.
All requested warranty claims must be communicated to the distributor or representative responsible for the sale. Once communication has been initiated, Dake Customer Service must be contacted for approval:
Phone: (800) 937-3253
Email: [email protected]
Once the return request has been approved by Customer Service, a representative will supply a Return Material Authorization (RMA) number. The returned item must have the provided RMA number clearly marked on the outside packaging. Any item received without an RMA number clearly visible on the packaging will not be processed.
An RMA number can only be provided by the Dake Customer Service team and must be obtained prior to the return shipment.
Refunds
Once the item has been received and inspected for damages, a representative will notify the requestor referencing the provided RMA number.
If the return is approved, a refund will be issued to the original method of payment, less a 20% restocking fee. The restocking fee may be waived if an order is placed at the time of return with like-value merchandise.
Transportation costs are the responsibility of the end-user and will not be credited upon return approval.
Any item that is returned after the initial 30 days or has excessive/obvious use will not be considered for a full refund.
SPECIFICATIONS
| Machine Type | Hydraulic controlled feed horizontal mitering band saw |
| Blade Size | 101″ x 1″ |
| Blade Speeds | 114/230 FPM |
| Head Feed | Hydraulic controlled down feed |
| Vise | Manual with quick release |
| Miter Cutting Capabilities | Up to 60° right |
| Controls | CE Certified |
| Horsepower | 2. |
| Weight | 441 lbs. |
| Work Height | 37″ |
| Overall Height, Open / Closed | 71″ open / 61″ closed |
| Base Width | 33″ |
| Depth | 58″ |
| Lubricant | Flood type unit built into the machine (electric) |
| Voltage | Available 220-volt for 230-volt machine |
| AMP | 20-amp service for 230-volt machine |
CUTTING CAPACITIES
| Degree | Round | Square | Flat |
| 90° | 8-1/2” | 7-3/4” | 10-3/8” x 7-3/4” |
| 60° | 4-1/4” | 4-1/4” | 4-1/2” x 4” |
| 45° | 6-3/4” | 6-3/4” | 7-3/4” x 6-1/4” |
In the space provided record the serial number and model number of the machine. This information is only found on the black Dake tag. If contacting Dake this information must be provided to assist in identifying the specific machine.
Model No:…………………. SE-8.5 M
Part No:……………………. 983111
Serial No:…………………………….
Date of Purchase:………………….
SAFETY WARNINGS
WARNING: FAILURE TO FOLLOW THESE RULES MAY RESULT IN SERIOUS PERSONAL INJURY
WARNING: This product contains Nickel, a chemical known to the State of California to cause cancer. For more information go to www.P65Warnings.ca.gov
As will all machinery there are certain hazards involved with the operation and use of the machine.
Using the machine with respect and caution will considerably lessen the possibility of personal injury. However, if normal safety precautions are overlooked or ignored, personal injury to the operator may result.
This machine was designed for certain applications only. We strongly recommend that this machine NOT be modified and/or used for any application other than for which it was designed.
If you have any questions relative to its application DO NOT use the machine until you contact us and we have advised, you.
Your machine might not come with a power socket or plug. Before using this machine, please ask your local electrician to install the socket or plug on the power cable end.
SAFETY RULES FOR ALL TOOLS
USER:
- Wear proper apparel: No loose clothing, gloves, rings, bracelets, or other jewelry to get caught in moving parts. Non-slip footwear is recommended. Wear protective hair covering to contain long hair.
- Always wear eye protection. Refer to the ANSLZ87.1 standard for appropriate recommendations. Also, use a face or dust mask if the cutting operation is dusty.
- Do not overreach. Always keep proper footing and balance.
- Never stand on the machine. Serious injury could occur if the machine is tipped or if the cutting blade is accidentally contacted.
- Never leave the saw running unattended. Turn off the power. Do not leave the saw until it comes to a complete stop.
- Do not operate the tool while under the influence of drugs, alcohol, or any medication.
- Make sure the saw is disconnected from the power supply while the motor is being mounted, connected, or reconnected.
- Always keep hands and fingers away from the table.
- Stop the machine before removing any chips or debris.
- Shut off the power and clean the band saw and work area before leaving the machine.
USE OF MACHINE:
- Remove adjusting keys and wrenches. Form a habit of checking to see that keys and adjusting wrenches are removed from the saw before turning it on.
- Do not force the saw. It will do a more efficient and safer job at the rate for which it was
- Use the correct blade. Do not force blade or attachments to do a job for which it was not
- Secure work. Use clamps or a vise to hold work when practical. It is safer than using your
- Maintain blade is in top condition. Keep blades sharp and clean for best and safest Follow instructions for lubricating and changing accessories.
- Use recommended accessories. Consult the owner’s manual for recommended use of improper accessories that may cause hazards.
- Avoid accidental starting. Make sure the switch is in the “OFF” position before plugging in the cord.
- The direction of feed. Feed work into the blade against the direction of rotation of the blade.
- Adjust and position the blade guide arm before starting the cut.
- Keep blade guide arm tight. A loose blade guide arm will affect sawing accuracy.
- Make sure blade speed is set correctly for the material being cut.
- Check for proper blade size and type.
- Stop the machine before putting material in the vise.
- Always have stock firmly clamped in vise before starting the cut.
- Ground all tools. If the tool is equipped with a three-prong plug, it should be plugged into a three-hole electrical receptacle, the adapter plug must be attached to a known ground. Never remove the third prong.
ADJUSTMENTS:
- Make all adjustments with the power off. To maintain the machine, precision, and correct ways of adjustment while assembling, the user should read the detailed instructions n this manual.
WORKING ENVIRONMENT:
- Keep work area clean. Cluttered areas and benches invite accidents.
- Do not use it in a dangerous environment. Do not use power tools in damp or wet locations or expose them to rain. Keep work area well-lighted.
- Keep children and visitors away. All children and visitors should be kept at a safe distance from the work area.
- Do not install or use this machine in an explosive, dangerous environment.
MAINTENANCE:
- Disconnect the machine from the power source when making repairs.
- Check damaged parts. Before further use of the saw, a guard or other part that is damaged should be carefully checked to ensure that it will operate properly and perform its intended function check for alignment of moving parts, binding of moving parts, breakage of parts, mounting, and any other condition that may affect its operation. A guard or other part that is damaged should be properly repaired or replaced.
- Disconnect tools before servicing and when changing accessories such as blades, bits, cutters, etc.
- Make sure that the blade tension is properly adjusted. Green LED will light when properly Saw will not operate until the green light is lit.
- Re-check blade tension after the initial cut with a new blade.
- To prolong blade life always releases blade tension at the end of each workday.
- Check coolant daily. Low coolant levels can cause foaming and high blade temperatures. Dirty or weak coolant can clog the pump. This can cause a low cutting rate and permanent blade failure. Dirty coolant can cause the growth of bacteria with ensuring skin irritation.
- When cutting magnesium never use soluble oils or emulsions (oil-water mix) as water will greatly intensify any accidental magnesium chip fire. See your industrial coolant supplier for specific coolant recommendations when cutting magnesium.
- To prevent corrosion of machined surfaces when a soluble on is used as a coolant, pay particular attention to wiping dry the surfaces where fluid accumulates and does not evaporate quickly, such as between the machine bed and vise.
SPECIFIC USAGE:
This machine is used for general metal cutting within the range of cutting capacity.
SAFETY DEVICE:
By the time the saw arm cover is opened, the interlock switch will function to stop all involvement. Do not remove this switch from the machine for any reason and check its function frequency.
MAIN MACHINE CONTROLS 
SET UP
TRANSPORTATION OF MACHINE
This machine weighs 440lbs.
Transport to the desired location before unpacking, please use a lifting jack.
Transportation after unpacking, please use a heavy-duty fiber belt to lift up the machine.
Always keep proper footing and balance while moving this machine.
Minimum space required for machine operation below:
INSTALLATION:
Assemble saw pedestal and bolt saw on the pedestal.
- Tighten all locks before operation.
- Turn off the power before wiring, and be sure the machine is properly grounded. Overload and circuit breakers are recommended for safety wiring.
- Check carefully if the saw blade is running in a counterclockwise direction, if not, reverse the wiring per circuit diagram then repeat the running test.
ADJUSTMENTS
TOOTH SELECTION
For maximum cutting efficiency and the lowest cost per cut, it is important to select the blade with the right number of teeth per inch for the material being cut. The material size and shape dictate tooth selection.
You need to consider:
The width of the cut. That is, the distance in the cut that each tooth must travel from the point it enters the workpiece until it leaves the workpiece, and the shape of the workpiece. Use the chart above to assist with tooth selection.
- Squares, Rectangles, Flats (Symbol: ■)
Locate the width of your workpiece on the chart. (Inches on the outer circle and millimeters on the inner circle.) Select the tooth pitch on the ring marked with the square which aligns with the width of the cut.
Example: 6” (150mm) square, use a 2/3 Vari-Tooth. - Round Solids (Symbol: ●)
Locate the diameter of your workpiece on the chart. Select the tooth pitch on the ring marked with the circle which aligns with the size of the stock you are cutting.
Example: 4” (100mm) round, use a 3/4 Vari-Tooth. - Tubing, Pipe, Structural (Symbols: O, H, ˄)
Determine the average width of the cut by dividing the area of the workpiece by the distance the saw blade must travel to finish the cut. Select the tooth pitch on the ring marked with the tubing and structural shape which aligns with the average width you are cutting. Example: 4” (100mm) outside diameter, 3” (75mm) inside diameter tubing.
| 4″(100mm) OD | =12.5 in 2 (79 cm 2 ) |
| 3″(75 mm ) ID | = 7.0 in 2 (44 cm 2 ) |
| Area | = 5.5 in2 (35 cm 2 ) |
5.5 in 2 (35 cm 2 ) / 4″ (100mm) distance = 1.38” (35 mm) average width 1.38″ (35 mm), use a 4/6 Vari-Tooth.
BLADE SPEED
The band speeds are to be used as a starting point for most applications. For exact parameters consult your saw blade supplier.
| Material | Speed (FPM) |
| Tool, Stainless, Alloy Steels, Bearing Bronze | 114 |
| Med. to High Carbon Steels, Hard Brass or Bronze | 114 |
| Low to Med. Carbon Steel, Soft Brass | 230 |
| Aluminum, Plastic | 230 |
TELLTALE CHIPS
Chips are the best indicator of correct feed force. Monitor chip information and adjust feed accordingly.
Thin or powdery chips – increase feed rate or reduce band speed.
Burned heavy chips – reduce feed rate and/or band speed.
Curly silvery and warm chips – optimum fed rate and band speed.
OPERATIONS
STARTING SAW
Trigger switch and trigger lock button located on the handle of the saw used for starting the saw in manual or semi-automatic mode.
CAUTION: NEVER OPERATE SAW WITHOUT BLADE GUARDS IN PLACE.
Be sure the blade is not in contact with the work when the motor is started. Start the motor, allow the saw to come to full speed, then begin to cut by letting the head down slowly onto the work. DO NOT DROP OR FORCE. Let the weight of the saw head produce the cutting force.
The saw automatically shuts off at the end of the cut.
USAGE OF RAPID OPENING VISE
The workpiece is placed between the vise jaws with the amount to be cut off extending out past the blade. Your machine is equipped with a handwheel and quick release lever that moves the clamping jaw forward and backward. With material in place run the vise jaw up to where it just touches the material, then back off the jaw a quarter turn or enough so the material, can slightly move. (Make sure when you adjust the vise that the quick-release lever is in the up position). Now push the lever down to lock the material for cutting. Pull up on the lever to release the material.
QUICK HEAD ADJUSTMENT FOR ANGLE CUTS
- Loosen head swivel lock handle.
- Rotate the head to the required angle by aligning the indicator to the scale. Three presets can be used or any angle in between.
- Lock head back down.
For mitering beyond 45° flip up the stop located on the left side attached to the base to allow for a greater angle (60°). This can also be used to tweak the angles if needed.

CUTTING SPEED ADJUSTMENT
CAUTION – Always allow the blade to achieve speed before starting your cut and never change speeds while cutting.
The speed selector switch is located on the control box and has two blade speeds 1 & 2.

1 = 114 FPM
2 = 230 FPM
It also has a 0 setting which stops the blade from rotating.
Select 1 or 2 and activate the trigger switch on
the handle to begin your cutting operation.
DOWN FEED CONTROLS
Head feed speed control:
This control regulates the speed at which the head descends and pressure. The control speeds up when turned counter-clockwise and slows decent when rotated clockwise.
Rapid head down:
Pressing this button allows the head to descend rapidly down to that material.
Always stop before contacting the material.
Mode Switch:
Allows cutting either in the manual or semi-automatic mode. When cutting in manual mode adjust your cut-rate with the “head feed speed control”. That will control the maximum down feed rate you can use. The saw must be powered up for the functions to be operated.

MAINTENANCE
CAUTION – WARNING
Make certain that the unit is disconnected from the power source before attempting to service or remove any component.
It is easier to keep the machine in good condition or best performance by means of maintaining it at any time than remedy it after it is out of order.
Regular Maintenance Schedule:
| Daily | Check and fill cutting fluid if needed, before starting the machine every day. Water-soluble cutting fluid is recommended. Avoid cutting oils. |
| If there is a strange or unusual noise or malfunction, stop the machine immediately to check it for the problem source. Repairs must be made by qualified personnel before continuing use. | |
| Clean work area. | |
| Weekly | Clean and coat any machine’s surface with oil to prevent rust. |
| Check to see if sliding surfaces and turning parts lack of lubricant. If lubrication is insufficient, fill it. | |
| Monthly | Check electrical cord, plugs, switched at least once a month to avoid loosening or wearing. |
CHANGING BLADE
Check the compatibility of the NEW blade for the saw. Only use a blade with a thickness between .025” and .035”.
Raise saw head to uppermost position and open the blade guards. Loosen tension screw knob sufficiently to allow the saw blade to slip off the wheels. Install the new blade with the teeth slanted toward the motor as follow:
- Place the blade in between each of the guide bearings.
- Slip the blade around the motor wheel (rear) with the left hand and hold on to the position.
- Hold the blade taut against the motor wheel by pulling the blade towards the front wheel with the right hand and adjust the position of the front wheel by slipping the blade around the wheel using thumb, index, and little finger as guides.
- Adjust the blade tension knob clockwise until the green LED is lit on the no/go tensioning gauge. Do not tighten excessively.
- Replace the blade guards. The rear blade cover has interlocks and will not allow the saw to run without these interlocks engaged.
TROUBLESHOOTING
| SYMPTOM | POSSIBLE CAUSE | CORRECTIVE ACTION |
| Excessive Blade Breakage | 1. Materials loosen in a vise. 2. Incorrect speed or feed. 3. Blade teeth spacing too large. 4. Material too coarse for the blade. 5. Incorrect blade tension. 6. Teeth in contact with the material before saw is started. 7. Blade runs on a wheel flange. 8. Miss-aligned guide bearings. 9. Blade is too thick. 10. Cracking at the weld. | 1. Clamp works securely. 2. Adjust speed or feed. 3. Replace with a finer tooth spacing blade. 4. Use a blade at a slower speed with proper teeth spacing. 5. Adjust to where the green LED lights up. 6. Place the blade in contact with work after the motor is started. 7. Adjust wheel alignment. 8. Adjust guide bearings. 9. Use a thinner grade. 10. Reweld blade. |
| Premature Blade Dulling | 1. Teeth too coarse. 2. Blade speeds too fast. 3. Inadequate feed pressure. 4. Hard spots or scale on the material. 5. Work hardening of the material. 6. Blade twist. 7. Insufficient blade tension. 8. Blade slips. | 1. Use finer teeth. 2. Reduce speed. 3. Adjust pressure setting. 4. Reduce speed, increase feed pressure. 5. Increase feed pressure. 6. Replace with a new blade and adjust blade tension. 7. Tighten blade tension adjustment knob. 8. Tighten blade tension. |
| Unusual Wear on Side/Back of Blade. | 1. Blade guides worn. 2. Blade guides not adjusted properly. 3. Blade guides are loose. | 1. Replace. 2. Adjust. 3. Tighten. |
| Teeth Ripping from Blade | 1. Tooth too coarse for work. 2. Too heavy of pressure; too slow of a speed. 3. Vibrating workpiece. 4. Gullets loading up. | 1. Use a finer tooth blade. 2. Decrease pressure, increase speed. 3. Clamp workpiece securely. 4. Use a coarser tooth blade or brush to remove chips. |
| SYMPTOM | POSSIBLE CAUSE | CORRECTIVE ACTION |
| Bad Cuts (Crooked) | 1. Feed pressure is too great. 2. Guides not adjusted properly. Too far from work. 3. Inadequate blade tension. 4. Dull blade. 5. Blade speed is incorrect. 6. Blade guide assembly lose. 7. Blade tracking too far away from wheels. | 1. Reduce pressure. 2. Adjust guides closer to work. 3. Increase blade tension. 4. Replace blade. 5. Adjust speed. 6. Tighten. 7. Re-track blade. |
| Bade Cuts (Rough) | 1. Too much speed or feed. 2. Blade is too coarse. 3. Blade tension loss. | 1. Decrease speed or feed. 2. Replace with the finer blade. 3. Adjust blade tension. |
| The blade is twisting. | 1. Cut is the binding blade. 2. Too much blade tension | 1. Decrease feed pressure 2. Decrease blade tension. |
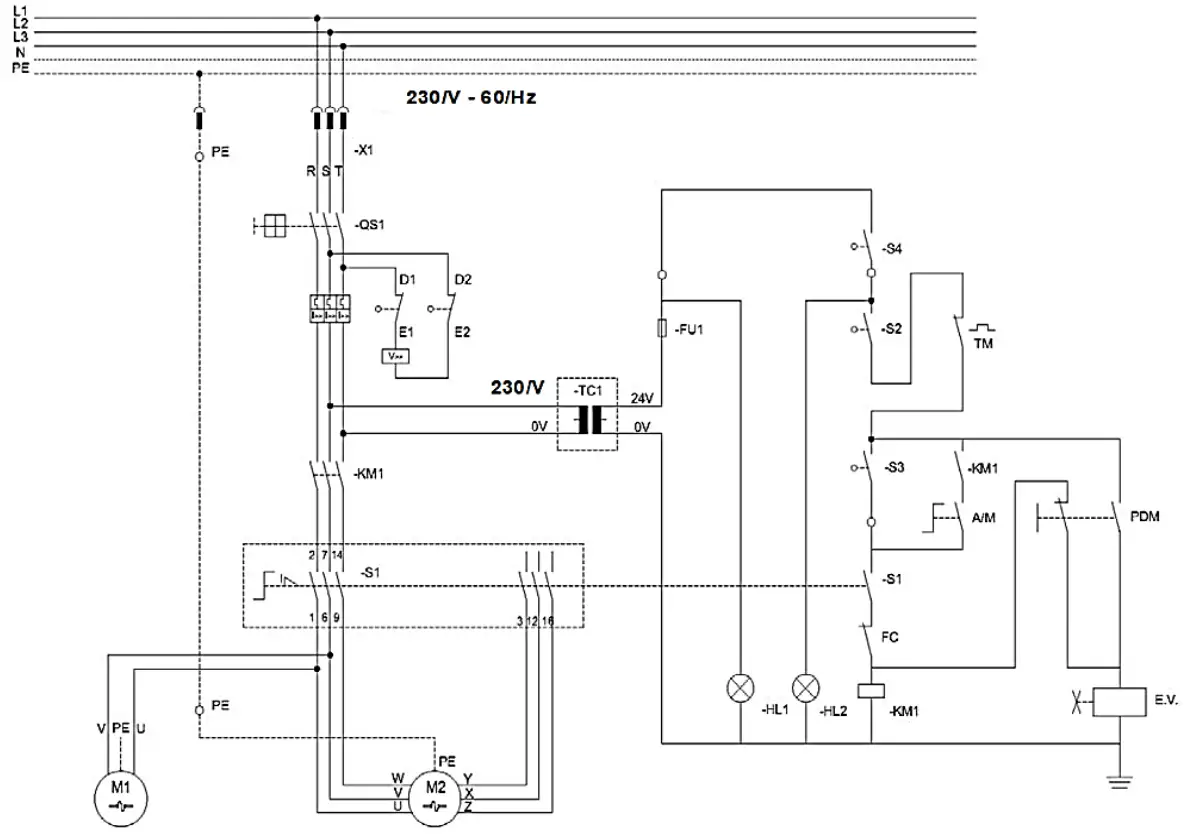
ELECTRICAL DIAGRAM 
| QS1 | Main cutoff switch | KMI | Remote control switch |
| TC1 | Transformer | S1 | 2-speed changeover switch |
| S2 | Safety guard microswitch | S3 | Motor start pushbutton |
| S4 | Blade tensioner microswitch | HL1 | Line red |
| HL2 | Blade tensioner lamp | MI | Pump motor |
| M2 | Machine motor | E.V. | Solenoid valve |
| A/M | Controlled/manual descent commutator | FC | Case Limit |
| FU1 | Fuse 800mA | TM | Heat protector device of motor |
| PDM | Manual descent button | EM | Emergency stop button |
| B | Low-voltage coil | ||
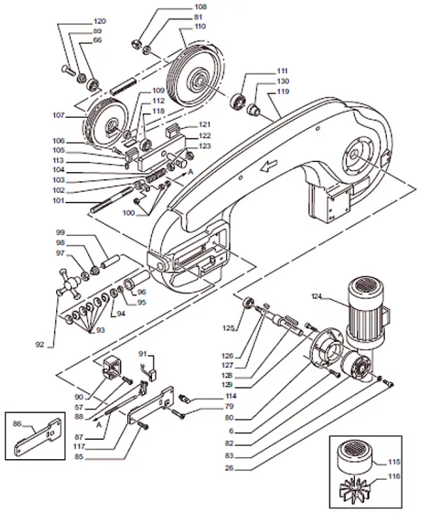
EXPLODED VIEWS & PART LIST 
| Pos . | Description | Pa rt # |
| 1 | 0.10.61.40 | |
| 2 | 5.12.40.78 | |
| 3 | 0.55.12.02 | |
| 4 | 5.13.81.08 | |
| 5 | 5.12.06.66 | |
| 6 | UNI 5931 M8x25 | |
| 7 | 5.17.10.67 | |
| 8 | 5.17.10.65 | |
| 9 | 5.18.25.60 | |
| 10 | 5.17.10.69 | |
| 11 | UNI 5588 M6 | |
| 12 | 0.45.12.50 | |
| 13 | 0.60.62.05 | |
| 14 | 0.60.60.04 | |
| 15 | UNI 6592 Ø16 | |
| 16 | UNI 7473 M16 | |
| 17 | Graduate plate | 303471 |
| 18 | 5.18.25.38 | |
| 19 | UNI 5739 M6x20 | |
| 20 | 0.12.07.06 | |
| 21 | Electric pump | 303500 |
| 22 | Sphere valve | 303443 |
| 23 | 5,87,08,52 | |
| 24 | UNI 5739 M10x20 | |
| 25 | 0.12.07.10 | |
| 26 | UNI 5931 M6x20 | |
| 27 | 5.18.19.41 | |
| 28 | 5.15.26.39 | |
| 29 | UNI 5588 M10 | |
| 30 | 5.18.19.40 | |
| 31 | SO 7380 M10x16 | |
| 32 | 5.18.19.42 | |
| 33 | 5.13.38.31 | |
| 34 | UNI 5588 M8 | |
| 35 | UNI 5923 M8x35 | |
| 36 | 0.12.07.08 | |
| 37 | 5.12.40.33 | |
| 38 | 5.14.20.86 | |
| 39 | 5.13.38.32 | |
| 40 | Knob handwheel | 303486 |
| 41 | 0.15.26.30 | |
| 42 | 5.05.01.38 | |
| 43 | 5.19.10.23 | |
| 44 | 0.55.14.05 | |
| 45 | 5.17.10.70 | |
| 46 | 5.15.26.38 | |
| 47 | 5.13.38.33 | |
| 48 | UNI 6954 P8x9.5 | |
| 49 | 5.13.08.69 | |
| 50 | UNI 5739 M8x30 | |
| 51 | 5.14.20.91 | |
| 52 | ||
| 53 | 5.10.03.33 | |
| 54 | 5.08.01.53 | |
| 55 | UNI 5931 M5x12 | |
| 56 | 5.15.95.17 | |
| 57 | 0.40.04.05 | |
| 58 | 5.13.08.68 | |
| 59 | 5.15.26.40 | |
| 60 | UNI 5931 M8x16 | |
| 61 | 5.13.79.66 | |
| 62 | Handgrip | 303401 |
| 63 | 5.15.15.07 | |
| 64 | 5.18.25.61 | |
| 65 | 5.13.37.16 | |
| 66 | 7.13.06.28 | |
| 67 | 4.13.04.52 | |
| 68 | 4.13.04.47 | |
| 69 | 5.15.15.58 | |
| 70 | 5.17.10.64 | |
| 71 | ||
| 72 | 5.40.18.58 | |

| Pos. | Description | Part # |
| 73 | UNI 5931 M4x35 | |
| 74 | UNI 6592 Ø4 | |
| 75 | 5.13.79.90 | |
| 76 | End of cut micro | 303449 |
| 77 | 0.88.00.11 | |
| 78 | UNI 5933 M5x20 | |
| 79 | 0.42.07.69 | |
| 80 | 5.19.20.23 | |
| 81 | 0.12.01.21 | |
| 82 | 7.21.10.03 | |
| 83 | 5.12.40.79 | |
| 84 | ||
| 85 | 0.40.04.05 | |
| 86 | Blade tension cove | |
| 87 | 5.14.20.59 | |
| 88 | Microswitch button | 303462 |
| 89 | 5.12.40.60 | |
| 90 | 5.18.28.42 | |
| 91 | 0.80.11.01 | |
| 92 | Handwheel | 303499 |
| 93 | 0.08.02.60 | |
| 94 | UNI 6592 Ø16 | |
| 95 | 5.22.20.09 | |
| 96 | 5.06.60.16 | |
| 97 | 0.71.15.28 | |
| 98 | 5.12.40.30 | |
| 99 | 5.12.20.17 | |
| 100 | UNI 5588 M4 | |
| 101 | 5.10.05.05 | |
| 102 | 5.14.20.58 | |
| 103 | 5.08.10.07 | |
| 104 | 5.00.15.75 | |
| 105 | 5.13.08.71 | |
| 106 | UNI 5933 M6x25 | |
| 107 | 5.21.42.29 | |
| 108 | 0.10.61.20 | |
| 109 | 5.12.06.67 | |
| 110 | 5.21.40.30 | |
| 111 | 0.60.62.09 | |
| 112 | 5.15.20.72 | |
| 113 | UNI 5923 M6x6 | |
| 114 | Pilot light | 303424 |
| 115 | Fan cover | 303483 |
| 116 | Motor fan | 303482 |
| 117 | 5.18.25.31 | |
| 118 | 0.60.62.04 | |
| 119 | 5.04.29.27 | |
| 120 | UNI 5933 M8x25 | |
| 121 | 5.13.08.70 | |
| 122 | 5.13.08.72 | |
| 123 | UNI 5589 M12 | |
| 124 | Motor | 303461 |

| Pos. | Description | Part # |
| 125 | 0.59.64.05 | |
| 126 | 5.00.15.74 | |
| 127 | 0.15.01.52 | |
| 128 | 0.15.01.51 | |
| 129 | 5,12,06,68 | |
| 130 | UNI 5931 M5x15 | |
| 131 | 0.41.06.34 | |
| 132 | UNI 7435 Ø12E | |
| 133 | 5.15.15.09 | |
| 134 | Handle | 303447 |
| 135 | UNI 5589 M12 | |
| 136 | 5.13.04.70 | |
| 137 | Coolant shut off | 303448 |
| 138 | 1.85.58.07 | |
| 139 | 0.24.14.48 | |
| 140 | UNI 7435 Ø8E | |
| 141 | 0.12.33.15 | |
| 142 | 5.18.19.43 | |
| 143 | 0.14.00.77 | |
| 144 | 1.85.58.08 | |
| 145 | 0.24.14.47 | |
| 146 | 0.88.00.09 | |
| 147 | 5.18.17.79 | |
| 148 | Lube group | 303422 |
| 149 | Damper group | 303421 |
| 150 | UNI 5931 M8x40 | |
| 151 | UNI 5931 M8x20 | |
| 152 | UNI 5739 M8x65 | |
| 153 | UNI 5739 M8x30 | |
| 154 | UNI 5588 M14 | |
| 155 | 5.17.30.33 | |
| 156 | 5.04.00.11 | |
| 157 | UNI 5588 M8 | |
| 158 | Spring | 303481 |
| 159 | 5.12.40.80 | |
| 160 | UNI 5739 M12x45 | |
| 161 | Switch | 303446 |
| 162 | Handle | 303445 |
| 163 | 5.13.79.88 | |
| 164 | 0.15.51.42 | |
| 165 | 5.13.79.87 | |
| 166 | UNI 5739 M12x45 | |
| 167 | UNI 5931 M14x100 | |
| 168 | UNI 5931 M14x45 |

| Pos. | Description | Part # |
| 190 | 5.40.23.36 | |
| 191 | 0.80.36.17 | |
| 192 | 0.82.00.02 | |
| 193 | 5.13.79.70 | |
| 194 | UNI 5931 M6x20 | |
| 195 | 7.13.05.95 | |
| 196 | UNI 5589 M10 | |
| 197 | 5.13.08.67 | |
| 198 | UNI 5931 M10x35 | |
| 199 | 5.12.06.69 | |
| 200 | Bearing 8X22X7 608 2RS | |
| 201 | UNI 5931 M8x20 | |
| 202 | Blade guide bit | 303420 |
| 203 | 0.38.04.15 | |
| 204 | 0.31.06.35 | |
| 205 | 5.12.06.70 | |
| 206 | 7.13.05.96 | |
| 207 | 5.13.79.89 | |
| 208 | 5.08.01.58 | |
| 209 | 5.06.00.00 | |
| 210 | 5.06.30.42 | |
| 211 | 7.24.10.06 | |
| 212 | 5.18.28.94 | |
| 213 | 5.13.79.91 | |
| 214 | 0.82.00.16 | |
| 215 | 0.80.60.20 | |
| 216 | 216 5.18.19.45 | |
| 217 | 0.80.12.06 | |
| 218 | 0.80.60.22 | |
| 219 | Main Power Switch | 303704 |
| 220 | 0.89.30.16 | |
| 221 | Tension Coil 230V | 303460 |
| 222 | Thermic Switch | 303840 |
| 223 | 0.81.00.17 | |
| Pos . | Description | Part # |
| 170 | UNI 5931 M6x40 | |
| 171 | 5.13.08.66 | |
| 172 | 0.89.40.09 | |
| 173 | 5.18.19.44 | |
| 174 | Hand lever | 303444 |
| 175 | 5.17.10.68 | |
| 176 | 0.89.21.02 | |
| 177 | 0.81.00.11 | |
| 178 | 0.81.12.03 | |
| 179 | Transformer | 303480 |
| 180 | 5.13.08.65 | |
| 181 | 0.60.60.00 | |
| 182 | 5.13.79.99 | |
| 183 | 5.07.00.02 | |
| 184 | ISO 7380 M4x16 | |
| 185 | 0.88.00.07 | |
| 186 | 0.88.00.08 | |
| 187 | UNI 5933 M6x15 | |
| 188 | 5.13.79.77 | |
| 189 | 7.13.25.06 |
| Blade Options | |
| Part # | Description |
| 303504 | 101” x 1” 10-14 TPI Lexon Classic |
| 303505 | 101” x 1” 10-14 TPI Lexon Classic |
Please contact factory for current prices.
ORDERING INFORMATION
Parts are available for direct purchase from Dake or through a distributor.
When placing a parts order, you will need to provide the part number, name of the part, and model number. All parts shipped F.O.B. Factory in Grand Haven, MI.
983111-2
REV062021





















