ecler MIMO4040CDN Dante Digital Matrix User Manual

Digital Matrix for conferences with Acoustic Echo Cancellation and Dante™ Interface

v.20210107
IMPORTANT REMARK

The lightning flash with arrowhead symbol, within an equilateral triangle, is intended to alert the user to the presence of uninsulated “dangerous voltage” within the product’s enclosure that may be of sufficient magnitude to constitute a risk of electric shock to persons.
The exclamation point within an equilateral triangle is intended to alert the user to the presence of important operating and maintenance (servicing) instructions in the literature accompanying the appliance.
WARNING (If applicable): The terminals marked with symbol of “
” may be of sufficient magnitude to constitute a risk of electric shock. The external wiring connected to the terminals requires installation by an instructed person or the use of ready-made leads or cords.
WARNING: To prevent fire or shock hazard, do not expose this equipment to rain or moisture.
WARNING: An apparatus with Class I construction shall be connected to a mains socket-outlet with a protective earthing connection.
IMPORTANT SAFETY INSTRUCTIONS
- Read these instructions.
- Keep these instructions
- Heed all warnings
- Follow all instructions
- Do not use this apparatus near water
- Clean only with dry cloth
- Do not block any ventilation openings Install in accordance with the manufacturer’s instructions
- Do not install near any heat sources such as radiators, heat registers, stoves, or other apparatus (including amplifiers) that produce heat.
- Do not defeat the safety purpose of the polarized or grounding type plug. A polarized plug has two blades with one wider than the other. A grounding type plug has two blades and a third grounding prong. The wide blade and the third prong are provided for your safety. If the provided plug does not fit into your outlet, consult an electrician for replacement of the obsolete outlet.
- Protect the power cord from being walked on or pinched particularly at the plugs, convenience receptacles, and at the point where they exit from the apparatus.
- Only use attachments/accessories specified by the manufacturer.
- Unplug the apparatus during lightening sorts or when unused for long periods of time.
- Refer all servicing to qualified personnel. Servicing is required when the apparatus has been damaged in any way, such as power supply cord or plug is damaged, liquid has been spilled or objects have fallen into the apparatus, the apparatus has been exposed to rain or moisture, does not operate normally, or has been dropped.
- Disconnecting from mains: switching off the POWER switch all the functions and light indicators of the amplifier will be stopped, but fully disconnecting the device from mains is done unplugging the power cord from the mains input socket. For this reason, it always shall remain readily operable.
- Equipment is connected to a socket-outlet with earthing connection by means of a power cord.
- The marking information is located at the bottom of the apparatus.
- The apparatus shall not be exposed to dripping or splashing and that no objects filled with liquids, such as vases, shall be placed on apparatus.
- External wiring shall be connected by a skilled person.
WARNING: This product must not be discarded, under any circumstance, as unsorted urban waste. Take it to the nearest electrical and electronic waste treatment centre.
CAUTION. Battery included on this product. Pay attention to the following safety statements:
- Replacing the wrong type of battery will invalidate the safety protection
- Explosion may be caused by putting the battery into the fire or heating furnace, or disposing of the battery by mechanical extrusion or cutting
- Placing the battery in an extremely high temperature environment with flammable liquid or gas can cause the battery to explode or leak.
- The extremely low air pressure of combustible liquid and gas placed on the battery may cause the battery to explode or leak.
NEEC AUDIO BARCELONA, S.L. accepts no liability for any damage that may be caused to people, animal or objects due to failure to comply with the warnings above.
IMPORTANT NOTE
Thank you for choosing our MIMO4040CDN digital audio matrix for conference applications, including AEC and Dante™ interface. It is VERY IMPORTANT to carefully read this manual and to fully understand its contents before any connection in order to maximize your use and get the best performance from this equipment.
To ensure optimal operation of this device, we strongly recommend that its maintenance be carried out by our authorized Technical Services.
MIMO4040CDN comes with a 3 years warranty.
INTRODUCTION
MIMO4040CDN is a 40×40 digital audio matrix (40 inputs and 40 outputs) for installation, fully programmable through the EclerNet Manager application (*).
(*) Refer to the EclerNet Manager Application manual for more information. The EclerNet Manager application is available for download at www.ecler.com.
It has 8 analog audio inputs and 8 analog audio outputs, 32 digital audio inputs Dante™ and 32 digital audio outputs Dante™, converting it into a native 40×40 matrix, with real routing of any input to any output. Also includes up to 8 input channels with echo cancellation, (AEC) designed for audio / video conferencing applications (*)
(*) The echo cancellation function is enabled by software (SF) license validation for a specific hardware (HW) unit. Contact your official Ecler dealer for more details.
MIMO4040CDN is only available with CONFERENCE firmware, and not with firmware for standard applications. For these types of applications, see the capabilities of the MIMO7272DN model.
Main features
- 8 balanced MIC/LINE analog audio inputs (42VDC phantom power independent per input channel). Euroblock connectors
- 8 balanced analog audio outputs Euroblock connectors
- 2 balanced MONITOR outputs Euroblock connectors rear panel + stereo jack front panel
- 32-channel digital audio inputs Dante™
- 32-channel digital audio outputs Dante™
- Allows the use of network redundancy for the transport of audio over IP (2 Ports Dante™: primary & secondary)
- 8 control ports GPI (General Purpose Input)
- 8 control ports GPO (General Purpose Output)
- Ethernet control port, RJ45 connector (Compatible with EclerNet Manager, UCPs and TP-NET protocol)
- RS-232 control port, DB9 connector (for integration with third-party systems, via TP-NET protocol)
- Programming and remote management via Ethernet via EclerNet Manager application (either point-to-point, with direct CAT5/CAT6 cable, or from an Ethernet network connection)
- Remote control via custom control panels UCP (User Control Panels)
- iOS and Android remote control app available (Ecler UCP V2)
- Remote control from third party external devices. (Crestron, AMX, Extron, Medialon, etc., are registered brands from their respective owners). TP-NET protocol, through Ethernet o RS-232 ports
- Remote control via panels connected to the same Ethernet network (WPNET series)
- Embedded UCP panel server: EclerNet projects executed in the internal matrix engine, acting as UCP server and as hardware control included in the project.
- Configuration memory management (presets).
- Events scheduled on a calendar basis
- Broad DSP processing configurable. Examples:
- Matrix router-mixer, from any input to any output (analog and/or digital Dante™) with adjustable crosspoint level (independent mixes of different inputs for each output).
- Treatment of channels in mono or stereo mode.
- Level, mute, vumeters and phase adjustment in inputs and outputs.
- Internal signal generator (sinusoidal signal, pink noise, white noise, polarity test).
- Parametric EQ on inputs and outputs.
- Delays on inputs and outputs.
- Noise gate / compressor on input channels.
- Compressor / limiter on outputs.
- Priorities (ducking) between input channels.
- Virtual and physical paging consoles
- Auto-mixer o Feedback loop canceller (Larsen effect),
- Feedback Killer
- Acoustic Echo Cancellation (AEC), enabled by SW license
The programming of the MIMO4040CDN is done using the EclerNet Manager application (*). Refer to the EclerNet Manager Application manual for more information.
(*) The EclerNet Manager application is available for download at www.ecler.com.
INSTALLATION
Location, assembly and ventilation
MIMO4040CDN has been specially designed to be placed in 19″ rack structure, occupying one unit.
It is very important that, as a heat generating element, MIMO4040CDN is not completely enclosed or exposed to extreme temperatures. Fresh air should be allowed to pass through the ventilation holes in the chassis, leaving at least one free rack unit between each piece of equipment and those installed above and below it in the rack frame.
If the installation consists of several amplifiers in the same rack or is carried out inside cabinets closed by means of doors, it is highly recommendable to equip them with forced upward ventilation, installing fans at their lower and upper ends. This upward flow of ventilation will favor the dissipation of the heat generated in its interior.
Mains connection and power on
MIMO4040CDN operates on alternating voltages from 90 to 264V and 47 to 63 Hz. This device is equipped with an oversized power supply capable of adapting without any type of adjustment to the mains voltage of any country in the world.
On the rear panel, next to the IEC power connector, there is an on/off switch for the unit. On the front panel there is an LED indicator that illuminates when the unit is in operation.
Do not allow the network cable to run parallel to the shielded cables carrying the audio signal, as this may cause humming.
Balanced analog audio inputs
MIMO4040CDN has on its rear panel 8 analog signal inputs (IN 1 to 8), balanced and supporting line or microphone levels. The selection of the input signal type and its management is done from the EclerNet Manager application. Refer to the EclerNet Manager Application manual for more information.

The signal input connectors are Euroblock type. The assignment of the connection is as follows:
Live or direct signal > Terminal +
Cold or inverted signal > Terminal –
Ground > Terminal ⊥
For UNbalanced connections, short-circuit the terminal – to earth.
Balanced analog audio outputs
The rear panel of the MIMO4040CDN has 8 analog signal outputs (OUT 1 to 8) and 2 additional “MONITOR” monitoring outputs, balanced and with line level.
The signal output connectors are Euroblock type. The assignment of the connection is as follows:
Live or direct signal > Terminal +
Cold or inverted signal > Terminal –
Ground > Terminal ⊥
For UNbalanced connections, leave the terminal – unconnected.
Digital audio inputs and outputs over IP Dante™
(Ports for primary and secondary networks)
MIMO4040CDN allows the reception of 32 channels of digital audio Dante™ and the sending of 32 channels of digital audio Dante™ through an Ethernet network compatible with the transport of digital audio over IP through the Dante™ protocol.
The routing of the digital audio signals Dante™ through the Ethernet network, as well as the network configuration of the ports Dante™ (IP addresses, mask, etc.) of the MIMO4040CDN, is managed by the software application Dante™ Controller. For more information, please refer to the developer’s documentation:
www.audinate.com/products/software/dante-controller?lang=es
MIMO4040CDN features two ports with RJ45 interface in its rear panel that allow the sending and reception of digital audio Dante™, labeled as primary (PRIMARY) and secondary (SECONDARY). MIMO4040CDN can work with these ports in two possible modes:
- Redundant Mode: there are two simultaneous network connections (each with its own IP address, both different) so that the information Ethernet packets Dante™ are transmitted via both connections. Each port (primary and secondary) must be connected to a different physical Ethernet local network, or to a different virtual local network (VLAN), correctly configured and isolated from each other. The digital audio Dante™ is therefore sent and received using two distinct and independent paths, with no possible communication between the primary and secondary ports. In case one of them fails, MIMO4040CDN will automatically switch to the other, recovering the audio transmission almost instantaneously. Obviously, to achieve total redundancy, all Dante™ devices that are part of a system of this type must have primary and secondary Dante™ ports, connected respectively to the same two independent networks as MIMO4040CDN.

Note: in this mode, if (by mistake) the primary and secondary ports connect to the same Ethernet network, Dante Controller will no longer have access to the network configuration control and routing Dante™ of the MIMO4040CDN ports. This control is recovered when one of them is disconnected from the same network as the other.
Nota: Dante™ redundancy requires that the primary and secondary ports of all Dante™ devices connect using the same network connection speed. For example, if the primary port connects to a network with a 1 Gbps link, the secondary port must also connect at 1 Gbps.
- Switched mode: in this mode only a single network connection is actually enabled (and therefore only one IP address exists), with the primary and secondary ports behaving as ports of a network switch integrated within MIMO4040CDN, to which devices forming part of the system’s Dante™ network, or Ethernet switches forming part of that network’s infrastructure, can be directly connected.
Note: in this mode both ports primary and secondary, should never be connected simultaneously to network switches, as this would create a loop that would cause network conflicts and disruption of the digital audio Dante™ traffic.
Programming and control Ethernet port
The RJ45 connector labeled ETHERNET allows the connection of the equipment to an Ethernet local network (LAN), being compatible with the following purposes:
- Management from the EclerNet Manager application, by direct connection (CAT5 cable or higher) of a computer with a MIMO4040CDN unit or using an Ethernet network as a link between both. Refer to the EclerNet Manager Application manual for more information.
- Connection to third party control equipment. (Crestron, AMX, Extron, Medialon, etc. are registered brands from their respective owners). Protocol used: Ecler TP-NET. Refer to the TP-NET protocol manual for more information.
- UCP: EclerNet project remote control service using customisable graphical control panels. MIMO4040CDN can act as a server for these panels, included in an EclerNet project, and also be remotely controlled by UCP panel client devices (WPNETTOUCH, Android® or iOS® mobile devices, Windows® devices, etc.).
Control remote RS-232 port
The RS-232 port with DB9 connector built into the rear panel allows an external device to communicate with a MIMO4040CDN unit via serial connection. This connection will use the syntax of the TP-NET protocol so that the external device can obtain the value of some of the parameters of the MIMO4040CDN unit (by means of “GET” commands) and/or modify these values (“SET” commands). Refer to the TP-NET protocol manual for more information.
The serial connection must comply with the following characteristics:
- Baud rate: 115200 (fixed, no auto negotiation)
- Data bits: 8
- Parity: None
- Stop bits: 1
- Flow control: None
Remote control GPI ports
The MIMO4040CDN rear panel has 8 GPI inputs for direct voltage control, 0 to 10 VDC. Each of these inputs can be connected to an external physical device (a potentiometer, a contact closure, a variable 0-10V DC voltage, etc.) and associated with a MIMO4040CDN function, for example:
- Remote control of a input channel volume, output or matrix crossover using a physical potentiometer or a remote control WPa series from Ecler
- Activation / deactivation of a MUTE or SOLO by means of a push-button or contact closure
- Retrieval of a preset by means of a pushbutton or contact closure
The GPI connectors are Euroblock type. The assignment of the connection is as follows
Positive, + 12 VDC > Terminal +
Variable voltage, 0-12 VDC > Terminal ↑
Ground > Terminal ⊥


The connection cables can be up to 500 meters approximately, using a minimum cross-section of 0,5 mm2.
Consult your ECLER distributor or at www.ecler.com about the serial remote-control wall panels WPa series and other accessories available for connection to REMOTE / VCA ports.
Remote control GPO ports
MIMO4040CDN has on its rear panel 8 relay outputs NO / NC (normally open / normally closed). Each of these outputs can have its status change associated with a trip by means of a specific function programmed through EclerNet Manager, such as a calendar event or the pressing of a key available on a UCP control panel. In this way, it is possible to interact with external equipment, such as motors for projection screens or movable partition walls, lights, sirens, GPI inputs from other equipment, etc.
OBSERVATIONS
Ground loops
It must be ensured at all times that the signal sources that reach the matrix, as well as all the devices that are connected to its output, do not have the grounds interconnected, that is to say that the gounds never reach them by two or more different paths, since, in this way, buzzes could be produced that would even interfere with the quality of the sound reproduction.
The shields of the cables, if they are connected to a chassis, must never be connected to each other. This way we avoid the formation of ground loops.
Background noise
MIMO4040CDN has been designed to obtain the lowest possible background noise. Regardless of the electronic design, the background noise will depend directly on the correct use and installation of the unit.
It is not the same, for example, to have the GAIN control of a channel at 2 and the VOL of the output to which it is routed at maximum (case 1), to have a correct gain setting on the input signal and the VOL level of the output channels to which it is routed at an intermediate position (case 2). In the first case, the signal that reaches the mix amplifier, which intrinsically has its own background noise level, is weak, so the signal-to-noise ratio is low (low signal). When the output amplifier raises indistinctly the whole set we will have a very high background noise level at the output.
In the second case, when the input gain is correctly adjusted, the signal received by the matrix is large and therefore with a large signal / noise ratio as well, so when this signal reaches the output channels and is amplified, it will have a better ratio than in the previous case.
PACKAGE CONTENTS
- MIMO4040CDN
- AC power cables
- Euroblock aerial connectors for analog inputs and outputs and GPIO ports
- Quick User Guide and Warranty Card
FUNCTION LIST
- Stereo jack headphone connection
- Headphone volume control, VOL
- Analog Input Signal LEDs, INPUTS
- Analog output signal LEDs, OUTPUTS
- Data traffic indicator light, DATA
- Digital audio traffic light Dante™, DANTE
- Start-up indicator light, POWER
- IEC type connector for external AC power cable
- Fuse holder
- Unit Power On Switch
- Euroblock DC voltage control terminals, GPI
- Euroblock relay output terminals, GPO
- Ports Dante™ primary and secondary, RJ-45 connector
- Ethernet control port, RJ-45 connector
- DB9 connector for remote control via TP-NET protocol, RS-232
- Euroblock terminals analog audio output, MONITOR
- Euroblock terminals analog audio output, OUT
- Euroblock terminals analog audio input, IN
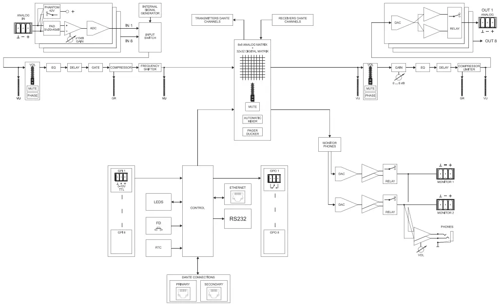
FUNCTION DIAGRAM

BLOCKS DIAGRAM

TECHNICAL FEATURES





All product characteristics are subject to variation due to production tolerances. NEEC AUDIO BARCELONA S.L. reserves the right to make changes or improvements in the design or manufacturing that may affect these product specifications.
For technical queries contact your supplier, distributor or complete the contact form on our website, in Support / Technical requests.
Motors, 166‐168 08038 Barcelona ‐ Spain ‐ (+34) 932238403 | [email protected] | www.ecler.com


















