ERMENRICH Verk LY40 Digital Level

Please carefully read the safety instructions and the user manual before using this product. Keep away from children. Use the device only as specified in the user manual.
Specifications
- Length Resolution: mm/m or in/fm
- Measuring range: 0-90°
- Accuracy: ±0.05°
- Auto-off: device shuts down automatically after 3 minutes of no activity
- Operating temperature range: 0-40°C
- Storage temperature range: -10-50°C
- Power supply: 2 x AAA batteries
The manufacturer reserves the right to make changes to the product range and specifications without prior notice.
Getting started
The device will shut down automatically in 3 minutes of no activity.
Usage
The icon indicates that the measured surface deviates from the horizontal or vertical plane. To check stored values, press the MR button. To exit, press any button except MODE. To clear the stored data, press and hold MR.
To set a reference angle, place the device on a level surface and press the REF button. This sets the current angle as a reference and resets the value to 0. The S icon will appear on the screen. Press REF again to exit this function.
To switch between measuring units, press the H/M button.
Acoustic alert
Press the POWER/BUZZER button to activate an acoustic alert when the device is in a level position. Press POWER/BUZZER again to turn off this function.
Calibration
Calibration can be done by pressing the CAL button. Follow the instructions on the screen to calibrate the device.
Care and maintenance
Follow the battery safety instructions to prevent damage or injury. Always switch off the device after use. Keep the device clean and dry. Do not disassemble the device. Store in a dry and cool place.
Levenhuk International Lifetime Warranty
This product is covered by the Levenhuk International Lifetime Warranty. For more information, visit www.levenhuk.bg/garantsiya.
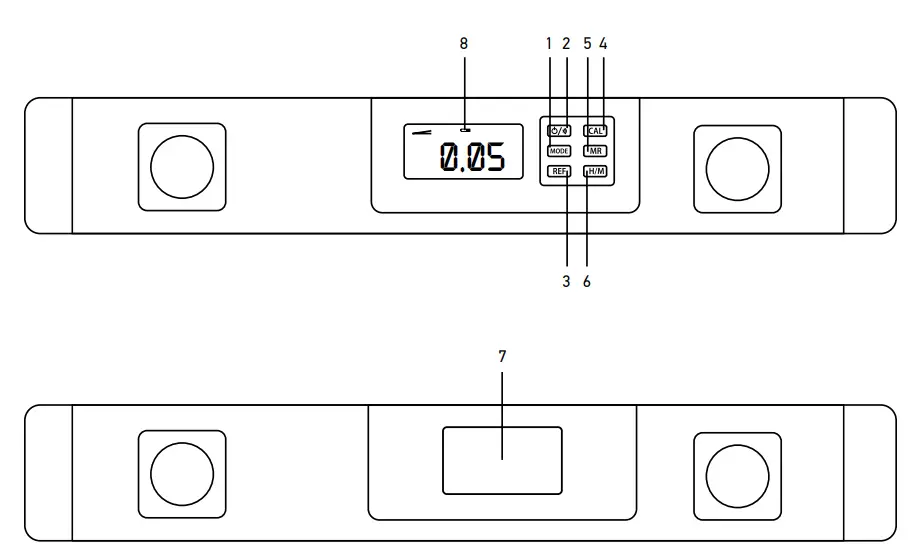
OVERVIEW
- POWER/BUZZER button
- MODE button
- REF button
- CAL button
- MR button
- H/M button
- Battery compartment
- Battery status indicator
Please carefully read the safety instructions and the user manual before using this product. Keep away from children. Use the device only as specified in the user manual.
Getting started
- Open the battery compartment cover and insert 2 AAA batteries. Close the cover.
- Press the POWER/BUZZER button to turn the device on. Press and hold the POWER/BUZZER button for 2 seconds to turn the device off.
- The device will shut down automatically in 3 minutes of no activity.
- To measure, turn the device on and place it on a flat surface.
Usage
- When the device is on, it will display the current value in degrees. Press the MODE button to switch between °, %, mm/m, and in/ft.
- The icon indicates that the measured surface deviates from the horizontal or vertical plane.
- Memory recall function. Press and hold the H/M button to save the current angle value in the memory of the device (8 memory settings available). Press the MR button to display the stored values on the LCD display. By pressing the MR button, you can check values from M8 to M1. To exit, press any button except the MODE button.
- Note: To clear the stored data, press and hold the MR button.
- Angle measurement. If you want to set an alternative reference point from which to take measurements, press the REF button to set the value to 0. The S icon will appear on the screen. Press the REF button again to exit this function.
- Hold function. To freeze the readings, press the H/M button. The H icon will appear on the screen. Press the H/M button again to return to measurement mode.
Acoustic alert
- Press the POWER/BUZZER button and then the icon
will appear on the screen. The audible buzzer alerts in the horizontal or vertical position. Press the POWER/BUZZER button again to turn off this function.
Calibration
- Turn off the device. Place it on a flat surface. Hold the POWER/BUZZER button and CAL button down until the CAL icon appears on the
- LCD display. Enter calibration mode. Do not move the device and then press the CAL button. The CAL1 icon will appear on the display.
- Rotate the device 180° and then press the CAL button. Then, the CAL1 icon will appear on the display. When the CAL2 icon disappears from the display, it means that calibration is complete. The calibration must be performed on a flat and smooth surface with a slope not exceeding 5°. If it exceeds 5°, the display will show the Err icon, indicating that the calibration cannot be performed.
- Note: The device is calibrated in the factory for maximum accuracy. Users can recalibrate the device when necessary
Specifications
- Length 450mm
- Resolution 0.05°
- Measuring range 0 to 360° (4×90°)
- Measurements °, %, mm/m, in/ft
- Accuracy ±0.1° at 0° and 90°; the rest: ±0.2°
- Auto off 3 min.
- Operating temperature range 0…+40°C / 32…+104°F
- Storage temperature range –10…+50°C / 14…+122°F
- Power supply 2 pcs AAA alkaline batteries
- The manufacturer reserves the right to make changes to the product range and specifications without prior notice.
Care and maintenance
Use the device only as specified in the user manual. Keep away from children. Do not try to disassemble the device on your own for any reason. For repairs and cleaning of any kind, please contact your local specialized service center. Protect the device from sudden impact and excessive mechanical force. Do not use the product in explosive environment, close to flammable materials. Store the device in a dry cool place. Only use accessories and spare parts for this device that comply with the technical specifications. Never attempt to operate a damaged device or a device with damaged electrical parts! If a part of the device or battery is swallowed, seek medical attention immediately.
Battery safety instructions
Always purchase the correct size and grade of battery most suitable for the intended use. Always replace the whole set of batteries at one time; taking care not to mix old and new ones, or batteries of different types. Clean the battery contacts and also those of the device prior to battery installation. Make sure the batteries are installed correctly with regard to polarity (+ and –). Remove batteries from equipment that is not to be used for an extended period of time. Remove used batteries promptly. Never short-circuit batteries as this may lead to high temperatures, leakage, or explosion. Never heat batteries in order to revive them. Do not disassemble batteries. Remember to switch off
devices after use. Keep batteries out of the reach of children, to avoid risk of ingestion, suffocation, or poisoning. Utilize used batteries as
prescribed by your country’s laws.
Levenhuk International Lifetime Warranty
All Levenhuk telescopes, microscopes, binoculars, and other optical products, except for their accessories, carry a lifetime warranty against defects in materials and workmanship. A lifetime warranty is a guarantee on the lifetime of the product on the market. All Levenhuk accessories are warranted to be free of defects in materials and workmanship for six months from the purchase date. The warranty entitles you to the free repair or replacement of the Levenhuk product in any country where a Levenhuk office is located if all the warranty conditions are met.
For further details, please visit: www.levenhuk.com/warranty
If warranty problems arise, or if you need assistance in using your product, contact the local Levenhuk branch.
References
Доживотна гаранция на Levenhuk – Официален уебсайт на Levenhuk в България
Levenhuk optical instruments store | Levenhuk - best optical equipment
Levenhuk lifetime warranty details | Levenhuk - best optical equipment
Doživotní záruka společnosti Levenhuk – Oficiální webové stránky Levenhuk pro Českou republiku
Levenhuk Lebenslange Garantie – Die offizielle Website von Levenhuk in Deutschland
Garantía internacional de por vida Levenhuk – Compre desde el sitio web oficial de Levenhuk en España
Levenhuk Lifetime Warranty – Levenhuk’s official website in USA
A Levenhuk élettartamra szóló szavatossága – A Levenhuk hivatalos magyarországi weboldala
Gwarancja bezterminowa Levenhuk – Oficjalna witryna internetowa Levenhuk w Polsce
Поддержка - Гарантийное обслуживание Левенгук - Levenhuk Russia




















