TOA A-2128M-AS1 Amplifier Instruction Manual
SAFETY PRECAUTIONS
- Be sure to read the instructions in this section carefully before use.
- Make sure to observe the instructions in this manual as the conventions of safety symbols and messages regarded as very important precautions are included.
- We also recommend you keep this instruction manual handy for future reference.
Safety Symbol and Message Conventions
Safety symbols and messages described below are used in this manual to prevent bodily injury and property damage which could result from mishandling. Before operating your product, read this manual first and understand the safety symbols and messages so you are throughly aware of the potential safety hazards.
WARNING
Indicates a potentially hazardous situation which, if mishandled, could result in death or serious personal injury.
CAUTION
Indicates a potentially hazardous situation which, if mishandled, could result in moderate or minor personal injury, and/or property damage.
When Installing the Unit
- Do not expose the unit to rain or an environment where it may be splashed by water or other liquids, as doing so may result in fire or electric shock.
- Use the unit only with the voltage specified on the unit. Using a voltage higher than that which is specified may result in fire or electric shock.
- Do not cut, kink, otherwise damage nor modify the power supply cord. In addition, avoid using the power cord in close proximity to heaters, and never place heavy objects — including the unit itself — on the power cord, as doing so may result in fire or electric shock.
- The terminals marked with the symbol 4 are hazardous live. The external wiring to these terminals requires installation by an instructed person.
- The socket-outlet shall be installed near the equipment and the plug (disconnecting device) shall be easily accessible.
- Be sure to replace the unit’s terminal cover after connection completion. Because the voltage of up to 100 V is applied to the high impedance speaker terminals, never touch these terminals to avoid electric shock.
- Be sure to ground to the safety ground (earth) terminal to avoid electric shock. Never ground to a gas pipe as a catastrophic disaster may result.
When the Unit is in Use
- Should the following irregularity be found during use, immediately switch off the power, disconnect
the power supply plug from the AC outlet and contact your nearest TOA dealer. Make no further attempt to operate the unit in this condition as this may cause fire or electric shock.
- If you detect smoke or a strange smell coming from the unit.
- If water or any metallic object gets into the unit
- If the unit falls, or the unit case breaks
- If the power supply cord is damaged (exposure of the core, disconnection, etc.)
- If it is malfunctioning (no tone sounds.)
- To prevent a fire or electric shock, never open nor remove the unit case as there are high voltage components inside the unit. Refer all servicing to you nearest TOA dealer.
- Do not place cups, bowls, or other containers of liquid or metallic objects on top of the unit. If they accidentally spill into the unit, this may cause a fire or electric shock.
- Do not insert nor drop metallic object or flammable materials in the ventilation slots of the unit’s cover, as this may result in fire or electric shock.
CAUTION
When Installing the Unit
- Never plug in nor remove the power supply plug with wet hands, as doing so may cause electric shock.
- When unplugging the power supply cord, be sure to grasp the power supply plug, never pull on the cord itself. Operating the unit with a damaged power supply cord may cause a fire or electric shock.
- When moving the unit, be sure to remove its power supply cord from the wall outlet. Moving the unit with the power cord connected to the outlet may cause damage to the power cord, resulting in fire or electric shock. When removing the power cord, be sure to hold its plug to pull.
- Do not block the upper panel ventilation slots in the unit’s cover. Doing so may cause heat to build up inside the unit and result in fire.
- Avoid installing the unit in humid or dusty locations, in locations exposed to the direct sunlight, near the heaters, or in locations generating sooty smoke or steam as doing otherwise may result in fire or electric shock.
When the Unit is in Use
- Do not place heavy objects on the unit as this may cause it to fall or break which may result in personal injury and/or property damage. In addition, the object itself may fall off and cause injury and/or damage.
GENERAL DESCRIPTION
TOA amplifier A-2128M-AS is a mixer power amplifier with high capacity for audio requirements in the mosque and other places of worship.
FEATURES
- Durable, high capacity and multifunction.
- 5 Microphone inputs, 3 Aux inputs.
- Mid input is equipped with Echo and Phantom Power as condenser.
- Separate control for low frequency / bass and high frequency / treble adjustment on each inputs.
- 2-channels output speaker with constant voltage distribution system 100V and low impedance 412.
- AC/DC compliant.
- Separate volume control for each inputs.
- Separate master volume control on channel 1 and channel
- Excess current limit to prevent damage due to current overload.
- Excess heat limit to protect the transistor and power transformer.
- SW On/Off Output Zone, for activate each zone.
PARTS AND FUNCTIONS
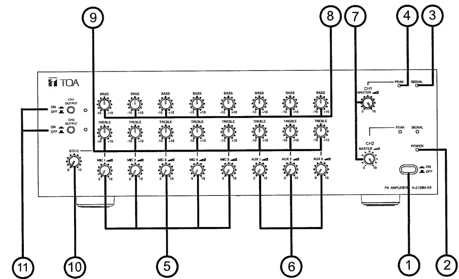
Front Panel
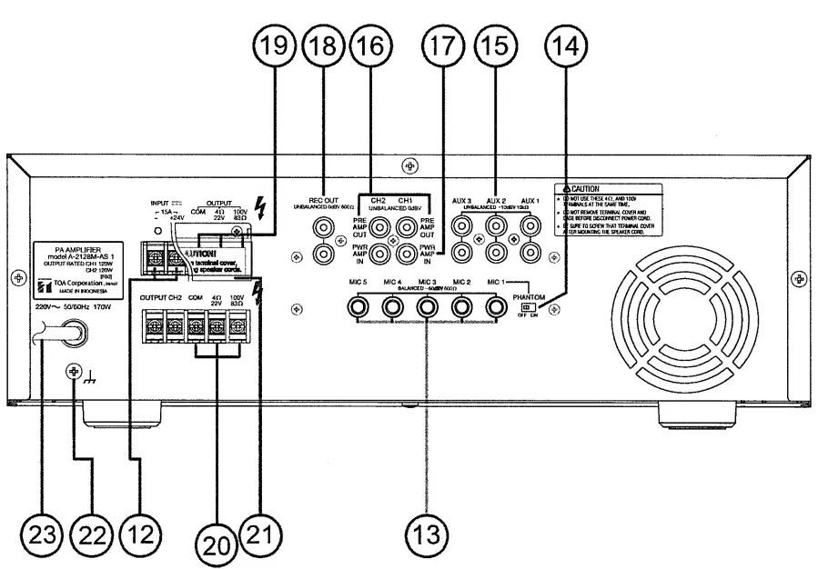
Read Panel
- Power Switch
Press switch button ON /OFF to turn on. Press one more time to turn off. - Power Indicator
It will light up in green when the switch power indicates ON. - Signal Indicator
It will light up in green when switch power indicates ON and signal is generated. - Peak Signal Indicator
It will light up in red when switch power indicates ON and the generated signal has reached average output. At this stage, the generated signal is not perfect anymore. Turn down the input volume control until the peak signal goes off. - Volume Control for Microphone
To adjust microphone volume. - Volume Control for AUX
To adjust AUX volume. - Master Volume Control
To adjust all unit volume. - Bass Control
To adjust low-pitch sound/bass. Turn the control counter-clockwise to lower the bass volume, clockwise to increase the volume. A center position will produce balanced characteristic. - Treble Control
To adjust high-pitch sound/treble. Turn the control counter-clockwise to lower the treble volume, clockwise to increase the volume. A center position will produce balanced characteristic. - Echo Control
for Mk 1 To adjust echo delay at Mic 1. - SW On/Off output zone
To activate output each zone (CH1 /CH2) - DC Terminal
Connect to power supply DC 24V. - MIC 1, MIC 2, MIC 3, MIC 4 and MIC 5 Inputs
-60dB (1.0mV), 6000, balanced, phone jack. (Refer to the Input Connection for details) - Phantom Switch
Set to ON to use microphone condencer and set to OFF to use dynamic microphone (specially for AMC 1 input). - Terminal Input for AUX 1, AUX 2 and AUX 3
-10dB (300mV), 10k0, unbalanced. Monaural RCA pin jacks. Used for signal from other equipment. (Refer to input connection for details) - Pre-Amp Out
0dB (1V), 6000, unbalanced. Monaural RCA pin jack. Please connect to power source of other amplifiers. - Power Amp In
0dB (1V), 10k.0, unbalanced. Monaural RCA pin jack. Connect to mixer or other equipment. When connected to Power Amp In, input connection from Mic and Aux will disconnected. - Rec Out
0dB (1V), 6000, unbalanced. Monaural RCA pin jacks. Connect to other equipments for recording. - Output terminal Speaker CH1
Connect to speaker. When connecting to the speaker, please use only one output terminal, either high or low impedance. • Output sound will be On, if SW CH1 (11) ON. - Output terminal Speaker CH2
Connect to speaker . When connecting to the speaker, please use only one output terminal, either high or low impedance. • Output sound will be On, if SW CH2 (11) ON. - Terminal Cover
To protect against the high voltage at the output terminal. Please put the cover in place after installing the speaker cable. - Terminal Ground
Connect to ground for safety and protection against short circuits. - AC Power cable
Connect to AC power supply.
CONNECTION
Input Connection
- Mic 1, Mic 2, Mic 3, Mic 4, Mic 5 Connection (Phone Plug) All MIC inputs are of electronically balanced type, used for phone plug stereo and double cable with ground protector.
Phone Plug Stereo![]()
MIC
When using Phone Plug mono, input condition will be unbalanced. For microphone cable of more than 10 meter length, balanced circuit with double cable and phone plug stereo is highly recommended. Single shield cable and unbalanced circuit are for cable of less than 10 meter. If an unbalanced circuit is used for a cable of more than 10 meter length, the sound produced will be tainted with undesired noise.
![]()

- AUX Connection, Pre Amp Out, Power Amp In, Rec Out (RCA jack)

Phantom Switch (only for Mic 1 input) Phantom Switch at OFF position For Dynamic Microphone
Phantom Switch at ON position For Condenser Microphone
Output Connection
- Low Impedance

- High Impedance / Line Speaker 100V

Caution
- Terminals 40 and 100V cannot be used together.
- Impedance indicates the amount of load from all speakers. Total impedance for 100V line is A-2128-AS: 830
CAUTION
Please put the terminal cover in place after installing the speaker cable. Due to the high voltage on the speaker terminal which may cause electric shock, you must not touch the terminal.
Connection Example With Other Equipment


VOLUME CONTROL ADJUSTMENT
Output level can be adjusted through the volume control of each input. For music or speech, adjust volume control such that there is no noise or impurity. When there is noise or impurity and the LED Peak lights up, lower down the volume by turning the control anti-clockwise until the LED Peak turns off and the sound becomes perfect.
INSTALLATION
The unit walls shall be at a distance 10 cm away or more from any objects that may block air circulation. This is to prevent overheating in the amplifier unit.
Caution This amplifier is designed for portable use and not for rack-system mounting.
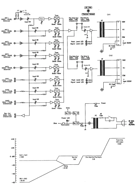
BLOCK AND LEVEL DIAGRAMS

DIMENSIONS
- Front View

- Side View

- Top View

SPECIFICATIONS
| Model No. | A-2128M-AS 1 | |
| Power Source | 220V AC, 50/60 Hz or 24V DC | |
| Rated Output Power | 2 x120 W | |
| 520 W (AC operated, at rated output) | ||
| Power Consumption | 286 W (EN-60065 standard) | |
| 20 A (DC operated, at rated output) | ||
| Frequency Response | 50 – 20.000 Hz, 3 dB | |
| Distortion | Less Than 1% at 1 kHz, 1/3 rated power | |
| Input | MIC 1: -60 dB*, 600 0, Balanced, Phone Jack, Echo | |
| MIC 2 – 5: -60 dB*, 600 0, Balanced, Phone Jack | ||
| AUX 1 – 3: -10 dB*, 10 kO, Unbalanced, RCA Pin Jack | ||
| PWR AMP IN: 0 dB*, 10 kr), Unbalanced RCA Pin Jack | ||
| Output | Speaker Outputs: Floating Balanced | |
| High Impedance (100 V): 83 0 | ||
| Low Impedance (4 0): 22 V | ||
| REC OUT: 0 dB*, 600 0, Unbalanced, RCA Pin Jack | ||
| PRE AMP OUT: 0 dB*, 600 0, Unbalanced, RCA Pin Jack | ||
| Phantom Power | ON or OFF for Mid with switch setting (+21V DC) | |
| SIN Ratio | More than 80 dB All Minimum Volume Control | |
| More than 50 dB All Maximum Volume Control | ||
| Tone Control | Bass: t10 dB at 100 Hz Treble: t10 dB at 10 kHz | |
| Indicator | Power, Signal, Peak Signal , SW ON/OFF Output Channel | |
| Finish | Panel: Aluminium, Grey Case: Steel Plate, Grey | |
| Dimensions | 420(W) x 144(H) x 361(D) mm | |
| Weight | 19 kg | |
| Phantom Power | ON or OFF for Mid with switch setting (+21V DC) | |
| S/N Ratio | More than 80 dB All Minimum Volume Control | |
| More than 50 dB All Maximum Volume Control | ||
| Tone Control | Bass: ±10 dB at 100 HzTreble: ±10 dB at 10 kHz | |
| Indicator | Power, Signal, Peak Signal , SW ON/OFF Output Channel | |
| Finish | Panel: Aluminium, GreyCase: Steel Plate, Grey | |
| Dimensions | 420(W) x 144(H) x 361(D) mm | |
| Weight | _ 19 kg | |
Notes:
*)0dB=1.0V
- Specifications are measured on 220 V AC.
- The design and specifications are subject to change without notice for improvement.

























