TOA DA-X1000S Power Amplifier

All electrodes in electrical equipment in the building must have more than 3 mm contact blocking distance.
All-electrode blocking switch and must be installed.
Thank you for purchasing TOA DA-X1000S1&DA-X0130F channel power amplifier.
Before attempting to connect,operate or adjust this Amplifier,please read these instructions completely and carefully and save this Manual.
Safety Instructions
- Read all instructions-All the safety and operating instructions should be read before operating this apparatus.
- Follow all instructions- All following notes and important security-related issues should be followed.
- Keep the instructions-The safety and operating instructions should be retained for future reference.
About Marking
The safety markings used in this manual are used to prevent human injury and property damage due to misoperation.
To prevent potential safety hazards, please read this manual carefully and fully understand these safety symbols before operating this apparatus.
Warning:
The marking is intened to alert that user to the potential safety risks that could lead to death or serious injury in the event of misoperation.
Setting • intallation
- Avoiding being wet within water.
Avoiding letting water into the host or getting wet within water.To reduce the risk of fire , items such as vases filled with liquid should not be placed on the apparatus. - This apparatus should be operated only from the type of power supply indicated on the rating label.
Do not use beyond the marked power supply voltage.
Otherwise, it will causes fire and electric shock. - Do not damage the power cable.
Do not damage the power cable, or process it, or close to the burning appliance.
In addition, do not place heavy objects on the cable.
Otherwise it will causes a fire. - Identified
terminal external connection should be operated by professionals . - Protective earthing of the power instalation.
The apparatus should be connected to a mains socket outlet with a protective earthing connection.
During the use:
- Abnormal conditions.
When the following occurs,please cut off the power plug, unplug the apparatus and contact the dealer. It will causes fire and electric shock, if continuous use under abnormal conditions.- When there is smoke or smell.
- When water or foreign matter intrudes inside the apparatus.
- When the apparatus falls or the shell is damaged.
- When the power cable is damaged (Wire core exposed , broken, etc).
- When the apparatus has no sound.
- Do not open or modify the apparatus.
Some of the internal voltage is high, if the shell is opened or modified, it will causes fire, electric shock. Please entrust dealer for internal inspection, adjustment, repair. - Do not place liquid containers or small metal over the apparatus.
If the liquid enters the apparatus, it will causes fire, electric shock.Items such as vases filled with liquid should not be placed on the apparatus.
Warning: The marking is intened to alert that user to the potential safety risks that could lead to death or serious injury in the event of misoperation.
During the use:
- Please do not put foreign bodies inside the apparatus.
Please do not insert or drop the metal or flammable material from the vent of the apparatus.
Otherwise it may causes fire, electric shock and so on. - Don’t touch the apparatus when thunder strikes. Do not touch the socket when thunder strikes.
Otherwise, it may causes electric shock.
Attention: The marking is intened to alert that misoperation can cause moderate or minor personal injury or property damage
Setting • intallation
- Please do not touch the power plug with wet fingers.
Please do not touch the power plug with wet fingers, otherwise it will causes electric shock. - Please do not pull the power plug direclty.
When unplug the apparatus, please do not pull the power plug directly.
Otherwise it will causes power cable damage , fire , electric shock.
Please unplug the power cable , and remove it. - Unplug the power cable when removing the apparatus
If the power cable is not unplug when removing the apparatus , it will causes power cable damage , fire , electric shock. - Please keep the apparatus away from wet and dusty environment.
Do not place in wet, dusty, direct sunlight, burning appliances around, oil fumes and water vapor pollution sites. Otherwise it will causes fire, electric shock. - Turn off the power swtich before connection.
It will causes electric shock , if you connect this apparatus without cutting the power supply. - Attetions to the installation
Please follow the below issues,otherwises it will causes fire , electric shock. - Install in a stable place and screw it. Prevent shelf dumping and movement.
- When this apparatus is installed in other cabinet except our special cabinet, please use screws with diameter of 5 mm, and length of 12 mm or more.
- When connecting the power supply to the socket, it shall not exceed the rated current of the socket.
During the use:
- Before turning on the power, the INPUT VOL adjustment button should be turned to the position of

If the INPUT VOL adjustment button is not turned to
, it may causes a sudden change,which will lead to hearing impairment. - Do not use it for a long time when the sound quality is abnormal.
It may causes speaker overheating and causing a fire.
Attention:
The marking is intened to alert that misoperation can cause moderate or minor personal injury or property damage.
During the use:
- Regular internal clearance.
Please consult the dealer about the internal cleaning.
Accumulation of dust inside and prolonged non-cleaning may lead to fire. - Clean the plug socket.
Ash in the socket may cause a fire. So please clean the socket regularly.
In addition, please plug the plug to the bottom of the socket. - Precautions for a long absence and during the maintenance.
Unplug the apparatus during the maintainance or when unused for long periods of time. Otherwises it will causes a fire,electric shock.
Summary
DA-X1000S is 1 channel *1000 W,Class D power amplifier with high output durable of constant voltage. DA-X0130F is 4 channels *130 W,Class D power amplifier with high output durable of constant voltage.
Can be used as a residential area, schools, squares, high-speed rail and other professional broadcast system after the sound drive amplification, using efficient switching power, strong output power.
Features
- Can be installed in 2 U size space cabinet.
- Low power consumption, light weight.
- DA-X1000S transfers the INPUT signal from the rear panel to OUTPUT channel.The volume of the output signal can be adjusted by the input volume potentiometer.(DA-X0130F can use 4 channels,INPUT CH1/2/3/4 refers to OUTPUT1/2/3/4)
- Electronic balanced input.
- Input terminals use detachable wiring plug and RJ45 connector that can be easily connected to VX-1000S system.
- Each channel is provided with a LED indicator showing the status of input and output, protection.
- Short circuit, overload and abnormal temperature rise, the output and load can be cut off by the built-in protection circuit.
- Internal information (power ON/OFF status, protection status, mode switching) is available.
Use Notes
- This apparatus is using the power plug and appliance coupler to cut off the main power supply.Place the power plug or the appliance coupler in the most convenient position during the use.In order to facilitate the occurrence of danger, the power supply can be disconnected timely and accurately.
- Please place the input cable separately from the output cable, otherwise it may causes resonance.
- Please use the specified constant voltage loudspeaker. It may lead to the output power failure when connecting the loudspeaker beyond the specified voltage.
- There is a filter in front of the apparatus, please clean the filter regularly, if the filter is blocked, it may lead to abnormal heat dissipation.
- Please use in places where temperature-10~40℃ humidity below 90% RH (no condensation) is present.
- When cleaning the equipment, be sure to break the power switch of the equipment first,then wipe it with a dry towel, and if you encounter more difficult stains, you can do so in the use appropriate amount of neutral cleaning agent to clean the towel. Do not use gasoline,diluent,alcohol and other chemicals, otherwise it may causes deformation, discoloration and other conditions.
* 1 U =44.5 mm( standard size) - Only for safe use at 2000 m and below and only in non-tropical areas.
- This apparatus is a professional power amplifier. Professional personnel operation and trial adjustment are required.
Installation Notes
Attention
When this apparatus Is installed other cabinet except our special cabinet, please use scres with diameter of 5 mm or more than 12 mm in length.
Otherwise, it may lead to personal injury.
- The attached power cable is special for this equipment. Do not use on other equipment.
- Please install this apparatus into the cabinet, need to ensure that the cabinet is fully ventilated, please remove all the back cover of the cabinet in advance.
- When installing into the cabinet, install on the ventilation panel above size 1 U.
- Install to the top and bottom of the cabinet.
- Set up and down every 5 units.

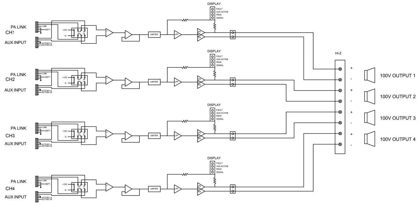
Name and function of each part
Front panel

- Output indicators (SIGNAL)
These indicators show current signal output level. - Clip indicators (PEAK)
These indicators warn against overload shortly on the each output channels. We would like to recommend for users to adjust VOLUME control when CLIP indicators are flickering to make best performance. - Proctect indicators (FAULT)
The red light flashes when the apparatus has short circuit, the orange light flashes when the apparatus has other faults. - The AUX auxiliary signal input indication (AUX ACTIVE)
The orange light flashes when the ACTIVE is short connected, and when the AUX auxiliary signal is inputted. - Power indicators (POWER)
The green light flashes when the computer is on. - Power switch (ON/OFF)
Power switch button,press up for ON and press down for OFF.
Rear panel

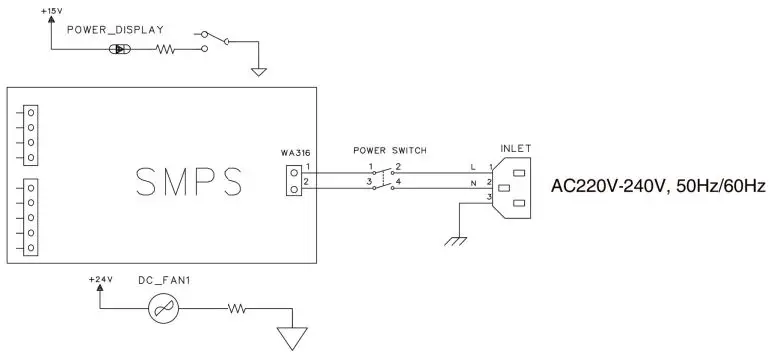
- AC power input connection (AC INPUT)
A correct capacity of fuse and power cable should be applied. Please make sure the value of fuse before replacing. - Amplifier outputs (100V OUTPUT)
These amplifier output blocks provide 100V constant voltage output for commercial and industrial use. - Volume controls (INPUT VOL)
The volume potentiometer adjusts the output level. - Signal input and signal swtich controls (AUX INPUT)
The AUX auxiliary signal is outputted when the ACTIVE is short connected. When the ACTIVE is disconnected, the PA LINK signal is outputted. - RJ45 Network connector (PA LINK)
Start “PA LINK”, DA-X AMP conectes to VX-1000MC for use.
Setting and connection method

Figure is from DA-X0130F.
- turn off the power supply.
- When the network port emergency signal switches to the AUX regular broadcast signal, the connector ACTIVE-A is short to the ACTIVE-B.
- Connect the speaker cable to the power amplifier output terminal via the detachable wiring plug.
- turn off the power supply.
- Peel the speaker wire cover (as attached image) about 7 MM. (Reference P10)
- Connect the speaker cable to the attachment detachable wiring plug. (Reference P15)
- Connect the detachable wiring plug to the power amplifier output terminal.

WARNING
The metal part of the power amplifier output terminal has high voltage power. Please do not touch it directly by hand, otherwise it will causes electric shock and causes personal injury.
Switch setting and speaker connection
- During the use of DA-X1000S
[1 input 1 output ] (Factory Setting)
- During the use of DA-X0130F
[4 input 4 output ] (Factory Setting)

Connection of detachable wiring plug
Attentions
- Be sure to use the shield wire.
- Please pay attention to the exposed part of the wire. Please avoid tin plating.
When tying the wire, if the solder is damaged, it may increase the contact resistance, resulting in an abnormally increased temperature at the contact site.
Use the AWG 16-28 type for the wire type. - Exposed part of the wire


- Connection steps for the connector.
Step 1. Unscrew the screw in the terminal and insert the cable.
Step 2. Tighten the screw in the terminal.
Make sure the wire is not extended and elongated.
Remark
Recommended one-shaped screwdriver: the width of the blade mouth is about 3 MM.
Shape of the screwdriver knife port

List of Protection Operations
| Abnormal Condition | Protection | The operation display | Solution | Reset |
| Overload current | The current limiter starts in operation when the specified impedance is insufficient. | The peak or protection indicator is on. | Remove overload | Automatic reset after connecting the normal load. |
| Short circuit | The current limiter starts to run. | The operating indicator of the protection circuit is on. | Check the speakers, lines, etc. for a short circuit. | Cut off the power switch of this equipment.After normal load, power on. |
| Over-voltage, Under-voltage | The power amplifier protection circuit starts to run. | The protection indicator light is on. | Check the power board or amplifier board for damage , repair bad board. | |
| Heat-sink temperature of power amplifier (above 160 ° C) | Power board power-off protection. |
The indicator of the corresponding channel will go off. |
Check the ventilation condition and check if fan is overloaded. |
After the temperature drops, it will be automatically reset. |
| Temperature rise of cooling board in power supply site (above 85 ° C) | The built-in power board unit that causes the temperature to rise stops working. |
Installation of filter support and filter
Install the filter first , and then lock the filter support. Please check the below image.

Cleaning of filters
- Step 1 turn off the power supply.
- Step 2 remove the ventilation panel.
- Step 3 unscrew the screw, remove the bracket. Step 4 remove the filter inside the panel.
- Step 5 remove the dust inside the filter.
- Step 6 lock the filter with the filter support

Dimensional drawing

Integrated circuit diagram
13.1DA-X1000S

13.2DA-X0130F


Description of wiring connection
PA LINK
- RJ45 network input
- H (+)
- C (-)
- LINK-PA
- G (GND)
- NC
- DET (Protection port output control,HI-LEVEL for output protection, Lo-LEVEL for normal operation)
- GND
- GND

Pin hole number and line color from network crystal head


AUX INPUT
- Signal switching terminal ACTIVE-B
- Signal switching terminal ACTIVE-A
- G (GND)
- C (-)
- H (+)
(When ACTIVE-A and B are short conencted,switch to euro block signal. when ACTIVE-A and B connection is cut , swtich to RJ45 input signal.)

OUTPUT
- – (100V Output)
- + (100V Output)

Specifications
DA-X1000S
| Model Name | DA-X1000S |
| Power Supply | 220V-240V〜50/60Hz T6.3AL |
| Amplifier | Class-D Amplifier |
| Power consumption | 30W(Standby mode), 1200W (rated output of 100V) |
| Input | 1 Channel: PA LINK (dedicated configuration VX-1000MC use) 1 Channel: AUX INPUT (PIN 1,2,3) balanced input, (0dB (1V): input level adjusted to maximum, input impedance of 20kΩ |
| Rated Output | 1 Channel (2pin):1000W(100V,loading 10Ω) |
| Frequency Response | 110〜16,000Hz ±3dB |
| T.H.D | 0.4% (1W),1%( rated output) |
| Protections | Overcurrent protection, under-voltage protection, over-voltage protection, overheat protection, short-circuit protection |
| S/N Ratio | 90dB (A-weighted) |
| ACTIVE control input | The AUX auxiliary signal is outputted when the ACTIVE INPUT(pin4,5) is short connected. When the ACTIVE INPUT(pin4,5) is disconnected,the PA LINK signal is outputted. |
| LED Indicator | POWER: power supply (green) X1 SIGNAL: signal (green) X1 PEAK: peak (red) X1 AUX ACTIVE: auxiliary input (orange) X1 FAULT: fault (red or orange) X1 |
| Cooling | The system controls the fan for heat dissipation. |
| Operating temperature | 0℃~+40℃ |
| Operating humidity | ≤90%, which is not condensed |
| Material | Black aluminum panel, electrolytic plate is sprayed black. |
| Control | Panel: The power switch Rear panel: 1 Channel input volume adjustment knob |
| Dimensions | 483 (L) X88 (H) X392 (W) |
| Weight | 6.16KG (Net weight) 8.14KG (Gross weight) |
| Accessary | CCC power cord X1(DA-1000S only) CE power cord X1 UK power cord X1 fuse T6.3AL X1(built-in) footpad X4 detachable terminal 2P X1 detachable terminal 5P X1 |
DA-X0130F
| Model Name | DA-X0130F |
| Power Supply | 220V-240V〜50/60Hz T4AL |
| Amplifier | Class-D Amplifier |
| Power consumption | 85W(Standby mode), 740W (rated output of 100V) |
| Input | 4 Channel: PA LINK (dedicated configuration VX-1000MC use) 4 Channel: AUX INPUT (PIN 1,2,3) balanced input, (0dB (1V): input level adjusted to maximum, input impedance of 20kΩ |
| Rated Output | 4 Channel (2pin):130W (100V,loading 67Ω) |
| Frequency Response | 110〜20,000Hz ±3dB |
| T.H.D | 0.4%(1W),1%( rated output) |
| Protections | Overcurrent protection, under-voltage protection, over-voltage protection, overheat protection, short-circuit protection |
| S/N Ratio | >83dB (A-weighted) |
| Crosstalk | >70dB (A-weighted) |
| ACTIVE control input | The AUX auxiliary signal is outputted when the ACTIVE INPUT(pin4,5) is short connected. When the ACTIVE INPUT(pin4,5) is disconnected,the PA LINK signal is outputted. |
| LED Indicator | POWER: power supply (green) X1 SIGNAL: signal (green) X4 PEAK: peak (red) X4 AUX ACTIVE: auxiliary input (orange) X4 FAULT: fault (red or orange) X4 |
| Cooling | The system controls the fan for heat dissipation. |
| Operating temperature | 0℃~+40℃ |
| Operating humidity | ≤90%, which is not condensed |
| Material | Black aluminum panel, electrolytic plate is sprayed black. |
| Control | Panel: The power switch Rear panel: 4 Channel input volume adjustment knob |
| Dimensions | 483 (L) X88 (H) X392 (W) |
| Weight | 6.96KG (Net weight) 8.94KG (Gross weight) |
| Accessary | CCC power cord X1(DA-X0130F only) CE power cord X1 UK power cord X1 fuse T6.3AL X1(built-in) footpad X4 detachable terminal 2P X1 detachable terminal 5P X1 |
Necessary modifcations are carried out without notice.
Fuse replacement method
- Step 1. Turn offthe power supply , unplug the power cable.
- Step 2. Remove the power seat safe with a one-shaped screwdriver.
- Step 3. Remove the spare fuse from the power socket safety box, replace the previously used fuse, and install it in the center.
- Step 4. Reinstall the socket safety box, to install in place.

Traceability Infomation for Europe
Manufacturer:
TOA Corporation
7-2-1,Minatojima-Nakamachi,Chuo-ku,Kobe, Hyogo,
Japan
Authorized representative
TOA Electronics Europe GmbH
Suederstrasse 282,20537 Hamburg,
Germany























