
Digital Mixer Amplifier
Instruction Manual

A-3212DZ-EB 1CE/A-3212DZ-EB 4CE
A-3224DZ-EB 1CE/A-3224DZ-EB 4CE
A-3248DZ-EB 1CE/A-3248DZ-EB 4CE
Thank you for purchasing TOA’s Digital Mixer Amplifiers. Please carefully follow the instructions in this manual to ensure the long, trouble-free use of your equipment.
TOA Corporation
SAFETY PRECAUTIONS
- Before installation or use, be sure to carefully read all the instructions in this section for correct and safe operation.
- Be sure to follow all the precautionary instructions in this section, which contain important warnings and/or cautions regarding safety.
- After reading, keep this manual handy for future reference.
Safety Symbol and Message Conventions
Safety symbols and messages described below are used in this manual to prevent bodily injury and property damage that could result from mishandling. Before operating your product, read this manual first and understand the safety symbols and messages so you are thoroughly aware of the potential safety hazards.
WARNING Indicates a potentially hazardous situation that, if mishandled, could result in death or serious personal injury.
CAUTION Indicates a potentially hazardous situation that, if mishandled, could result in moderate or minor personal injury, and/or property damage.
WARNING
When Installing The Unit
- Do not expose the unit to rain or an environment where it may be splashed by water or other liquids, as doing so may result in fire or electric shock.
- Use the unit only with the voltage specified on the unit. Using a voltage higher than that which is specified may result in fire or electric shock.
- Do not cut, kink, or otherwise damage nor modify the power supply cord. In addition, avoid using the power cord in close proximity to heaters, and never place heavy objects including the unit itself on the power cord, as doing so may result in fire or electric shock.
- The terminals marked with the symbol
are hazardous live. The external wiring to these terminals requires installation by an instructed person. - The socket outlet shall be installed near the equipment and the plug (disconnecting device) shall be easily accessible.
- Be sure to replace the unit’s terminal cover after connection completion. Because the voltage of up to 10W is applied to the high impedance speaker terminals, never touch these terminals to avoid electric shock.
- Be sure to ground to the safety ground (earth) terminal to avoid electric shock. Never ground to a gas pipe as a catastrophic disaster may result.
- Apparatets stikprop skal tilsluttes en stikkontakt med Jord, som giver forbindelse til stikproppens jord.
- Laite on Iiitettava suojakoskettimilla varustettuun pistorasiaan.
- Apparatet me tilkoples jordet stikkontakt.
- Apparaten skall anslutas till Jordat uttag.
When The Unit is in Use
- Should the following irregularity be found during use, immediately switch off the power, disconnect the power supply plug from the AC outlet and contact your nearest TOA dealer? Make no further attempt to operate the unit in this condition as this may cause fire or electric shock.
- If you detect smoke or a strange smell coming from the unit.
- If water or any metallic object gets into the unit.
- If the unit falls, or the unit case breaks.
- If the power supply cord is damaged (exposure of the core, disconnection, etc.)
- If it is malfunctioning (no tone sounds.)
- To prevent a fire or electric shock, never open nor remove the unit case as there are high voltage components inside the unit. Refer all servicing to your nearest TOA dealer.
- Do not place cups, bowls, or other containers of liquid or metallic objects on top of the unit. If they accidentally spill into the unit, this may cause a fire or electric shock.
- Do not insert nor drop metallic objects or flammable materials in the ventilation slots of the unit’s cover, as this may result in fire or electric shock.
- Class I construction shall be connected to a main socket outlet with a protective earthing connection.
- The ventilation should not be impeded by covering the ventilation openings with items, such as newspapers tablecloths, curtains, etc.
- No naked flame source such as lighted candles should be placed on the apparatus.
CAUTION
When Installing The Unit
- Never plug in nor remove the power supply plug with wet hands, as doing so may cause electric shock.
- When unplugging the power supply cord, be sure to grasp the power supply plug, and never pull on the cord itself. Operating the unit with a damaged power supply cord may cause a fire or electric shock.
- When moving the unit, be sure to remove its power supply cord from the wall outlet. Moving the unit with the power cord connected to the outlet may cause damage to the power cord, resulting in fire or electric shock. When removing the power cord, be sure to hold its plug to pull.
- Do not block the ventilation slots in the unit’s cover. Doing so may cause heat to build up inside the unit and result in fire. Also periodically clean the ventilation slots of dust.
- Avoid installing the unit in humid or dusty locations. in a location exposed to direct sunlight, near the heaters, or in a location generating sooty smoke or steam as doing otherwise may result in fire or electric shock.
- To avoid electric shocks, be sure to switch off the unit’s power when connecting the speaker.
- Be sure to follow the instructions below when rack mounting the unit. Failure to do so may cause a fire of personal injury.
- Install the equipment rack on a stable, hard floor. Fix it with anchor bolts or make other arrangements to prevent it from falling down.
- When connecting the unit’s power cord to an AC outlet, use the AC outlet with the current capacity allowable to the unit.
- Rack-mounting screws are not supplied with the unit. Prepare them that are appropriate for the equipment rack.
- Keep the distance for all sides of units 10 cm away from the object that may obstruct airflow for internal unit temperature rise prevention.

When The Unit is In Use
- Do not place heavy objects on the unit as this may cause it to fall or break which may result in personal injury and/or property damage. In addition, the object it self may fall of and cause injury and/or damage.
- Make sure that the volume control is set to a minimum position before power is switched on, Loud noise produced at high volume when is power is switched on can impair hearing.
- Switch OFF the unit’s power before turning the phantom power switch ON or OFF. Operating the switch without switching OFF the main power could resulting a large transient noise through the speakers, potentially resulting in speaker failure.
- Avoid using phantom power when connecting an unbalanced microphone to the MIC 1 input, as the microphone fails.
- Do not operate the unit for an extended period of time with the sound distorting. Doing so may cause the connected speakers to heat, resulting in a fire.
- Contact your TOA dealer regarding the cleaning. If dust is allowed to accumulate in the unit over a long period of time, fire or damage to the unit may result.
- If dust accumulates on the power supply plug or in the wall AC outlet, a fire may result. Clean it periodically. In addition, insert the plug in the wall outlet securely.
- Switch off the power, and unplug the power supply plug from the AC outlet for safety purposes when cleaning or leaving the unit unused for 10 days or more. Doing otherwise may cause a fire or electric shock.
GENERAL DESCRIPTION
TOA’s Digital Mixer Amplifiers A-3200DZ-EB Series are high-performance mixer power amplifiers suited for broadcasting paging or background music in schools, offices, shops, factories, mosques, churches, and large rooms.
FEATURES
- High durability, high reliability and high performance.
- Four microphone inputs, two AUX inputs, and one recording output.
- Speaker output of constant voltage distribution system (100V) & low impedance (4 L-2).
- Operates on AC power.
- Muting function.
- Independent input volume control and master volume control.
- The Independent tone control of boost and cut type for both high and low frequency.
- MIC 1 is equipped with phantom power for the condenser microphone and also an option for Chime Microphone.
- Current limiter circuitry protects the transistor and thermal protection circuitry prevents a failure due to overheating.
- All MIC inputs are electronically-balanced input.
- Have feature Zone Selector.
NOMENCLATURES AND FUNCTIONS

- Power Switch Press to turn ON the power. Press again to turn off the power.
- Power Indicator Lights green when power is switched on.
- Protect Indicator Lights when protecting function is activated.
- Signal Indicator Lights green for indicates the presence of an output signal.
- Peak Indicator Lights red to indicate the output signal reaches the peak level, this indicates that the sound is distorted. In such a case, adjust each volume control to reduce the output level.
- Volume Control for MIC Adjusts the microphone level.
- Volume Control for MIC 4/AUX 1 Adjust the level for MIC 4/AUX 1 whichever is activated, see number 23.
- Volume Control for AUX 2 Adjusts the AUX level.
- Master Volume Control Adjust the overall signal level.
- Bass Control Adjust bass response. Rotate clockwise to increase bass output and counterclockwise to reduce it. The center position provides a flat characteristic.
- Treble Control Adjust treble response. Rotate clockwise to increase treble output and counterclockwise to reduce it. The center position provides a flat characteristic.
- All Call Knob Push the knob to activate all zone terminals.
- Zone Selector Knob Push the knob to activate each correspondent zone terminal.
- Output Terminal Terminal for connecting speaker. Use only with a high impedance speaker.
- Terminal Cover To avoid electric shock by high voltage from the output terminal, put back the terminal cover after connecting the speaker cords.
- Impedance Selector Selecting to 100 V for using high impedance type of loudspeaker connection or 42 for low impedance application. Factory preset: 100 V
- Zone Selector Terminal Terminal for zone selector (high impedance).
- MIC 1 Input Terminal —60 dB (1 mV), 600 0, electronically balanced. For phantom microphone type, see number 25. Phone plug uses double pole type, but also can use single pole type.
- MIC 1 Input Terminal for Chime Microphone Use this terminal for the connection of the Chime microphone (using RJ45 Plug)
- MIC 2 – 4 Input Terminals —60 dB (1 mV), 60012, electronically balanced. Because microphone input is balanced type, phone plug uses double pole type, but also can use even single pole type.
- AUX 1 & AUX 2 Input Terminal —20 dB, 10 ICI, unbalanced. Monaural RCA pin jack. Accept external equipment output signal.
- Recording Output 0 dB (1 V), 600 0, unbalanced. Output all input signals before the master volume control. Connect to a cassette deck, etc when recording the broadcast content.
- Input Selector Selecting to MIC 4 for using balanced —60 dB 6002 input, or selecting to AUX 1 for unbalanced —20 dB 10 ICI input. Factory preset: AUX 1
- Muting Level Control Adjust attenuating level from 0 to —30 dB. Factory preset: —30 dB (maximum muting level).
- Phantom Switch Selecting to ON position supplies power for condenser microphone from MIC 1. Be sure to select OFF when using the microphone that can not be operated on phantom power. The phantom power is 21 V DC. Factory preset: OFF
- Function Switch Selecting to left for using balanced connection —60 dB 600 2 input (phone jack), or selecting to right for using chime microphone input (RJ45). Factory preset: left (phone jack).
- Ground Terminal Connect to the ground (earth) to avoid electric shock.
- AC Power Cord Connect to an AC power source.
- CTRL IN Short Circuit this terminal, the amplifier can only use External input.
- EXT IN External input 0 dB, 10 kl) unbalanced.
EXPLANATION OF SYMBOLS
Front Panel
This symbol indicates a sleep mode or low power state. The switch does not 0 fully disconnect the device from its power supply. Push the button to turn on the power or into standby mode.
Rear Panel
Do not touch the parts indicated with this symbol These can provide a dangerous voltage that can result in death or serious personal injury when touching them.
Warning: This terrninaVthese terminal may provide a dangerous voltage. Do not touch it, otherwise, it may cause a serious personal injury or death!
This mark is a declaration that this product complies with all applicable EU directives and regulations.
This mark is a declaration that this product complies with all applicable UK directives and regulations.
Do not trash this device into normal waste. Use the foreseen electronic waste collection places.
This symbol stands for a functional earth terminal.
MUTING FUNCTION
MIC 1 has a priority function. When MIC 1 input is used it takes precedence and automatically attenuates the volume of MIC 2, MIC 3, MIC 4, MC 5, AUX 1 & AUX 2 inputs by 0 up to 30 dB, which is adjustable with the MUTE ADJ on the rear panel. The attenuation level is preset for —30 dB at the factory.
Remark: About the mute function
When a signal of MIC 1 appears, the mute circuit work promptly. When a signal of MIC 1 disappears, it returns to its previous state about 3 seconds later.
CONNECTIONS
6.1. Input Connections
• MIC 1 – 5 Connection (Phone Plug) Because MIC input is an electronically balanced type, it uses a double pole phone plug.
However, the microphone input circuit is in a condition of unbalance when using a single pole type. Since the state of unbalance is more vulnerable to noise generation, the recommended length of the microphone cable is at less than 10 meters.
• AUX Input Connection (RCA Pin Jack) Signal source (Tuner, Cassette Tape, etc)
• Chime Microphone Connection (Straight Ethernet Plug)

6.2. Speaker Connections
Impedances indicate at the terminal represent the total impedance (load) of the speaker system. Impedance can be switched from high impedance to low impedance (4 Ω).
Total impedance for 100 V line :
• 83 f2 (A-3212DZ-EB 10E, A-3212DZ-EB 4CE)
• 42 C2 (A-3224DZ-EB 10E, A-3224DZ-EB 4CE)
• 21 C2 (A-3248DZ-EB 10E, A-3248DZ-EB 4CE)
• Using Screw Terminal
6.3. Example of External Equipment Connections
Example of External Equipment Connections (4 mic input)

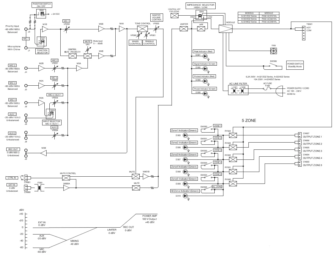
BLOCK AND LEVEL DIAGRAMS

DIMENSIONAL DIAGRAM
The dimensional diagram represents by A-3248DZ-EB 1 CE image. The outer dimension for all series is the same. Units: mm (inches)

SPECIFICATION
| Model no. | A-3212DZ-EB 10E A-3212DZ-EB 4CE | A-3224DZ-EB 10E A-3224DZ-EB 4CE | A-3248DZ-EB 10E A-3248DZ-EB 4CE | ||
| Power Source | 100 – 240 V AC- 50/60 Hz | ||||
| Power Consumption (EN 62368-1) | 44 W | 62 W | 99 W | ||
| Rated Ou put | 120 W | 240 W | 480 W | ||
| Input | MIC 1 | -60 dB*, 600 0, Balanced, Phone Jack, selectable to RJ45 | |||
| MIC 2 – 3 | -60 dB*, 600 0, Balanced, Phone Jack | ||||
| MIC 4 | -60 dB*, 600 0, Balanced, Phone Jack, selectable to AUX 1 | ||||
| AUX 1 | -20 dB*, 101(0, Unbalanced, RCA pin jack, selectable to MIC 4 | ||||
| AUX 2 | -20 dB*, 10k12, Unbalanced, RCA pin jack | ||||
| PRIORITY | OdB*, Unbalanced, removable terminal block | ||||
| Output | Speaker out | Speaker output in screw-type terminal | |||
| Direct Line (selectable) | 83 0 (1 00 v) | I 42 f2 (100 V) | I 21 CI (100 V) | ||
| 40 | |||||
| Zone Selection | 5 zone selector (all zones simultaneously selectable) | ||||
| Rec Out | 0 dB*, 6000, Unbalanced, RCA pin jack | ||||
| Control | Priority Control Input, removable terminal block | ||||
| Phantom Power | DC +21 V (MIC 1) | ||||
| S/N Ratio | Over 60 dB | ||||
| Total Harmonic Distortion | Under 1% at 1 kHz, 1/3 rated power | ||||
| Muting | Mic 1 : Mute other input signals by 0 – 30 dB attenuation | ||||
| Frequency Response | 50 – 20000 Hz | ||||
| Tone Control | Bass: ± 10 dB at 100 Hz Treble: ± 10 dB at 10 kHz | ||||
| Indicator | POWER, SIGNAL, PEAK, PROTECT | ||||
| Operating Temperature | 0 °C to +40 °C | ||||
| Ventilation | Fan Cooling | ||||
| Finish | Panel: ABS Resin, Black Case: Steel Plate, Black | ||||
| Dimensions | 420 (W) x 100.9 (H) x 357 (D) mm (16.54″ x 3.97″ x 14.06″) | ||||
| Weight | 4.6 kg (10.14 Ib) I | 4.9 kg (10.80 Ib) 1 | 5.0 kg (11.02 Ib) | ||
| Accessory | Removable terminal plug (2 pins) …. 7 | ||||
* 0 dB = 1 V
Note: Design and specification are subject to change without prior notice for improvement.

Traceability information for Europe and UK
Manufacturer :
TOA Corporation
7-2-1, Minatojima-Nakamachi, Chuo-ku, Kobe, Hyogo, Japan
Authorized representative Europe :
TOA Electronics Europe GmbH
Süderstraße 282, 20537 Hamburg, Germany
Authorized representative UK :
TOA CORPORATION (UK) Ltd.
Unit 7&8, The Axis Centre, Cleeve Road,
Leatherhead, Surrey, KT22 7RD, United Kingdom
URL: http://www.toa.eu
133-02-00588-00


















