REDBACK A 4260A 1X120W/1X240W Class D Mixer Amplifier
Product Information: A 4260A/A 4262A Public Address System
The A 4260A/A 4262A is a class D mixer amplifier with a power output of 1X120W/1X240W. It is designed for use in public address systems and features a range of functions and safety precautions.
Features:
- Class D amplifier technology for efficient and powerful performance
- 1 XLR microphone input and 2 RCA line inputs
- Bass and treble tone controls
- Remote control for easy operation
- Optimized for use with Redback’s range of speakers and other audio equipment
Product Usage Instructions
Before use, carefully read and understand the safety precautions outlined in the user manual.
Installation
- Install the A 4260A/A 4262A in a dry location away from water or other liquids to prevent fire or electric shock.
- Ensure the unit is connected to a power source with the correct voltage to prevent fire or electric shock.
- Avoid damaging or modifying the power cord and do not place heavy objects on it.
- After connection completion, replace the unit’s terminal cover to avoid electric shock.
- Ground the unit to the safety ground (earth) terminal and never ground to a gas pipe to prevent electric shock.
- Install the unit on a stable surface to prevent personal injury and/or property damage.
Operation
- Never open or remove the unit case as there are high voltage components inside. Refer all servicing to a qualified technician.
- Use the microphone input for connecting a microphone and the line inputs for connecting other audio equipment such as CD players or MP3 players.
- Adjust the volume, tone, and input selection using the controls on the front panel or the remote control.
- To avoid electric shock, never touch the speaker terminals and always turn off the power before connecting or disconnecting speakers.
By following these instructions, you can obtain optimum results from your A 4260A/A 4262A Public Address System. Keep this manual handy for future reference.
SAFETY PRECAUTIONS
- Be sure to read the instructions in this section carefully before use.
- Make sure to observe the instructions in this manual as the conventions of safety symbols and messages regarded as very important precautions are included.
- We also recommend you keep this instruction manual handy for future reference.
Safety Symbol and Message Conventions
Safety symbols and messages described below are used in this manual to prevent bodily injury and property damage which could result from mishandling. Before operating your product, read this manual first and understand the safety symbols and messages so you are thoroughly aware of the potential safety
WARNING: Indicates a potentially hazardous situation which, if mishandled, could result in death or serious personal injury.
CAUTION: Indicates a potentially hazardous situation which, if mishandled, could result in moderate or minor personal injury, and/or property damage.
When Installing the Unit
- Do not expose the unit to rain or an environment where it may be splashed by water or other liquids, as doing so may result in fire or electric shock.
- Use the unit only with the voltage specified on the unit. Using a voltage higher than that which is specified may result in fire or electric shock.
- Do not cut, kink, otherwise damage nor modify the power supply cord. In addition, avoid using the power cord in close proximity to heaters, and never place heavy objects — including the unit itself — on the power cord, as doing so may result in fire or electric shock.
- Be sure to replace the unit’s terminal cover after connection completion. Because high voltage is applied to the speaker terminals, never touch these terminals to avoid electric shock.
- Be sure to ground to the safety ground (earth) terminal to avoid electric shock. Never ground to a gas pipe as a catastrophic disaster may result.
- Avoid installing or mounting the unit in unstable locations, such as on a rickety table or a slanted surface. Doing so may result in the unit falling down, causing personal injury and/or property damage.
When Installing the Unit
- Never plug in nor remove the power supply plug with wet hands, as doing so may cause electric shock.
- When unplugging the power supply cord, be sure to grasp the power supply plug; never pull on the cord itself. Operating the unit with a damaged power supply cord may cause a fire or electric shock.
- When moving the unit, be sure to remove its power supply cord from the wall outlet. Moving the unit with the power cord connected to the outlet may cause damage to the power cord, resulting in fire or electric shock. When removing the power cord, be sure to hold its plug to pull.
- Do not block the ventilation slots in the unit’s cover. Doing so may cause heat to build up inside the unit and result in fire.
- Avoid installing the unit in humid or dusty locations, in locations exposed to the direct sunlight, near the heaters, or in locations generating sooty smoke or steam as doing otherwise may result in fire or electric shock.
When the Unit is in Use
- Do not place heavy objects on the unit as this may cause it to fall or break which may result in personal injury and/or property damage. In addition, the object itself may fall off and cause injury and/or damage.
- Make sure that the volume control is set to minimum position before power is switched on. Loud noise produced at high volume when power is switched on can impair hearing.
- Do not operate the unit for an extended period of time with the sound distorting. This is an indication of a malfunction, which in turn can cause heat to generate and result in a fire.
- If dust accumulates on the power supply plug or in the wall AC outlet, a fire may result. Clean it periodically. In addition, insert the plug in the wall outlet securely.
- Switch off the power, and unplug the power supply plug from the AC outlet for safety purposes when cleaning or leaving the unit unused for 10 days or more. Doing otherwise may cause a fire or electric shock.
An all-pole mains switch with a contact separation of at least 3 mm in each pole shall be incorporated in the electrical installation of the building. Due to product upgrades, while some of the features and specification in the user manual does not match the actual functions, sorry for any inconvenience and thanks for your kind understanding!
GENERAL DESCRIPTION
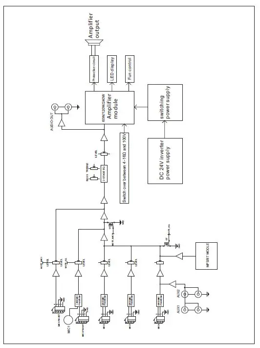
This is mixer amplifier with MP3/TUNER/Bluetooth, adopting high-performance switching power supply and class D power amplifier chip combination; 1U chassis design, high efficiency, light weight, beautiful appearance.
Spacification
- MP3 decoding module supports USB / SD / Bluetooth / FM playback automatically switch. Configure
- MP3 remote control; support power-off memory and MIC recording function.
- Support 1 channel EMC input, 2 AUX input, 4 MIC input.
- Each channel has volume control function, master volume controls and bass/treble tone control
- With level indicator, overload and protection indicator; a good short circuit, overload, overheating protection.
- With mute, MIC input, MIC prior to line input; mute and MIC1 prior to other audio input, EMC prior to all audio input.
- Channel priority :EMC> MIC1> MIC2 / MIC3 / MIC4 / AUX1 / AUX2 / MP3.
- The use of advanced and high performance power amplifier circuit, speaker output is 100V, 4 -16Ω; rated output power 120W and 240W.
- With forced air-cooling fan from front to back, starting up in uniform speed rotation, then speed up when with the temperature is increasing; to meet the long working hours.
- With 24V DC power interface for DC 24V backup or optional.
- 1U chassis design, high efficiency, light weight, beautiful appearance.
FUNCTIONS
FRONT PANEL
- SD / MMC card slot
- PREV / VOL reduce
- Playback / Pause
- Next / volume plus
- MP3 mode selection
- MIC1 volume control knob
- MIC2 volume control knob
- MIC3 volume control knob
- MIC4 / AUX1 volume control knob
- AUX2 volume control knob
- BASS adjustment potentiometer
- TREBLE adjustment potentiometer
- Master volume control
- PROT/100V/4-16Ω/CLIP/SIG status indicators
- The power switch
- The power indicator
- LED display
- USB interface

Remote control
- Power switch
- Mode
- Previous/next
- Volume increase/decrease
- 0~9 number button
- Play/pause
- Sound effect control
- Mute
- Cycle play button
- Stop

Normal usage distance of remote control:
Remote control use distance: In the case of no obstructions, usually remote control distance is 8 meters; remote control angle: horizontal ± 35 degrees, vertical ± 15 degrees are valid.
Remote control usage attention:
- When install battery, please mind electrode.
- Please let remote control aim right with window of host machine.
- When found remote distance get short and insensitive, please change battery.
- Please take out battery when don’t use it for a long time.
- Take it easy in case of falling.
REAR PANEL
- AC power input socket
- 100V/4-16Ω output interface
- 100V / 4-16Ω speaker output switch
- Cooling fan
- Line output interface, used to connect the line input interface
- 2 channel AUX input interface, used to connect AUX output interface
- Line input /Mic input /Phantom power switch for MIC4
- MIC4 Balance input
- Line input /Mic input /Phantom power switch for MIC3
- MIC3 Balance input
- Line input /Mic input /Phantom power switch for MIC2
- MIC2 Balance input
- MUTE control switch
- Line input /Mic input /Phantom power switch for MIC1
- EMC input interface
- MUTE signal input port
- FM radio antenna interface
- MIC1 Balance input
- 24V DC power interface

OPERATION ILLUSTRATION
- Connect the speakers:
- When the 100V and 4 -16Ω selector switch to 4- 16Ω position, as shown below:
- ②W hen the 100V and 4 -16Ω selector switch to 100V position, as shown below:
Note:- Before connecting the speakers, please make sure that the equipment is powered off. In the case of power on, may have the risk of electric shock.
- Please make sure there are no applied load to the speaker cables.
- During the installation of speakers, please make sure that the sum of the rated input power of the speakers to be connected is less than rated power of equipment.
- Connect external devices
- Please ensure that the equipment and all equipment will be connected are powered off.
- Using the corresponding cable to connect this equipment and other external equipment.
- Connect the power line and turn it on:
- Please make sure that the power switch of equipment and its connected equipment are turned off (in the OFF position).
- Turn the volume knob to the left
- Connect the supplied power line to the AC IN interface
- Plug the power line into the applicable socket
- Turn on the connected equipment (CD player, etc.), and then turn on the equipment.
Note:- Before powering on, please check and make sure there is no problem with the cable and connection.
- When you turn off the system, turn off the equipment, and then turn off the connected equipment.
- Microphone using:
- Turning the volume knob to the left, Connect the microphone and microphone input interface.
- Turning the volume knob in the right position.
- Facing the microphone and Speak loudly, turn the volume knob to the right, until the output signal no longer distortion. If input is high but output is low voice, and then increase the volume by using the volume knob.If the speaker volume is very high, then reduce the volume by using the volume knob.
- Shutdown the system:
- Turning the volume knob to the left until the minimum position.
- Turning off the panel power switch of the professional power amplifier, at 0ff.In turn shutoff processor equipment and audio source equipment.
Note:- Turn off the power switch, Please wait about 5 seconds before turning on again. Continuous rapid turning on and off the power switch,it will lead to equipment failure.
- Even the switch is in the off status, there will be a little current in equipment. If it won’t use the equipment in a long time, please unplug the power cord from the wall AC socket.
- Built-in MP3 player operation method:

- USB and SD card interface with functions of “priority to automatically play audio.
- MODE” button: press the “MODE”: choose radio, bluetooth or audio playback.
” button: If press quickly ,it is last song; Long press is the volume decrease.
“ button: When playing music, press one time quickly is pause, press again is play.
” button: If press quickly, it is next song; Long press is the volume increase.
Note:- When using the built-in MP3 player buttons, please pay attention the strength when control, avoid excessive force to cause damage of MP3 player button.
- When insert SD card or USB interface, Please insert in a right way, avoid the wrong way or too hard to cause the damage of the SD card or USB interface.
- Mobile phone bluetooth operation method:
- Press the “MODE” button on the MP3 player and set to bluetooth MODE.
- Enter the mobile phone Settings, find the bluetooth related Settings.
- Click on the bluetooth switch, turn on the bluetooth, if already turned on, then ignore. Because mobile phone system is different, setting interface may be a little different.
- Pay attention, after turn on bluetooth , you must be set to let all the devices are detected when search the bluetooth paired phone , or may not be able to complete the search match.
- When search the target device, click it,it will connect automatically, once connect successfully, it can normally play mobile phone music.
- MP3 module recording function description:
- Insert SD card or USB device into the corresponding interface of MP3 module.
- Long press the “play / pause” button on the MP3 module for 3 seconds to enter the recording mode.
- After recording ends, press “MODE” button to save and start to play the recording file.
- User can press the last song and the next song button to play the required recording file.
- Operation instruction for MIC/MIC2/MIC3/MIC4 input switch:
As shown in the right picture, the input switch included: line input, Mic input, Phantom power supply.- When switch to Line input, you can input the source from such as CD, VCD, DVD and some other external audio equipment.
- When switch to the MIC input, you can use the electret condenser microphone.
- When switch to PHANTOM, the input interface with 48V phantom power supply, you can use the condenser microphone.

TROUBLESHOOTING
APPLICATIONS
REAR PANEL CONNECTIONS
BLOCK DIAGRAM
SPECIFICATIONS
DIMENSIONAL DIAGRAM
Keep the unit’s all sides over 1 O cm away from objects that may obstruct air flow to prevent the unit’s internal temperature rise.
Please follow the instructions in this manual to obtain the optimum results from this unit. We also recommend that you keep this manual handy for future reference.





Note:






















