ODW-730-F2 Fibre Optic Modem
USER GUIDE
Industrial Converter RS-485 to Fibre Optic Link Repeater, line and redundant ring
General information
Legal information
The contents of this document are provided “as is”. Except as required by applicable law, no warranties of any kind are made in relation to the accuracy and reliability or contents of this document, either expressed or implied, including but not limited to the implied warranties of merchantability and fitness for a particular purpose. Westermo reserves the right to revise this document or withdraw it at any time without prior notice.
Under no circumstances shall Westermo be responsible for any loss of data or income or any special, incidental, and consequential or indirect damages howsoever caused.
More information about Westermo can be found at www.westermo.com
Safety and Regulations
Warning signs are provided to prevent personal injury and/or damages to the product. The following levels are used:

Before installation:
Read this manual completely and gather all information on the product. Make sure that you understand it fully. Check that your application does not exceed the safe operating specifications for this product.
WARNING – SAFETY DURING INSTALLATION
The product must be installed by qualified service personnel and built in to an apparatus cabinet or similar, where access is restricted to service personnel only.
WARNING – HAZARDOUS VOLTAGE
Do not open an energized product. Hazardous voltage may occur when connected to a power supply.
WARNING – PROTECTIVE FUSE
It must be possible to disconnect manually from the power supply. Ensure compliance to national installation regulations. Replacing the internal fuse must only be performed by Westermo qualified personell.
CAUTION – CLASS 1 LASER PRODUCT
Do not look directly into a fibre optical port or any connected fibre, although the product is designed to meet the Class 1 Laser regulations and complies with 21 CFR 1040.10 and 1040.11.
CAUTION – ELECTROSTATIC DISCHARGE (ESD)
Prevent electrostatic discharge damages to internal electronic parts by discharging your body to a grounding point (e.g. use a wrist strap).
CAUTION – HANDLING OF SFP TRANSCEIVERS
SFP transceivers are supplied with plugs to avoid contamination inside the optical port. They are very sensitive to dust and dirt. If the fibre is disconnected from the product, the protective plugs on the transmitter/receiver must be connected. The protective plugs must be kept on during transportation. The fibre optics cables must be handled the same way.
Care recommendations
Follow the care recommendations below to maintain full operation of product and to fulfill the warranty obligations:
- Do not drop, knock or shake the product. Rough handling above the specification may cause damage to internal circuit boards.
- Use a dry or slightly water-damp cloth to clean the product. Do not use harsh chemicals, cleaning solvents or strong detergents.
- Do not paint the product. Paint can clog the product and prevent proper operation.
If the product is used in a manner not according to specification, the protection provided by the equipment may be impaired.
If the product is not working properly, contact the place of purchase, nearest Westermo distributor office or Westermo technical support.
Cleaning of the optical connectors
In the event of contamination, the optical connectors should only be cleaned by the use of recommended cleaning fluids and correct cleaning equipment.
Recommended cleaning fluids:
- Methyl-, ethyl-, isopropyl- or isobutyl-alcohol
- Hexane
- Naphtha
Product disposal
This symbol means that the product shall not be treated as unsorted municipal waste when disposing of it. It needs to be handed over to an applicable collection point for recycling electrical and electronic equipment.
By ensuring this product is disposed of correctly, you will help to reduce hazardous substances and prevent potential negative consequences to both environment and human health, which could be caused by inappropriate disposal.
Declaration of Conformity
Hereby, Westermo declares that this product is in compliance with applicable EU directives and UK legislations. The full declaration of conformity and other detailed information is available at www.westermo.com/support/product-support.
Agency approvals and standards compliance
| Type | Approval / Compliance |
| EMC | EN 61000-6-1, Immunity residential environments |
| EN 61000-6-2, Immunity industrial environments | |
| EN 61000-6-3, Emission residential environments | |
| EN 61000-6-4, Emission industrial environments | |
| EN 50121-4, Railway signalling and telecommunications apparatus | |
| IEC 62236-4, Railway signalling and telecommunications apparatus | |
| DNV Standard for Certification no. 2.4 | |
| Safety | UL/CSA 60950-1, IT equipment |
FCC Part 15.105 Notice:
This equipment has been tested and found to comply with the limits for a Class A digital device, pursuant to Part 15 of the FCC Rules. These limits are designed to provide reasonable protection against harmful interference when the equipment is operated in a commercial environment.
This equipment generates, uses, and can radiate radio frequency energy and, if not installed and used in accordance with the instruction manual, may cause harmful interference to radio communications. Operation of this equipment in a residential area is likely to cause harmful interference in which case the user will be required to correct the interference at his own expense.
Type tests and environmental conditions

Functional description

Converter serial interface – optical fibre
ODW-730 is a fibre optic modem that converts between electrical RS-485 and a fibre optical link.
ODW-730 can also be used to convert from RS-485 to RS-232 by using a ODW-730 in the same link as ODW-720.
Repeater – optical fibre links
ODW-730 is a fibre optic repeater that repeats received data from one fibre link out to the other link. This is useful e.g. for long distance communication, where electromagnetic interference may occur or when isolation of the electrical network is needed. The maximum optical fibre distance depends on selected fibre transceiver and fibre type. Distances up to 80 km (50 miles) are available.
Interface specifications

Branch circuit protection (fuse) is required for this unit with rating not exceeding 20 A. Product should be connected to UL Listed power supplies rated 12 – 48 VDC, min 500 mA or 24 VAC, min 500 mA or reliably grounded DC SELV source.

Location of Interface ports, LED’s and DIP-switches ODW-730-F2

LED indicators

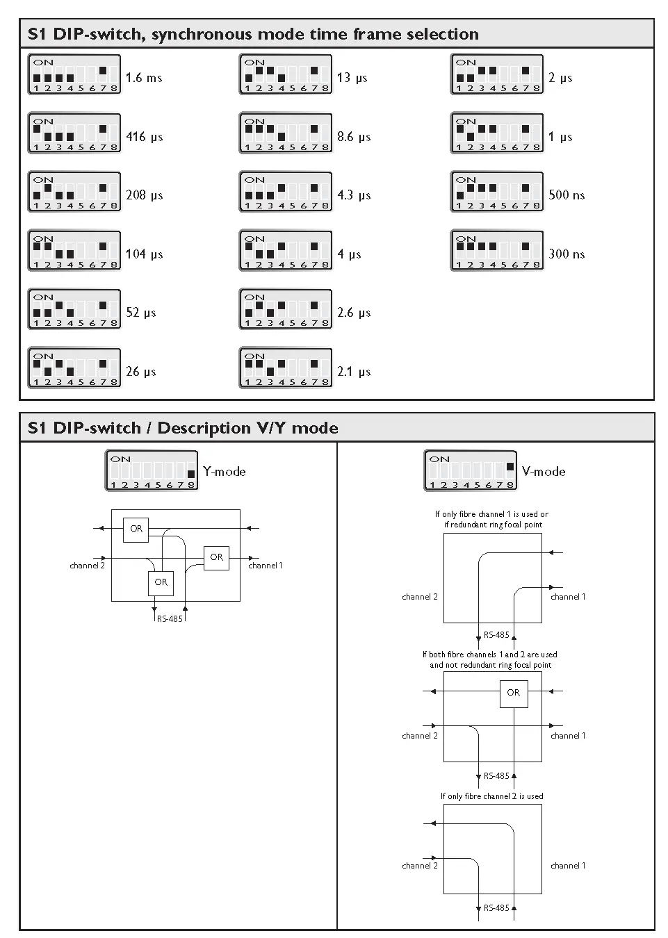
DIP-switch settings



RS-485 termination at system level
The system should be installed in according to the RS-485 specification. A system should always form a bus structure where the termination is at the end points of the bus. See diagrams for details of how this is done with RS-485 2-wire and 4-wire.

About the interfaces
Power terminal
The power terminal has two independent inputs, +VA and +VB, allowing redundancy should either fail. The ODW-730 power supply is galvanically isolated from all other internal electronics.
Optical fibre interfaces
ODW-730 uses Small From Factor Pluggable (SFP) transceivers that are in compliance with the Multi-Sourcing Agreement (MSA). This means that a wide range of different fibre tranceivers and connectors can be used.
RS-485 interface
A 4 position detachable screw terminal that can handle full duplex data rates up to 1.5 Mbit/s and can be set to either 2- or 4-wire RS-485 system.
When 4-wire RS-485 is selected, the terminals T/R+ and T/R– will always be set to transmit and terminals R+ and R– will always receive data. Manchester coded protocol can be tranferred with Synchroous mode.
Status port
The status port connects to an internal relay wich may be used to trigger an external alarm if a fault condition occurs. During normal operation pins 1 and 2 are in contact with each other, and pins 2 and 3 are isolated. During an optical link failure, or power failure, pins 1 and 2 are isolated, and pins 2 and 3 are in contact with each other.
Optical link failures can be classified in to two categories, local or remote, as indicated by the FL L and FL R LED’s. A local link failure is when an optical link is down at this particular unit. A remote link failure is when an optical link is down at some other unit.
From the factory, the status port is set to trigger on both types of link failures. However, by setting DIP-switch S2:6 to the ON position, the status port will only trigger when a local link failure has occured.

Referring documents
For detailed information on how to configure the ODW-730-F2 for different applications
Type : Management Guide
Description: Management Guide
Document number: ODW-730-F2 6651-2255
Westermo • Metallverksgatan 6, SE-721 30 Västerås, Sweden
Tel +46 16 42 80 00 Fax +46 16 42 80 01
E-mail: [email protected]
www.westermo.com
REV. N 6651-2251 2021-05 Westermo Network Technologies AB, Sweden



















