FIAMMA F45 Eagle Self Supporting Motorcaravan Awnings

Product Parts


Characteristics
- Power Supply 12 V
- Absorbed power 144 W
- Protection fuse T 6,3A L 250V
- General protection fuse 12 A
- Operating temperature + 5°C / + 50°C
Installation instructions
Check that nothing has been damaged or deformed during transport. In the event of doubts or questions concerning the installation, use or limitations of the product, contact the dealer. We recommend that the installation is carried out by qualifi ed personnel and in compliance with current local regulations.
- Mounting the adapter
- Mounting the awning on the brackets
- Electrical connection diagram
- Fixing and wiring of the control unit Control Unit (CU) inside the vehicle with relative wiring
- Connection of the Sismic Sensor (SS)
- Connect the control unit wires to the various users
- General test of the electrical operation
- Mounting the motor covers
- Use of the Product
- Inclination adjustment
MOUNTING THE ADAPTER
F45 Eagle is a special awning with self supporting arms: make sure that the wall of the vehicle is solid enough to support the awning and its pressures; use only the adapter especially designed for this product (SUPPLIED TOGETHER WITH THE AWNING).
INSTALLATION ON ADAPTER
Ensure that the adapter is mounted linearly and do not present curves or deformation due to the vehicle: in these cases, shim appropriately to ensure the linearity of the bracket. The installation of the awning can occur only when the adapter is perfectly aligned to the wall of the vehicle.
To install the bracket pls. follow the installation instructions.

MOUNTING THE AWNING ON THE ADAPTER
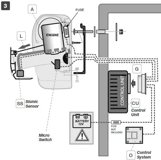
ELECTRICAL CONNECTION DIAGRAM.
FIXING AND WIRING OF THE CONTROL UNIT (CU) INSIDE THE VEHICLE WITH RELATIVE WIRING
Fix the Control Unit inside the vehicle by the motor. The Control Unit is equipped with an electric safety system that, together with the micro-switch and the fuse (both supplied) guarantees the reliable functioning of the awning. Before wiring, make a cable outlet on the back of the engine rear cover and run the cables of the sensor, of the motor and the micro-switch.
CONNECTION OF THE SENSOR SISMIC (SS)
Position and fix the Sismic Sensor, inside the lead bar with tape. Insert the wire of the sensor along the housing of the arm blocking it with sheath L, go on to motor and then cut the cable. To connect the Sismic Sensor open the cover and connect the cable from the controller. Adjust the cylinder of the sensor, positioning the arrow up, close the lid and fix everything on the front bar of the awning with double sided tape or glue.

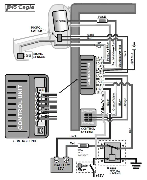
CONNECT THE CONTROL UNIT WIRES TO THE VARIOUS USERS Supply connection 12V
This product works at 12V , never connect to a different voltage. For safety reasons it is advisable to always disconnect the battery in the vehicle and therefore to work without current during installation. Choose the safest and shortest installation route for the power cable. Reduce the length of the power cable as needed. Use only cable clamps suitable for the diameter of the power cable for the connection to the terminal box. If incorrect terminals are used, this may cause a voltage drop and increase heat generation on the terminal.
The manufacturer shall not be held liable for claims for damages arising from the following:
- Faulty installation or connection of the product.
- Product damage caused by mechanical infl uences and overvoltage.
- Changes to the device without the express authorisation of the manufacturer. For safety reasons we advice to make the electric connections as indicated on the diagram. When the ignition key is turned, the relay (*not supplied) cuts off the current to the electric motor, to avoid any accidental opening of the awning when the vehicle is moving. The motor / motor + control unit system must be powered with a power line protected by a 12 A fuse. The motor is equipped as standard with a fuse to prevent damage. In case of problems the fuse trips and disconnects the circuit. Never put a fuse of different value from the one supplied (fuse 5×20 T 6,3A L 250V). Never operate the product without a fuse.


Supply connection 12V
Engine connection
Micro Switch connection
Connection of the Sismic Sensor
Control System connection
Connection of the yellow cable
Connecting the yellow cable, as shown in the diagram, all functions of the control unit will be disabled (opening, closing, automatic closing) vehicle started.
Connection of the blue cable
Light blue cable specifi c for Airstream vehicles. (Buzzer)
GENERAL TEST OF THE ELECTRICAL OPERATION.
After making all electrical connections, before fi xing the motor covers, restore the current to 12V and do a general test of operation, performing the following tests:
- make sure that the awning opens when the switch is in EXTEND position and that it closes when the switch is in RETRACT position; on the contrary, invert the polarity;
- open the awning completely. Then close it and make sure the micro switch interrupts the movement if it is pressed. Otherwise, act on the microswitch by adjusting it with a clamp (1). Do not disconnect or change the micro switch on the end cap. On the contrary, warranty will be no longer valid. Do not put your hands in the mechanical parts of the awning, when the awning is moving. Make sure there are no obstacles in closing or opening the awning that prevent or slow down the movement. In case of engine failure, use crank handle D delivered as standard with the awning.


MOUNTING THE MOTOR COVERS

USE OF THE PRODUCT
STANDARD OPERATION
The Control system key opens or closes the awning; taking your fi nger away from the button, the movement stops. Do not put your hands in the mechanical parts of the awning, when the awning is moving.
AUTOMATIC OPERATION
The EAGLE is equipped with the Sismic Sensor that, when the awning is open, detects the oscillatory movements of the front bar and, when the movement exceeds the set threshold (eg In case of strong wind), automatically closes the awning so as to preserve it. During the automatic closing of the awning, don’t stop the movement! You can’t stop nor reopen it. Once stopped the closing cycle, with the lead bar closed, you can reopen the awning. Given the automatic operation, make sure there are no obstacles during the closing.The lead bar must close completely and the Micro-switch must be activated to interrupt the motor. If this is not the case, contact a service centre as a matter of urgency In case that the movement doesn’t stop, you could indentify why the Microswitch doesn’t work (because is not connected or defective); in this case the lead bar will fi nish the operation until the closing and it will trigger the protection fuse (that will safeguard the electrical system). While closing of the lead bar automatically, do not insert your hands or objects that can hamper the movement. Pay attention even to non – visible objects (F.I. branches above the awning Fabric) that can hamper the movement even before that the Microswitch takes action; in this case the protection fuse triggers and safeguard the electrical system. Once the fuse triggers, it must be replaced with an identical (Fuse T 6.3 A L 250 V). Never use a different fuse. We recommend that you carry a spare fuse at all time. In these cases, we always recommend that you contact the Service Centre. Regulation of the sensivity of the sismic sensor The potentiometer for sensitivity adjustment controls the sensitivity of the Sismic Sensor so as to be able to operate on this parameter; higher numbers lower the sensitivity and vice versa. The factory set value is 5; setting on 0 (zero) you turn off the sensor.
MANUAL OPERATION
It is possible to close the awning by passing the 12V operation (with the Control System); to do this, please use crank handle D delivered as standard.


Before leaving, make sure the awning is correctly closed.
INCLINATION ADJUSTMENT
The inclination of the awning is fixed in advance, but you can change it according to your needs; follow the instructions:
- Lightly loosen screw A.
- Completely unscrew the stop screw C.
- Operate on screw B: rotating clockwise, the arm rises and the inclination decreases; rotating anticlock wise the effect is the opposite.
- Check the degrees indicator D to verify the correspondence of the inclination of the two arms. In case of need, repeat the same operation on the left side.
- Then operate inside the lead bar, unscrew the two screws T and rotate the stop plate in the position(see drawings) of the number of degrees fixed in advance.


We remind you that the awning is a sun protection, so please close your awning in case of rain, wind or snow.
In case of problems please contact your local dealer indicating the data on the nameplate. Consult our website for spare parts drawing.
Read the following instructions and warnings carefully; failure to observe these installation and usage instructions as well as the laws for driving in the relevant country may cause severe harm or damage for which the manufacturer declines all responsibility. Keep the original packaging to be used in case of return
- Before installation, ensure compatibility with the vehicle on which the product must be installed. Checking that the wall/roof is sufficiently solid and suitable for guaranteeing the resistance of the anchoring points is always mandatory. If not, grip and compliance with the maximum load indicated in the instructions are not guaranteed and it will be necessary to reinforce it.
- Before leaving, make sure the awning is correctly closed. A damaged fabric does not allow the awning to perfectly roll in. Never use the awning with a damaged canopy.
- Periodically check the fixing status of the brackets, especially after having traveled the first Kms from the assembly and every time before and after long journeys, making sure that they have not moved and that the tightening is correct.
- Always comply with speed limits and the Highway Code. The speed should always be suitable to traffic conditions and towed load.
- The awnings are produced with a high-quality standard, but some of the characteristics of the materials (as little imperfections on paint or linearity of aluminum profiles; little marks or light deformations of plastic parts), which could be interpreted as defects, derive from the materials and from the specifi c work processes, and these characteristics occur even though Fiamma uses advanced and innovative machine production techniques.
- Apart from our strict quality controls, we also have our fabrics continuously controlled by independent institutes to ensure that the fabric is tear-resistant, they can hold the weight of water, the colors don’t fade and it is resistant against atmospheric agents.
- To guarantee perfect quality, the fabrics are waxed or laminated several times.
- During this operation, single-colored pigments could move and thus create small bright spots in the material, which are only irregularities that are technically inevitable to avoid but do not compromise the impermeability of the fabric.
MAINTENANCE INSTRUCTIONS
Make sure that your awning is completely dry and clean before closing it. The remaining humidity could cause stains. If however, you have no choice but to close the awning when it is still wet, make sure to open it for drying within 12 hours maximum. Most of the dirt is superficial and can be removed with clean water and a cloth or a brush. If the fabric is very dirty, add some light cleaning detergent (Marseille soap). Be aware never to use any aggressive chemical substances and never to clean the fabric with a high-pressure machine. We recommend not to use the awning at a temperature below 0°C. You are advised not to wash the outer covering of the awning with an aggressive product that could alter the surface finishes or the materials. If the awning is more than 100 mm out of the vehicle shape, the presence of the awning must be recorded in the vehicle’s registration documents (DIN 75303 – 2019).

Warranty Fiamma. In case of defects with regards to materials and manufacturing, the customer is entitled to the warranty in accordance with local laws and regulations of the country in which the product was purchased.
EU Declaration of Conformity (DoC)
We,
Company name: Fiamma S.p.A.
Postal address: Via San Rocco, 56
Postcode and city: Cardano al Campo – (Varese)
Telephone number: 0311/709111
E-mail address: [email protected]
Declare that the DoC is issued under our sole responsibility and belongs to the following product:
Apparatus model / Product: Awnings motor kit
Trademark: Fiamma
Model / Type:
- 06472x01y F45 L Eagle Polar
- 07640x01y F45 L Eagle Black
- 07640x15y F45 L Eagle Black P.W.
- 07755x01y F65 L Eagle Polar
- 07755x15y F65 L Eagle Polar P.W.
- 07756x01y F65 L Eagle Titanium
- 07756x15y F65 L Eagle Titanium P.W.
- 07757x01y F65 L Eagle Black
x = – dimension
y = – fabric colors
The object of the declaration described above is in conformity with the relevant Union harmonization legislation:
- 2014/30/EU Electro Magnetic Compatibility Directive (EMCD).
- 2014/35/EU Low Voltage Directive (LVD).
- 2011/65/EU Restriction of the use of certain hazardous substances Directive (RoHS Directive).
- ECE/ONU/R10 Uniform provisions concerning the approval of vehicles with regard to electromagnetic compatibility – R10.
- EN 55014-1:2006 + A1:2009+ A2:2011 – RCM.
- EN 61000-3-2:2014 – RCM.
- EN 61000-3-3:2013 – RCM.
- EN 55014-2:2015 – RCM.
The following harmonized standards and/or technical specifications have been applied.
Fiamma S.p.A. – Italy
Via San Rocco, 56
21010 Cardano al Campo (VA)
All rights reserved. Fiamma S.p.A. reserves the right to modify at any time, without notice, prices, materials, specifications and models or to cease production of any model.

























