TIG Welder AC/DC 3 in 1 TIG/MMA/ARC Welding Machine
User Manual
This welding machine for industrial and professional use is in conformity with IEC 60974 International Safety Standard.
Please read and understand this operator’s manual carefully before the installation and operation of this machine.
The contents of this manual may be revised without prior notice.
This operator’s manual is issued in September 2015.
SAFETY
Welding is dangerous, and may cause damage to you and others, so take good protection when welding. For details, please refer to the operator safety guidelines in conformity with the accident prevention requirements of the manufacturer.
![]() | Professional training is needed before operating the machine.
|
![]() | Electric shock—may lead to serious injury or even death.
|
![]() | Smoke & gas—may be harmful to health.
|
![]() | Arc radiation—may damage eyes or burn skin.
|
![]() | Improper operation may cause fire or explosion.
|
![]() | Hot workpiece may cause severe scalding.
|
![]() | Noise may be harmful to people’s hearing.
|
![]() | Magnetic fields affect cardiac pacemaker.
|
![]() | Moving parts may lead to personal injury.
|
![]() | Please seek professional help when encountering machine failure.
|

MAIN PARAMETER
| MODEL | TIG160S TIG160S11 | TIG200S TIG200S II | TIG180A TIG180a | TIG200A TIG200A | TIG180P TIG180PII | TIG200P TIG200PII | |||
| Input voltage (V) | Single-phase | AC220V/AC230V | ±15% | ||||||
| Frequency (Hz) | 50/60 | ||||||||
| Input current (A) | 15 | 21 | 18 | 18 | 18 | 21 | |||
| No-load voltage (V) | 42 | 42 | 56 | 56 | 56 | 56 | |||
| Output current range | 10–160A | 10–200.’. | 10–180A | 10-180A | 10-180A | 10-200A | |||
| Rated voltage (V) | I6.4V | I8V | 17V | 17V | 17V | I8V | |||
| Post-flow time (S) | 2.5, 5 | 2.5, 5 | ‘2.5. 5 | 2.5, 5 | 5 | 5 | |||
| Arc force range | — | — | Automatic | Automatic | Automatic | ||||
| Duty cycle | 60% | ||||||||
| No-load loss (W) | 35 | 135 | :0 | 140 | 10 | 40 | |||
| Arc ignition | HF | ||||||||
| Pulse frequency (Hz) | — | — | — | — | LF: 2.5 MF: 200 | LF: 2.5 NF: 200 | |||
| Efficiency | 85% | ||||||||
| Power factor | 0.93 | ||||||||
| Insulation class | B | ||||||||
| Protection class | 1P23 | ||||||||
| Weight (kg) | 8 | 19 | 8 | 18 | 19 | 19 | |||
Note: The post-flow time of TIG160SⅡ, TIG200SⅡ, TIG180AⅡ and TIG180PⅡ is 1~10s adjustable.
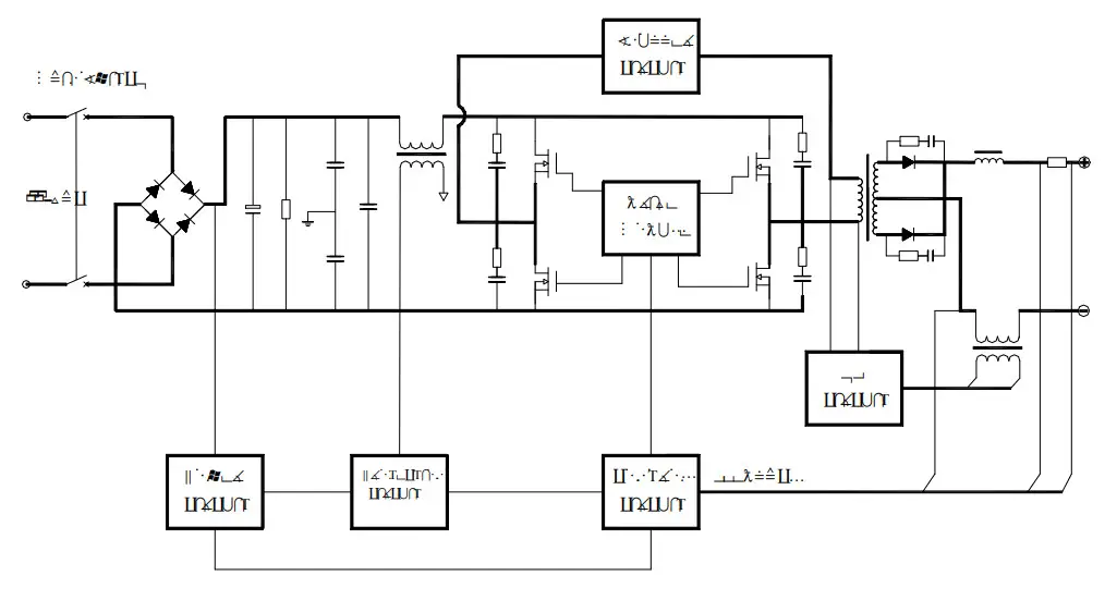
Schematic block diagram (single-phase input)
| MODEL | TIG250/ (TIG250 single-phase) | TIG300S/ (TIG300S single-phase) | TIG300 | TIG400 |
| Input voltage (V) | 3-phase AC380V±15% (Single-phase AC200V±15% for TIG250 single-phase and TIG300S single-phase) | |||
| Frequency (Hz) | 50/60 | 50/60 | 50/60 | 50/60 |
| Input current (A) | 9/5/29 | 12/5/38 | 13. | 20. |
| No-load voltage (V) | 70/62 | 42 | 70 | 80 |
| Output current rang, | 10-250A | 10–300A | 10-300A | 25-400A |
| Rated voltage (V) | 20V | 22V | 22V | 26V |
| Arc force range (A) | 0-100/0-60 | — | 0’100 | 0-100 |
| Post-flow time (S) | 10 (Adjustable) | 5 | 10 (Adjustable) | 5 |
| Duty cycle | 60% | 60% | 60% | 60% |
| No-load loss (W) | i0 | 40 | 60 | 100 |
| Arc ignition | HF | HF | HF | HF |
| Efficiency | 85% | 85% | 85% | 85% |
| Power factor | 0.93 | 0.93 | 0.93 | 0.93 |
| Insulation class | F | F | F | F |
| Protection class | IP23 | IP23 | IP23 | IP23 |
| ISeight (kg) | 19 | 19 | 22. | 27 |
Note: Single-phase 230V type and 3-phase 380V type are available on TIG250 and TIG300S.
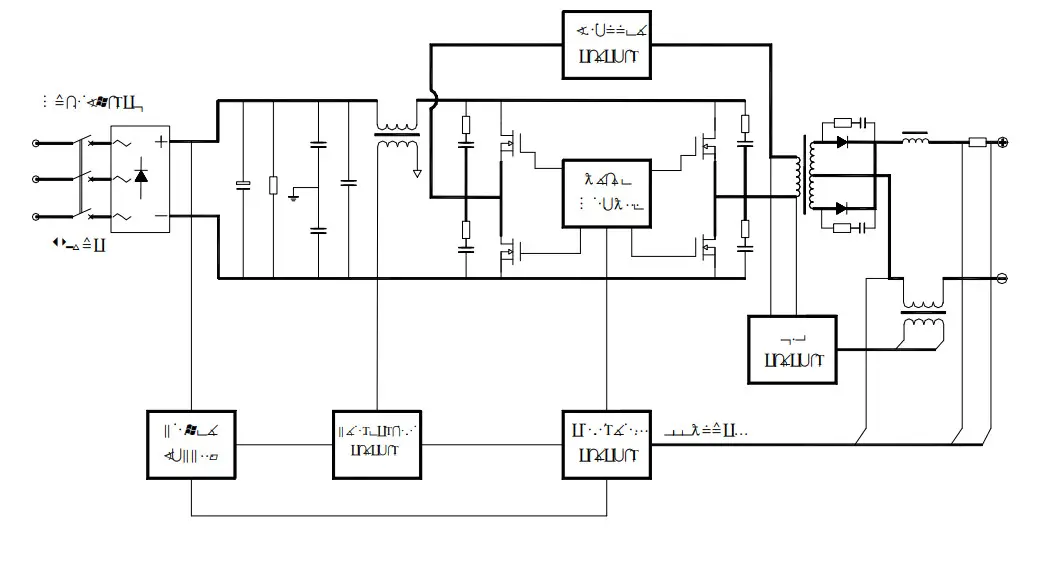
Schematic block diagram (3-phase input)
INSTALLTION & OPERATION
To reduce voltage drop, it is suggested to use cable with bigger cross section when the output cable is relatively long. If the torch cable is too long, the performance of this welding machine such as arc ignition will be possibly affected because the inner resistance of the cable will reduce the output voltage.
4.1 The connection of the input cable.
- A primary power supply cable is available for this welding machine. Connect the power supply cable to the rated input power. (Ground connection is needed for safety purpose.)
The input voltage of TIG160 /180/200 is single-phase 230V, and the input voltage of TIG250/300/400 is 3-phase 380V. - The primary cable should be tightly connected to the correct socket to avoid oxidization.
- Check whether the voltage value varies in acceptable range by using a multi-meter.
4.2 The connection of output cable.
TIG: Applicable to TIG160S/TIG200S
- Correctly connect the TIG torch according to the above drawing. Connect the gas-electric connector of the TIG torch to the corresponding connector (2a) on the machine panel, and tighten it clockwise.
- Connect the aviation plug on the TIG torch to the corresponding socket (2b) on the machine panel, and tighten it clockwise.
- Insert the quick plug on the earth cable into the “+” quick socket (2c) on the machine panel, and tighten it clockwise. Clamp the workpiece with the earth clamp at the other end of the earth cable.
- Tightly connect the gas hose to the gas inlet on the back panel of the machine. The gas path should include the cylinder, gas regulator and gas hose. The joint with the hose should be tightened with a hoop to prevent gas leakage and air mixing. Otherwise, weld bead cannot be well protected.
- The enclosure of the machine must be grounded with a lead (cross section≥4mm2 ) to avoid static and electric shock. A ground terminal marked with the symbol is located on the back panel of the machine for this purpose.
◆ MMA & TIG: Applicable to TIG180A/TIG200A/TIG180P/TIG20P/TIG300/TIG400.
Refer to the above steps for output cable connection when you use the machine for TIG welding. When you use the machine for MMA welding, Please note:
- Two quick plugs are available for this welding machine. Insert the quick plugs into the quick sockets on the front panel of the machine, and tighten them with an inner hexagon spanner to ensure good contact. Otherwise, the plugs and sockets will be burned if the working time is long and the working current is high.
- Insert the cable plug with electrode holder into the “+” socket (2c) on the front panel of the welding machine, and tighten it clockwise. Insert the cable plug with work clamp into the “-” socket (2d) on the front panel of the welding machine, and tighten it clockwise.
- Generally, DCEP polarity and DCEN polarity are available in MMA.
DCEP: Connect the electrode holder to “+” output terminal, and the work clamp to “-” output terminal.
DCEN: Connect the electrode holder to “-” output terminal, and the work clamp to “+” output terminal.
4.3 Operation
Main switch (3): Switch the power switch on the back panel to “ON”, the machine is started with the power LED on and the fan working.
switch (4): Toggle between TIG and MMA.
TIG operation
- Switch the
switch to “
”. - Open the gas valve of the cylinder, and adjust the gas regulator to the desired value.
- Switch the power switch on the back panel to “ON”, the machine starts with the power LED and the fan. Press the torch trigger, the solenoid valve works and there is gas output.
- Adjust the welding current according to the thickness of the workpiece.
- Keep the torch 2 – 4 mm away from the workpiece, and then press the torch trigger. After arc is ignited, the HF discharge rustling disappears, and welding can be carried out.
MMA operation
- Switch the
switch to “
”. - Adjust the welding current according to the thickness of workpiece.

Welding current knob (5): It can adjust the output current.
Overheating LED (6): It can indicate overheating. Overheating LED indicates that the temperature inside the machine is too high and the machine is under overheating protection status.
Digital meter (7): It can display the welding current value. (Applicable to TIG300S/TIG250/TIG300/ only)
Pulse selecting switch (8): Switch the
switch to “
”, and then set . Note: “
” — no pulse; “ ” — medium frequency; “ ” — low frequency. (Applicable to TIG180P/200P only) 
2T/4T switch: This function can be added upon customers’ request.
Select proper welding mode 2T or 4T. Note: 2T – General pulsed TIG welding; 4T – Multifunctional welding. The operation in 4T is as follows: Adjust the arc ignition current, upslope time, welding current, base current, downslope time, crater current and post-flow time according to the welding application requirement. Keep the torch 2 – 4 mm away from the workpiece, and then press the torch trigger. After arc is ignited, release the torch trigger, and the current will slowly increase to the peak current value. Then, normal welding can be carried out. After the welding is completed, press the torch trigger again, and current will slowly drop to the crater current value. Release the torch trigger after the crater is well filled, and the machine will stop working.
Downslope time control (10): The downslope time can be adjusted between 0 to 10 seconds.
Post-flow time control (11): The post-flow time is the period from arc goes out to the gas supply stops, and it can be adjusted between 1 to 10 seconds.
Arc force current control (12): Applicable to TIG250/TIG400 only.
You may adjust the arc force upon your requirement in MMA welding. This arc force control knob is used to control welding performance. Especially, it can be used together with the welding current control knob under low current to adjust the arc ignition current conveniently. It is not controlled by the welding current control knob. Thus, big arc force can be obtained in low current welding.
Pulsed frequency control (13): See the waveform characteristic below.
Base current control (14): Applicable to TIG180P/TIG200P only.
It is not applicable in MMA welding. Switch the pulse selecting switch to “
” or “
”, and adjust the base current according to the thickness of workpiece.
Peak current control (15): Applicable to TIG180P/TIG200P only.
It is not applicable in MMA welding. Switch the pulse selecting switch to “
” or “
”, and adjust the peak current according to the thickness of workpiece.
Waveform characteristic
WELDING PARAMETERS TABLE
Table 1- Parameters for TIG welding on stainless steel sheet (for reference only)
| Plate Thickness (mm) | Welding joint | Electrode diameter (mm) | Wire diameter (mm) | Current type | Welding current (A) | Gas flow (L/min) | Welding speed (cm/min) |
| 1.0 1.2 1.5 | Butt Joint | 2 2 2 | 1.6 1.6 1.6 | MEN | 7–28 15 5–19 | 3–4 3–4 3–4 | 12–47 25 8–32 |
Table 2- Parameters for TIG welding on titanium and titanium alloy (for reference only)
| Plate thickness (mm) | Groove type | Welding layers | Electrode diameter (mm) | Wire diameter (mm) | Welding current (A) | Gas flow (L/min) | Nozzle diameter (mm) | |||
| LO C:, LO 0 LO O .-1 .-1 c.i cNi | Square groove | 1.5 2.0 2.0 2. 0-3. 2.0-3. | 0 0 | 1.0 1. 0-2. 0 1. 0-2. 0 1. 0-2. 0 2. 0 | 30-50 40-60 60-80 80-110 110-420 | 8-10 8-10 10-12 12-14 12-44 | 6-8 6-8 8-10 10-12 10-42 | 14-16 14-16 14-16 16-20 16-20 | 10 10 10-12 12-14 12-14 | |
| 0 0 0 0 0 0 cri gztri Lei ca t-: 00 | Single V groove with root face | CI Cr) Cv, Cr) ‘Tr i” 2 l ? I C1 C 1 C 1 0, | 3.0 3.0-4. 4.0 4.0 4. 0 4. 0 | 0 | 2. 0-3. 0 2.0-3. 0 3.0 3.0-4. 0 3. 0-4. 0 3. 0-4. 0 | 120-140 130-150 130-150 140-180 140-180 140-180 | 12-14 14-16 14-16 14-16 14-16 14-16 | 10-12 12 14 12-14 12-14 12-14 12-14 | 16-20 20-25 20-25 25-28 25-28 25-28 | 14-18 18-20 18-20 18-20 20-22 20-22 |
| 1020222530 | Double V groove with root face | 4-6 12 12 15-46 17-48 | 00000 ti. 4 4 -41 -41 | 3.0-4. 0 4.0 4.0-5. 0 3. 0-4. 0 3. 0-4. 0 | 160-200 200-240 230-250 200-220 200-220 | 14-16 12-14 15-18 16-18 16-18 | 12-14 10-12 18-20 20-26 20-26 | 25-28 20 18-20 26-30 26-30 | 20-22 18 20 22 22 | |
| Plate thickness (mm) | Current (A) | Duration (s) | Pulse frequency (Hz) | Welding speed (cm/min) | ||
| Pulse | Base value | Pulse | Base value | |||
| 0.3 | 20-22 | 5-8 | 0. 06-0. 08 | 0.06 | 8 | 50-60 |
| 0.5 | 55-60 | 10 | 0.08 | 0.06 | 7 | 55-60 |
| 0.8 | 85 | 10 | 0.12 | 0.08 | 5 | 80-100 |
Table 3- Parameters for pulsed TIG welding on stainless steel sheet (for reference only)
Table 4- Parameters for TIG welding on aluminum and aluminum alloy (for reference only)
| Plate thickness (mm) | Groove type | Welding layers | Electrode diameter (mm) | Wire diameter (mm) | preheat temperature (C) | Welding current (A) | Gas flow (L/min) | Nozzle diameter (mm) |
| 1.5 2 | Square groove | 1/0 1/0 | 2 2–3 | 1.6 –2.0 2 –2.5 | 50–80 50^-80 | 7–9 8^-12 | 8 8′-12 | |
| 3 4 5 8 10 12 16 20 | Single V groove with root face | 1/0 1 –2/1 1^-2/1 2/1 3^-4/1^-2 3 –4/1 –2 4 –5/1 —2 4–5/1^-2 | CD M .771 .7t4 LC, LC) / C.0 to LO | C.TI c.n a pls a 0.1 t•J 1 1 1 1 1 1 CA) 1 CD 0) 01 C71 01 a 0.1 | 100 100^-150 150-200 200-220 200^-260 | 15–180 180^-200 180 –240 260^-320 280^-340 300^360 340^380 360^400 | 8–12 10^-15 10–15 16^20 16^-20 18^-22 20–24 25–30 | 8 8–12 8′-12 10-12 14^-16 14–16 16^-20 20^22 |
| 16-20 22 –25 | Double V groove | 2–3/2–3 2 –3/2 –3 | 6 6–7 | 5 –6 5 –6 | 200–260 200–260 | 300–380 360^-400 | 25^-30 30^-35 | 16^-20 20^22 |
FAQ
The phenomena listed below may be caused by the accessory you use, the working environment or the power supply condition. Try to improve the working environment to avoid such occurrence.
Black weld bead
This indicates that the weld bead is not well protected and is oxidized. Please check the following points.
- Make sure the gas valve of the cylinder is open and the pressure inside the cylinder is sufficient.
Generally, it is necessary to refill the cylinder when the pressure is lower than 0.5MPa. - Check if the gas flow is normal. You may select different gas flow according to welding current value. However low the current is, the gas flow is recommended to be not less than 5L/min. Otherwise, the weld bead may not be fully covered for lack of shielded gas.
- Make sure the gas path is not blocked. Check if there is gas output from the nozzle of the welding torch with your hand.
- Check if the gas path is airproof and if the gas is pure enough.
- Check if the environment is with strong wind.
- Check if the pulse duration ratio is too low.
Arc is hard to start but easy to break.
- Make sure the electrode you use is of good quality, because the electrode of bad quality may not meet the discharge requirement.
- Make sure the electrode is sharpened, because arc is hard to ignite and unstable when using the unsharpened electrode.
Unstable current during welding
This may be caused by the following:
- Mains voltage fluctuates badly.
- There is serious interference from other electric appliances.
CAUTION
7.1 Working environment
- Welding should be carried out in dry environment with its humidity not greater than 90%.
- The temperature of the working environment should be between -10℃ to 40℃.
- Avoid welding in the open air unless sheltered from sunlight and rain. Keep it dry anytime and do not place it on wet ground or in puddles.
- Avoid welding in dusty area or environment with corrosive chemical gas.
- Gas shielded arc welding should be operated in environment without strong wind.
7.2 Safety tips
Overvoltage, overcurrent and overheating protection circuit are installed in this machine. If the output current or the temperature inside the machine is too high, the machine will stop automatically. However, excessive use (e.g. too high voltage) of machine may also damage the machine, so please note:
- Ventilation
This welder can create powerful welding current that has strict cooling requirements. Therefore the two built-in fans are very important in enabling the machine to work stable with effective cooling.
The operator should make sure that the louvers be uncovered and unblocked. The minimum distance between the machine and nearby objects should be 30cm. Good ventilation is of critical importance to the normal performance and lifespan of the machine. - Overload is forbidden.
Remember to observe the max load current at any moment (refer to the corresponding duty cycle). Make sure that the welding current should not exceed the max load current. Overload could obviously shorten the machine’s lifespan, or even damage the machine. - Overvoltage is forbidden.
Regarding the power supply voltage range of the machine, please refer to “Main Parameters” table. This machine is of automatic mains voltage compensation, which ensures that the welding current varies within the given range. In case that the input mains voltage exceeds the tolerance value, it would possibly damage the components of the machine. - The enclosure of the machine must be grounded. A ground terminal marked with the symbol is located on the back panel for this purpose.
- A sudden halt may occur with the overheating LED on while the machine is of over-load status. Under this circumstance, it is unnecessary to restart the machine. Keep the built-in fan working to lower the temperature inside the machine. Welding can be continued after the inner temperature falls into the standard range and the overheating LED is off.
MAINTENANCE
- Warning: Cut off the power before maintenance and repair. Make sure the power supply is cut off before uncovering the machine.
- Check periodically whether inner circuit connection is in good condition (esp. plugs). Tighten the loose connection.
If there is oxidization, remove it with sandpaper and then reconnect them.
- Keep hands, hair and tools away from the moving parts such as the fan to avoid personal injury or machine damage.

- Clean the dust periodically with dry and clean compressed air. If cutting in environment with heavy smoke and pollution, the machine should be cleaned daily.
- The pressure of compressed air should be at a proper level in order to avoid the small parts inside the machine to be damaged.

- Avoid rain, water and vapor infiltrating the machine. If there is, dry it and check the insulation with equipment (between the connections and between the connection and the enclosure). Only when there are no abnormal phenomena any more, then the machine can be used.
- Put the machine into the original packing in dry location if it is not used for a long time.

TROUBLESHOOTING
Note:Only the qualified technicians are authorized to undertake the maintenance and repair task in case of machine fault.
9.1 Troubleshooting for TIG160S/TIG200A/TIG 200S/TIG180A/TIG180P/TIG200P/single-phase TIG300S/single-phase TIG250
Malfunction Phenomena | Cause and Solution |
| Turn on the machine, the power LED is off, the fan does not work, and no welding output. | 1. Check if the power switch is damaged. 2. There is no input power. 3. Check if the input cable is well connected. |
| Turn on the machine, the power LED is on, but the fan does not work or it stops working after a few turns, and there is no welding output. | 1. Overvoltage protection occurs because the machine is wrongly connected to 380V power supply. Connect the machine to the 230V power supply and restart the machine. 2. The 220V is unstable (The input cable is too thin or too long.) or the input cable is not well connected to the mains power supply, which lead to overvoltage protection. Replace with a cable with bigger cross section or reconnect the input cable. Shut down the machine, and restart it after 2 – 3 minutes. 3. The power switch is switched too frequently in a short time, which lead to overvoltage protection. Shut down the machine, and restart it after 2 – 3 minutes. 4. Check if the switch wire is loosely connected to the power PCB, and reconnect it if necessary. 5. The 24V relay on the power PCB is not closed or damaged. Check the 24V power supply and relay, and replace the relay if it is damaged. |
| Turn on the machine, the fan works, the protection LED is off, but there is no HF discharge rustling, and arc cannot be ignited even by scraping. | 1. Check if the voltage of the power PCB to the anode and cathode of VH-07 on the MOS board is about DC308V. 1) Check if the connecting wire of the rectifier bridge is not well connected. 2) Check if creepage exists in some of the four electrolytic capacitors (470UF/450V) on the power PCB, and replace them if necessary. 2. There is a LED for the auxiliary power supply on the MOS board. If the LED is off and the auxiliary power supply does not work, find out the solution. 3. Check if any loose contact exists inside the machine. 4. Check if the control circuit fails. Find out the solution or contact your supplier. 5. Check if the control wire of the torch is broken. |
| Turn on the machine, the protection LED is off, there is HF discharge rustling, but no welding output. | 1. Check if the torch cable is broken. 2. Check if the earth cable is broken or is not connected to the workpiece. 3. Check if the “+” output terminal or gas-electric output terminal of the torch is not well connected to the joint inside the machine. |
Malfunction Phenomena | Cause and Solution |
|
Turn on the machine, the protection LED is off, but there is no HF discharge rustling, and arc can be ignited by scraping. | 1. The primary wire of the arc ignition transformer is not well connected to the power PCB. Reconnect it. 2. The discharge nozzle is oxidized or the interelectrode distance of the discharge nozzle is too long. Get rid of the oxidation film or adjust the interelectrode distance of the discharge nozzle to about 1mm. 3. Check if the MMA/TIG switch is damaged, and replace it if necessary. 4. Check if there are some parts in the HF arc ignition circuit, and replace them if necessary. |
| Turn on the machine, the protection LED is on, and there is no welding output. | 1. Overcurrent protection: Shut down the machine, and restart it when the protection LED is off. 2. Overheating protection: Wait for 2 – 3 minutes without shutting down the machine, and it will recover automatically. (Machines for TIG welding only are without overheating protection function.) 3. The inverter or arc ignition board fails. Pull out the power supply plug (near VH-07 of the fan) of the main transformer on the MOS board, and restart the machine. 1) If the protection LED is still on, shut down the machine, pull out the power supply plug (near VH-03 of the fan) of the HF arc ignition power supply, and restart the machine. A. If the protection LED is still on, check if some of the MOSFET on the MOS board are damaged, and replace them if necessary. B. If the protection LED is off, check if the transformer booster in the HF arc ignition circuit on the power PCB is damaged, and replace it if necessary. 2) If the protection LED is off: A. Check if the transformer on the center PCB is damaged, and replace it if necessary. B. Check if some secondary rectifier diode of the transformer is broken down, and replace it if necessary. 4. The feedback circuit opens. |
| The output current is unstable and cannot be controlled by potentiometer when welding. | 1. Check if the potentiometer (1K) is damaged, and replace it if necessary. 2. Check if any loose contact exists inside the machine. |
| There is excessive spatter in MMA welding, and it is hard to ignite the basic electrode. | The output polarity is incorrect. Exchange the polarity. |
9.2 Troubleshooting for TIG250/TIG400
| Malfunction Phenomena | Cause and Solution |
| Turn on the machine, the fan does not work, and there is no display on the digital meter and no welding output. | 1. Make sure the air switch is not damaged and is closed. 2. No input power. 3. Check if the four thermal resistors on the power PCB are damaged. (This is mainly caused by the bad contact of the DC24V relay or that the relay is not closed.) 4. The power PCB fails, and there is no DC537V output. 1) The rectifier bridge opens or it is not well connected. 2) Some parts on the power PCB are burned. 3) Check if the air switch is well connected to the power PCB and if the power PCB is well connected to the MOS board (inverter PCB). 5. The auxiliary power supply on the control PCB fails. |
| Turn on the machine, the fan works, the protection LED is off, but there is no HF discharge rustling, and arc cannot be ignited even by scraping. | 1. Check if any loose contact exists inside the machine. 2. Check if the control circuit fails. Find out the solution or contact your supplier. 3. Check if the control wire of the torch is broken. |
| Turn on the machine, the protection LED is off, there is HF discharge rustling, but no welding output. | 1. Check if the torch cable is broken. 2. Check if the earth cable is broken or is not connected to the workpiece. 3. Check if the “+” output terminal or gas-electric output terminal of the torch is not well connected to the joint inside the machine. |
| Turn on the machine, the protection LED is off, but there is no HF discharge rustling, and arc can be ignited by scraping. | 1. The primary wire of the arc ignition transformer is not well connected to the arc ignition board. Reconnect it. 2. The discharge nozzle is oxidized or the interelectrode distance of the discharge nozzle is too long. Get rid of the oxidation film or adjust the interelectrode distance of the discharge nozzle to about 1mm. 3. Check if the MMA/TIG switch is damaged, and replace it if necessary. 4. Check if there are some parts in the HF arc ignition circuit, and replace them if necessary. |
Malfunction Phenomena | Cause and Solution |
| Turn on the machine, the protection LED is on, and there is no welding output. | 1. Overcurrent protection: Shut down the machine, and restart it when the protection LED is off. |
| The output current is not high enough and cannot be controlled by potentiometer when welding. | 1. The secondary cable is overly long or thin. Shorten the secondary cable or replace with one of bigger cross section. 2. Check if the machine is in remote control mode. 3. Check if the current potentiometer is damaged. |



























