Bansal Arc MIG-50 Welding Machine

Thank you for choosing our inverter series welding machine. Please read and understand this instruction manual carefully before the installation and operation of this equipment. Thanksfor your cooperation.
Usage and Features
MIG/NB/NBC series inverter GMAW (CO2)/MAG welding machine is a kindofhigh-performance universal semiautomatic equipment. It can use the diameter of φ0.8~φ1.6 mm solid wire and flux-cored wire to weld mild steel and low alloy steel structures.
- Thanks to the inverter technology, the voltage compensation circuit and autoarclength compensation function can make sure stable welding.
- It has low spatter and high deposition rate.
- It has excellent welding joint and stable arc.
- It has easy pulse ignition.
- It can eliminating droplet functionality after welding.
- Thanks to its self-lock function, it can reduce the welder’s labor intensity especiallyfor long-time welding.
- It has highly stable welding speed, light, small and is easy to be moved.
- It has energy saving and less requirement about circuit capability.
Safety Measure
Safety measures:
- Please operate the machine according to this manual to avoid accident.
- When input power, the choice of installation area and high pressure gas must follow the related standards.
- Unrelated people are forbidden to close the welding area.
- Only qualified people are allowed to install, inspect, maintain and usethewelding machine.
- Don’t use the welding machine for other usages (Such as charging, heatingandunfreezing of pipelines)
- If the ground is uneven, please avoid tipping the machine.
Avoid the electric shock and burn.
- Don’t touch the live parts.
- Only qualified person are allowed to use special diameter copper cable toconnect machine with earth.
- Use special copper cable to connect the cable, and the insulated sleeve cannot be broken.
- Ensure good insulation between people and base metal when weldinginwet and limited conditions.
- Please use safe power grid for aloft work.
- Please turn off the power when not use the machine.
Prevent smoke and welding gas
- Please ensure good ventilation to avoid the gas poisoning and suffocating, especially for the bottom operation.
Lift arc and spatter are harmful
- Please wear guarding glass for avoiding arc light, spatter and slag.
- Please use protection utensils such as work clothes with long sleeves ,furgloves, leather shoe, apron and so on to keep arc light, spatters and slagaway
Avoid fire, explosion and break accident.
- Remove the combustible article to keep spatter away from them. If they can’t beremoved, please cover them with articles which aren’t combustible.
- Cable and base metal should be firmly tightened for avoiding fire.
- Do not weld in combustible gas or welding containers which is containingcombustible materials to avoid explosion.
- Welding hermetic container would cause breaking dangers.
- Prepare the fire extinguisher in advance.
Avoid injury caused by rotating parts.
- Shouldn’t close your figures, fair and clothes to whirling parts such as cooling fun andwirefeedroll.
- When wire is feeding, please don’t put welding gun close to eyes, face and other parts of body to protect yourself.
Avoid air bottle tipping and regulator damage.
- Dumping of air cylinders may cause serious personal injury.
- Air bottle with high pressure may cause serious personal injury.
- Unsuitable flow meter for air bottle may cause serious personal injury!
- Please check whether the gas in the air bottle meet the technological requirement and ensure all the flow meter and pipe connection are ingoodconditions.
Avoid hurting other people when moving the machine.
- Please make sure that there are no people under and on the front of the welder when using a civilian lift.
- When lift the machine, please make sure the cable is tightened to avoidpersonal injury!
Installation
Environment
- The machine should be put in the room with no direct shinning, no rain, lowhumidity and lessdusty, and the temperature should between 10℃and 40℃.
- Gradient should not be less then 15°.
- Wind is not allowed while welding, get a shield if necessary.
- The distance between the welding machine and the wall should be more than 20cm, and the distance between the welding machine and other machines should be morethan 10 cm.
- When using a water-cooled torch, prevent it from being frozen.
Power quality
- The waveform is standard sine wave, and effective value is 220v±15%or 380V±15%, and the frequency is 50HZ-60Hz.
- 3-phase voltage unbalance ≤5%
Input power
| model | MIG-250Y NB-250 | MIG-270Y NB-270 | MIG-315Y NB-315 | |
| Input power source | Single-phase AC220V | 3-phase AC380V | 3-phase AC380V | |
| Power source capability Small capability | Power grid | 12KVA | 20KVA | 22KVA |
| Motor | 20KVA | 25KVA | 30KVA | |
| Input protection | fuse | 20KVA | 25A | 30A |
| Circuit breaker | 20A | 30A | 32A | |
| Cable | Input side | ≥1.5mm² | ≥2.5mm² | ≥2.5mm² |
| Output side | 25mm² | 35mm² | 35mm² | |
| Earth cable | ≥1.5mm² | ≥2.5mm² | ≥2.5mm² | |
Notice: The above capacity of the fuse and circuit breaker is just for reference.
Equipment Installation
This machine is small, light and easy to be moved by the welder. If there is anywheelbarrow, the move will be more convenient but please ensure the grand is smooth. MIG/NB/NBC series welding machine outside gas connection as figure 1 and figure2


Operation
1) Connect the connecting terminal
with base metal by cable.
2) Electrode holder joins should be connected with terminal
.
3) Connect the gas pipe with wire feeder to CO2 flow meter.
4) The cable of gas regulator heater should be connected to the output socket onthe back of welding machine.
5) Connect the 3-phase cable on the switch panel and the earth cable should be well grounded.
6) Turn on the automatic air switch on the back of the welding machine.
Usage
Turn on the automatic air switch on the switch panel, and the welding indicator lightsupand cooling fan runs. Push the wire feeding button down, and the wire is feedingquickly. You can preset parameter through buttons on panel. When push down the weldinggunswitch, the wire feeder starts feeding and the CO2 gas comes out fromtorch headthenthewelding can start. Customer can refer to list2. After welding, please close the CO2 gas andturn off the power.
Welding current(A) | Welding voltage(V) | Wire diameter(mm) |
| 60~80 | 17~18 | Ф1.0 |
80~130 | 18~21 | Ф1.0、Ф1.2 |
| 130~200 | 20~24 | Ф1.0、Ф1.2 |
200~250 | 24~27 | Ф1.0、Ф1.2 |
| 250~350 | 26~32 | Ф1.2、Ф1.6 |
Brief principle
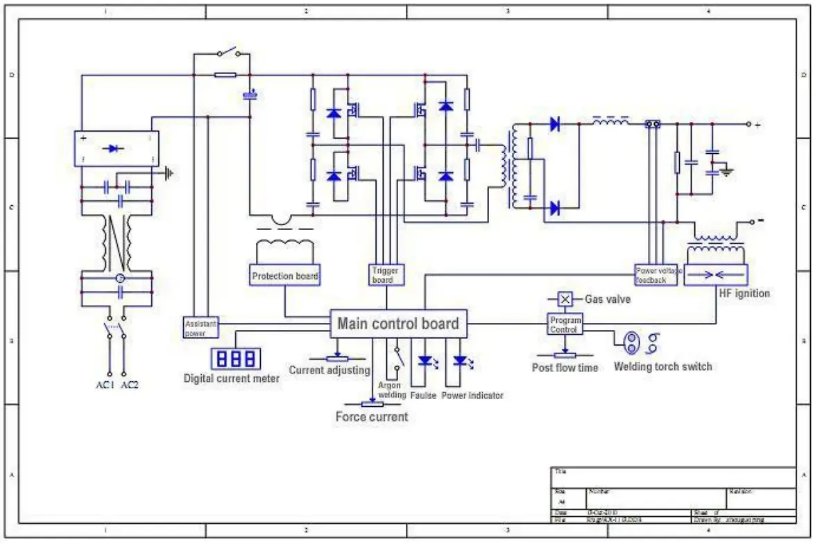
MIG/NB/NBC series welding machine principle diagram is shown as figure3 andfigure4.

This machine adopts IGBT inverter soft switch technology, and the input power issingle-phase 220V or 3-phase 380V.This technology can raise the frequency, reducethevoltage, rectification and filtering, then get the direct current suitable for welding. Thewhole process raise the dynamic response speed and reduce the size and weight ofwelding machine. Circuit is closed-loop controlled, and it is a excellent grid compensationfor welding.
MIG/NB/NBC series inverter welding machine output characteristic is shown as figure 5:

Operation
Front panel
Front panel: takes NB-270 for example, is shown as figure 6. Other models are similar.

- Output current meter
It shows relative value about wire feeding speed when the re ar e no-load welding and it can show actual current value when welding. - Output voltage meter
It shows preset value when no-load welding and actual value when welding. - Voltage adjusting knob
Adjust welding voltage. - Current adjusting knob
Adjust the welding current. - Inductance adjusting knob
It can turn the welding stability level and spatter. - Welding gun cable socket
- Electrode holder cable socket
- Working indicator
It shows if the welding machine is power on. 9. Protection indicator It shows if the temperature inside the machine is too high. The machine will stopworking when it lights up. - Manual wire feeding knob is used for fast feeding.
Back panel
Back panel of welding machine is as figure 7 below:

- Automatic air switch
This switch will automatically power off when welding machine is over-loador broken. The switch used in general and it can’t be used as power switch. - Power source input cable
Yellow and green wire should earth and other wires c a n connect with single- phase or 3-phase input power as requirements. - Heater output socket(AC36V)
Connect with the CO2 regulator. - Gas intake
The CO2 gas comes in from here. - Fan
Reduce the temperature inside welding machine.
Technical data
Main technical parameter
| NO | Model | NBC-200 MIG-200Y | NBC-250 MIG-250Y | NBC-270 MIG-270Y | NBC-315Y MIG-315Y |
| 01 | Input voltage/frequency | AC220V±15%50/60HZ | AC380V±15%50/60HZ | ||
| 02 | Rated input power | 8.2KVA | 8.7KVA | 10.1KVA | 11.4KVA |
| 03 | Rated duty cycle | 60% | 60% | 60% | 60% |
| 04 | Adjustable range of output current | 50~200A | 50~250A | 50~270A | 50~300A |
| 05 | Adjustable range of output voltage | 16.5~24V | 16.5~26.5V | 16.5~28V | 16.5~29V |
| 06 | Open circuit voltage | 58V | 58V | 68V | 68V |
| 07 | Power | ≥85% | ≥85% | ≥85% | ≥85% |
| 08 | Power factor | ≥0.93 | ≥0.93 | ≥0.93 | ≥0.93 |
| 09 | Wire diameter | Ф0.8~Ф1.0 | Ф0.8~Ф1.2 | Ф0.8~Ф1.2 | Ф0.8~Ф1.2 |
| 10 | Weight | 20kg | 20kg | 30kg | 30kg |
| 11 | Type of wire feeder | Built-in | |||
| 12 | CO2 regulator | 15-20L/min | |||
| 13 | Main transformer insulation grade | H | |||
| 14 | Output reactor insulation grade | B | |||
Maintenance
Customer can resolve common troubles according to the followingguide.
- Attentions and caution
1) Use a suitable input power supply, otherwise it will damage the inside of the component.
2) Welding cable and output terminal should be firmly tightened or it may cause unstable welding and connector’s damage.
3) To avoid output short circuit, the bare parts of welding cable connect with output terminalcannot contact with other metal.
4) Welding cable and control cable can not be damaged and broken.
5) Avoid laying the heavy things on welding machine to cause the welding machine out of shape.
6) Ensure good ventilation. - Periodical inspection and maintenance
1) Only qualified people are allowed to clean the welding machine by compressed air andinspect if there is any part needs tighten every 3 to 6 months.
2) Inspect if the cable is broken, and the adjusting knob is loose and the element onpanel is damaged.
3) Contact tip and wire feeder rollers should be replaced on time and the wire feeder soft pipeshould be clean periodically. - Usual troubles and trouble shooting
- a. Please do the following before repairing
1) Whether the switches on front panel are on the right position.
2) Single-phase voltage value should be between 187 and 253.
3) Please check whether 3-phase voltage is between 340V~420v or any phase is lacking.
4) Whether the input cable is correctly connected.
5) Whether the earth cable is correctly and firmly connected.
6) Whether welding cable is well and correctly connected.
7) Please check whether the gas flows well and CO2 regulator is in good condition.
Attention: There is 600V high voltage inside welding machine, but it is forbidden to openthecase. Please cut off all power before repairing.
b. Common troubles and trouble shootings
NO. | Trouble | Reason | Solve |
01 | After turning on the power, the indicator not lights up. |
|
|
02 | After turn on the power, the automatic air switch turn off Automatically. |
|
|
03 | Automatic air switch on the back panel turn off automatically when welding. |
|
|
04 | Welding current is adjustable not |
|
|
05 | Unstable arc and high spatter |
|
|
06 | CO2 gas regulator cannot heat up |
|
|
07 | Push down welding switch, wire feeding normal but no gas gun is |
|
|
08 | Push down welding gun switch, wire feeder does not work and no no-load voltage here |
|
|
Electric circuit diagram



















