
USER MANUAL
RS 200 MK – RS 250 MK
RS 300 MK – RS 350 MK
RS 400 MK

(+90) 444 93 53
magmaweld.com
[email protected]
(+90) 538 927 12 62
All rights reserved. It is prohibited to reproduce this documentation, or any part thereof, without the prior written authorization of Magma Mekatronik Makine Sanayi ve Ticaret A.. Magma Mekatronik may modify the information and the images without any prior notice.
MIG/MAG WELDING MACHINE
![]()
* Only available on RS 250 MK, RS 300 MK and RS 350 MK models.
* Sadece RS 250 MK, RS 300 MK ve RS 350 MK modellerinde bulunmaktadir.
SAFETY PRECAUTIONS
Be Sure To Follow All Safety Rules In This Manual!
| Explanation Of Safety Information | • Safety symbols found in the manual are used to identify potential hazards. • When any one of the safety symbols are seen in this manual, it must be understood that there is a risk of injury and the following instructions should be read carefully to avoid potential hazards. • The possessor of the machine is responsible for preventing unauthorized persons from accessing the equipment. • Persons using the machine must be experienced or fully trained in welding/cutting they have to read the user manual before operation and follow the safety instructions. |
| Explanation Of Safety Symbols | ATTENTION Indicates a potentially hazardous situation that could cause injury or damage. In case if no precaution is taken, it may cause injuries or material losses/damages. IMPORTANT Specifies notifications and alerts on how to operate the machine. DANGER Indicates a serious danger. In case if not avoided, severe or fatal injuries may occur. |
| Comprehending Safety Precautions | • Read the user manual, the label on the machine, and the safety instructions carefully. • Make sure that the warning labels on the machine are in good condition. Replace missing and damaged labels. • Learn how to operate the machine, how to make the checks in a correct manner. • Use your machine in suitable working environments. • Improper changes made in your machine will negatively affect the safe operation and its longevity. • The manufacturer is not responsible for the consequences resulting from the operation of the device beyond the specified conditions. |
| Electric Shocks May Kill | Make certain that the installation procedures comply with national electrical standards and other relevant regulations, and ensure that the machine is installed by authorized persons. • Wear dry and sturdy insulated gloves and working apron. Never use wet or damaged gloves and working aprons. • Wear flame-resistant protective clothing against the risk of burning. The clothing used by the operator must be protective against sparks, splashing and arc radiation. • Do not work alone. In case of a danger make sure you have someone for help in your working environment. • Do not touch the electrode with the bare hand. Do not allow the electrode holder or electrode to come in contact with any other person or any grounded object. • Never touch parts that carry electricity. • Never touch the electrode if you are in contact with the electrode attached to the work surface, floor or another machine. • By isolating yourself from the work surface and the floor, you can protect yourself from possible electric shocks. Use a non-flammable, electrically insulating, dry and undamaged insulation material that is large enough to cut off the operator’s contact with the work surface. • Do not connect more than one electrode to the electrode holder. • Clamp work cable with good metal-to-metal contact to workpiece or worktable as near the weld as practical. • Check the torch before operating the machine. Make sure the torch and its cables are in good condition. Always replace a damaged, worn torch. • Do not touch electrode holders connected to two machines at the same time since double open-circuit voltage will be present. • Keep the machine turned off and disconnect cables when not in use. • Before repairing the machine, remove all power connections and / or connector plugs or turn off the machine. • Be careful when using a long mains cable. Make sure all connections are tight, clean, and dry. • Keep cables dry, free of oil and grease, and protected from hot metal and sparks. • Bare wiring can kill. Check all cables frequently for possible damage. If a damaged or an uninsulated cable is detected, repair or replace it immediately. • Insulate work clamp when not connected to workpiece to prevent contact with any metal object. • Make sure that the grounding of the power line is properly connected. • Do not use AC weld output in damp, wet, or confined spaces, or if there is a danger of falling. • Use AC output ONLY if required for the welding process. • If AC output is required, use remote output control if present on unit. Additional safety precautions are required when any of the following electrically hazardous conditions are present : • in damp locations or while wearing wet clothing, • on metal structures such as floors, gratings, or scaffolds, • when in cramped positions such as sitting, kneeling, or lying, • when there is a high risk of unavoidable or accidental contact with the workpiece or ground. For these conditions, use the following equipment in order presented: • Semiautomatic DC constant voltage (CV) MIG welding machine, • DC manual MMA welding machine, • DC or AC welding machine with reduced open-circuit voltage (VRD), if available. |
| Procedures for Electric Shock | • Turn off the electric power. • Use non-conducting material, such as dry wood, to free the victim from contact with live parts or wires. • Call for emergency services. If you have first aid training; • If the victim is not breathing, Administer cardiopulmonary resuscitation (CPR) immediately after breaking contact with the electrical source. Continue CPR (cardiac massage) until breathing starts or until help arrives. • Where an automatic electronic defibrillator (AED) is available, use according to ins tructions. • Treat an electrical burn as a thermal burn by applying sterile, cold (iced) compresses. Prevent contamination, and cover with a clean, dry dressing. |
| Moving Parts May Cause Injuries | • Keep away from the moving parts. • Keep all protective devices such as covers, panels, flaps, etc., of machinery and equipment closed and in locked position. • Wear metal toe shoes against the possibility of heavy objects falling on to your feet. |
| Fumes and Gases May Be Harmful To Your Health | Long-term inhalation of fumes and gases released from welding/cutting is very dangerous. • Burning sensations and irritations in the eyes, nose, and throat are signs of inadequate ventilation. In such a case, immediately boost the ventilation of the work area, and if the problem persists, stop the welding/cutting process completely. • Create a natural or artificial ventilation system in the work area. • Use a suitable fume extraction system where welding/cutting works are being carried out. If necessary, install a system that can expel fumes and gases accumulated in the entire workshop. Use a suitable filtration system to avoid polluting the environment during discharge. • If you are working in narrow and confined spaces or if you are welding lead, beryllium, cadmium, zinc, coated, or painted materials, use masks that provide fresh air in addition to the above precautions. • If the gas tanks are grouped in a separate zone, ensure that they are well ventilated, keep the main valves closed when gas cylinders are not in use, pay attention to possible gas leaks. • Shielding gases such as argon are denser than air and can be inhaled instead of air if used in confined spaces. This is dangerous for your health as well. • Do not perform welding/cutting operations in the presence of chlorinated hydrocarbon vapors released during lubrication or painting operations. • Some welded / cut parts require special ventilation. The safety rules of products that require special ventilation should be read carefully. A suitable gas mask should be worn when necessary. |
| Arc Light May Damage Your Eyes and Skin | • Use a standard protective mask and a suitable glass filter to protect your eyes and face. • Protect other naked parts of your body (arms, neck, ears, etc.) with suitable protective clothing from these rays. • Enclose your work area with flame-resistant folding screens and hang warning signs at eye level so that people around you will not sustain injuries from arc rays and hot metals. • This machine is not used for heating of icebound pipes. This operation performed with the welding / cutting machine causes explosion, fire or damage to your installation. |
| Sparks and Spattering Particles May Get Into Eyes and Cause Damage | • Performing works such as welding/cutting, surface grinding, and brushing cause sparks and metal particles to splatter. Wear approved protective work goggles which have edge guards under the welding masks to prevent sustaining possible injuries. |
| Hot Parts May Cause Severe Burns | • Do not touch the hot parts with bare hands. • Wait until the time required for the machine to cool down before working on its parts. • If you need to hold hot parts, use suitable tools, welding/cutting gloves with high-level thermal insulation and fire-resistant clothes. |
| Noise May Cause Damage To Your Hearing Ability | • The noise generated by some equipment and operations may damage your hearing ability. • Wear approved personal ear protective equipment if the noise level is high. |
| Welding Wires Can Cause Injuries | • Do not point the torch towards any part of the body, other persons, or any metal while unwrapping the welding/ utting wire. • When welding wire is run manually from the roller especially in thin diameters the wire can slip out of your hand, like a spring, or can cause damage to you or other people around, therefore you must protect your eyes and face while working on this. |
| Welding Operations May Cause Fire and Explosion | • Never perform welding / cutting work in places near flammable materials. There may be fire or explosions. • Before starting the welding / cutting work, remove these materials form the environment or cover them with protective covers to prevent combustions and flaring. • National and international special rules apply in these areas. |
| • Do not apply welding/cutting operations into completely closed tanks or pipes. • Before welding to tanks and closed containers, open them, completely empty them, and clean them. Pay the greatest attention possible to the welding/cutting operations you will perform in such places. • Do not weld in tanks and pipes which might have previously contained substances that may cause explosions, fires, or other reactions. • Welding/cutting equipment heats up. For this reason, do not place it on surfaces that could easily burn or be damaged ! | |
| • Sparks and splashing parts may cause a fire. For this reason, keep materials such as fire extinguishers tubes, water, and sand in easily accessible places. • Use holding valves, gas regulators, and valves on flammable, explosive, and compressed gas circuits. Make sure that they are periodically inspected and pay attention that they run reliably. | |
| Maintenance Work Performed by authorized Persons To Machines and Apparatus May Cause Injuries | • Electrical equipment should not be repaired by unauthorized persons. Errors occurred if failed to do so may result in serious injury or death when using the equipment. • The gas circuit elements operate under pressure; explosions may occur as a result of services provided by unauthorized persons, users may sustain serious injuries. • It is recommended to perform technical maintenance of the machine and its auxiliary units at least once a year. |
| Welding/Cutting in Small Sized and Confined Spaces | • In small-sized and confined spaces, absolutely make sure to perform welding/cutting operations, accompanied by another person. • Avoid performing welding/cutting operations in such enclosed areas as much as possible. |
| Failure To Take Precautions During Transport May Cause Accidents | • Take all necessary precautions when moving the machine. The areas where the machine to be transported, parts to be used in transportation and the physical conditions and health of the person carrying out the transportation works should be suitable for the transportation process. • Some machines are extremely heavy; therefore, make sure that the necessary environmental safety measures are taken when changing their places. • If the machine is to be used on a platform, it must be checked that this platform has suitable load bearing limits. • If it is to be transported by means of a haulage vehicle (transport trolley, forklift etc.), make sure of the durableness of the vehicle, and the connection points (carrying suspenders, straps, bolts, nuts, wheels, etc.) that connect the machine to this vehicle. • If the machine will be carried manually, make sure the durableness of the machine apparatuses (carrying suspenders, straps, etc.) and connections. • Observe the International Labor Organization’s rules on carriage weights and the transport regulations in force in your country in order to ensure the necessary transport conditions. • Always use handles or carrying rings when relocating the power-supply sources. Never pull from torches, cables, or hoses. Be absolutely sure to carry gas cylinders separately. • Remove all interconnections before transporting the welding/cutting equipment, each being separately, lift and transport small ones using its handles, and the big ones from its handling rings or by using appropriate haulage equipment, such as forklifts. |
| Falling Parts May Cause Injuries | Improper positioning of the power-supply sources or other equipment can cause serious injury to persons and physical damage to other objects. • Place your machine on the floor and platforms with a maximum tilt of 10° so that it does not fall or tip over. Choose places that do not interfere with the flow of materials, where there is no risk of tripping over on cables and hoses; yet, large, easily ventilatable, dust-free areas. To prevent gas cylinders from tipping over, on machines with a gas platform suitable for the tanks, fix the tanks on to the platform; in stationary usage applications, fix them to the wall with a chain in a way that they would not tip over for sure. • Allow operators to easily access settings and connections on the machine. |
| Excessive Use Of The Machine Causes Overheating | • Allow the machine to cool down according to operation cycle rates. • Reduce the current or operation cycle rate before starting the welding / cutting again. • Do not block the fronts of air vents of the machines. • Do not put filters that do not have manufacturer approvals into the machine’s ventilation ports. |
| Excessive Use Of The Machine Causes Overheating | • This device is in group 2, class A in EMC tests according to TS EN 55011 standard. • This class A device is not intended for use in residential areas where electrical power is supplied from a low-voltage power supply. There may be potential difficulties in providing electromagnetic compatibility due to radio frequency interference transmitted and emitted in such places. • Make sure that the work area complies with electromagnetic compatibility (EMC). Electromagnetic interferences during welding / cutting operations may cause undesired effects on your electronic devices and network; and the effects of these interferences that may occur during these operations are under the responsibility of the user. • If there is any interference, to ensure compliance; extra measures may be taken, such as the use of short cables, use of shielded (armored) cables, transportation of the welding machine to another location, removal of cables from the affected device and/or area, use of filters or taking the work area under protection in terms of EMC. • To avoid possible EMC damage, make sure to perform your welding / cutting operations as far away from your sensitive electronic devices as possible (100 m). |
| • Ensure that your welding and/or cutting machine has been installed and situated in its place according to the user manual. | |
| Evaluation Of Electromagnetic Suitability Of The Work Area | According to article 5.2 of IEC 60974-9; Before installing the welding/cutting equipment, the person in charge of the operation and/or the user must conduct an inspection of possible electromagnetic interference in the environment. Aspects indicated below has to be taken into consideration; a) Other supply cables, control cables, signal and telephone cables, above and below the welding/cutting machine and its equipment, b) Radio and television transmitters and receivers, c) Computer and other control hardware, d) Critical safety equipment, e.g. protection of industrial equipment, e) Medical apparatus for people in the vicinity, e.g. pacemakers and hearing aids, f) Equipment used for measuring or calibration, g) Immunity of other equipment in the environment. The user must ensure that the other equipment in use in the environment is compatible. This may require additional protection measures. h) Considering the time during which the welding/cutting operations or other activities take place during the day, the boundaries of the investigation area can be expanded according to the size of the building, the structure of the building and other activities that are being performed in the building. In addition to the evaluation of the field, evaluation of device installations may also be necessary for solving the interfering effect. In case if deemed necessary, on-site measurements can also be used to confirm the efficiency of mitigation measures. (Source: IEC 60974-9). |
| Electromagnetic Interferance Reduction Methods | • The appliance must be connected to the electricity supply in the recommended manner by a competent person. If interference occurs, additional measures may be applied, such as filtering the network. The supply of the fixed-mounted arc welding equipment must be made in a metal tube or with an equivalent shielded cable. The housing of the power supply must be connected and a good electrical contact between these two structures has to be provided. • The recommended routine maintenance of the appliance must be carried out. All covers on the body of the machine must be closed and/or locked when the device is in use. Any changes, other than the standard settings without the written approval of the manufacturer, cannot be modified on the appliance. Otherwise, the user is responsible for any consequences that may possibly occur. • Welding/cutting cables should be kept as short as possible. They must move along the floor of the work area, in a side-by-side manner. Welding/cutting cables should not be wound in any way. • A magnetic field is generated on the machine during welding/cutting. This may cause the machine to pull metal parts on to itself. To avoid this attraction, make sure that the metal materials are at a safe distance or fixed. The operator must be insulated from all these interconnected metal materials. • In cases where the workpiece cannot be connected to the ground due to electrical safety, or because of its size and position (for example, in building marine vessel bodies or in steel construction manufacturing), a connection between the workpiece and the grounding may reduce emissions in some cases, it should be kept in mind that grounding of the workpiece may cause users to sustain injuries or other electrical equipment in the environment to break down. In cases where necessary, the workpiece and the grounding connection can be made as a direct connection, but in some countries where direct connection is not permissible, the connection can be established using appropriate capacity elements in accordance with local regulations and ordinances. • Screening and shielding of other devices and cables in the work area can prevent aliasing effects. Screening of the entire welding/cutting area can be evaluated for some specific applications. |
| Electromagnetic Field (EMF) | The electrical current passing through any conductor generates zonal electric and magnetic fields (EMF). All operators must follow the following procedures to minimize the risk of exposure to EMF; • In the name of reducing the magnetic field, the welding / cutting cables must be assembled and secured as far as possible with the joining materials (tape, cable ties etc.). • The operator’s body and head should be kept as far away from the welding / cutting machine and cables as possible, |
| The electrical current passing through any conductor generates zonal electric and magnetic fields (EMF). All operators must follow the following procedures to minimize the risk of exposure to EMF; • In the name of reducing the magnetic field, the welding / cutting cables must be assembled and secured as far as possible with the joining materials (tape, cable ties etc.). • The operator’s body and head should be kept as far away from the welding / cutting machine and cables as possible, • Welding/cutting and electric cables should not be wrapped around the body of the machine in any way, • The body of the machine should not get caught between the welding/cutting cables. The source cables must be kept away from the body of the machine, both being placed side by side, • The return cable must be connected to the workpiece as close as possible to the work area, • The welding / cutting machine should not rest against the power unit, ensconce on it and not work too close to it, • Welding/cutting work should not be performed when carrying the wire supply unit or power unit. EMF may also disrupt the operation of medical implants (materials placed inside the body), such as pacemakers. Protective measures should be taken for people who carry medical implants. For example, access limitation may be imposed for passers-by, or individual risk assessments may be conducted for welders. Risk assessment should be conducted and recommendations should be made by a medical professional for users who carry medical implants. | |
| Protection | • Do not expose the machine to rain, prevent the machine from splashing water or pressurized steam. |
| Energy Efficiency | • Choose the welding/cutting method and welding machine for the welding work you are to perform. • Select the welding / cutting current and/or voltage to match the material and thickness you are going to weld. • If you have to wait for a long time before you start your welding / cutting work, turn off the machine after the fan has cooled it down. Our machines with smart fan control will turn off on their own. |
| Waste Procedure | • This device is not domestic waste. It must be directed to recycling within the framework of the European Union directive and national laws. • Obtain information from your dealer and authorized persons about the waste management of your used machines. |
TECHNICAL INFORMATION
General Information
RS 200 MK, RS 250 MK, RS 300 MK, RS 350 MK and RS 400 MK are 3 phase step controlled, constant voltage industrial compact MIG/MAG machines to weld all types of solid and flux cored wires in any kind of fabrication and repair workshops. Wire feeding unit is a robust 4 wheel drive system which is placed inside of the machine. This way of construction, harness and excessive cabling has been avoided. Even though you can manufacture 24/7 with these machines in a big range of current scale, model RS 200 MK is optimized for 0.8 mm, model RS 250 MK, RS 300 MK , RS 350 MK for 1.0 mm, model RS 400 MK for 1.2 mm. These machines are fan cooled and thermally protected against overheating.
Machine Components

| 1- Wire Speed Setting Button 2- Trigger Mode Switch 3- Torch Connector 4- Earth Clamp Cable Entry (-) 5- Braked Wheel 6- Digital Ammeter 7- Digital Voltmeter 8- Fine Step Switch 9- Closing and Coarse (Tension) Setting Switch 10- Welding Parameters Table | 11- Swivel Wheel 12- Lifting Eye 13- Fuses 14- Gas Inlet 15- CO2 Heater Receptacle 16- Mains Cable 17- Handle 18- Drum Feeding 19- Gas Cylinder Safety Chain 20- Wheel |
Product Label
![]() | ![]() |
![]() | ![]() |
![]() |
| Three Phase Transformer Rectifier | U0 | Open Circuit Voltage | |
| Horizontal Characteristic | U1 | Mains Voltage and Frequency | |
| MIG/MAG Welding | U2 | Rated Welding Voltage | |
| Direct Current | I1 | Rated Mains Current | |
| Mains Input 3-Phase Alternating Current | I2 | Rated Welding Current | |
| Suitable for Operation at Hazardous Environments | S1 | Rated Power | |
| X | Duty Cycle | IP21S | Protection Class |

As defined in the standard EN 60974-1, the duty cycle rate includes a time period of 10 minutes. For example, if a machine specified as 250A at %60 is to be operated at 250A, the machine can weld/cut without interruption in the first 6 minutes of the 10 minutes period (zone 1). However, the following 4 minutes should be kept idle for the machine cool down (zone 2).
Technical Data
| TECHNICAL DATA | UNIT | RS 200 MK | RS 250 MK |
| Mains Voltage (3-Phase 50-60 Hz) | V | 400 | 400 |
| Rated Power | kVA | 8.3 (%23) | 10 (%40) |
| Welding Current Range | ADC | 40 – 240 | 57 – 250 |
| Rated Welding Current | ADC | 240 | 250 |
| Open Circuit Voltage | VDC | 17 – 36 | 19.7 – 51 |
| Voltage Adjustment and Number of Levels | mm | 2 x 7 | 3 x 7 |
| Dimensions (l x w x h) | mm | 890 x 460 x 950 | 890 x 460 x 950 |
| Weight | kg | 101 | 105 |
| Protection Class | IP 21 | IP 21 | |
| TECHNICAL DATA | UNIT | RS 300 MK | RS 350 MK |
| Mains Voltage (3-Phase 50-60 Hz) | V | 400 | 400 |
| Rated Power | kVA | 13.8 (%40) | 17.3 (%40) |
| Welding Current Range | ADC | 40 – 300 | 60 – 350 |
| Rated Welding Current | ADC | 300 | 350 |
| Open Circuit Voltage | VDC | 19 – 44 | 20 – 52 |
| Voltage Adjustment and Number of Levels | mm | 3 x 7 | 3 x 7 |
| Dimensions (l x w x h) | mm | 890 x 460 x 950 | 876 x 505 x 939 |
| Weight | kg | 112 | 123 |
| Protection Class | IP 21 | IP 21 | |
| TECHNICAL DATA | UNIT | RS 400 MK | |
| Mains Voltage (3-Phase 50-60 Hz) | V | 400 | |
| Rated Power | kVA | 19.4 (%50) | |
| Welding Current Range | ADC | 45 – 400 | |
| Rated Welding Current | ADC | 400 | |
| Open Circuit Voltage | VDC | 20 – 48 | |
| Voltage Adjustment and Number of Levels | mm | 4 x 7 | |
| Dimensions (l x w x h) | mm | 890 x 460 x 950 | |
| Weight | kg | 121 | |
| Protection Class | IP 21 | ||
Accessories
| STANDARD ACCESSORIES | QTY | RS 200 MK | RS 250 MK |
| Workpiece Clamp and Cable | 1 | 7905212503 (25 mm² – 3 m) | 7905212503 (25 mm² – 3 m) |
| Gas Hose | 1 | 7907000002 | 7907000002 |
| MIG / MAG CO₂ Accessory Set* | 1 | 7920000510 | 7920000510 |
| MIG/MAG Mix/Argon Accessory Set* | 1 | 7920000515 | 7920000515 |
| STANDARD ACCESSORIES | QTY | RS 300 MK | RS 350 MK |
| Workpiece Clamp and Cable | 1 | 7905212503 (25 mm² – 3 m) | 7905203503 (35 mm² – 3 m) |
| Gas Hose | 1 | 7907000002 | 7907000002 |
| MIG / MAG CO₂ Accessory Set* | 1 | 7920000530/7920000550 | 7920000530/7920000550 |
| MIG/MAG Mix/Argon Accessory Set* | 1 | 7920000535/7920000555 | 7920000535/7920000555 |
| STANDARD ACCESSORIES | QTY | RS 400 MK | |
| Workpiece Clamp and Cable | 1 | 7905203503 (35 mm² – 3 m) | |
| Gas Hose | 1 | 7907000002 | |
| MIG / MAG CO₂ Accessory Set* | 1 | 7920000530 / 7920000550 | |
| MIG/MAG Mix/Argon Accessory Set* | 1 | 7920000535 | 7920000555 |
| * Should be verified during ordering. | |||
| OPTIONAL ACCESSORIES | QTY | RS 200 MK | RS 250 MK |
| CO2 Heater | 1 | 7020009002 | 7020009002 |
| Gas Regulator (CO2) | 1 | 7020001005 | 7020001005 |
| Gas Regulator (Mix) | 1 | 7020001004 | 7020001004 |
| Lava MIG 25 (3 m) Air Cooled MIG Torch | 1 | 7120025003 | 7120025003 |
| Lava MIG 35 (3 m) Air Cooled MIG Torch | 1 | RS 300 MK | 7120035003 |
| QTY | RS 350 MK | |
| CO2 Heater | 1 | 7020009002 | 7020009002 |
| Lava MIG 35 (3 m) Air Cooled MIG Torch | 1 | 7020001005 | 7020001005 |
| Lava MIG 40 (3 m) Air Cooled MIG Torch | 1 | 7020001004 | 7020001004 |
| Lava MIG 50W (3 m) Water Cooled MIG Torch | 1 | 7120035003 | 7120035003 |
| Gas Regulator (CO2) | 1 | 7120040003 | |
| Gas Regulator (Mix) | 1 | 7120050003 | |
| OPTIONAL ACCESSORIES | QTY | RS 400 MK | |
| CO2 Heater | 1 | 7020009002 | |
| Lava MIG 35 (3 m) Air Cooled MIG Torch | 1 | 7020001005 | |
| Lava MIG 40 (3 m) Air Cooled MIG Torch | 1 | 7020001004 | |
| Lava MIG 50W (3 m) Water Cooled MIG Torch | 1 | 7120035003 | |
| Gas Regulator (CO2) | 1 | 7120040003 | |
| Gas Regulator (Mix) | 1 | 7120050003 | |
INSTALLATION
Delivery Control
Make sure that all the materials you have ordered have been received. If any material is missing or damaged, contact your place of purchase mmediately.
The standard box includes the following;
- Welding machine and connected mains cable
- Warranty certificate
- Workpiece clamp and cable
- User manual
- Gas hose
- Welding Wire
In case of a damaged delivery, record a report, take a picture of the damage and report to the transport company together with a photocopy of the delivery note. If the problem persists, contact the customer service.
Symbols and their meanings on the device
| Welding may be dangerous. Proper working conditions should be ensured and necessary precautions should be taken. Specialists are responsible for the machine and have to be equipped with the necessary equipment and those who are not relevant should be kept away from the welding area. | |
| This device is not compatible with IEC 61000-3-12. If it is desired to connect to the low voltage mains used in homes, it is essential that the installer or the person who will operate the machine to make the electrical connection has information on the machine’s connectivity. In this case the responsibility will be assumed by the person who will perform the installation or by the operator. | |
| The safety symbols and warning notes on the device and in the operating instructions must be observed and the labels must not be removed. | |
| Grids are intended for ventilation. The openings should not be covered in order to provide good cooling and no foreign objects should be inserted. |
Installation and Operation Recommendations
- Lifting rings or forklifts should be used to move the machine. Do not lift the machine with the gas cylinder. Place the power supply on a hard, level, smooth surface where it will not fall or tip over.
- For a better performance, place the machine at least 30 cm away from the surrounding objects. Pay attention to overheating, dust and moisture near the machine. Do not operate the machine under direct sunlight. If the ambient temperature exceeds 40°C, operate the machine at a lower current or a lower operating cycle.
- Avoid welding outdoors in windy and rainy weather circumstances. If welding is necessary in such cases, protect the welding area and the welding machine with a curtain and canopy.
- When positioning the machine, make sure that materials such as walls, curtains, boards do not prevent easy access to the machine’s controls and connections.
- If you weld indoors, use a suitable fume extraction system. Use breathing apparatus if there is a risk of inhaling welding fumes and gas in confined spaces.
- Observe the operating cycle rates specified on the product label. Suspending operating cycle rates can damage the machine and this may invalidate the warranty.
- The supply cable must comply with the specified fuse value.
- Tighten the ground wire as close as possible to the workpiece. Do not allow the welding current to pass through equipment other than the welding cables such as the machine itself, gas cylinder, chain, and roller bearing.
- When the gas cylinder is placed on the machine, secure the gas cylinder by connecting the chain immediately. If you will not place the gas cylinder on the machine, secure the gas cylinder to the wall with a chain.
- The electrical outlet on the back of the machine is for the C02 heater. Never connect a device to the C02 outlet other than the C02 heater !
Mains Plug Connection
For your safety, never use the mains cord of the machine without a plug.
- No plug has been connected to the mains cable since there may different types of outlets available in plants, construction sites, and workshops. A suitable plug must be connected by a qualified technican. Make sure that the grounding cable marked with
and a yellow/green color is present. - After connecting the plug to the cable, do not attach it to the outlet at this stage.
Welding Connections
Grounding Pliers Connections
- Grounding cable sockets with different inductance values allow welding with lower spatter in a wide current range. Socket for low current and mall wire diameters
socket, for high current and large wire diameters
socket should be preferred. - Connect the grounding pliers wire to one of the grounding wire sockets on the machine and tighten by turning it to the right.
- To improve the welding quality, firmly connect the grounding pliers to the workpiece as close as possible to the welding area.

Gas Connections
- If you will use the gas cylinder on the gas cylinder transport platform on the machine, place the gas cylinder here and secure it with a chain.
- If you will not place the gas cylinder on the machine, secure the gas cylinder to the wall with a chain.
- Use safety regulators and heaters according to the standards for work safely to achieve the best results.
- Make sure the size of the hose connection of the gas regulator you are using is 3/8″ (9.5mm).
- Open the gas cylinder valve keeping your head and face away from the outlet of the valve and keep it open for 5 seconds. By this means, possible sediment and impurities will be discharged.

Figure 3: Gas Cylinder – Heater – Regulator Connections
| 1- Gas Cylinder Valve 2- Gas Cylinder 3- CO2 Heater 4- Chain 5- CO2 Heater Energy Cable | 6- Gas Regulator 7- Manometer 8- Flowmeter 9- Flow Adjustment Valve 10- Gas Hose |
- If the CO2 heater is to be used, first connect the CO2 heater to the gas cylinder. After connecting the gas regulator to the CO2 heater, insert the plug of the CO2 heater into the CO2 heater outlet on the back of the machine.
- If the CO2 heater will not be used, connect the gas regulator directly to the gas cylinder.
- Connect one end of the tube hose to the gas regulator and tighten the clamp. Connect the other end to the gas inlet at the back of the machine and tighten the nut.
- Open the gas cylinder valve to check that the tube is full and that there are no leaks in the gas flow path. If you hear a noise and/or detect a smell of gas as a leak indicator, examine your connections and eliminate leakage.
OPERATION
Connection to Mains
When plugging the power plug into the outlet, make sure that the power switch is set to “0”.
- Check the 3-phase with a voltmeter before connecting the machine to the mains. After detecting that each phase is 400V (± 40V), attach the plug into the wall outlet.
- Start the machine with the on/off switch.
- Turn the machine off by turning the switch back to the “0” position after hearing the fan sound and seeing the ammeter and voltmeter lights are on.

Preparation and Connection of the Torch
- Use the torch according to the capacity of your machine and the welding you will perform.
- Make sure that the diameters of the spiral and contact nozzle inside the torch match the diameter of the welding wire you will use. Replace the spiral and contact nozzle if necessary.
- To change the spiral, remove the nozzle, contact nozzle, and adapter respectively.

- Afterwards, remove the spiral nut on the torch connector side with a wrench and extend the torch so that it is in flat position and remove the spiral inside the torch.
- After inserting the new spiral into the torch, install and firmly tighten the spiral nut.

- Cut the excess of the spiral from the torch head with a side chisel at the point where the gas distributor (contact nozzle holder) immediately ends as shown on the right, so that there is no gap between the spiral and the contact nozzle. File the cut point to make it blunt and burr free.

- Connect the torch to the torch connector and tighten the nut firmly.

Selection and Replacement of Wire Feed Rollers
- Open the cover of the wire feed part. You will see the four-roller wire feed system.

1- Engine
2- Euro Connector
3- Pressure Roller Handle4- Pressure Rollers
5- Wire Feed Rollers
6- WF Roller Screws - Use wire feed rollers suitable for the material and diameter of the welding wire you will use. Use V-grooved wire feed rollers for steel and stainless steel, corrugated V-grooves for cored wires, and U corrugated ones for aluminum.
If you need to replace the wire feed rollers, pull the pressure roller lever toward your side and after lifting the pressure rollers, remove the wire feed roller screws and remove the existing rollers.

Both sides of the rollers are marked according to the wire diameter used. Place the rollers on the flange so that the wire diameter value you will use will be on the side facing your side.
- After inserting the rollers, you will use, re-insert the screws and lower the pressure rollers and lock the pressure roller lever onto the rollers.

Placing the Wire Spool and Wire Feeding Process
- Unscrew the screw of the wire transport system by turning it. Insert the welding wire roller parallel to the wire ground and always from the bottom to the wire transport system shaft and re-tighten the screw.

Over-tightening the nut will prevent the wire from feeding and may cause failures. Under-tightening of the nut may cause the roller to be released at the time wire feed is stopped and mixed after a while. For this reason, do not connect the nut too tightly or too loosely.

- Pull and lower the pressure lever on the wire feed rollers, which means bring the pressure rollers to idle position.
- Remove the welding wire from the point where the roller is connected and cut off the end with a side chisel.
If the end of the wire is missed, the wire can jump like a spring and damage you and others.
- Pass the wire through the wire entry slot without releasing the wire into the rollers and into the torch through the rollers.


- Press the pressure rollers and lift the pressure lever 1.
- Turn the on/off switch to position “1” to start the machine 2.
- Press the trigger until the wire comes out from the tip of the torch, while observing that the welding wire roller rotates freely then push and release the trigger a few times to check for any loosening of the winding 3.
- If loosening and/or backwinding is observed, tighten the screw of the wire bearing system.
- Re-attach the nozzle and contact nozzle to the torch when the wire comes out from the tip of the torch 4.
- Drive the wire on a 5 board and make the appropriate 6 wire pressure adjustment and cut the tip of the wire 7.
A: Suitable wire pressure and conduit dimensions
B: The wire is distorted since the pressure lever is too tight.
C: The roller surface is deteriorated due to excessive pressure on the pressure lever.
D: The conduit length of the roller is small for the wire used. The shape of the wire is distorted.
E: The conduit length of the roller is big for the wire used. The wire cannot be transmitted to the welding area.

Adjustment of Gas Flow
Make the gas adjustment and gas test by lifting the wire feed roller pressure lever!
- Adjust the gas flow with the flow control valve.
- Practical gas flow rate (CO, Ar, mixture) is 10 times of wire diameter. For example, if the wire diameter is 0.9 mm, the gas flow rate can be adjusted as 10 x 0.9 = 9 l/min.
- You can use the table on the side for more precise flow adjustment.
- After adjusting the gas flow, lift the thrust bearing arm and close the wire feed unit door.
| Mild Steel and Metal Cored | Flux Cored | Stainless Steel | Aluminium | ||
| Diameter (mm) | 0.8 | 8 lt/min | 7 lt/min | 8 lt/min | 8 lt/min |
| 0.9 | 9 lt/min | 8 lt/min | 9 lt/min | 9 lt/min | |
| 1 | 10 lt/min | 9 lt/min | 10 lt/min | 10 lt/min | |
| 1.2 | 12 lt/min | 11 lt/min | 12 lt/min | 12 lt/min | |
| 1.6 | 16 lt/min | 15 lt/min | 16 lt/min | 16 lt/min |
Note: Recommended values in standard conditions.
Using Trigger Modes
- The trigger mode switch selects 2-position, 4-position or pnt position.
- The 2-position operates as shown in Figure 15.
- The 4-position operates as shown in Figure 16. The 4-position provides ease of use for the welder in long-term and automatic welding operations.
- In the pnt mode, the welding starts at the moment the trigger is pressed, the welding continues until the set time period is on and stands by as long as the off-time period. The process continues in this manner until the trigger is released and the welding stops as soon as the trigger is released.

Starting and Ending the Welding Process
- Determine the Coarse Adjustment “, Fine Adjustment” and Wire Feed Speed from the welding parameters table of your machine according to the diameter of the wire you will use, the type of gas you will use and the thickness of the material to be welded, and set your machine to these settings.
| Wire Diameter | |
| Material Thickness | |
| Coarse Adjustment Range | |
| Fine Adjustment | |
| Wire Feeding Speed | |
| Current | |
| Voltage |
- You can start welding after making sure that you comply with all safety rules and take the necessary precautions.
- During welding, instantaneous welding voltage will be displayed in voltmeter and instantaneous welding current will be displayed in ammeter.
When not welding, leave the torch in such a way that it does not touch the workpiece, the welding pliers, the hood of the machine and the trigger does not remain pressed.
- After you have finished working with the welding machine, allow the machine to cool down and turn the on / off switch to “0”. Unplug the machine and close the gas cylinder.
Welding Parameters
- The welding parameters were obtained by horizontal welding with solid wire in laboratory conditions.
Values may vary depending on the application and ambient conditions.



MAINTENANCE AND SERVICE
- Maintenance and repairs to the machine must be carried out by a qualified personnel. Our company will not be responsible for any accidents that may occur by unauthorized interventions.
- Parts that will be used during repair can be obtained from our authorized services. The use of original spare parts will extend the life of your machine and prevent performance losses.
- Always contact the manufacturer or an authorized service designated by the manufacturer.
- Never make interventions yourself. In this case, the macufacturer warranty is no langer valid.
- Always comply with the applicable safety regulations during maintenance and repair.
- Before performing any work on the machine for repair, disconnect the machine’s power plug from the power supply and wait for 10 seconds for the capacitors to discharge.
Maintenance
Every 3 Months
- Do not remove the warning labels on the device. Replace the worn/torn labels with the new ones. Labels can be obtained from the authorized service.
- Check your torch, clamps and cables. Pay attention to the connections and the durableness of the parts. Replace the damaged/defective parts with the new ones.
Do not ever make additions to/repair the cables. - Ensure adequate space for ventilation.
- Before starting welding, check the gas flow rate from the tip of the torch with a flow meter. If the gas flow is high or low, bring it to the appropriate level for the welding process.
![]()
Every 6 Months
- Clean and tighten fasteners such as bolts and nuts.
- Check the lead of the electrode pliers and earth pliers.
- Open the side covers of the machine and clean with low pressure dry air. Do not apply compressed air to electronic components at close range.
- Periodically replace the water in the tank of the water cooling unit with fresh, hard water and protect it against freezing with antifreeze.
![]()
NOTE: The above mentioned periods are the maximum ones that should be applied if no problems are encountered in your device. Depending on the work load and contamination of your work environment, you can repeat the above processes more frequently.
Never operate the machine when covers are open.
Non-Periodic Maintenance
- The Wire Feeding Mechanism must be kept clean and the roller surfaces must not be lubricated.
- Always remove any deposits on the mechanism with dry air each time you replace a welding wire.
- The consumables on the torch should be cleaned regularly. It should be replaced if necessary. Make sure that these materials are original products for long-term use.
![]()
Troubleshooting
The following tables contain possible errors to be encountered and their solutions.
| Failure | Reason | Solution |
| Machine is not operating | • The machine is not connected to the mains, or the plug is not connected | • Make sure that the machine is plugged in |
| • The mains connections are not correct | • Check whether the mains connections are correct | |
| • The power supply fuses, mains cable or plug are problematic | • Check the power supply fuses, mains cable and plug | |
| • The fuse has blown | • Check the fuse | |
| • Contactor failure | • Check the contactor | |
| Wire feed motor failure | • The fuse has blown | • Check the fuse |
| • Electronic card failure | • Contact the authorized service | |
| The wire feed motor is operating, but the wire is not moving further | • Wire feed rollers were not chosen to fit the wire diameter | • Select the appropriate wire feed roller |
| • The pressure on the wire feed rollers is too minimal | • Adjust the pressure roller | |
| Welding quality is not good | • There is a problem in the connection of grounding clamps of the machine | • Make sure that the grounding clamps of the machine is connected to the workpiece |
| • Cables and connection points are worn out | • Make sure that the cables are secure and that the connection points are not worn | |
| • Parameter and process selection are not correct | • Make sure that the parameter and process selection are correct. Follow the steps below according to the process you have selected | |
| • Gas flow is not open aor faulty | • Check that the gas flow is open. ensuring that the How is correct | |
| • Welding torch is damaged | • Make sure the welding torch is secure | |
| • Consumables were selected incorrectly or damaged | • Appropriate consumables should be selected and the consumables on the torch must be cleaned regularly. Improperly selected or worn consumables should be replaced | |
| • The pressure adjustment of the rollers is not correct | •Pressure roller settings must be made correctly | |
| Fan is not operating | • The fuse has blown | • Check the fuse |
| • Fan motor failure | • Contact the authorized service | |
| Machine operates noisily | • Contactor failure | • Contact the authorized service |
| Unstable and / or non-adjustable welding current | • Diode group failure | • Contact the authorized service |
| Heater outlet is not operating | • The fuse has blown | • Check the fuse. Contact the authorized service |
Fuses
| Fuse | Amperage | Feature | Protected Circuir |
| F1 | 10 A | Fast | Motor and Card of the Wire Feeder |
| F2 | 1 A | Delayed | Cooler Fan |
| F3 | 1 A | Fast | CO2 Heater |
| F4 | 1 A | Fast | Card of Voltmeter / Ampermeter |
Error Codes
| Error Code | Error | Cause | Solution |
| Err | Thermal Protection | • The uptime of your machine may have been exceeded | • Allow the machine to cool down by waiting for a while. If the fault disappears, try to use the machine at lower amperage values • If the problem continues, contact the authorized service |
| • Fan may not be working | • Check visually whether the fan is working or not • If the problem continues, contact the authorized service | ||
| • The front of the air inlet-outlet ducts may be blocked | • Open the front of the air ducts • If the problem continues, contact the authorized service | ||
| • The machine working environment may be too hot or stuffy | • Make sure that the working environment of the machine is not e excessively hot or stuffy • If the problem continues, contact the authorized service | ||
| Water Cooling Unit Error | • There may be an error in the water cooling unit | • Check water cooling unit connector and torch inlets/outlets • Make sure there is water circulation • If the problem continues, contact the authorized service |
ANNEX
Fine Settings in the Wire Feed Unit
You can make fine adjustments through the panel which is above wire feeder,
- Burn Back Adjustment Trimmer: In order to increase the burn back time, rotate the trimmer clockwise with a slot screwdriver. In order to decrease the burn-back time, rotate the trimmer counter-clockwise. Burn back time can be adjusted in a range of 0 – 1 seconds.
- Pre-Gas Adjustment Trimmer: In order to increase the pre-gas time, rotate the trimmer clockwise with a slot screwdriver. In order to decrease the pre-gas time, rotate the trimmer counterclockwise. Pre-gas time can be adjusted in a range of 0 – 3 seconds counter-clockwise.
- Post-Gas Adjustment Trimmer: In order to increase the post-gas time, rotate the trimmer clockwise with a slot screwdriver. In order to decrease the post-gas time, rotate the trimmer counterclockwise. Post-gas time can be adjusted in a range of 0 – 3 seconds counter-clockwise.
- Free Wire Feeding Button: While the switch is ON, the wire is fed at a slow speed until it touches to the workpiece. Then, wire feeding goes on at the adjusted speed.
- Free Wire Feeding Button: The wire is fed as long as you push this button, but the gas ventile does not work. You can use this function for inserting the wire to the torch.



| NO | DEFINITION | RS 200 MK | RS 250 MK | RS 300 MK | RS 350 MK | RS 400 MK |
| 1 | Latch Button | A310030002 | A310030002 | A310030002 | A310030002 | A310030002 |
| 2 | Potency Button | A229500002 | A229500002 | A229500002 | A229500002 | A229500002 |
| 3 | Switch Button | A308900004 | A308900004 | A308900004 | A308900004 | A308900004 |
| 4 | Welding Socket | A377900106 | A377900106 | A377900106 | A377900106 | A377900106 |
| 5 | Potentiometer | A410810004 | A410810004 | A410810004 | A410810004 | A410810004 |
| 6 | Ammeter Voltmeter Card | K405000018 | K405000018 | K405000018 | K405000018 | K405000018 |
| 7 | Pacco Switch | A308031008 | A308032022 | A308032022 | A308032022 | A308032074 |
| 8 | Pacco Switch | A308031010 | A308032020 | A308032020 | A308032020 | A308032070 |
| 9 | Plastic Swivel Wheel | A225220106 | A225220106 | A225220106 | A225220106 | A225220106 |
| 10 | Plastic Swivel Wheel | A225220008 | A225220008 | A225220008 | A225220008 | A225220008 |
| 11 | Choke Coil | K304500032 | K304500039 | K304500040 | K304500041 | K304500048 |
| 12 | Diode Bridge Radd. Pts | A430901009 | A430901010 | A430901010 | A430901010 | A430901011 |
| 13 | Primary-Secondary Coil | K302200040 | K302200046 | K302200048 | K302200065 | K302200208 |
| 14 | Main Transformer | K304000052 | K304000054 | K304000062 | K304000066 | K304100107 |
| 15 | Plastic Wheel | A225222010 | A225222010 | A225222010 | A225222010 | A225222010 |
| 16 | Cooling Fan | A250001124 | A250001124 | A250001003 | A250001003 | A250001003 |
| 17 | Gas Valve | A253006014 | A253006014 | A253006014 | A253006014 | A253006014 |
| 18 | Monophase Machine Socket | A377100004 | A377100004 | A377100004 | A377100004 | A377100004 |
| 19 | Glass Fuse (Fast) | A300101015 | A300101015 | A300101015 | A300101015 | A300101015 |
| 20 | Glass Fuse (Delayed) | A300102005 | A300102005 | A300102005 | A300102005 | A300102005 |
| 21 | Glass Fuse (Fast) | A300101005 | A300101005 | A300101005 | A300101005 | A300101005 |
| 22 | Glass Fuse (Fast) | A300101015 | A300101015 | A300101015 | A300101015 | A300101015 |
| 23 | Glass Fuse Holder | A300190001 | A300190001 | A300190001 | A300190001 | A300190001 |
| 24 | Contactor | A311000016 | A311000025 | A311000025 | A311000032 | A311000032 |
| 25 | Electronic Card – RS Filter | K405000224 | K405000224 | K405000224 | K405000224 | K405000224 |
| 26 | Control Transformer | K304400024 | K304400024 | K304400024 | K304400024 | K304400024 |
| 27 | Hall Effect Sensor | A834000001 | A834000001 | A834000001 | A834000002 | A834000002 |
| 28 | Wire Feeding System | K309002210 | K309002210 | K309002210 | K309002210 | K309002210 |
| 29 | Leaf Hinge | A229200004 | A229200004 | A229200004 | A229200004 | A229200004 |
| 30 | Cover Lock | A229300006 | A229300006 | A229300006 | A229300006 | A229300006 |
| 31 | Red Button | A310050002 | A310050002 | A310050002 | A310050002 | A310050002 |
| 32 | Switch (2 Position 1 Pole) | A310100006 | A310100006 | A310100006 | A310100006 | A310100006 |
| 33 | Spool Carrier | A229900003 | A229900003 | A229900003 | A229900003 | A229900003 |
| 34 | Electronic Card – E301A V3.0 | K405000351 | K405000351 | K405000351 | K405000351 | K405000351 |
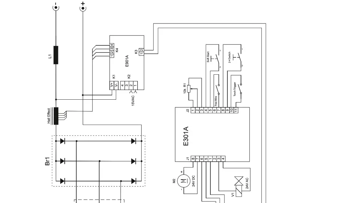
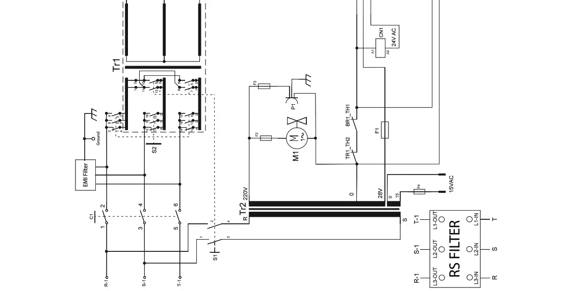
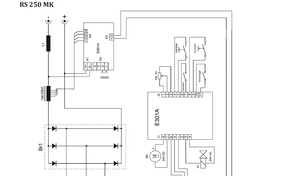
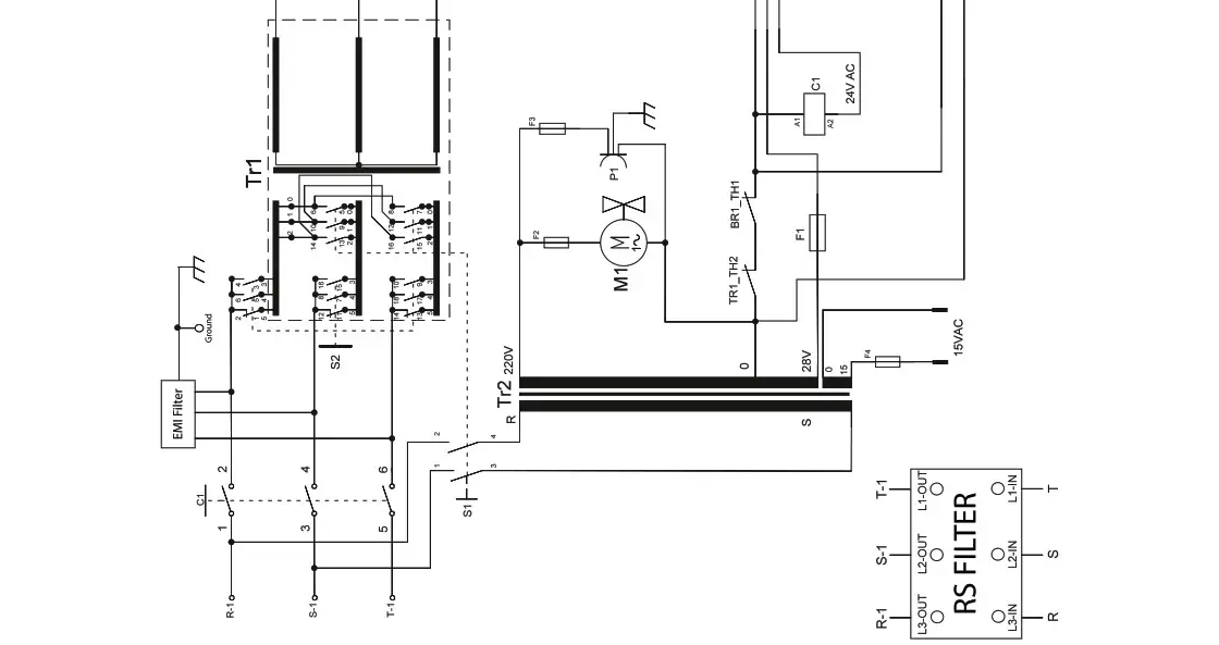
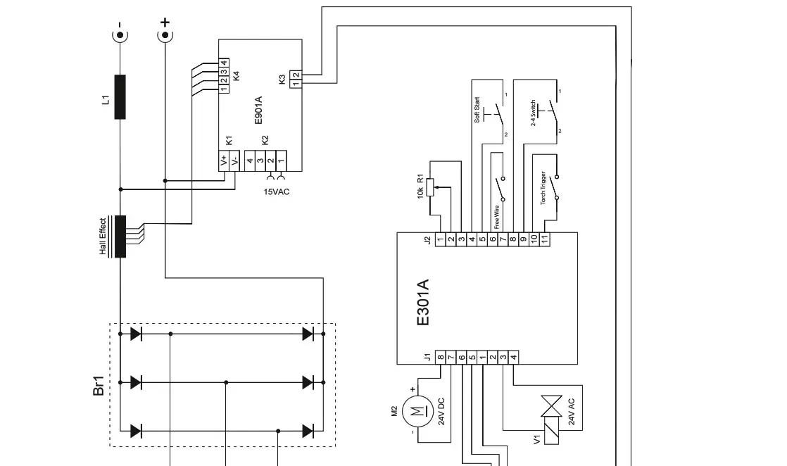
Connection Diagrams
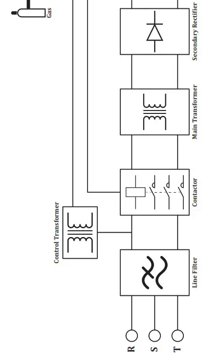
Block Diagram


Circuit Diagrams
RS 200 MK


RS 250 MK


RS 300 MK






(+90) 444 93 53
magmaweld.com
[email protected]































