
GYS MIG/MAG – TIG – MMA Welding Machine User Manual

NEOPULSE 320 C


FIRST USE
Before using your device for the first time, please check for new updates.

Before using the machine for the first time, calibrate the welding cables.
WARNINGS – SAFETY INSTRUCTIONS
GENERAL INSTRUCTIONS
These instructions must be read and understood before using the machine.
Any modification or maintenance that is not specified in the manual must not be carried out.
The manufacturer will not be held responsible for any damage to persons or property caused by the failure to follow this product’s user manual instructions.
In case of problems or queries, please consult a qualified tradesperson to correctly install the product.
ENVIRONMENT
This equipment should only be used for welding operations performed within the limits indicated on the information panel and/or in this manual. These safety guidelines must be observed. The manufacturer cannot be held responsible in cases of improper or dangerous use.
The machine must be set up somewhere free from dust, acid, flammable gases or any other corrosive substances. This also applies to the machine’s storage. Operate the machine in an open or well-ventilated area.
Temperature range:
Operate between -10 and +40°C (+14 and +104°F).
Store between -20 and +55°C (-4 and 131°F).
Air humidity:
Less than or equal to 50% at 40°C (104°F).
Lower than or equal to 90% at 20°C (68°F).
Altitude:
Up to 1,000m above sea level (3,280 feet).
PROTECTING YOURSELF AND OTHERS
Arc welding can be dangerous and cause serious injury or death.
Welding exposes people to a dangerous heat source, arc light, electromagnetic fields (be aware of those wearing pacemakers), risk of electrocution, loud noises and fumes.
To protect yourself and others, please observe the following safety instructions:

WELDING FUMES AND GAS
The fumes, gases and dusts emitted during welding are harmful to health. Sufficient ventilation must be provided and an additional air supply may be required. A n air-fed mask could be a solution in cases where there is insufficient ventilation. Check that the suction is functioning effectively by checking it against safety standards.
Caution: when welding in small areas requires supervision from a safe distance. In addition, the welding of certain materials containing lead, cadmium, zinc, mercury or even beryllium can be particularly harmful. Remove any grease from the parts before welding.
Gas cylinders should be stored in open or well-ventilated areas. They should be kept in an upright position and kept on a cart or trolley. Welding should not be undertaken near grease or paint.
FIRE AND EXPLOSION RISKS
Fully protect the welding area, flammable materials should be kept at least 11 metres away. Fire fighting equipment should be present in the vicinity of welding operations.
Beware the expulsion of hot spatter or sparks, even through cracks, which can cause fires or explosions.
Keep people, flammable objects and pressurised containers at a safe distance.
Do not weld in closed containers or tubes. If they are open, remove any flammable or explosive materials (oil, fuel, etc.) before welding.
Grinding work must not be directed towards the source of the welding current or towards any flammable materials.
GAS CYLINDERS
Gas escaping from the cylinders can cause suffocation if it becomes concentrated in the welding area (ventilate well). Transporting the machine must be done safely: gas cylinders must be closed and the welding power source turned off. They should be stored upright and supported to reduce the risk of falling.
Tightly close the bottle between uses. Beware of temperature changes and sun exposure.
The bottle should not come into contact with flames, electric arcs, torches, earth clamps or any other sources of heat. Keep away from electrical and welding circuits and never weld a pressurised cylinder. When opening the cylinder valve, keep your head away from the valve and ensure that the gas being used is suitable for the welding process.
ELECTRICAL SAFETY
The electrical network used must be earthed. Use the recommended fuse size chosen from the information table. Electric shocks can cause serious direct and indirect accidents or even death.
Never touch live parts connected to the live current, either inside or outside the power source casing unit (torches, clamps, cables, electrodes), as these items are connected to the welding circuit.
Before opening the welding machine’s power source, disconnect it from the mains and wait two minutes to ensure that all the capacitors have fully discharged.
Do not touch the torch or the electrode holder and the earth clamp at the same time. If the cables or torches become damaged, they must be replaced by a qualified and authorised person. Measure the length of cable according to its use. Always wear dry, good quality clothing to insulate yourself from the welding circuit. Alongside this, wear well-insulated footwear in all working environments.
EMC CLASSIFICATION

ELECTROMAGNETIC INTERFERENCES
An electric current passing through any conductor produces localised electric and magnetic fields (EMF). The welding current produces an electromagnetic field around the welding circuit and the welding equipment.
Electromagnetic fields (EMFs) can interfere with some medical devices, for example pacemakers. Protective measures should be taken for those with medical, implanted devices. For example, restricted access for onlookers or an individual risk assessment for welders.
All welders should use the following guidelines to minimise exposure to the welding circuit’s electromagnetic fields:
- position the welding cables together – if possible, securing them with a clamp,
- position yourself (head and body) as far away from the welding circuit as possible,
- never wrap the welding cables around your body,
- do not position yourself between the welding cables and keep both welding cables on your same side,
- connect the return cable to the workpiece, as close as possible to the area to be welded,
- do not work next to, sit or lean on the source of the welding current,
- do not weld while transporting the source of the welding current or wire feeder.
Pacemaker users should consult a doctor before using this equipment. Exposure to electromagnetic fields during welding may have other health effects that are not yet known.
RECOMMENDATIONS FOR ASSESSING THE WELDING AREA AND EQUIPMENT
General Information
It is the user’s responsibilit to install and use the arc welding equipment according to the manufacturer’s instructions. If electromagnetic disturbances are detected, it is the user’s responsiblity to resolve the situation using the manufacturer’s technical support. In some cases, this corrective action may be as simple as earthing the welding circuit. In other cases, it may be necessary to construct an electromagnetic shield around the welding current source and around the entire workpiece by setting up input filters. In any case, electromagnetic interference should be reduced until it is no longer an inconvenience.
Assessing the welding area
Before installing arc welding equipment, the user should assess the potential electromagnetic problems in the surrounding area. The following should be taken into account:
a) the presence of power, control, signal and telephone cables above, below and next to the arc welding equipment,
b) radio and television receivers and transmitters,
c) computers and other control equipment,
d) critical safety equipment, e.g. the protection of industrial equipment,
e) the health of nearby persons, e.g. those using of pacemakers or hearing aids,
f) the equipment used for calibrating or measuring,
g) the protection of other surrounding equipment.
The operator has to ensure that the devices and equipment used in the same area are compatible with each other. This may require further protective measures;
h) the time of day when welding or other activities are to take place.
The size of the surrounding area to be taken into account will depend on the building’s structure and the other activities taking place there. The surrounding area may extend beyond the boundaries of the premises.
Assessment of the welding equipment
In addition to the assessment of the surrounding area, the arc welding equipment’s assessment can be used to identify and resolve cases of interference. It is appropriate that the assessment of any emissions should include in situ procedures as specified in Article 10 of CISPR 11. In situ procedures can also be used to confirm the effectiveness of mitigation measures.
GUIDELINES ON HOW TO REDUCE ELECTROMAGNETIC EMISSIONS
a. The mains power grid: Arc welding equipment should be connected to the mains power grid according to the manufacturer’s recommendations. If any interference occurs, it may be necessary to take additional precautionary measures such as filtering the mains power supply. Consider protecting the power cables of permanently installed, arc welding equipment within a metal pipe or a similar casing. The power cable should be protected along its entire length. The protective casing should be connected to the welding machine’s power source to ensure good electrical contact between the protective pipeline and the welding machine’s power source housing.
b. The maintenance of arc welding equipment: Arc welding equipment should be subject to routine maintenance as recommended by the manufacturer. All access points, service openings and bonnets should be closed and properly locked when the arc welding equipment is in use.
The arc welding equipment should not be modified in any way, except for those modifications and adjustments mentioned in the manufacturer’s
instructions. The spark gap of arc starters and stabilisers should be adjusted and maintained according to the manufacturer’s recommendations.
c. Welding cables: Cables should be as short as possible, placed close together either near or on the ground.
d. Equipotential bonding: Consideration should be given to the joining of all metal objects in the surrounding area. However, metal objects connected to the workpiece increase the risk of electric shocks to the user if they touch both these metal parts and the electrode. The user should be isolated from such metal objects.
e. Earthing the workpiece: In cases where the part to be welded is unearthed for electrical safety reasons or due to its size and location, such as ship hulls or structural steel buildings, an earthed connection can reduce emissions in some cases, although not always. Care should be taken to avoid the earthing of parts which could increase the risk of injury to users or damage to other electrical equipment. If necessary, the workpiece’s connection should be earthed directly, but in some countries where a direct connection is not allowed, the connection should be made with a suitable capacitor chosen according to national regulations.
f. Protection and protective casing: The selective protection and encasing of other cables and equipment in the surrounding area may limit interference problems. The safeguarding of the entire welding area may be considered for special applications.
THE TRANSPORTING AND MOVING OF THE MACHINE’S POWER SOURCE
The machine is fitted with handle(s) to facilitate transportation. Be careful not to underestimate the machine’s weight. The handle(s) cannot be used for slinging.
Do not use the cables or torch to move the welding power source. It should be transported in an upright position. Do not carry or transport the power source overhead of people or objects.
Never lift a gas cylinder and the welding power source at the same time. Their transport requirements are different. It is advisable to remove the wire spool before lifting or transporting the welding power source.
SETTING UP THE EQUIPMENT
- Place the welding power source on a floor with a maximum inclination of 10°.
- Provide sufficient space to ventilate the welding power source and access the controls.
- Do not use in an area with conductive metal dust.
- The welding power source should be protected from heavy rain and not exposed to direct sunlight.
- The equipment has an IP23 protection rating which means:
– its dangerous parts are protected from being entered by objects greater than 12.5 mm and,
– it is protected against rain falling up to 60° from the vertical.
The equipment can be used outside in accordance with the IP23 protection certification.
Stray welding currents can destroy earthing conductors, damage electrical equipment and devices and cause component parts to overheat leading to fires.
- All welding connections must be firmly secured and regularly checked!
- Make sure that the item’s attachment is firm and secure, without any electrical problems!
- Join together or suspend any electrically conductive parts of the welding source such as the frame, trolley and lifting systems so that they are insulated!
- Do not place other equipment such as drills or grinding devices etc. on the welding source, trolley, or lifting systems unless they are insulated!
- Always place welding torches or electrode holders on an insulated surface when not in use!
Power cables, extension cables and welding cables should be fully unwound to avoid overheating.
The manufacturer assumes no responsibility for damage to persons or objects caused by improper and dangerous use of this equipment.
MAINTENANCE / RECOMMENDATIONS

- Maintenance should only be carried out by a qualified person. Annual maintenance is recommended.
- Switch off the power supply by pulling the plug and wait two minutes before working on the equipment.. Inside the macine, the
voltages and currents are high and dangerous. - Regularly remove the cover and blow out any dust. Take advantage of the opportunity to have the electrical connections checked with an insulated tool by a qualified professional.
- Regularly check the condition of the power cord. If the power cable is damaged, it must be replaced by the manufacturer, the after sales service team or an equally qualified person to avoid any danger.
- Leave the welding power source vents free for air intake and outflow.
- Do not use this welding power source for thawing pipes, recharging batteries/storage batteries or starter motors.
INSTALLATION – USING THE PRODUCT
Only experienced persons, authorised by the manufacturer, may carry out the installation. During installation, ensure that the power source is disconnected from the mains. Series or parallel power source connections are not allowed. It is recommended to use the welding cables supplied with the unit in order to obtain the best performance.
DESCRIPTION
This machine is a three-phase power source for semi-automatic, software-supported welding (MIG or MAG), coated electrode welding (MMA) and refractory electrode welding (TIG). It accepts 200 and 300 mm diameter wire spools.
DESCRIPTION OF THE EQUIPMENT (I)
- ON / OFF switch
- Gas connector
- Cable gland (mains cable)
- External grids
- Reel support
- USB connector
- Rocker switch wire feed / gas purge
- Wirefeed motor
- Interface (MMI)
- Digital RC connector (option ref. 063938)
- Analogue connector
- Euro connector
- – – polarity plug
- – + polarity plug
- – Polarity reversal cable
- – SMC connection system (optional)
HUMAN-MACHINE INTERFACE (HMI)
Please read the Human Machine Interface (HMI) which forms part of the equipment’s user literature.
POWER SWITCH
- This equipment is supplied with a 32 A EN 60309-1 socket and should only be used on a three phase, 400 V (50-60 Hz), four wire, earthed electrical system. The actual absorbed current (I1eff) for optimal operating conditions is indicated on the equipment. Check that the power supply and its safeguards (fuses and/or circuit breakers) are compatible with the current required to use the machine. For optimum functionality in certain countries, it may be necessary to change the plug.
- The power source is designed to operate at 400 V +/- 15%. • The machine will go into protection mode if the supply voltage falls below 330 Veff (rated insulation voltage) or goes above 490 Veff, (an error code will appear on the display screen).
- To switch the machine on, turn the on/off switch (I-1) to position I, whereas switching it off is done by turning the switch to position 0. Caution! Never disconnect the machine from the power supply while the machine is charging.
- Ventilation fan performance: This equipment is fitted with smart ventilation management system in order to minimise the noise made by the machine.
- The fans will adjust their speed according to useage and the surrounding temperature. They can be switched off in MIG or TIG mode.
CONNECTING TO A POWER SOURCE
This equipment can be operated with electric generators provided that the auxiliary power supply meets the following requirements:
- The voltage must be alternating with an RMS value of 400 V +/- 15% and a peak voltage of less than 700 V.
- The frequency must be between 50 and 60 Hz.
It is vital to check these conditions as many generators produce high voltage peaks that can damage equipment.
USING EXTENSION LEADS
All extension leads must be of a suitable length and width that is appropriate to the equipment’s voltage. Use an extension lead that complies with national safety regulations.

SETTING UP THE REEL
– Remove the nozzle (a) and contact tube (b) from your MIG/MAG torch.

Open the power source’s hatch.
- Position the reel on its holder.
- Take into consideration the reel stands’s drive lug (c). To fit a 200 mm reel, tighten the
plastic reel holder (a) to the maximum. - Adjust the brake wheel (b) to prevent the non-moving spool from tangling the wire when
the welding stops. In general, do not overtighten, as this will cause the motor to overheat.
LOADING THE FILLER WIRE
To change the rollers, do the following:
- Loosen the knobs (a) to the maximum and lower them.
- Unlock the rollers by turning the retaining rings (b) by a quarter turn.
- Fit the correct drive rollers for your use and lock the retaining rings in place.
The rollers supplied are double groove steel rollers (1.0 and 1.2).


Do the following to install the filler wire:
- Loosen the dials to the maximum and lower them.
- Insert the wire, then close the motor reel and tighten the dials as shown.
- Operate the motor using the torch trigger or the manual wire feed button (I-6).

Notes:
- Too narrow a sheath can lead to unreeling issues and can lead to the overheating of the motor.
- The torch connection must also be properly tightened to prevent it from overheating.
- Ensure that neither the wire, nor the reel, touches the device’s mechanism, otherwise there is a danger of short-circuiting the machine.
RISK OF INJURY FROM MOVING COMPONENTS
The reels have moving parts that can trap hands, hair, clothing or tools causing injuries!
- Do not touch rotating, moving or driving parts of the machine!
- Ensure that the housing covers or protective covers remain fully closed when in operation!
- Do not wear gloves when threading the filler wire or changing the filler wire reel.
SEMI-AUTOMATIC STEEL/STAINLESS STEEL WELDING (MAG MODE)
This machine can weld steel wire from Ø 0.6 to 1.2 mm and stainless steel wire from Ø 0.8 to 1.2 mm (II-A).
The machine is designed for use with Ø 1.0 mm steel wire (Ø 1.0/1.2 roller) as standard. The contact tip, the sheave groove and the welding torch sheath are designed for this use. Use a torch no longer than 3 m to weld 0.6 diameter wire. The contact tip as well as the spools of the motorised wire feed roller should be replaced by a 0.6 grooved model (ref. (réf. 061859). In this case, position it so that the marking 0.6 is visible.
To do this using steel requires a specific welding gas (Ar+CO2). The amount of CO2 may vary depending on the type of gas used. Use 2% CO2 for stainless steel. It is necessary to connect a gas pre-heater to the gas cylinder when welding with pure CO2. For specific gas issues, please contact your gas distributor. The gas flow rate for steel is between 8 and 15 litres per minute depending on the surroundings.
SEMI-AUTOMATIC ALUMINIUM WELDING (MIG MODE)
The equipment can weld aluminium wire from Ø 0.8 to 1.2 mm (II-B).
The use of aluminium requires a specific, pure, argon gas (Ar). Seek advice from a gas distributor for a wide selection of gases. he gas flow rate of aluminium is between 15 and 25 l/min depending on the surrounding environment and the welder’s experience.
The differences between steel and aluminium processing are as follows:
- Use specific rollers for aluminium welding.
- Put minimum pressure on the motorised reel’s pressure rollers so as not to crush the thread.
- Use a capillary tube (to guide the wire between the motorised wire feeder rollers and the EURO connector) for steel/stainless steel welding only.
- Use a special aluminium torch. This aluminium torch has a Teflon coating to reduce friction. DO NOT cut away the coating at the tip of the connector!
This coating is used to guide the wire from the rollers.
- Contact tips: use a SPECIAL aluminium contact tip that matches the wire’s diameter.
When using red or blue sheathing (aluminium welding), it is recommended to use the 91151 (II-C) accessory. This stainless steel sheath guide improves the centering of the sheath and facilitates the flow of the wire.

SEMI-AUTOMATIC WELDING IN CUSI AND CUAL (SOLDERING MODE)
The machine can weld CuSi and CuAl wire from Ø 0.8 to 1.2 mm.
In the same way as with steel, a capillary tube must be set up and a torch with a steel sheath must be used. When braze welding, pure argon (Ar) should be used.
SEMI-AUTOMATIC «NO GAS» WIRE WELDING
This equipment can weld wire without gas protection (No Gas) from Ø 0.9 to 1.6 mm. Welding flux-cored wire with a standard nozzle can lead to overheating and damage to the torch. Remove the original nozzle from your MIG-MAG torch.
CHOOSING A POLARITY

In any case, refer to the wire manufacturer’s recommendations for the choice of polarity for your MIG-MAG torch.
GAS SUPPLY
- Fit a suitable pressure regulator to the gas cylinder. Connect it to the welding station with the pipe supplied. Attach the two hose clamps to prevent leaks.
- Ensure that the gas cylinder is held securely in place with a chain attached to the power source.
- Set the gas flow rate by adjusting the dial on the pressure regulator.
NB: To adjust the gas flow rate more easily, use the rollers on the motorised spool by pulling the trigger on the torch (loosen the brake wheel on the
motorised reel so that no wire is drawn in). Maximum gas pressure: 0.5 MPa (5 bar).
This procedure does not apply to welding in «No Gas» mode.
RECOMMENDED COMBINATIONS

MIG / MAG (GMAW/FCAW) WELDING MODE

Access to some welding settings depends on the selected display mode: Settings/Display mode: Easy, Expert, Advanced. Refer to the HMI manual.
WELDING PROCESSES
For more information on GYS pre-installed user settings and welding processes, scan the QR code:

SPOT WELDING MODE
• SPOT WELDING
This welding mode allows the pre-assembly of parts before welding. Spot welding can be done manually using the trigger or timed with a predefined spot welding period. This spot welding makes reproduction and execution of non-oxidised weld points easier (accessible in the advanced menu).
• TIME LIMITS
This is a welding mode similar to SPOT welding but with predefined weld and dwell times, as long as the trigger is held down.
CONFIGURING THE SETTINGS


Access to some welding settings depends on the welding process (Manual, Standard, etc.) and the selected display mode (Easy, Expert or Advanced). Refer to the HMI manual.
MIG/MAG WELDING CYCLES

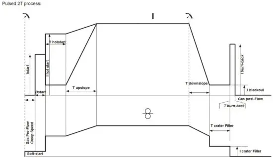
When the trigger is pulled, the pre-gas starts. When the wire touches the workpiece, a pulse initiates the arc and the welding cycle starts. When the trigger is released, the wire feeding stops and a current pulse cleanly cuts the wire, followed by the post-gas. As long as the post-gas has not finished, pressing the trigger will allow a quick restart of the weld (manual chain stitch) without going through the HotStart phase. A HotStart and/or a crater filler can be added to the cycle.

In a standard 4T process, the timing of pre-gas and post-gas is managed automatically. HotStart and crater filler are both controlled by the trigger.

When the trigger is pulled, the pre-gas starts. When the wire touches the workpiece, a pulse initiates the arc. Then, the machine starts with HotStart or upslope and finally, the welding cycle starts. When the trigger is released, the downslope initiates until it reaches crater fill. Then the STOP PEAK cuts the wire followed by the Post gas. Just as in Standard mode, the user can quickly restart the welding process during the post-gas phase without going through the HotStart phase.

In pulsed 4T mode, the timing of the pre-gas and post-gas is managed automatically. HotStart and crater fill are controlled by the trigger.
TIG (GTAW) WELDING MODE
INSTALLATION AND GUIDANCE
- DC TIG welding requires a protective gas shield (Argon).
- Connect the earth clamp to the positive (+) plug connector. Plug in the TIG torch (ref. 046108) iinto the power source’s EURO connector and the reverse cable into the negative (-) connector.
- Ensure that the torch is properly fitted and that the consumables (vice grip pliers, collet bodies, diffusers and nozzles) are not worn out.
- The choice of electrode will depend on the current of the DC TIG process.
ELECTRODE SHARPENING
For optimum results, it is advised to use an electrode sharpened in the following way:


Access to some welding settings depends on the selected display mode: Settings/Display mode: Easy, Expert, Advanced.
WELDING PROCESSES
• DC TIG welding
Specifically designed for ferrous metals such as steel, stainless steel, copper and its alloys, as well as titanium.
• Synergic TIG welding
No longer based on the selection of a DC current type and the welding cycle settings but intergrates welding rules/pre-installed settings based on real welding experiences. Therefore, this mode restricts the number of basic, adjustable settings to three: Type of material, welding thickness and welding position.
ADJUSTABLE SETTINGS
• STANDARD WELDING
The standard DC TIG welding process allows high quality welding on most ferrous materials such as steel and stainless steel, but also copper and its alloys including titanium. The various current and gas management possibilities allow you to perfectly control your welding operation, from priming to the final cooling of your weld seam.
• PULSED WELDING
This pulsed current welding mode combines high current pulses (I = welding pulses) with low current pulses (cold I, workpiece cooling pulses). The pulsed mode allows parts to be assembled while limiting temperature rises and warping. Ideal for on site use.
Example:
The welding current (I) is set to 100 A and % (cold I) = 50%, i.e. cold current = 50% x 100 A = 50.
F(Hz) is set to 10 Hz, the signal period will be 1/10 Hz = 100 ms -> a 100 A pulse every 100 ms then followed by another at 50 A.
• SPOT WELDING
This welding mode allows the pre-assembly of parts before welding. Spot welding can be done manually using the trigger or timed with a predefined spot welding period. Spot welding allows for better reproduction and non-oxidised weld points.
• TACK WELDING
This welding mode also allows for the pre-assembly of parts before welding, but in two stages this time: the first stage uses a pulsed DC current which concentrates the arc for better penetration. This is then followed by the second stage where a standard DC current is used to widen the arc and therefore the weld pool to secure the weld point.
The variable times of the two welding stages allow for better reproduction and non-oxidised weld points.
• E-TIG WELDING
This mode allows for constant power welding by measuring arc length variations in real time to ensure consistent bead width and penetration. In cases where the assembly requires careful control of the welding energy, the E-TIG mode guarantees that the welder will respect the welding power regardless of the torch’s position in relation to the workpiece.

USING THE TRIGGER


For dual button or dual trigger torches, the «high» trigger retains the same functionality as the single trigger torch . The «low» trigger is not active.
MANUAL GAS FLUSHING
The presence of oxygen in the torch can lead to a decrease in mechanical quality and can result in less corrosion resistance. To flush the gas from the torch, press and hold the button #1 and follow the on-screen procedure.
CONFIGURING THE SETTINGS

Access to certain welding settings depends on the welding process (Standard, Pulsed, etc.) and the selected display mode (Easy, Expert or Advanced).
MMA (SMAW) WELDING MODE
INSTALLATION AND GUIDANCE
- Plug the cables, electrode holder and earth clamp into the plug connections.
- Respect the electrical polarities and the strength of the welding power indicated on the electrode boxes.
- Remove the coated electrode from the electrode holder when the welding power source is not in use.
- The equipment is fitted with 3 inverter-specific features:
– Hot Start provides an overcurrent at the beginning of the welding process.
– Arc Force creates an overcurrent which prevents the electrode from sticking to the weld pool.
– The Anti-Stick technology makes it easier to unstick the electrode from the metal.
PROCESS SETTINGS

Access to some welding settings depends on the selected display mode: Settings/Display mode: Easy, Expert, Advanced. Refer to the HMI manual.
WELDING PROCESSES
• STANDARD WELDING
This standard MMA welding mode is suitable for most welding applications. It enables welding with all types of coated, rutile, basic and cellulosic electrodes, as well as on all materials: steel, stainless steel and cast iron.
• PULSED WELDING
The pulsed MMA welding mode is suitable for upright (PF) applications. The pulsed setting keeps the weld pool cold while promoting material transfer. Without pulsing, vertical upward welding requires a «Christmas tree» movement, i.e. a difficult triangular movement. Thanks to Pulsed MMA welding, it is no longer necessary to perform this movement. Depending on the thickness of your workpiece, a straight upward movement should suffice. However, if you want to enlarge your weld pool, a simple sideways movement similar to downheld welding is sufficient.. In this case, you can set the frequency of your pulsed current on the display monitor. This method offers greater control of the vertical welding operation.
CHOOSING COATED ELECTRODES
- Rutile electrodes: very easy to use in any position.
- Basic electrodes: it can be used in all positions and is suitable for safety work due to its increased mechanical properties.
- Cellulosic electrodes: a very powerful arc with a high melting speed, its ability to be used in all positions makes it especially suitable for pipeline work.
CONFIGURING THE SETTINGS

Access to some welding settings depends on the selected display mode: Settings/Display mode: Easy, Expert, Advanced. Refer to the HMI manual.
ADJUSTING THE WELDING CURRENT
The following settings correspond to the applicable current range depending on the type and diameter of the electrode used. These ranges are quite large as they depend on the usage and the welding position.

ADJUSTING THE ARC FORCE
It is advisable to set the Arc Force to the middle position (0) to start welding and then adjust it according to the results obtained and individual welding preferences. Note: The adjustment range of the Arc Force is specific to the type of electrode chosen.
POWER
A method developed for welding with DMOS-regulated energy control. As well as displaying the energy of the weld bead after welding, this mode allows the setting of the thermal coefficient according to the standard used: One for ASME standards and 0.6 (TIG) or 0.8 (MMA/MIG-MAG) for European standards. The energy displayed is calculated taking into account this coefficient.
OPTIONAL PUSH-PULL TORCH

A push-pull torch can be connected to the power source via the socket (I-11). This type of torch allows the use of AlSi wire even in Ø 0.8 mm with a torch length of 8 m. This torch can be used in all MIG-MAG welding modes.
The Push-Pull torch is detected by simply pulling the trigger.
When using a push-pull torch with potentiometer, the highest control range setting can be set using the interface.
The potentiometer can then range anywhere between 50% and 100% within this setting.
OPTIONAL REMOTE CONTROL
• RC-HA2 Analogue remote control (ref. 047679):
An analogue remote control can be connected to the power source via the socket (I-11).
This controller acts on the voltage (first potentiometer) and the wire speed (second potentiometer). These settings are then inaccessible from the power source’s interface.
• RC-HD2 Digital remote control (ref. 062122):
A digital remote control can be connected to the power source via the NUM-1 Kit (option ref. 063938).
This remote control is designed for MIG/MAG, MMA and TIG welding processes. It enables the welding unit to be controlled remotely. An ON/OFF button is used to switch the digital remote control on or off. When the digital remote control is switched on, the HMI power source displays the current and voltage values. As soon as the HMI is switched off or disconnected, the HMI power source is reactivated.
OPTIONAL COOLING UNIT

The cooling unit is automatically detected by the machine. To deactivate the cooling unit (OFF), please refer to the interface manual. The protections supported by the cooling unit to ensure the protection of the torch and the user are:
- Minimum coolant level.
- Minimum flow rate of coolant flowing through the torch.
- Thermal protection of the coolant.
Make sure that the cooling unit is turned off before disconnecting the inlet and outlet hoses for torch liquid. The coolant is harmful and irritates the eyes, the mucous membranes and the skin. Hot liquid may cause burns.
DRIVE ROLLERS (F) OPTIONAL

OPTIONAL FILTER KIT

Dust filter (PN. 063143) with a filter fineness of 270 μm (0.27 mm).
Please note that the use of this filter reduces the duty cycle of your machine’s power source.
To avoid the risk of overheating due to blocked air vents, the dust filter should be regularly cleaned.
Unclip and clean with compressed air.
ADDITONAL FEATURES
The manufacturer GYS offers a wide range of features that are compatible with your product.
To check them out, scan this QR code.

DEFECTS: CAUSES & SOLUTIONS



WARRANTY CONDITIONS
The warranty covers any defects or manufacturing faults for two years from the date of purchase (parts and labour).
The warranty does not cover:
- Any other damage caused by transportation.
- General wear of parts (eg. : cables, clamps, etc.).
- Damage caused by misuse (incorrect power supply, the dropping or dismantling of equipment).
- Environmental failures (pollution, rust and dust).
In the event of a breakdown, return the appliance to your distributor, together with:
– dated proof of purchase (receipt, invoice, etc.),
– a note explaining the breakdown..
SPARE PARTS



CIRCUIT DIAGRAM

TECHNICAL SPECIFICATIONS



*The duty cycles are measured according to standard EN60974-1 à 40°C and on a 10 min cycle. While under intensive use (> to duty cycle) the thermal protection can turn on, in that case, the arc swictes off and the indicator switches on. Keep the machine’s power supply on to enable cooling until thermal protection cancellation. The welding power source describes an external drooping characteristic. The power supply shows a flat output pattern.. In some countries, U0 is called TCO.
SYMBOLS





GYS France
Siège social / Headquarter
1, rue de la Croix des Landes – CS 54159
53941 Saint-berthevin Cedex
France
www.gys.fr
+33 2 43 01 23 60
[email protected]
GYS UK
Filiale / Subsidiary
Unit 3
Great Central Way
CV21 3XH – Rugby – Warwickshire
United Kingdom
www.gys-welding.com
+44 1926 338 609
[email protected]
GYS GmbH
Filiale / Niederlassung
Professor-Wieler-Straße 11
52070 Aachen
Deutschland
www.gys-schweissen.com
+49 241 / 189-23-710
[email protected]
GYS Italia
Filiale / Filiale
Vega – Parco Scientifico Tecnologico di
Venezia
Via delle Industrie, 25/4
30175 Marghera – VE
ITALIA
www.gys-welding.com
+39 041 53 21 565
[email protected]
GYS China
Filiale / 子公司
6666 Songze Road,
Qingpu District
201706 Shanghai
China
www.gys-china.com.cn
+86 6221 4461
[email protected]
This interface (HMI) manual forms part of the complete documentation. A general manual is included with the product. Read and follow the general manual’s instructions, particularly the safety instructions!
Only for use with the following products:

Using the device
The main screen contains all the necessary information for the entire welding process, including the pre-, mid- and post-welding phases (the interface may change slightly depending on the selected process).


Processes
Access to some welding processes depends on the product:
MIG-MAG (GMAW/FCAW)
Semi-automatic welding, in a protective gas atmosphere
TIG (GTAW)
Arc welding with non-stick electrode, in a protective gas atmosphere
MMA (SMAW)
Arc welding with coated electrode
Gouging
Air-arc gouging allows a groove to be cut in the metal
Settings (User settings)
Display mode
– Easy: reduced display and functionality (no access to the welding cycle).
– Expert: full display, allows the user to adjust the timing of the different welding cycle phases.
– Advanced: full display, allows the user to adjust all the welding cycle settings.
Language
Choice of the interface language (English, French, German, etc).
Units of measurement
Choice of measurement units: International (SI) or Imperial (USA).
Material naming
European standard (EN) or American standard (AWS).
Brightness
Adjusts the interface screen’s brightness (setting from 1 [very dark] to 10 [very bright]).
User Code
Customise the user’s access code to safely lock the machine (default 0000).
Tolerance I (current)
Current tolerance control:
OFF : Freely adjustable, the current setting is not limited.
± 0A : no tolerance, current limitation.
± 1A> ± 50A : The setting range at which the user can adjust their current.
Tolerance U (voltage)
Voltage tolerance control:
OFF : freely adjustable, the voltage setting is not limited.
± 0.0V : no tolerance, voltage limiting.
± 0.1V> ± 5.0V : setting range at which the user can vary the voltage.
Tolerance (wire speed)
Wire speed setting tolerance (m/min):
OFF : freely adjustable, wire speed setting is not limited.
± 0.0m/min : no tolerance, wire speed control.
± 0.1m/min> ± 5.0m/min : setting range at which the user can vary the wire speed.
Using the machine’s System
Naming Device Interface
Information about the device’s name and the option to customise it can be reached by pressing on the interface.
Clock
Setting the time, date and format (AM/PM).
Cooling unit
– OFF : The cooling unit is switched off.
– ON : The cooling unit is permanently switched on.
– AUTO : automatic control (activated during welding and deactivated 10 minutes after welding has ended)
PURGE : a function designed to purge the cooling unit or to filling beams, during which the safeguards are disabled (see the cooling unit manual to purge your product safely).
Reset
Pressing ‘Reset’ will reset the machine’s settings:
– Partial: will reset the default value of the present welding process.
– Total: Will reset all the device’s configuration data to the factory settings.
Locking
This machine’s interface screen can be locked to protect any work in progress and prevent unintentional or accidental changes. The current settings window can still be modified with the settings chosen in the Settings menu (see previous page). All other functions are inaccessible.
To unlock the interface, press push button #1 and enter your 4-digit user code (default 0000).
Users
The user mode enables the machine to be shared between several users. The first time that the machine is started, it will be in Admin mode. The administrator can create user profiles. Each user has his own setup (mode, setting, process and JOBs etc.) and this cannot be modified by another user. Each user needs a personal four-digit code in order to sign in to the machine.
• The administrator has access to the entire general menu.
• Users have access to a simplified interface. Users do not have the ability to delete information (Tracking, Jobs, User profiles, etc).
User configuration interface (reserved for the administrator).
The left side of the screen lists the users. The administrator has the ability to sort these users by name or by date by quickly pressing button n°2. Pressing this button for a prolonged time will delete the active user(s) instead (although the Admin account cannot be deleted).
On the right side of the screen, you can see the details of all the users previously created with the following information:
Avatar, Name, Team No. and Tolerance (%).
Creating a user profile
Press button n°3 to create a new user.
– User : Customise the user’s name by pressing push button n°3.
– Avatar : Choice of avatar colour
– Team : Assignment of the team number (10 max)
– User code : personal access code (default 0000)
– Current setting tolerance I:
OFF : freely adjustable, the current setting is not limited.
± 0.0A : no tolerance, limiting the current (not recommended).
± 0.A> ± 50A : Setting interval at which the user can vary their current.
– Voltage setting tolerance U:
OFF : freely adjustable, the voltage setting is not limited.
± 0.0V : no tolerance, limiting the voltage (not recommended).
± 0.1V> ± 5.0V : setting range at which the user can vary the voltage.
– Wire speed setting tolerance (m/min) :
OFF : freely adjustable, the wire speed setting is not limited.
± 0.0m/min : no tolerance, limiting the wire speed (not recommended).
± 0.1m/min > ± 5.0m/min : the range of settings at which the user can vary the wire speed.
It is not possible to change the admin name or avatar for the «Admin» user.
Changing a user profile
Select the user on the left side of the screen and press the push button n°4.
Selecting users
If one or more user profiles are created, the user block displays all of the machine’s users.
Select the user of your choice and press √ to confirm the choice.You will be asked for an unlock code.
The «Close» feature locks the machine on the user’s choice so that no other settings are accessible. This screen remains the same when the machine is switched on (OFF -> ON switch).
User display
The active avatar and username are displayed at the top left of the screen.
Unlocking code
Each user profile is protected by a personal, four-digit code. The default code will be 0000 if not changed. After failing to correctly enter your personal code three times, the interface will be blocked and you will be asked for an unlock code.
This code is made up of six digits and cannot be changed. It is: 314159.
Using the machine’s Tracking interface
This welding management interface allows you to track/record every step of the welding operation, bead by bead, during any industrial operation. This quality-driven approach ensures high post-production welding quality through analysis, evaluation, reporting and documentation of the recorded welding settings. This feature allows for the accurate and fast collection and storage of data required under EN ISO 3834. This data can be recovered and exported to a USB stick.
1- Start – Creating a tracking system
- Personalise the site’s name by pressing push button n°3.
- Sampling interval :
– Hold : No recording of current/voltage values (average along the wire) during welding.
– 250 ms, 500 ms, etc. : Recording of the current/voltage values (average along the wire) every «X» milliseconds or seconds during welding. - Options – OFF : simple tracking
- Options – ON : full tracking
Pass counter (ON/OFF)
Weld counter (ON/OFF)
Temperature (ON/OFF) : Temperature of the part to be welded at the beginning of the weld bead.
Length (ON/OFF) : Length of the wire (units of measurement are displayed according to the choices made in Settings/
Units of Measurement).
Variable(s): allows you to add additional personalised information (weight, notes, wire speed, etc.).
Press √ to start tracking.
Tracking display
At the top left of the screen, the job name and the bead number are displayed (the bead number goes up automatically and cannot be changed).
Identification – Options ON
At the end of each bead, an identification window appears: Pass N°, Weld N°, Part temperature and/or Bead length.
Validation
Confirmation can be done on the HMI or by pressing the torch’s trigger.
Stop – Stop tracking
To stop tracking during a welding process, the user must return to the Tracking block and select «Stop».
Export
The recovery of this information is done by exporting the data to a USB stick.
The CSV data can be processed with a spreadsheet program (Microsoft Excel®, Calc OpenOffice®, etc). The file name is linked to the machine name and serial number.
2- Start – Tracking management
The left-hand side of the screen lists previously created work sites.
The user has the possibility to sort these worksites by name or by date by quickly pressing button n°2. Holding down this button will delete the active job or all jobs.
The right-hand side of the screen shows the details of each of the previously created jobs with the following information: sampling frequency, number of recorded welds, total welding time, welding energy supplied, setup of each weld (process, timestamp, welding time and welding U-I).
![]()
Portability
Import Setup.
Upload the machine settings from a USB memory stick (directory: Removable Disk\PORTABILITY\ CONFIG) to the machine. Press and hold to delete the settings on the USB stick.
Export Configuration
Export the machine settings to a USB stick (directory: Removable Disk\PORTABILITY\CONFIG).
Import Job
Importing Jobs to the machine according to the processes available in the USB key’s Removable Disk directory.
Export Job
Exporting jobs from the machine to a USB stick according to the processes (directory: Removable Disk\PORTABILITY\ JOB). Caution, older jobs on the USB stick may be deleted.
To prevent data loss during data import or export, do not remove the USB flash drive or turn off the machine. The file name is linked to the machine name and serial number.
Calibration
Calib. Speed
Feature designed to calibrate the speed of the motorised reel. The purpose of calibration is to compensate for variations in reel speed in order to adjust the displayed voltage measurement and to refine the energy calculations.
The procedure, once started, is explained with an animation on the screen.
Calibration of the motorised reel speed must be done regularly to ensure optimal welding.
Calib. The Cable
Feature is also dedicated to the calibration of welding accessories such as the torch, cable and electrode holder, as well as the cables and earth clamp. The purpose of calibration is to compensate for the accessories’ length changes in order to adjust the displayed voltage measurement and to refine the energy calculations.
The process, once started, is explained with an animation on the screen.
Important : The cable calibration must be repeated each time the torch, harness or earth cable is changed to guarantee optimal welding.
Information
Setup data of the product’s system components:
– Model
– Serial number
– Device name
– Software version
– Job and Synergies (preinstalled user settings) used.
Pressing any push button will exit the information screen.
Job memories and reminders
Can be accessed via the «JOB» icon on the main screen.
The settings in use are automatically saved and remembered the next time you turn on the machine. In addition to the current settings, it is possible to save and remember so-called «JOB» settings. There are 500 JOBS for the MIG/MAG and TIG processes, as well as 200 for the MMA process. Data storage is based on the current process settings, the current settings and the user profile.
Job
This JOB mode enables JOBs to be created, saved, remembered and deleted.
Quick-Load – Recall JOBs from the trigger when not welding.
Quick Load is a non-welding JOB recall mode (20 max) and only possible in MIG-MAG and TIG processes. From a list of previously created JOBs, JOB recalls are done by short trigger presses. All trigger modes and welding modes are supported.
Error codes
The following table shows a non-exhaustive list of messages and error codes that may appear.
Carry out these checks and controls before contacting an authorised GYS technician.
If the user needs to open the product, they must turn off the power supply by unplugging the electrical plug and waiting two minutes for safety.



If an unlisted error code appears or your problems persist, contact GYS Customer Service.
Warning icons
The alert icons at the top right of the screen provide you with more information about your product.
![]()
Read More About This Manual & Download PDF:


















