
INSTRUCTION MANUAL FOR MG260 MIG WELDER
WARNING: BEFORE STARTING THE EQUIPMENT, READ THE CONTENTS OF THIS MANUAL, WHICH MUST BE STORED IN A PLACE FAMILIAR TO ALL USERS FOR THE ENTIRE OPERATIVE LIFE-SPAN OF THE MACHINE. THIS EQUIPMENT MUST BE USED SOLELY FOR WELDING OPERATIONS.
SAFETY PRECAUTIONS
WELDING AND ARC CUTTING CAN BE HARMFUL TO YOURSELF AND OTHERS. The user must therefore be educated against the hazards, summarized below, deriving from welding operations. For more detailed information, order the manual.
ELECTRIC SHOCK – May be fatal.
Install and earth the welding machine according to the applicable regulations.
Do not touch live electrical parts or electrodes with bare skin, gloves or wet clothing.
Isolate yourselves from both the earth and the workpiece.
Make sure your working position is safe.
FUMES AND GASES – May be hazardous to your health.
Keep your head away from fumes.
Work in the presence of adequate ventilation, and use ventilators around the arc to prevent gases from forming in the work area.
ARC RAYS – May injure the eyes and burn the skin.
Protect your eyes with welding masks fitted with filtered lenses, and protect your body with appropriate safety garments.
Protect others by installing adequate shields or curtains.
RISK OF FIRE AND BURNS
Sparks (sprays) may cause fires and burn the skin; you should therefore make sure there are no flammable materials in the area, and wear appropriate protective garments.
NOISE
This machine does not directly produce noise exceeding 80dB. The plasma cutting/welding procedure may produce noise levels beyond said limit; users must therefore implement all precautions required by law.
PACEMAKERS
The magnetic fields created by high currents may affect the operation of pacemakers. Wearers of vital electronic equipment (pacemakers) should consult their physician before beginning any arc welding, cutting, gouging or spot welding operations.
EXPLOSIONS
Do not weld in the vicinity of containers under pressure, or in the presence of explosive dust, gases or fumes. . All cylinders and pressure regulators used in welding operations should be handled with care.
ELECTROMAGNETIC COMPATIBILITY
This machine is manufactured in compliance with the instructions contained in the harmonized Standard, and must be used soley for professional purposes in an industrial environment. There may be potential difficulties in ensuring electromagnetic compatibility in non- industrial environments.
IN CASE OF MALFUNCTIONS, REQUEST ASSISTANCE FROM QUALIFIED PERSONNEL
GENERAL TECHNICAL DESCRIPTIONS
2.1 SPECIFICATIONS
This manual has been prepared with the intent of instructing the operator on how to install, operate, and properly maintain this electric arc welding machine. This machine is a constant voltage power source for MIG and OPEN-ARC welding. Upon receiving and unpacking the machine, make a careful inspection to ensure that there are no damaged parts. Should there be a claim for losses or damages it must be made by the purchaser directly to the shipper who handled the goods. When requesting information about this welding machine, please state the machine’s part number and serial number to ensure receiving accurate information relating to your machine.
2.2 DESCRIPTION OF TECHNICAL SPECIFICATIONS
MODEL: The model of the machine
EN 60974-10:2003 International standards.
SN Machine Serial Number which must appear on requests or inquiries concerning the machine.

3-50/60Hz Three-phase input supply at 50 or 60 Hz
1-50/60Hz Single-phase input supply at 50 or 60 Hz.
Uo Secondary no-load voltage (peak value).
X Duty-Cycle Percentage
The duty-cycle is the number of minutes, expressed as a percentage, the machine can operate (arc on) within a ten-minute period without overheating. The duty cycle varies according to the output current.
I2 Output welding current
I1 Input Amps absorbed corresponding to different output levels (I2).
U2 Secondary voltage with welding current I2.
U1 Nominal supply voltage
IP21 Machine case protection class. The 1 in the second digit place means that this unit is not fit to work outdoors in the rain.
F Insulation Class
NOTE: This machine has also been designed to work in class 3 pollution areas.
INSTALLATION
3.1 SETUP
Place the machine in a clean, well ventilated area. Dust, dirt, or any other foreign material that might enter the machine may restrict the cooling (ventilation) which could affect the machine’s performance. Fasten the (rotating support to the machine top and fix the handle) the wheels and the bottle support. (and, if any, the cooling unit.)
3.2 INPUT POWER CONNECTIONS
This machine must be installed by skilled personnel and wired in accordance with local codes.
When installing qualified plug make sure to connect the yellow-green wire to ground and other two power leads to Line.
The machine must be connected to the input supply voltage marked on the input power cord. DELETE (In the event the input supply voltage must be changed, remove the right side panel , locate the voltage-changing terminal board and arrange the connections as shown in ILLUSTRATION OF
WORKING PRINCIPLE.
After having changed the supply voltage, re-place the upper cover).
This machine must never be used without the top and side covers. This is both for obvious safety reasons and to avoid interference with the machine’s internal cooling system. The warranty is to be considered null and void it this machine is used without the protection of its top and side covers.
3.3 OUTPUT CONNECTIONS
3.3.1 Wire feeder connection
This power source is compatible with external wire feeders. To connect the power source to the wire feeder units use the extension art. Performances and operating features of the wire feeder are described in the operating manuals supplied with the wire feeder. (itself.)
3.3.2 Connecting the work return lead clamp.
Connect the male end of the work return lead to one of the impedance taps on the front panel of the machine. The impedance tap designated by provides the maximum amount of impedance and is recommended when welding thinner aluminum, stainless steel, and carbon steels of binary or ternary composition. The impedance tap designated by provides the least amount of impedance and is recommended when using carbon dioxide (Co2) as a shielding gas to weld thicker carbon steels of binary or ternary composition.
It is generally advisable to use low impedance values for small diameter wires and high values for big diameter wires.
After having selected the proper impedance tap, attach the work return clamp to the work to be welded.
Make sure that the ground clamp is tightly fastened to the work return cable and periodically check that this connection remains well tightened. A loose connection can cause weld current drops or overheating of the work return lead and clamp which, in turn, creates the risk of burns from accidental contact with the work return lead. The weld circuit must not be placed deliberately in direct or indirect contact with the ground conductor if it is not on the work to be welded.
3.3.3 Connecting Cylinder Gas Hose.
Keep the cylinders in an upright position by chaining them to both upper and lower supports.
Do not lift the machine with the cylinder on its support shelf.
Keep the cylinder away from the welding area and un-insulated electric circuits.
Cylinders containing inert gas have to be equipped with a pressure regulator and a flow meter.
After having positioned the cylinder(s), connect the gas hose that comes out from the rear of machine to the gas regulator output. NOTE: seperate gas lines to mig gun and spool gun machine connects Regulate the gas flow to 8-10 L/min.
4 WELDING
4.1 INSTALLATION AND START-UP
Machine installation must be done by licensed professional. All connections must correspond to the rules in force and must respect local laws and codes concerning accidents.
Confirm that the wire diameter selected matches that indicated on the drive roll and mount spool.
Loosen drive roll “Pinch” arm and slide wire over rollers and into guide tube 1-2 inches.
Reconnect “Pinch” arm and set wire tension being careful not to detent softer wires.
Check that the gas line is connected but the cylinder valve closed.
Position the welding machine so as to allow free air circulation in both front and rear panels.
4.2 THE MACHINE IS READY TO WELD
Connect the earth clamp (ground) to the part to be welded as close to the weld area as possible.
Turn the machine power “on”.
Remove the gas nozzle from the gun neck by rotating it clockwise.
Remove the contact tip from the tip holder making sure not to loosen the tip holder/nozzle seat. Hold torch away from work and press the trigger to feed the wire from the machine to the torch. WARNING: Keep torch away from operator (face) and work while waiting for wire to feed out. Slide contact tip over wire, making sure that the hole diameter is the same as that the wire being used, and screw tip firmly into torch neck. Loose tip can cause poor weld and permanently damage torch.
Reinstall gas nozzle and open the gas cylinder with flowmeter set at 8-10L/min.
WARNING: Check that the gas selected is correct for the material to be welded.
4.3 WELDING CARBON STEELS.
To weld carbon steels the following things are necessary:
1) Shielding gas which is most commonly Argon and Carbon dioxide, in a ratio of 75-80 % Argon and 25-20% Carbon dioxide. Some applications, however, may require a mix of three gases: Argon, Carbon dioxide (CO2), and dioxide (O2). These gas mixtures generate heat during welding and as a result the weld bead will be well filleted and neat in appearance. The penetration, however, will not be deep.
The use of Carbon dioxide as the shield gas results in a narrow weld bead with deep penetration but the ionization of the gas will have an influence on arc stability.
2) Filler wire should be of the same quality and type as the steel to be welded. It is recommended that high-quality wires be used and that welding with rusted wires be avoided because they can give rise to defects in the weld bead. Generally, the wire current range can be calculated in the following manner:
Ø of wire x 100= minimum Amperage.
Ø of wire x 200= maximum Amperage
Example: 1.20 Ø wire = 120 Amps Min. and 240 Amps Max. These amperages are based on the use of an Argon/CO2mixture as the shield gas and welding in the Short Arc transfer mode.
3) Avoid welding on rusted workpieces or work having spots of oil and grease present on the surface.
4) Welding torch must be rated for the welding currents (Amps) that are going to be used.
5) Periodically check that the two handles making up the ground clamp are not damaged and that the welding cables (torch cable and the work return lead) do not have any cuts or burn marks that would reduce their efficiency.
4.4 WELDING STAINLESS STEEL
Welding stainless steels in the 300 series (the austenitic series) must be done using a shield gas mixture of predominantly Argon with a small percentage of O2 added to stabilize the arc. The recommended mixture is AR/O2 in the ratio of 98/2. Do not use CO2 or AR/CO2 shield gases. Stainless must be very clean for good welds. Do not touch the welding wire with your bare hands. The wire must be of a higher quality than the work to be welded and the weld area must be clean.
4.5 WELDING ALUMINIUM
Requirements for aluminum welding:
1) 100% Argon as welding shield gas.
2) A torch wire of composition suitable for the basic material to be welded.
For ALUMAN welding wire 3.5% silicon.
For ANTICORODAL welding wire 3.5% silicon.
For PERALUMAN welding wire 5% magnesium.
For ERGAL welding wire 5% magnesium.
3) A torch prepared for aluminum welding with special Teflon liner and AL style contact tip or Aluminum spool gun attached to machine.
4) Use drive rolls that are suitable for aluminum wire. The drive rolls, when being installed, must be tightened as tight as possible.
5) Use contact tips that are suitable for aluminum wire and make sure that the diameter of the contact tip hole corresponds to the wire diameter that is going to be used.
6) Use abrasive grinders and tool brushes specifically designed for aluminum. Never use these tools on other materials. REMEMBER that cleanliness equals quality.
The wire spools must be stored in plastic bags with a dehumidifier.
COMMON ALUMINUM WELDING DEFECTS
A- DEFECT- Porosity (in, or on the surface of the weld bead)
CAUSES Bad wire (rust on the surface).
Insufficient gas shielding due to:
– Inadequate gas flow due to a block in the gas line.
– Defective flowmeter.
– Gas regulator covered with frost because CO2 heater regulator was not used.
– Failure of gas valve solenoid.
– Gas nozzle plugged up with spatter.
– Air drafts in the welding area.
B- DEFECT- Shrinkage Cracks
CAUSES Welding wire or work to be welded dirty or rusty.
Weld bead too small.
Weld bead too concave.
Too much weld bead penetration.
C- DEFECT- Lateral cracking
CAUSES Welding speed too fast.
Low current and high arc voltages.
D- DEFECT- Too much Spatter
CAUSES Voltage too high
Insufficient impedance
No gas heater used for CO2 shielding gas.
6 GENERAL MAINTENANCE
Torch Nozzle: Periodically clean the nozzle of all weld spatter that may have accumulated during welding operations. If the nozzle should become distorted or oval in shape then it must be replaced. Contact tip: A good contact between the contact tip and the wire ensures a stable arc and optimal current output. Therefore, following steps must be followed:
A) The contact tip hole must be kept free of dirt or oxidation.
B) After lengthy welds, spatter can easily accumulate on the contact tip and prevent the wire from being fed. The contact tip must be cleaned regularly and if necessary it must be replaced.
C) The contact tip must always be screwed tightly on to the body of the torch. The thermal cycles which the torch undergoes during operation may loosen the contact tip which, in turn, may cause the torch body and nozzle to overheat or cause unsteady wire feed.
Liner: Check for deposits of copper dust or tiny metal shavings in the lining. Periodically clean the liner with dry compressed air. Wire liners are exposed to continual wear and therefore they must be replaced after a certain period of time.
Wire Feed Drive: Periodically clean the wire feed assembly and the drive rolls from any rust or metal shavings due to the feeding of the wire. A periodic check of all the components of the wire feed assembly, spool holder, drive rolls, wire liner and the contact tip is recommended.
7 TROUBLESHOOTING

Note: All repair work must be done by qualified personnel.
Disconnect the power input cable from the mains supply before replacing cables or before removing the unit covers. The machine is equipped with a thermostat that shuts the machine down when the power source overheats. After the thermostat intervenes, let the power source cool down for several minutes before resuming welding operations.
The troubleshooting table lists troubles, causes and remedies for those troubles that occur most commonly.
8 WELDING MACHINE SERVICING
Experience has shown that many accidents originated from servicing improperly executed. For this reason, only qualified professionals should service machines.
9 DESCRIPTION OF CONTROLS
9.1 CONTROLS ON GENERATOR FRONT PANEL

A: Over-Temp (yellow): Light up while over duty cycle
B: Power pilot (green): Light up when turn on the power switch
C: Spot welding time knob: Setting the time of the spot welding. (Note: turn off when normal use without spot function )
D: Adjustable feeding wire knob: Adjust the speed of feeding wire (The larger the number, the faster the feeding wire.)
E: Connector of torch
F: Power switch
G: Rotary weld voltage switch:
This switch adjusts the weld voltage range.
G2: Rotary weld voltage switch:
This switch allows the fine tuning of the welding voltage selected with switch G. (Step adjustment)
H: Quick connector for work return lead
I: control socket
J: toggle switch (torch selection)
9.2 CONTROLS ON GENERATOR REAR
A: Gas pipe connecter
B: Input power cable (Confirm the power voltage before use)
C: Socket for heater of regulator
D: Support for cylinder
E: Power fuse
F: Ground connector

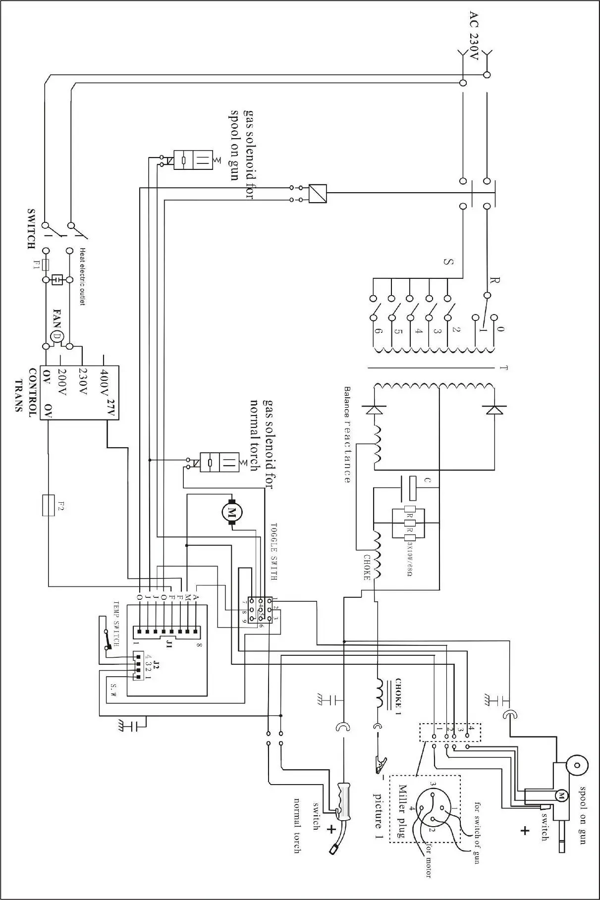
ILLUSTRATION OF WORKING PRINCIPLE

ILLUSTRATION OF EXPLODED


MIG Welder MG260 Instruction Manual – Download [optimized]
MIG Welder MG260 Instruction Manual – Download


















