FERM WEM1042 Arc Welder

Introduction
Read the operating instructions carefully before using this device. Familiarise yourself with its functions and basic operation. Service the device as per the instructions to ensure that it always functions properly. The operating instructions and the accompanying documentation must be kept in the vicinity of the device.
The fusion welding process is used to melt the workpiece material under the influence of heat supplied. With electrical arc welding use is also made of welding material (electrodes). The weld originates after solidification. The heat required is obtained by maintaining an electrical arc between the electrode and workpiece. The welding process requires a strong current (40-100 A) with a relatively low voltage (10-48 V). A transformer in the welding appliance ensures the lowering of the mains voltage (230 V). The device is not suitable for commercial use!
MACHINE INFORMATION
Technical specifications
- Voltage 230 V ~
- Frequency 50 Hz
- Welding power 40-100 A
- Ignition voltage ≤ 48 V
- Electrode thickness 1.6 – 2.5 mm
- Weight 13.2 kg
- Dimensions 290x195x170 mm
- Thermal protection 120ºC ± 5ºC
- Power cable H07RN-F, 3G x 1.5 mm2
- Welding cable H01N2-D1 x 10 mm2
Contents of packing
- 1 Welding appliance
- 1 Welding mask
- 1 Wire brush/scaling hammer
- 1 User Manual
- 1 Safety instructions
- 1 Guarantee card
Check the machines, loose parts and accessories for transport damage.
Product information
- Indicator lamp temperature
- On/off switch
- Rotary knob for setting current intensity
- Welding cable with electrode holder
- Earth cable with fixture
- Rubber cap
- Handle
- Ventilation slots
- Wire brush /scaling hammer
- Welding mask
- Electrodes
Table: setting and use
SAFETY INSTRUCTIONS
Explanation of the symbols
- Caution! Read instruction manual
- Denotes risk of personal injury, loss of life or damage to the tool in case of nonobservance of the instructions in this manual.



General safety instructions for welding appliances
- The user of the machine must have been instructed how to use and operate the machine.
- Ensure a well-illuminated and tidy working environment.
- Always remove the plug from the plug socket before carrying out maintenance on the machine.
- Remove the plug from the plug socket when you leave the machine.
- Do not use the machine before you have fully assembled and installed the machine as described in the manual.
Specific safety instructions for welding appliance
- Risk of electric shock: Electric shock from welding electrode can kill. Do not weld in the rain or snow. Wear dry insulating gloves. Do not touch electrode with bare hands. Do not wear wet or damaged gloves. Protect yourself from electric shock by insulating yourself from work piece. Do not open the equipment enclosure.
- Risk induced by welding fumes: Breathing welding fumes can be hazardous to your health. Keep your head out of the fumes. Use equipment in an open area. Use ventilating fan to remove fumes.
- Risk induced by welding sparks: Welding sparks can cause explosion or fire. Keep flammables away from welding. Don’t weld near flammables. Welding sparks can cause fires. Have a fire extinguisher nearby and have a watch person ready to use it. Do not weld on drums or any closed containers.
- Risk induced by the arc: Arc rays can burn eyes and injure skin. Wear hat and safety glasses. Use ear protection and button shirt collar. Use welding helmet with correct shade of filter. Wear complete body protection.
- Risk induced by electromagnetic fields: Welding current produces electromagnetic field. Do not use with medical implants. Never coil welding cables around your body. Route the welding cables together.
- Welding causes sparks and hot metal. Remember that this is a fire hazard, and remove all flammable objects from the working environment.
- Ensure good ventilation in the working environment. Gases are released when welding that are a danger to your health.
- Do not weld containers or pipes that contain or have contained flammable liquids or gases (danger of fire or explosion).
- Do not weld materials that have been cleaned with highly flammable liquids or that have painted surfaces (likelihood of the release of dangerous gases).
- Do not work in a humid or wet environment and do not weld in the rain.
- Always protect your eyes with the welding mask supplied.
- Use gloves and protective clothing that are dry and not drenched in oil or dirt.
- The slag to be chipped off is sometimes glowing hot and can cause serious eye injuries during removal. Always wear protective goggles and gloves.
- Ultraviolet radiation can burn your skin during welding. So always wear suitable protective clothing.
- Your welding appliance is protected against overloading. The welding appliance therefore automatically switches off if it overloads. The welding appliance automatically switches on again after it has cooled sufficiently.
- During welding and cooling your workpiece can deform due to stresses. Always bear this in mind.
- Only the welding cables included in the delivery kit may be used (Ø 10 mm2 rubberized welding cable).
- Special regulations apply to areas at risk of fire or explosions.
- Welded connections that are exposed to high stress and which must fulfill certain safety requirements may only be carried out by specially trained and certified welders. Some examples are: Pressure vessels, slide rails, tow couplings, etc.
- Important: Always connect the ground terminal as close as possible to the weld spot in such a way that the welding current can take the shortest possible path from the electrode to the ground terminal. Never connect the ground terminal to the housing of the welding device! Never connect the ground terminal to grounded components that are located far away from the workpiece, e.g., to a water pipe in another corner of the room. Otherwise, the protective conductor system of the room in which you are welding could become damaged.
- The fusing of the supply lines to the power outlets must correspond to regulations (VDE 0100). Protective contact outlets may be fused with a max of 16A (types and technical data: RT14-20, Ø 10 x 38, AC 400 V 16A. IEC 60269. slow blow. Manufacturer: Chint) (fuses or line-protection switches). Higher amperage fuses can lead to burnt cables or fire damage to the building.
Electrical safety
Switch off the machine at once if:
- There is a defect in the mains plug, power cable or there is damage to the cable.
- Defective switch.
- You see smoke or smell burnt insulation.
Warning! Depending on the supply mains conditions at the point of connection, the welding power source may cause interference to the supply to other electricity users. If there is any doubt about this question advice should be sought from the electricity supply authority.
- Make sure that the welding appliance and electric wiring connections are properly made. Any likelihood of electric shock can endanger life.
- Always ensure good connections, both of the electrode holder and the earth terminal.
- Do not allow electrical cables to be damaged by pulling. Disconnect cables before you move the welding appliance.
- Avoid contact with the electrically conductive part of the welding appliance, the electrode holder and the earth terminal.
- Always check that your mains voltage corresponds to the value on the type plate of the machine.
- With the replacement of cables or plugs: Throw away old cables or plugs as soon as they have been replaced by new ones. Inserting a loose cable plug in a plug socket is dangerous.
- For all welding appliances working on 230 Volts use at least 16 Ampere fusing
- When use is made of extension leads: Use only an approved extension lead that is suitable for the machine power. The cores must have a diameter of at least 1.5 mm2. Roll the cord fully out if the extension cord is on a reel.
- Only allow qualified electricians to work on the supply voltage end, e.g., on cables, plugin connectors, outlets, etc.
MOUNTING ACCESSORIES
Make sure that the plug has been removed from the plug socket during the assembly of accessories.
Installation of the machine
- Install the welding appliance in a dry and clean space (free of iron powder, dust and paint).
- Place the welding appliance on a firm and flat surface and at least 20 cm from the wall.
- Protect the welding appliance against rain and strong sunlight.
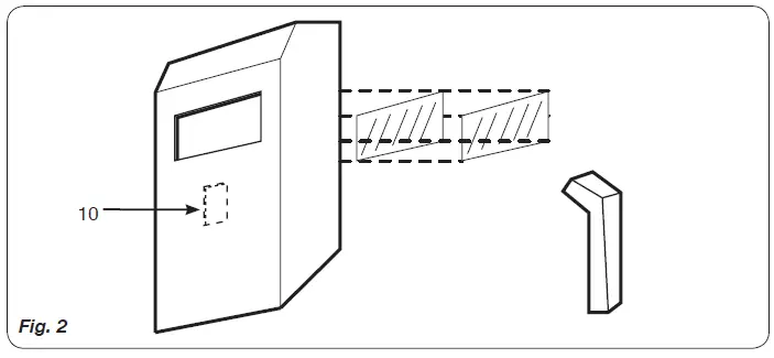
The welding mask
- Slide the handle on the welding mask until it locks.
- Place the light glass (protective glass) in front of the dark welding glass. Slide both glasses in front of the opening.
- Make sure that the glasses are positioned so that no (harmful) light can now penetrate the opening.
- Replace the light-protective glass when the view of the workpiece becomes insufficient during welding. Replacing the dark welding glass is considerably more expensive than replacing the light protective glass.
Fitting new electrodes
The electrode consists of a metal core enclosed by a coating. At one end of the electrode the core is not covered by the coating.
- Press the handle of the electrode holder against the spring.
- Place an electrode with uncoated end (± 2 cm) in the electrode holder. Make sure that the non-coated part makes good contact with the metal part of the electrode holder (electrode not pushed too far in the electrode holder).
- Release the handle of the grip. The electrode is now fixed.
N.B! Do not allow the electrode to burn to lengths shorter than ± 5 cm because of overheating and/or the deformation of the electrode holder. The burnt up electrode will then be difficult to remove.
Removing used electrodes
Press the grip of the electrode holder against the spring so that the burnt up electrode can fall from the holder.
N.B! Do not remove the electrode from the holder by hand. The electrode is very hot!
N.B! Watch where the waste electrode falls to prevent a fire hazard and possible injury.
OPERATING
Before use:
- a. General information about electric arc welding
- b. The electrode
- c. Protective clothing
- d. Face protection
- e. Working environment
a. General information about electric arc welding
The temperature of the arc amounts to approx. 7000° Celsius, so the end of the electrode and the workpiece fuse. For as long as the arc is maintained, the electrode will melt and supply the necessary welding material to the parts to be joined. The distance between the electrode and the workpiece must be as short as possible (approx. 1.5 – 4 mm) depending on the diameter and type of electrode. The current needed for welding is supplied by the welding appliance. The power required by the welding appliance depends on the work to be done. Make sure that the electrodes are completely dry, as moist electrodes cause problems. If the electrode sticks to the workpiece during welding your current intensity is set too low.
b. The electrode
- The electrode consists of a metal core enclosed by a coating. The coating has the most important purpose of protecting the welding pool and the transferring droplets against oxygen and nitrogen in the surrounding air. The electrode melts during welding. A part of the coating vaporises so a protective gaseous shield originates. part of the coating floats on the welding pool (it is lighter than steel) and also protects the cooling weld. After cooling this coating becomes a solid but easily removable slag on the welded joint.
- Handle the electrodes with care so the coating is not broken. Make sure that the electrodes are thoroughly dry, so store them in a moisture-free place.
- It is of great importance to use the right electrode to make a good and strong welded joint. A universal electrode will in many cases be suitable for your work.The electrode packaging mentions in which positions welding can be done with the electrodes concerned (above the head, downwards, etc. bearing in mind the speed of melting of the electrode). Separate electrodes are commercially available for the welding of types of stainless steel and cast iron. Consult your dealer about purchasing the right electrode.
c. Protective clothing
Wear thoroughly covering clothing so that the likelihood of the skin being burnt by ultraviolet radiation or splashes of metal is minimised. Preferably wear cotton overalls, welding gloves and safety shoes. Make sure that welding spatter cannot end up in gloves or shoes. A (leather) welding apron stops burning and sparks damaging overalls.
d. Face protection
Use a good welding mask with (dark) welding glass and protective glass. Check that both glasses are correctly fitted (well-fastened and not allowing any sunlight in). The welding mask protects the welder against radiation, heat and weld spatter released during the welding process. This also reduces the inhalation of welding fumes. The invisible ultraviolet rays cause so-called “welder’s flash”. This already originates after a few seconds of looking into the electric arc. Avoid the effects of this radiation and high temperatures on the face and other exposed body parts such as the neck and arms. Protect yourself against the dangerous effects of the electric arc and keep persons who are not participating in the work at least 15 m from the arc. Persons or assistants working in the vicinity of the electric arc must be advised of the hazards and they must be equipped with the required protective gear. If required, set up protective walls.
e. Working environment
- Ensure a well ventilated working environment. Gases are released when welding that are a danger to your health.
- Remove all flammable objects from the working environment. Welding causes sparks and hot metal.
- Make sure that cooling water is present in the vicinity of workplace. Do not leave just welded (hot) workpieces unattended in the workplace. Cool the workpiece before leaving the workplace.
Protection against radiation and burns
- At the work place, the hazard to the eyes must be indicated by a sign stating “Caution! Do not look at the flames!” The workstations must be shielded as much as possible in such a manner that personnel standing in the vicinity of the workstation are protected. Keep unauthorized personnel away from the welding work.
- In the immediate vicinity of the stationary workstations, the walls should not be brightly colored or glossy. Windows must be coated with suitable paint to at least eye-level to prevent radiation reflecting or passing through.
Bringing into use
Tip: Before you start welding difficult workpieces it is best to first try the welding out on a test piece.
- Ensure a clean workpiece: remove any rust, grease and paint residues.
- Set the required current intensity using the knob on the front of the welding appliance. The choice of current intensity depends on the workpiece and the type of electrode used.
- Place the part of the electrode without coating in the electrode holder and connect the earth terminal to the workpiece.
- Switch the welding appliance on with the main switch.
- Keep the welding mask in front of your face and move the point of the electrode over the workpiece as if you were striking a match. This is the best way to start the welding arc. Do not strike the workpiece with the electrode. This will damage the electrode and impede the creation of the welding arc.
- After creating the welding arc immediately try to keep the distance between point of the electrode and the workpiece equal. Keep this distance equal to the diameter of the electrode. Keep this distance as constant as possible during welding.
- Move the electrode in a gradual pulling movement over the workpiece.
- Keep the angle between electrode and workpiece between 60° and 70° in the direction of movement.
- When the welded joint has been made, break the welding arc by removing the electrode from the workpiece.
- Switch off the welding appliance.
N.B. If you leave the welding appliance on, the likelihood is great that the electrode will make contact (through the work bench) with the earth cable and spontaneously start to weld. - Remove the slag from the welded joint with a scaling hammer.
Take care for hot flying metal particles. Always wear protective goggles. - Never weld over slag residues: the slag forms an insulating and contaminated layer, and as a result weakens the weld (so-called slag inclusion).
- Brush the weld clean using a wire brush.
N.B. The workpiece is still at a very high temperature. Do not leave the hot workpiece unattended.
Indicator lamp temperature
When the temperature of the welding appliance becomes too high, the built-in thermostat will switch off (indicator light comes on). The built-in ventilator cools the machine. After cooling the lamp goes off again. Preferably allow the machine sufficient time to cool down; with intensive welding the likelihood is great that the thermal cut-out will trigger again after a few minutes.
SERVICE & MAINTENANCE
Make sure that the machine is disconnected before carrying out any maintenance. This machine has been designed to operate over a long period of time with a minimum of maintenance. Continuous satisfactory operation depends upon proper machine care and regular cleaning.
Malfunction
Should the machine fail to function correctly, a number of possible causes and the appropriate solutions are given below:
The welding appliance is not working.
- Earth terminal does not have good contact with the workpiece.
- Electrode is not properly positioned in its holder.
- Thermal cut-out switched off.
- Fusing defective (in meter box), or the thermal protection was burned.
- The cable is broken.
- The switch is defective/contact your dealer
Electrode continues to ‘stick’ to the workpiece.
- Use the right type of electrode (universal)
- Current intensity too low/turn button 3 clockwise
Electrode is orange-red.
- Current intensity too high for this type of electrode/turn button 3 anti-clockwise Electrode spatters excessively and makes a lot of noise during welding.
- Current intensity too high/turn button 3 anticlockwise
The machine is too hot; indicator lamp is on.
- The ventilation slots are blocked/clean them with a dry cloth; wait a few minutes until the lamp goes off again.
Repairs and servicing should only be carried out by a qualified technician or service firm.
Cleaning
- Make sure that the ventilation slots are free of dust and dirt. Use a soft cloth moistened with soapy water for removing stubborn dirt. Do not use any solvents such as petrol, alcohol or ammonia, etc.
- Make sure that the electrode holder and earth terminal remain corrosion-free so they can continue making good electrical contact.
- Regularly check that welding and workpiece cables are firmly connected in their connections
Lubrication
The machine requiers no additional lubrication.
Faults
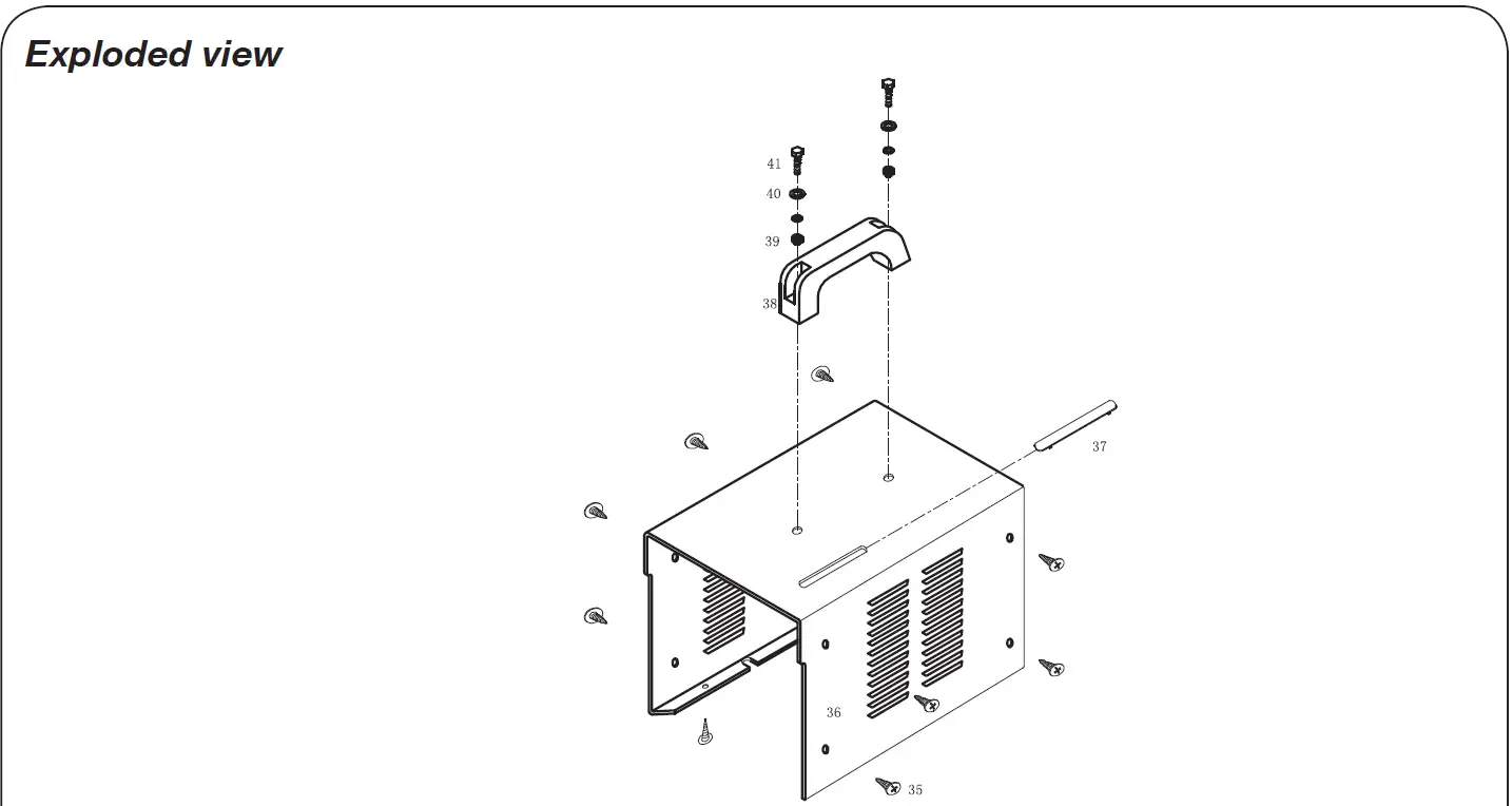
Should a fault occur, e.g. after wear of a part, please contact the service address on the warranty card. In the back of this manual you find an exploded view showing the parts that can be ordered.
ENVIRONMENT
To prevent damage during transport, the appliance is delivered in a solid packaging which consists largely of reusable material. Therefore please make use of options for recycling the packaging.
Faulty and/or discarded electrical or electronic apparatus have to be collected at the appropriate recycling locations.
Only for EC countries
Do not dispose of power tools into domestic waste. According to the European Guideline 2012/19/EU for Waste Electrical and Electronic Equipment and its implementation into national right, power tools that are no longer usable must be collected separately and disposed of in an environmentally friendly way.
WARRANTY
The guarantee conditions can be found on the separately enclosed guarantee card.
Spare parts list
WEM1042
| Article no. | Description | Position no. |
| 100166 | On/Off switch | 15 |
| 100165 | Indicator lamp | 16 |
| 100168 | Thermic protection | 23 |
| 100177 | Thermic cutout | 22 |
| 100173 | Fan | 19 |
| 100175 | Handle | 22 |
| 100163 | Earthclamp | 05 |
| 100164 | Weldingclamp | 14 |
| 100005 | Wire brush /scaling hammer | – |
| 100006 | Welding lens | – |
| 100007 | Welding mask (excl. Weldinglens) | – |

The output is rated at an ambient temperature of 20 °C and the welding time may be reduced at higher temperatures.
Exploded view



DECLARATION OF CONFORMITY
We declare under our sole responsibility that this product is in conformity with directive 2011/65/EU of the European parliament and of the council of 8 June on the restriction of the use of certain hazardous substances in electrical and electronic equipment is in conformity and accordance with the following standards and regulations:




















