MITSUBISHI ELECTRIC PAC-SF83MA-E Card Converter

Product Information
The PAC-SF83MA-E is a remote controller for various Mitsubishi Electric air conditioning models. The controller is compatible with multiple groups of models, including PUHZ-RP1.6/2VHA, PUZ-HA30/36NHA, and PUH-P200/250YHA, among others.
Product Usage Instructions
To use the PAC-SF83MA-E remote controller, first ensure that it is compatible with your Mitsubishi Electric air conditioning model. Check the list of applicable models in the user manual to confirm compatibility.
Once compatibility is confirmed, follow these steps to use the remote controller:
- Insert batteries into the remote controller according to the polarity markings on the battery compartment.
- Power on the air conditioning unit using the power button on the unit or the remote control.
- Press the MODE button on the remote control to select the desired operating mode (e.g. cooling, heating, auto).
- Adjust the temperature using the UP and DOWN buttons on the remote control.
- Use other buttons on the remote control (such as FAN SPEED or VANE CONTROL) to customize additional settings according to your preference.
- To turn off the air conditioning unit, press the POWER button on the remote control or the unit itself.
Note that specific instructions for using the PAC-SF83MA-E remote controller may vary depending on the model and group of Mitsubishi Electric air conditioning unit being used. Refer to the user manual for model-specific instructions and troubleshooting information.
For models in which this component is used, see the separate sheet.
SAFETY PRECAUTIONS
- Before starting the installation, read the “Safety Precautions” described below.
- The following precautions must be observed as it describes the serious matters for safety.
- The safety precautions are described with the degree of danger.
- WARNING: Handling it wrong can lead to death or serious injury.
- CAUTION When you handle it wrong, it can lead to injury or damage to buildings and furniture.
- After installation, make a test operation and confirm that it works properly, and explain the safety precautions, operation method, and maintenance to your customers.
Tell your customers to keep this installation manual together with the operation manual with them, and when they give or sell this machine to another person put this installation manual and operation manual with it.
WARNING
- The installation must be done by a dealer or qualified person.
- If the customers do the installtion by themselves and it is not perfectly installed it can cause a water leak, electric shock, or fire.
- The installation must be done in accordance with this manual.
- If the installation is not perfectly done, it can cause a water leak, electric shock, or fire
- Never try any modification.
- For repair, ask your dealer.
- If the machine is modified or repaired unperfectly, it can cause a water leak, electric shock, or fire.
- Never move or reinstall the machine by the customers.
- If the installation is not perfectly done, it can cause a water leak, electric shock, or fire. Ask your dealer or qualified person.
- The wiring must be securely done by using the proper cable. The wires should be connected to the terminals not to have external force of the cable.
- Unperfect connections can cause heat or fire.
- The terminal cover (panel) of the unit must be installed securely
- Unperfect installation can cause fire or electric shock by dust or water
- The electric installation must be done by a qualified person in accordance with this installation manual. Use the separate circuit only for this machine and use rated voltage and circuit breaker.
- If the electric circuit power is not sufficient or the wiring is not properly done, it can cause electric shock or fire.
Before electric wiring
- Turn the power on 12 hours or more before operation.
- If you start operation as soon as the power is on, it can cause failure.
Never turn the power off during the season.
- If you start operation as soon as the power is on, it can cause failure.
- Never operate the machine without a panel or guard off.
- It can cause serious injury by being caught by a rotating part or burn or electric shock by high voltage part.
- Never operate the machine without air filter.
- It can cause failure by dust
- Never operate the switches with your hand wet.
- It can cause electric shock.
- Never touch refrigerant pipes while the machine running.
- The refrigerant pipes becomes high and low temperature while the machine running. If you touch the pipes by hand, it can cause chilblain or burn.
- Never turn the power off as soon as the machine stops.
- Wait for 5 minutes or more. It can cause water leak or failure.
Parts List


Installation procedure
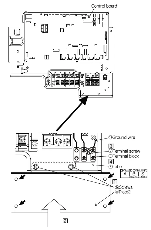
Applicable model: Group A
To protect the wires connected to the M-NET board from the edges of the sheet-metal component, paste the insulation on the edge surface of the panel sheet-metal before proceeding with the following work.
- Affix insulation sheets M and L3 to the backside of the flange surface on the top of the side panel.
- Starting from the bottom, mount Insulation Sheet S3 to the “L” bend section on the back of the noise filter mounting panel.
- Position the chamfered section of Plate 2 so that it faces the fan side (the left side of the drawing) and mount it using Screw 5.
- As shown in the illustration, position M-NET board 1 (insulation sheet, with support) on the four corners of Plate 2 so that the DIP switches (SW 11, SW 12) are on the terminal block side and then mount.
Push it firmly until you hear it “click” - Use terminal screw 7 to secure terminal block 6
Terminal block 6 has a round boss for positioning: Fit the round boss into the positioning hole in the steel plate. - Paste label 8
- Use lead wire-A to connect CN5 of the M-NET board CD connection and CNMNT of the outdoor control board.
Caution
Wire Marking: INV type, Connector Color: Red
Always make sure that the markings and the applicable model match. If used incorrectly, parts could be damaged. - Use lead wire-C 12 to connect the CND of the M-NET board CD connection and CNVMNT of the outdoor control board.
- Use lead wire-D 1 to connect CN2M of M-NET board CD connection and terminals A and B of the terminal block 6 Polarity is not a concern.
Connect the wire firmly making sure that the screws on the terminal block are not loose. - The lead wires should be tied together with the other ones with the pull-tight 14 not to lose.
The wiring length is adjusted according to the apparatus.
It progresses to the II2l page “3.Wiring method for M-NET”
Note 1 : Use ground wire and screw 13 as required to connect the shield of the M-NET transmission line to the unit.
Note2:Take great care that no lead wire is caught on anything when installing panels.
Applicable model: Group B
To protect the wires connected to the M-NET board from the edges of the sheet-metal component, paste the insulation on the edge surface of panel sheet-metal before proceeding with the following work. 


- Pate insulation sheet L 3 on sheet metal so that it completely envelops the edge surface of the sheet metal.
- Install M-NET board 1 (with insulation sheets and supports) on the side of the Electric box so that the rotary switch faces up (at the four points indicated by arrows).
Push it firmly until you hear it “click”. - Use terminal screw 7 to secure terminal block 6
Terminal block 6 has a round boss for positioning: Fit the round boss into the positioning hole in the steel plate. - Paste label 8 under terminal block 6
- Use lead wire-A 9 to connect CN5 of M-NET board 1 connection and CNMNT of the outdoor control board.
Caution
Wire Marking: INV type, Connector color: Red Always make sure that the markings and the applicable model match. If used incorrectly, parts could be damaged. - Use lead wire-C 11 to connect CND of the M-NET board 1 connection and CNVMNT of the outdoor control board
- Use lead wire-D 12 to connect CN2M of M-NET board 1 connection and terminals A and B of the terminal block 6 Polarity is not a concern.
- Connect the wire firmly making sure that the screws on the terminal block are not loose.
- The lead wires should be tied together with the other lead wires with the pull tight 14 not to loose.
Wiring length is adjusted according to apparatus.
It progresses to the [21 page “3.Wiring method for M-NET”
Note 1: Use ground wire and screw 13 as required to connect the shield of M-NET transmission line to the unit.
Note2: Take great care that no lead wire is caught on anything when installing panels.
Applicable model : Group C


- Install the M-NET board (1) so that the (SWI 1, SW 12) come to front.
Put it securely until it sounds click. - Install the Terminal block (M-NET) (6) on the Terminal base (4).
*The Terminal base (4) has a round boss for positioning.
Match the round boss to the holes of the Terminal base (4). - Put the Label 8 on the Terminal base (4).
Not to close the Hole for M-NET ground. - Install Terminal base 4 on the bottom inside of the electric box.
- Connect the lead wire-B 00 to both the connector CN5 on the M-NET board (1) and the connector CNMNT on the control board.
Caution
Wire Marking:NON-INV, Connector color:White - Always make sure that the markings and the applicable model match. If used incorrectly, parts could be damaged.
- Connect the lead wire-C O to both the connector CND on the M-NET board (1) and the connector CNVMNT on the control board.
- Connect the lead wire-D @ to both the connector CN2M on the M-NET board I and the terminals A & B on the terminal block (VI-NET) 6.
- The lead wires should be tied together with the other lead wires with the pull-tight 14 not to lose.
The wiring length is adjusted according to the apparatus.
It progresses to the 12-page “3.Wiring method for M-NET”
Note 1:Use ground wire and screw 13 as required to connect the shield of the M-NET transmission line to the unit.
Note2:Take great care that no lead wire is caught on anything when installing panels
Applicable model: Group D

- Install the M-NET board (1) so that the (SWI 1, and SW 12) come to the front.
Put it securely until it sounds click. - Install the Terminal block (M-NET) (6) on the base of the electric box.
- Put the Label (8) on the base of the electric box.
- Connect the lead wire-B 10 to both the connector CN5 on the M-NET board (j) and the connector CNMNT on the control board.
Caution
Wire Marking: NON-INV, Connector color:White Always make sure that the markings and the applicable model match. If used incorrectly, parts could be damaged. - Connect the lead wire-C O to both the connector CND on the M-NET board 1 and the connector CNVMNT on the control board.
- Connect the lead wire-D @ to both the connector CN2M on the M-NET board 1 and the terminals A & B on the terminal block (M-NET) 6.
- The lead wires should be tied together with the other lead wires with the pull-tight 14 not to loose.
The wiring length is adjusted according to the apparatus.
It progresses to the 1121 page “3.Wiring method for M-NET”
Note 1: Use ground wire and screw 13 as required to connect the shield of the M-NET transmission line to the unit.
Note 2: Take great care that no lead wire is caught on anything when installing panels.
Applicable model: Group E

- Attach Plate 2 15 using two screws(5).
- Install M-NET board 7 (with insulation sheets and supports) on Plate 2 15.
Push it firmly until you hear it “click” - Use terminal screw 7 to secure terminal block(6)
Terminal block 6 has a round boss for positioning: Fit the round boss into the positioning hole in the steel plate. - Paste label (8)
- Use lead wire-A 9 to connect CN5 of the M-NET board 11 connection and CNMNT of the outdoor control board.
Caution
Wire Marking: INV type, Connector color:Red Always make sure that the markings and the applicable model match. If used incorrectly, parts could be damaged. - Use lead wire-C O to connect the CND of the M-NET board 1 connection and CNVMNT of the outdoor control board.
- Use lead wire-D 12 to connect CN2M of M-NET board 1 connection and terminals A and B of terminal block (6) Polarity is not a concern.
Connect the wire firmly making sure that the screws on the terminal block are not loose. - The lead wires should be tied together with the other lead wires with the pull-tight 14 not to lose.
The wiring length is adjusted according to the apparatus.
It progresses to the 02] page “3.Wiring method for M-NET”
Note 1: Use ground wire and screw 13 as required to connect the shield of the M-NET transmission line to the unit.
Note 2: Take great care that no lead wire is caught on anything when installing panels.
Applicable model : Group F

- Install M-NET board (1) (with insulation sheets and supports) on the side of electric box .
- At the four point indicated by arrows.
Push it firmly until you hear it “click”
Use terminal screw O to secure terminal block(6)
Terminal block(6) has a round boss for positioning:Fit the round boss into the positioning hole in steel-plate. - Paste label (8) under terminal block (6)
Use lead wire-A @ to connect CN5 of M-NET board O connection and CNMNT of outdoor control board.
Caution
Wire Marking:lNV type, Connector color•Red - Always make sure that the markings and the applicable model match. If used incorrectly, parts could be damaged.
- Use lead wire-C (11) to connect CND of M-NET board (1) connection and CNVMNT of outdoor control board.
- Use lead wire-D 12 to connect CN2M of M-NET board (1) connection and terminals A and B of terminal block (b) Polarity is not a concern.
Connect the wire firmly making sure that the screws on terminal block are not loose. - The lead wires should be tied together with the other lead wires with the pull tight 14 not to loose.
Wiring length is adjusted according to apparatus.
It progresses to the (121 page “3.Wiring method for M NET”
Note 1 :Use ground wire and screw 13 as required to connect the shield of M-NET transmission line to the unit.
Note 2: Take great care that no ead wire is caught on anything when instaling panels.
Applicable model : Group G
- The M-NET board (l) is installed in the bottom of electric box so that the DIP switches (SWI ,SW12) come ron
Push it firmly until you hear it “click” - Use terminal screw 7 to secure terminal block 6
Terminal block(6) has a round boss for positioning:Fit the round boss into the positioning hole in steel_plate. - Paste label 8 under termnal block (6)
- Use lead wire-B 00 to connect CN5 of M-NET board (D connection and CNMNT of outdoor control board
Caution
Wire Marking:NON-INV, Connector color:White Always make sure that the markings and the applicable model match. I used incorrectly, parts could be damaged. - E] Use lead wire-C 11 to connect CND of M-NET board (l) connection and CNVMNT of outdoor control board.
- Use lead wire-D 12 to connect CN2M of M-NET board (D connection and terminals A and B of terminal block (6) Polarity is not a concern.
Connect the wire firmly making sure that the screws on terminal block are not loose. - The lead wires should be tied together with the other lead wires with the pull tight 14 not to loose. Wiring length is adjusted according to apparatus.
It progresses to the 12 page “3.Wiring method for M-NET”
Note 1: Use ground wire and screw 13 as required to connect the shield of M NET transmission line to the unit.
Note 2: Take great care that no lead wire is caught on anything when instaling panels.
Applicable model : Group H

- Remove the two screws that secure the control board base of electrical parts box, and then slide the base in the direction of the arrow to remove it from the electrical parts box.
- Check for the four (1) board attachment holes (arrows) in the back of control board base (the control board is attached to the surface).
- Attach the 1 board (with insulating sheet and support) so that the rotary switch faces up.
- Use terminal screw 0) to secure terminal block 6
Terminal block(6) has a round boss for posi ioning:Fit the round boss into the positioning hole in steel-plate. - Paste label 8 under terminal block (6)
- Use lead wire-A (9) to connect CN5 of M-NET board (1) connection and CNMNT of outdoor control board.
Caution
Wire Marking:lNV type, Connector color:Red Always make sure that the markings and the applicable model match. If used incorrectly, parts could be damaged. - Use lead wire-D 12 to connect CN2M of M-NET board 6 connection and terminals A and B of terminal block (6) Polarity is not a concern.
Connect the wire firmly making sure that the screws on terminal b ock are not loose. - The lead wires should be tied together with the other lead wires with the pull tight 13 not to loose.
Wiring ength is adjusted according to apparatus.
It progresses to the 12 page “3.Wiring method for M NET”
Note 1 : Use ground wire and screw 13 as required to connect the shield of M-NET transmission line to the unit.
Note2: Take great care that no lead wire is caught on anything when instaling panels.
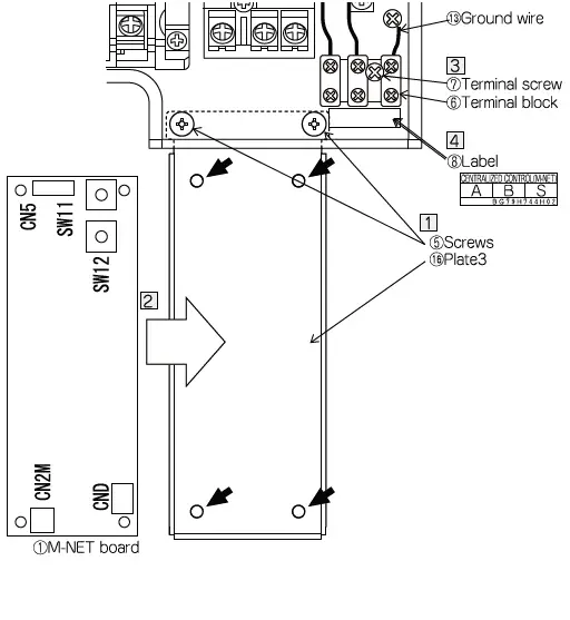
Applicable model : Group I

- Attach the Plate 3 09, using two screws(5).
- Install M NET board (1) (with insulation sheets and supports) on the Plate3 16
Push it firmly until you hear it “click” - Use terminal screw (9) to secure terminal blockC6)
Terminal block 6 has a round boss for positioning:Fit the round boss into the positioning hole in steel-plate. Paste label (8) - Paste label (8)
- Use lead wire-A (9) to connect CN5 of M-NET board () connection and CNMNT of outdoor control board.
Caution
Wire Marking:INV type, Connector color:Red Always make sure that the markings and the applicable model match. If used incorrectly, parts could be damaged. - Use lead wire-C 11 to connect CND of M-NET board (1) connection and CNVMNT of outdoor control board.
- Use lead wire-D 12 to connect CN2M of M-NET board (1) connection and terminals A and B of terminal block (6) Polarity is not a concern.
Connect the wire firmly making sure that the screws on terminal block are not loose.
It progresses to the 12 page “3.Wiring method for M-NET”
Note 1:Use ground wire and screw 09 as required to connect the shield of M-NET transmission line to the unit.
Note2: Take great care that no lead wire is caught on anything when instaling panels.
Wiring method for M-NET
Attention
- Outside of the unit, the wires for transmission (called for transmit wires later) should keep away (5 cm or more) from the power cable not to receive electric noise. (Never put the transmit wires and power cable in the same cable pipe.)
Never supply voltage 220V-240V to the terminals (TB7) for transmission. If the voltage is supplied, it can break the electronic parts on the M-NET board. - Use the shielded cable (CVVS, CPEVS) of 1.25mm square thickness with 2 wires for the transmission cable. Never use transmit wires of different systems with a cable that contains multi wires. The communication of transmit signals will not work properly and it can cause wrong operation.

M-NET address setting
- Make M-NET setting and refrigerant address setting on only outdoor unit.
- There is no address settings for outdoor unit and remote controller like City Multi system.
- The M-NET address setting for taking into centralized control system should be done only to the outdoor unit.
- The address set number should be 1-50 same as for City Multi indoor unit and make set in order of number for the same group.
| A control slim | City Multi (M-NET ) | |
| Indoor unit | ———- | 1~50 |
| Outdoor unit | 1~50 | 51~100 |
| Remote controller | ———- | 101~150 |
| System controller | 201~250 | |
The setting should be done by rotary switches SWI 1 for one figure and SW 12 for double figures on M-NET board of the outdoor unit. (Factory settings are all zero.)
Refrigerant address setting
In case the A control Slim is set for group between different refrigerant (when multiple refrigerant systems is set in one group), it is necessary to make a refrigerant address setting beside the wiring for the remote controller (TB5) between the indoor units. In case of hat the group setting is not done, be sure to leave the refrigerant address set for 00. The refrigerant address is set by dip switch SWI (3-6) on the outdoor controller of the outdoor unit. (Factory settings are all OFF Refrigerant address 00).
Limitation for address settings
- In case of group operation, the M-NET address settings and the refrigerant address settings should be done with the procedure above.
- However, make the minimum M-NET address settings in the group for the outdoor unit which has the refrigerant address 00.

It does not matter if the refrigerant address settings are same with the different group.
It is not good with the above setting in the group B because the outdoor unit which has the refrigerant address 00 does not have the minimum M-NET address 3 in the group. Make the outdoor unit of he refrigerant address set with the minimum address in the group like the group A.
Switch 1-2 setting

Attention for A control Slim M-NET connection
Pay attention to the next points for the wiring of shielded wires.
CAUTION
The shielded wires of the M-NET transmission should be connected with the ground wire at any only one place of the unit to be connected.
It can cause the transmission error due to noise. The outdoor unit digital LED display reads “Ed” error. The centralized control remote controller reads “0403” “6607” error.
In case that the outdoor unit is grounded, connect the ground wire supplied as accessory to the S terminal (secondary) of M-NET terminal block and M-NET Ground terminal inside of electric box with using screws supplied.
MITSUBISHI ELECTRIC CORPORATION
HEAD OFFICE : MITSUBISHI DENKI BLDG., 2-2-3, MARUNOUCHI, CHIYODA-KU, TOKYO 100-8310, JAPAN
List of Models on separate sheet
| Group | Applicable model | Page |
| A: | PUHZ-RP1.6/2VHA PUHZ-RP35/50VHA PUHZ-RP35/50VHA1 PUHZ-RP35/50VHA2 PUHZ-RP35/50VHA21 PUHZ-RP35/50VHA3 PUHZ-RP35/50VHA4 PUZ-A18NHA PUZ-A18NHA2 PUZ-A18NHA3 PUZ-A18NHA4 PUY-A12/18NHA PUY-A12/18NHA1 PUY-A12/18NHA2 PUY-A12/18NHA3 PUY-A12/18NHA4 |
|
| B: | PUHZ-RP2.5―6VHA PUHZ-RP3―6VHA-A PUHZ-RP60―140VHA PUHZ-RP71―140VHA-A PUHZ-RP60―140VHA1 PUHZ-RP71―140VHA1-A PUHZ-RP60―140VHA2 PUHZ-RP60―140VHA21 PUHZ-RP71―140VHA2-A PUHZ-RP60―100VHA3 PUHZ-RP60―100VHA3#1 PUHZ-RP125/140VHA2#2 PUHZ-RP71―140VHA2#1-A PUHZ-RP60/71VHA4 PUHZ-RP71VHA4-A PUHZ-RP71VHA5-A PUHZ-RP100―140VKA PUHZ-RP100―170VKA-A PUHZ-RP100―170VKA2-A PUHZ-ZRP60/71VHA PUHZ-ZRP100-140VKA PUHZ-RP80NHA PUHZ-RP80NHA2 PUHZ-P100―140VHA PUHZ-P100―140VHA1 PUHZ-P100―140VHA2 PUHZ-P125/140VHA21 PUHZ-P100―140VHA3 PUHZ-P100―140VHA3R1 PUHZ-P100―140VHA3R2 PUHZ-P125/140VHA3R3 PUHZ-P100VHA4 PUHZ-P50―140VHA-S PUHZ-BP100―140VHA-A PUHZ-HRP71/100VHA PUHZ-HRP71/100VHA2 PUHZ-HRP71/100VHA2R1 PUHZ-HRP100VHA2R2 PUHZ-SHW80/112VHA PUZ-A24―42NHA PUZ-A24―42NHA2 PUZ-A24―42NHA3 PUZ-A24―42NHA4 PUZ-A42NHA5 PUY-A24―42NHA PUY-A24―36NHA1 PUY-A24―42NHA2 PUY-A24―42NHA3 PUY-A24―42NHA4 PUY-A42NHA5 PUZ-HA30/36NHA PUZ-HA30/36NHA2 PUZ-HA30/36NHA4 PUHZ-P50―140VHA-S PUHZ-P50―140VHA-SH |
|
| Group | Applicable model | Page |
| C: | PUH-P1―4VGA PUH-P1―4VGAA PUH-P25―100VGAA PU-P1―4VGA PU-P1―4VGAA PU-P25―100VGAA PUH-P1.6―6YGA PUH-P1.6―6YGAA PUH-P35―140YGAA PU-P1.6―6YGA PU-P1.6―6YGAA PU-P35―140YGAA |
|
| D: | PUH-P8/10YE PUH-P8/10MYA PUH- P200/250MYA | |
| E: | PUHZ-RP4―6YHA PUHZ-RP100―140YHA PUHZ-RP100―140YHA2 PUHZ-RP100―140YHA21 PUHZ-RP100YHA3 PUHZ-RP100YHA3#1 PUHZ-RP125/140YHA2#2 PUHZ-HRP100/125YHA PUHZ-HRP100/125YHA2 PUHZ-HRP100/125YHA2R1 PUHZ-SHW112/140YHA |
|
| F: | PUHZ-RP8/10YHA PUHZ-RP8/10YHA-A PUHZ-RP200/250YHA PUHZ-RP200/250YHA-A PUHZ-RP200/250YHA1 PUHZ-RP200/250YHA1-A PUHZ-RP200/250YHA2 PUHZ-RP200/250YHA2-A PUHZ-RP280XHA |
|
| G: | PUH-P71/100VHA PUH-P71/100VHA1 PUH-P71/100VHA#2 PUH-P71/100VHAR3 PU-P71/100VHA PU-P71/100VHA1 PU-P71/100VHA#2 PU-P71/100VHAR3 PUH-P71―140YHA PUH-P71―140YHA1 PUH-P71―140YHA#2 PUH-P71―140YHAR3 PU-P71―140YHA PU-P71―140YHA1 PU-P71―140YHA#2 PU-P71―140YHAR3 |
|
| Group | Applicable model | Page |
| H: | PUHZ-P200/250YHA PUHZ-P200/250YHA3 PUHZ-P200/250YHA3R1 PUHZ-P200/250YHA3R2 PUHZ-P200/250YHA3R3 PUHZ-BP170/200/250YHA-A PUHZ-RP200/250YHA2 PUHZ-RP200/250YKA PUHZ-RP200YKAR1 PUHZ-RP170/200YKA-A PUHZ-HRP200YKA PUHZ-RP280XHA2 PUHZ-RP100―140YHA2-A PUHZ-RP100―140YHA2#1-A PUHZ-RP100―140YKA-A PUHZ-RP100―200YKA2-A PUHZ-P100―140YHA PUHZ-P100―140YHAR1 PUHZ-P125/140YHAR2 PUHZ-P100YHA2 |
|
| I: | PUHZ-RP100―140YKA PUHZ-ZRP100―140YKA |
























