JONARD TOOLS G200 Lexan Wire Wrapping Tool

BIT AND SLEEVE INSTALLATION
- Remove the tool from the box.
- Install a Bit and Sleeve. Follow installation instructions below.(Bits and Sleeves are sold separately. See page 5 for bit and sleeve selection).

- Loosen nose piece (nut).
- Insert the bit into the nose piece
- Rotate until the bit is seated on the driver.
- Place sleeve over the bit and slide the sleeve into the nose piece. Rotate the sleeve as you are sliding the sleeve into the nose piece until the sleeve has engaged with the collet pin, the sleeve will then slide further into the nose piece. The sleeve is now seated.
- While squeezing the trigger, tighten the nose piece. This will insure proper orientation of the bit and sleeve and will minimize drag on the trigger.

- The tool is now ready for use. To make a wire wrapped connection follow the instructions and helpful hints on page 4.
How to make A Wire Wrapped Connection

- Step 1:
Select the Proper Bit and Sleeve for the Wire Being used - Step 2:
Insert the wire into the Wire Slot - Step 3:
Anchor the Wire - Step 4:
Insert the terminal - Step 5:
Finished connection
Some Hints on Making Wrapped Connections

Easy Does It!
Do not press too hard. Let the OK tools do the work. Excessive pressure can lead to overwrapping. Backforce “BF” to prevent overwrapping is available on most power tools and is recommended for use with 26 through 30 AWG wire.
Stay With It!
Just keep the OK tool on the terminal until the wrap is complete. Early removal can result in spiral and open wraps.

Feed Wire Correctly!
It’s easy to feed wire into the slot in the OK bit correctly. Be sure the stripped end of the wire is “pushed-in” all the way.

Use the Correct Bit and Sleeve!
Wire wrapping is a precision technique and the wrong bit and sleeve just can-not do the job. Improper selection can cause problems ranging from “Pigtails” to loose wraps.
Wrapping Bits and Sleeves Chart (AWG) Inches

Maintenance Procedure
Manual Wire Wrapping Tools
Periodic Maintenance
The only required maintenance is periodic greasing of the gear assembly. The interval is dependent on use. For reference we suggest every 50,000 wraps or every 6 months which ever comes first.
Tools Required:
- Philips Head Screwdriver.
- Synthetic Grease (Such as: Chemplex 940 from NFO Technologies).
Disassembly:
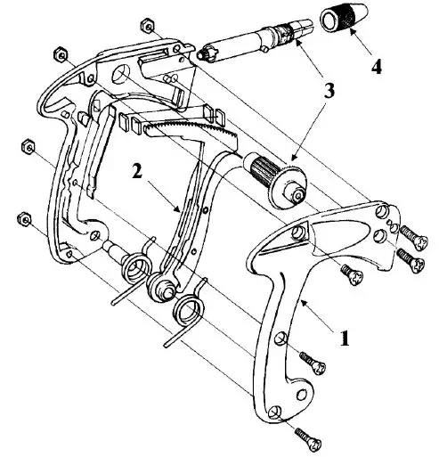
- Using a Philips head screwdriver, remove the 5 screws that hold the housing together. Note the type and location of the screws.

- Turn the gun over and lay it down on a flat surface so the nose piece is facing left. Separate the housings and remove the collet and nose piece. Note: Use a flat head screwdriver to separate the housings.
- Apply grease to the bevel, spur and face gear.

Reassembly:
- Prior to closing the unit the bit index must be checked.
- Load a bit into the barrel assembly.

- The wire slot on the bit should be in the 12 O’clock position. If the wire slot is not in the 12 O’clock position then proceed to step 4. If the wire slot is in the 12 O’clock position then proceed to step 5.
- Lift the barrel assembly from the gun assembly and rotate the bit until the wire slot is in the 12 O’clock position. Reinstall the barrel assembly into the gun housing. Insure the barrel-locating pin is seated into its locating hole in the housing and that the bit is still in the 12 O’clock position.
- Reinstall top housing and Install the bottom 6-32×5/8 screw. Install collet and nose piece, insuring that the collet-locating pin is seated in the locating hole in the housing. Install
remaining screws.
Spare Parts

Item Gun Type Part# Description
- G100/R3278 21612 Frame Pair G200/R3278 10441 Frame Pair G100/R3278INS 21424 Frame Pair
- G100/R3278 11589 Trigger Asm. G200/R3278 10938 Trigger Asm. G100/R3278INS 21333 Trigger Asm.
- All Gun Types 21671 Gear-Barrel Asm. Kit
- All Gun Types 10344 Collet Nut


















