Teledyne T201 Ammonia Analyzer User Manual

ABOUT THIS MANUAL
This addendum is to be used in conjunction with the T200 NOx Analyzer manual, p/n 06858, for operating the T201 analyzer.
Note: We recommend that this manual and the T200 manual be read in their entirety before any attempt is made to operate the instrument.
SAFETY MESSAGES
Important safety messages are provided throughout this manual for the purpose of avoiding personal injury or instrument damage. Please read these messages carefully. Each safety message is associated with a safety alert symbol, and are placed throughout this manual; the safety symbols are also located inside the instrument. It is imperative that you pay close attention to these messages, the descriptions of which are as follows:
WARNING: Electrical Shock Hazard
HAZARD: Strong oxidizer
GENERAL WARNING/CAUTION: Read the accompanying message for specific information.
CAUTION: Hot Surface Warning
Do Not Touch: Touching some parts of the instrument without protection or proper tools could result in damage to the part(s) and/or the instrument.
Technician Symbol: All operations marked with this symbol are to be performed by qualified maintenance personnel only.
Electrical Ground: This symbol inside the instrument marks the central safety grounding point for the instrument.
CAUTION:
This instrument should only be used for the purpose and in the manner described in this manual. If you use this instrument in a manner other than that for which it was intended, unpredictable behaviour could ensue with possible hazardous consequences. NEVER use any gas analyser to sample combustible gas(es)!
T201 AMMONIA ANALYSER
This manual is to be used in conjunction with the T200 NOx Analyzer manual, p/n 06858 supplied with this instrument. It is important that you familiarise yourself with the workings of the NOx Analyzer before proceeding with NH3 measurements.
The T201 ammonia Analyzer consists of a modified T200 nitrogen oxide Analyzer and a 501 NH3 ammonia converter. The analyzer measures the following individual gas concentrations: TNx (NH3 and NOx), NOx (NO and NO2) and NO in the sample gas.
- The ammonia concentration is calculated by subtracting the NOX reading from the TNx measurement.
- The nitrogen dioxide concentration is calculated by subtracting the NO reading from the NOx measurement.
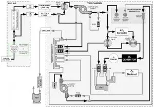
The instrument comes in three pneumatic configurations: basic, with external calibrator option (ECO), and with zero/span valves.
- Figure 1-1 shows the T201 with ECO.
- Figure 1-2 shows the pneumatic flow for the basic system.
- Figure 1-3 shows the pneumatic flow for the Zero/Span valves
Note: When connecting the T201 with the 501:
- The T201 rear panel port labeled “TO CONV” serves as the TN IN port plumbed from the “TN OUT” port of the 501.
- The T201 rear panel port labeled “FROM CONV” serves as the TNX IN port plumbed from the “TNX OUT” port of the 501.
- The ECO’s connection instructions can be found in its respective manual.
Note: For a T201 analyser with Zero/Span option you must connect the umbilical cord P/N 02255 between the analyser’s “MULTI” port and the external 501 NH3 converter assembly’s “UMBILICAL” port.
If the Analyzer is purchased without the Zero/Span option, then the zero and span calibration gases must be individually applied to the Sample port. Remember, the gases must be clean/dry and supplied at ambient pressure.
CAUTION:
Do not pressurise the Sample/Span/Zero port above ambient
In the following pneumatic connections illustration, the dashed line represents the stainless tubing for the Zero/Span (Z/S) valve option, which includes its own vent as shown. When the option is used, cap the calibrator rear output ports to avoid having more than one vent.
Figure 1-1. Pneumatic Connections (bottom to top) T201>501>External Calibrator Option (ECO)
Figure 1-2. T201 and 501 NH3 Pneumatic Flow
Figure 1-3. T201 and 501 NH3 with Zero and Span Valve Options Pneumatic Flow
THEORY OF OPERATION
The Teledyne-API Model T201 analyzer measures ammonia by oxidizing it to nitric oxide by the following reaction:
4NH3 + 5O2 → 4NO + 6H2O
The resulting nitric oxide is then measured by the chemiluminescent reaction with ozone. Consult Section 10.1 in the T200 manual (provided with this instrument) for more details on the nitric oxide measurement. The analyzer uses two converters to oxidize the different sample gases. A high temperature catalytic converter, the 501 NH3, converts NH3 and NOx into NO creating the TNx channel. A second converter, housed inside the T201 analyzer and consisting of heated molybdenum, converts all of the NOx in the sample to NO producing the NOx channel. The nitric oxide channel is measured while bypassing both the 501 NH3 and molybdenum converter. A Nafion® drier operated in reflux mode, is installed prior to the molybdenum converter and the AutoZero valve. The drier removes ammonia and water from the switched stream. The ammonia would have otherwise been converted by the molybdenum and registered as NOx. This location provides the drier with continuous flow, thereby allowing it to stabilize faster.
Note: Due to the Nafion® dryer, the analyzer has a maximum ammonia range of 2.0 PPM.
The calculated gas concentrations, ammonia and nitrogen dioxide, are
computed from the differences between the measured channels, as
outlined in the following equations:
NO (Nitric Oxide) Concentration = Measured
TNx (Total Nitrogen) Concentration = Measured (NH3 + NO2 + NO)
NOx (Total Nitrogen – Ammonia) Concentration = Measured (NO2 + NO)
NH3 (Ammonia) Concentration = Calculated as follows:
[(TNx – NOx) / (NH3_CE_FACTOR1)]
NO2 (Nitrogen Dioxide) Concentration = Calculated as follows:
[(NOx – NO) / (NO2_CE_FACTOR1)]
Note: The nitrogen dioxide efficiency factor (NO2_CE_FACTOR1) must be calculated by conducting a GPT (gas phase titration) as described in Section 8.3.3 of the T200 manual and Section 6.0 of this manual. This value gives a good indication of how well the molybdenum is converting nitrogen dioxide into nitric oxide. In a properly functioning analyzer the value should be close to 1.0. It is recommended that the molybdenum efficiency be checked every three months.
The ammonia converter efficiency factor (NH3_CE_FACTOR1) is
discussed in more detail in Section 2.3 of this manual. The conversion
efficiency of the 501 NH3 should be checked prior to starting long term
tests. Both efficiency factors can be accessed through the analyzer VARS
MENU.
The actual formula for computation of the gas concentrations is more complicated than the above equations, as it includes sample, reaction cell pressure changes and averaging the PMT signal. Then the zero offset and slopes are applied to the separate channels (TNx, NOx, NO) to determine the concentrations. Concentration compensation occurs while the variable TP_FACTOR under the VARS MENU is switched ON. Otherwise the displayed concentration is uncompensated. It is recommended that the variable TP_FACTOR remain on at all times.
Minimizing PMT Drift
In order to account for PMT drift in the analyzer, the AutoZero valve switches once a minute allowing the analyzer to read zero background. The AutoZero valve directs the sample gas stream to completely bypass the reaction cell, while simultaneously filling the reaction cell with Ozone for dark noise measurement. This is then subtracted as a measurement offset from the raw PMT concentration signal. This process improves zero baseline stability by minimizing the effect of PMT sensor drift.
Purging the Reaction Cell
As with many chemical reactions the conversion of ammonia in the presence of other oxides of nitrogen is complicated. It is important to note that the valve DWELL time for an AZERO measurement has a default setting of 8 seconds. Shortening this value may not allow enough time to properly purge the reaction cell of excess nitric oxide from the previous measurements.
In the molybdenum converter operating at 315o C the following significant reactions are taking place:
Mo + NO2 → MoO3 + NO ~100% Efficiency
The 501 NH3 ammonia converter operates at 825o
C. At this high
temperature, several reactions occur:
NO → NO Loss = ~ 3%
NO2 → NO Efficiency = ~97%
NH3 → NO Efficiency = ~97%
NH3 → NO2 Efficiency = ~5%
As can be seen from the above reactions, the calculation of the ammonia concentration and overall calibration of the instrument must be done carefully, if accurate ammonia concentrations are to be measured.
SPECIAL CONSIDERATIONS FOR AMMONIA MEASUREMENT
Ammonia is a difficult gas to measure due to its chemical characteristics. The gas tends to adsorb onto surfaces and diffuse into many materials. The following precautions should be observed when designing ammonia sampling systems and connecting them to the T201 analyzer:
- Do NOT use copper tubing or fittings designed for household plumbing.
- Use ONLY Chromatography grade (cleaned, passivated) stainless steel tubing.
- Use ONLY glass for sample inlet manifold.
- ALWAYS keep the tubing from the calibrator to the analyzer as short as possible. USE stainless steel tubing throughout, especially from the ammonia calibration bottle to the calibrator.
- If possible HEAT the sample line and DRY the sample gas.
- Sample filters will cause response delays on both the rise and fall of the sample signal.
These rules apply also to your calibrator’s internal plumbing. When used with the T201, the calibrator must have stainless steel plumbing throughout. Any calibrator that contains Teflon tubing and/or internal MFC’s that can be affected by the ammonia gas is not recommended for use with the T201 analyzer. It is important to keep the sampling system well maintained
SAMPLE FILTRATION
The instrument can be provided with an optional stainless steel sample filter P/N 05571. For minimum response time operation, the instrument should be supplied with clean sample gas at ambient pressure.
An additional filter resides in the T201 pneumatic pathway. The filter is a ¼” diameter stainless steel sintered filter used to protect the reaction cell flow control orifice from plugging. This filter will plug rapidly if contaminated sample gas is not filtered before entering the analyzer.
Note: In situations where the sample gas is known to be contaminated with particulate material, it is advisably to add extra filtration. However, it must be noted that the response time is directly extended through filter additions.
T201 ANALYZER SPECIFICATIONS
Table 1-1. T201 Operating Specifications
Ranges: Min: 0-50 ppb Full scale Max: 0-2000 ppb Full scale (selectable, independent NH3, NO, NO2, NOx, TNx ranges supported)
Measurement: Units ppb, ppm, µm/m3, mg/m3 (user selectable)
Noise at Zero1: < 0.5 ppb (RMS)
Noise at Span1: < 1.0% of reading (RMS) above 50 ppb
Lower Detectable Limit2: < 1 ppb
Zero Drift3, 5: < 0.5 ppb / 24 hours (NO, NOx)
Span Drift5: < 1.0% of full scale / 24 hours
Response Time4: < 340 seconds to 90%
Linearity: NO calibration 1% of full scale NH3 calibration 2% of full scale
Precision: 0.5% of reading above 50 ppb
Sample Flow Rate: 1000 cc/min + 10% (500 cm3/min bypass to vacuum manifold, 500 cm3/min to reaction cell)
Temp Range: 15-40 oC
Dimensions H x W x D: 7” x 17” x 23.6” (18cm x 43cm x 61cm)
Weight, Analyzer: 43 lbs (20 kg)
Weight, Converter: 22 lbs (10 kg)
Power Rating: Typical Power Consumption.
Power, Analyzer: 100-120 V, 220-240 V ~50/60 Hz: 125 W
100-120 V, 220-24- V ~50-60 Hz: 480 W
Environmental: Installation Category Pollution Degree 2, Over-voltage Category II, Indoor use only
Analog Output Resolution: 1 part in 4096 of selected full-scale voltage (12 bit)
Standard I/O: (1) Ethernet: 10/100Base-T; (2) RS-232 (300 – 115,200 baud)(2) USB device ports; (8) opto-isolated digital outputs; (6) opto-isolated digital inputs; (4) analog outputs
Optional I/O: (1) USB com port; (1) RS485 (300 – 115,200 baud); (4) digital alarm outputs; Multidrop RS232; (3) 4-20mA current outputs
- As defined by USEPA
- Defined as twice the zero noise level
- At constant temperature and voltage
- When pneumatics are conditioned with NH3 overnight and the gases (zero air to NH3) are manually switched at the sample inlet at the rear of the 501.
- Applies when sampling NH3; better results expected for NO/NOx gas measurements.
CALIBRATION PROCEDURE
This section begins with a high-level overview of the calibration procedure for the T201 analyzer. Details are provided starting in Section 2.1.
- First, take the time to read the T200 manual to familiarize yourself with the Chemiluminescence process. It is important to remember that the analyzer is merely measuring different levels of nitric oxide sample gas on three separate channels (TNx, NOx, NO). The ammonia and nitrogen dioxide concentrations are then calculated using this information.
- Assemble the T201 analyzer according to the pneumatic configurations outlined in Figure 1-1. Remember: DO NOT pressurize the sample, span or zero ports (Zero/Span valves are optional) during calibration. Allow the analyzer to pull the gas through the system using the vacuum pump.
CAUTION:
f the presence of ozone is detected at any time, call Teledyne API Technical Support as soon as possible: +1 800-324-5190 or email: [email protected]
Do NOT use these instruments in any way other than directed in their respective manuals. Never analyze/use combustible gases. - Next, zero the analyzer using an approved zero air source, such as, bottled zero air, nitrogen or a Teledyne API zero air generator. This sets the zero offset for the three individual channels (TNx_OFFS, NOx_OFFS, NO_OFFS). Confirm that all displayed concentrations read zero.
- Span the analyzer using bottled nitric oxide gas diluted to a level set to 80% of the expected sample range, using a calibrator with stainless steel pneumatic tubing and fixtures. This sets the slope for the three individual channels (TNx_SLOPE, NOx_SLOPE, NO_SLOPE). Confirm that displayed concentrations TNx , NOx and NO display the correct span concentration.
- If you haven’t done so recently, conduct a GPT (gas phase titration) and confirm the molybdenum is functioning accordingly. Section 8.3.3 of the T200 manual outlines the GPT procedure. Section 6.0 of this manual consists of a service note for checking the molybdenum converter. There should be no reason to adjust the molybdenum efficiency factor on a new analyzer. If a diluted bottled of nitrogen dioxide gas is used to determine the molybdenum efficiency, allow enough time for the span value to stabilize. Nitrogen dioxide exhibits similar hold up issues as ammonia gas. Therefore, it may take a number of hours before the NOx reading stabilizes.
- Span the analyzer using bottled ammonia gas diluted to a level set to 80% of the expected sample range, using a calibrator as described above.
Note: The first time bottled ammonia is connected to the gas dilution system, regulator/calibrator, the TNx reading may take a number of hours to stabilize.
ZEROING THE ANALYZER
The analyzer can be zeroed by either applying zero air straight to the sample port or through the optional Zero/Span valves, if installed. It is important to remember that if the analyzer was previously sampling ammonia gas, prior to conducting a Zero calibration, it will take some period of time before the zero baseline is reached. The process of zeroing the analyzer consists of delivering dry zero air to the analyzer. The operator then manually zeros the TNx and NOx channels individually through the user interface. The following Tables outline the steps necessary to zero the analyzer.
Table 2-1. Zero Calibration Procedure – Zero Gas through the SAMPLE Port Important: Each channel (TNx and NOx) must be zeroed individually
Step No.: Action: Comment.
1.: Press CAL: The T201 enters the calibrate mode from sample mode. Confirm zero gas is flowing past the sample port.
2.: Channel Selection: Press TNX or NOx then Press ENTR.
3.: Range Selection: Press LOW or HIGH range then Press ENTR. Always calibrate the LOW range, section 3.0 below.
4.: NH3 STB Reading: Wait for the displayed stability reading to fall below 1.0 PPB. The lower the stability reading the better the zero value.
5.: Press ZERO: If you change your mind after pressing ZERO, you can still press EXIT without zeroing the instrument. You don’t have to enter concentration values. The analyzer knows to apply 0 PPB.
6.: Press ENTR: Pressing ENTR actually adjusts the Offset value for the selected channel.
7.: Press EXIT: The T201 returns to sampling mode.
8.: Check Concentrations /Offsets: All displayed concentrations should read zero. The offset values should be close to zero (-20 to 150 mv)
Table 2-2. Zero Calibration Procedure – Zero Gas through ZERO Port
Step No.: Action: Comment.
1.: Press CALZ: The T201 enters the calibrate mode from sample mode. The zero gas is supplied through the ZERO inlet port on the rear panel of the 501 NH3.
2.: Table 2.1: Follow Steps 2 to 8 in Table 2-1.
Notes:
- Since the zero gas concentration is defined as 0 ppb, it is not necessary
to enter the expected concentration values. - Both the TNx and NOx channels must be zeroed individually. When you zero the NOx channel both the offsets for NOx and NO are configured. All readings should display zero following this action.
- It is recommended that the calibration of both the TNx and NOx channels be done at one time.
- Always confirm that excess zero air is flowing past the sample or zero port, if the Zero/Span option is present, on the rear of the 501 NH3 converter. There should always be some excess flow. If insufficient flow is supplied to the analyzer ambient gas will be entrained and the zero offset values will be incorrect. However, it is important not to over pressurize the analyzer.
- It is a good idea to allow the analyzer to sample zero gas for extended periods following zero calibration. Large drifts can signify leaks or indicate an issue with the zero air source.
SPANNING THE ANALYZER WITH NITRIC OXIDE GAS
The analyzer can be spanned by either applying nitric oxide gas straight to the Sample port or through the Zero/Span valve option, if installed. It is important to remember that if the analyzer was previously sampling ammonia gas, prior to conducting a nitric oxide span calibration, it will take some period of time before the TNx channel stabilizes. The process of spanning the analyzer consists of diluting bottled gas, using a calibrator and delivering to the analyzer. The operator then manually spans the TNx and NOx channels individually through the user interface. The following Tables outline the manual steps necessary to span the analyzer.
Table 2-3. NO Calibration Procedure – NO Gas through the SAMPLE Port
Step No.: Action: Comment.
1.: Press CAL: The T201 enters the calibrate mode from sample mode. Confirm that excess NO gas is flowing past the sample port.
2.: Channel Selection: Press TNX or NOx then Press ENTR.
3.: Range Selection: Press LOW or HIGH range then Press ENTR. Always calibrate the LOW range, Section 3.0below.
4.: Press CONC: If NOx was chosen previously then the following will
be displayed:
NOx NO CONV Exit
Press NOx, If you are delivering 450 PPB of NO then
Enter 450 PPB, Press ENTR.
Repeat the same steps for NO.
Press EXIT
Once stability has been achieved,
Press SPAN, ENTR, EXIT
NOTE: Both NOx and NO should read 450 PPB.
If TNx was chosen previously then the following will
be displayed:
TNx CONV Exit
Press TNx enter 450 PPB, Press ENTR
Press EXIT
Once stability has been achieved,
Press SPAN, ENTR, EXIT
TNx should read 450 PPB.
5.: Check Slopes: The slopes should be close to 1.0 +/- 0.300
IMPORTANT: Each channel (TNx and NOx) must be Spanned individually.
Table 2-4. NO Calibration Procedure – NO Gas through the SPAN Port
Step No.: Action: Comment.
1.: Press CALS: The T201 enters the calibrate mode from sample mode. The NO gas is supplied through the SPAN inlet port on the rear panel of the 501 NH3.
2.: Table 2.3: Follow Steps 2 to 5 in Table 2-3.
Notes:
- Both the TNx and NOx channels must be spanned individually with nitric oxide gas. When you span the NOx channel both the NO and NOx concentrations must be manually inputted.
- It is recommended that the calibration of both the TNx and NOx channels be done at the same time.
- Always confirm that SPAN gas is flowing past the sample or span port on the rear of the 501 NH3 converter. There should always be some excess flow. If insufficient flow is supplied to the analyzer ambient gas will be entrained and the span values will be incorrect. However, it is important not to over pressurize the analyzer.
- It is a good idea to allow the analyzer to sample span gas for extended periods following span calibration. Large drifts can signify leaks or indicate an issue with the span gas source.
- If after spanning with nitric oxide, the analyzer slopes are out of range conduct the following:
– Confirm the gas sources are good. Usually the bottle is certified to a known level of nitric oxide. The bottle should be balanced with nitrogen.
– Try not to use the same regulator for nitric oxide as was used on ammonia. This also holds for the tubing between the different bottles and the mixing source (calibrator).
– Confirm the zero reading is good by delivering Zero gas.
– Confirm that the concentration delivered to the analyzer is equal to what you entered under the CONC menu NOx and TNx.
– Leak check both the 501 NH3 and analyzer together.
– Using section 11.6.5 of the T200 manual confirm that the PMT sensor hardware calibration is set correctly.
SPANNING THE ANALYZER WITH AMMONIA GAS
The most important criterion an individual can avail themselves of when spanning an analyzer with ammonia gas is “patience”. Ammonia is a very sticky gas and the response of the analyzer/calibration system depends on a number of factors. The following lists some important points the user should be aware of when calibrating:
- Is this the first time the analyzer/calibration system has seen ammonia gas in the last couple of days? If so, spanning to a fixed value will take considerably longer than normal: possibly 12 hours to completely stabilize.
- Is the tubing that is delivering span gas from the calibration bottles, made of stainless steel? Is the tubing from the rear of the calibrator to the analyzer, made of stainless steel? Where possible use stainless steel tubing.
Note: The operator is responsible for delivering a set amount of ammonia to the analyzer, calculating the converter efficiency of the 501 NH3 and entering the efficiency value through the user interface, if required. - Is the environment where the analyzer resides undergoing large temperature swings (+/- 5 oC about the norm temperature)? If so the sample line can absorb and desorb ammonia at concentration rates that are distinguishable to the analyzer. If possible, heat the sample line to a constant maximum ambient temperature.
- Does the sampling environment contain large amounts of particulates? If so, it may be necessary to add the sampling filter option. As outlined previously, this will affect the analyzer response.
- One method to increase the response of both the sampling system and the analyzer is to flow a larger concentration of ammonia gas through the pneumatics for a couple of hours. For example, if the expected range is 500 PPB of ammonia, then flowing 1000 PPB will speed up the absorption which occurs throughout the pneumatics. The long delays in ammonia response occur when the analyzer hasn’t sampled the gas for some time. Ammonia desorbs from the pneumatics, these surfaces need to be rewetted before span stability is achieved.
- Prior to conducting the ammonia calibration, confirm that the ammonia converter efficiency is initially set to 1.000 using the following menu key selections:
Table 2-5. Confirming Ammonia Converter Efficiency
Step No.: Action: Comment.
1.: Press CAL: The T201 enters the calibrate mode from Sample mode.
2.: Channel Selection: Press TNX then Press ENTR.
3.: Range Selection: Press LOW range then Press ENTR.
4.: Press CONC: The following will be displayed:
TNx CONV Exit
Press CONV enter 1.0000, Press ENTR
Press EXIT, EXIT
Table 2-6. NH3 Calibration Procedure – NH3 Gas through the SAMPLE Port
Step No.: Action: Comment.
1.: Generate a known level of NH3 gas using a calibration gas source:
Monitor the TNx concentration until it has stabilized; this signifies that both the NOx and NH3 gases have stabilized. This could range from 20 minutes to several hours depending on whether the analyzer / calibration system has recently been subjected to ammonia gas.
2.: NH3 Conversion efficiency calculation:
When the TNx channel is stable, note the concentration of NH3 displayed. The calculation for the NH3 Conversion efficiency is:
(Displayed NH3 concentration) divided by
(Delivered NH3 concentration)
Example: The operator is delivering 450 PPB of NH3. The displayed concentration for NH3 is 440 PPB then the efficiency factor = 440/450 = 0.9777
3.: Press CAL: The T201 enters the calibrate mode from Sample mode.
4.: Channel Selection: Press TNX then Press ENTR.
5.: Range Selection: Press LOW range then Press ENTR.
6.: Press CONC: Since TNx was chosen previously, then the following will be displayed:
TNx CONV Exit
Press CONV enter 0.9777, Press ENTR
Press EXIT, EXIT
Note: In the example outlined above, the displayed ammonia concentration is being increased by 2.27%. Newer 501 NH3 converters should have efficiency values very close to 1.00. Depending on the operator’s acceptable level of error, it may not be necessary to change the efficiency factor from 1.00. Therefore, calibration with nitric oxide gas is all that is required.
Table 2-7. NH3 Calibration Procedure – NH3 Gas through the SPAN Port
Step No.: Action: Comment.
1. Press CALS: The T201 enters the calibrate mode from Sample mode. The ammonia gas is supplied through the SPAN inlet port on the rear panel of the 501 NH3. Calculate the Efficiency factor as outlined in Steps 2 in table 2.5.
2.: Table 2.5: Follow Steps 4 to 6 in table 2.5.
Note: The response time of the analyzer increases when using the Zero/Span valve option.
CONFIGURABLE ANALOG OUTPUT OVERVIEW
There are three different methods to extract concentration data from the analyzer: internal data acquisition system (DAS), hyperlink, or strip chart.
DAS
The user can set up an internal DAS configuration either through the user display or using TAPI’s windows based software called APICOM. The analyzer stores data internally, which is available later for downloadthrough the RS-232 or Ethernet port.
Hyperlink
The user sends text based commands to retrieve data through the RS-232
port.
Strip Char
The user interfaces a strip chart recorder and/or data-logger to the four analyzer analog output channels of the rear panel Analog Out connector (Figure 3-1). Table 3-1 presents the default configurations of the analog outputs, and Table 3-2 shows the Pin-outs for these four channels.
ANALOG OUT
Figure 3-1. Analog Output Connector
Table 3-1. Analog Output Data Default Settings
ANALYZER: CHANNEL DEFAULT SETTING
T201: A1, A2, A3, A,
TNxCNC1, NH3CNC1, NOCNC1, NO2CNC1,
5 Volts, 5 Volts, 5 Volts, 5 Volts,
500 PPB, 500 PPB, 500 PPB, 500 PPB,
Table 3-2. Analog Output Pin-Outs
PIN: ANALOGOUTPUT: VOLTAGE SIGNAL: CURRENT SIGNAL.
1: A1: V Out I Out + 2: Ground I Out -.
3: A2: V Out I Out + 4: Ground I Out -.
5: A3: V Out I Out + 6: Ground I Out -.
7: A4: V Out N/A 8: Ground N/A.
Additionally A1, A2 and A3 may be equipped with optional 0-20 mA, or 4-20, current loop drivers. The 4-20 mA option is not available on A4.
Note: In actuality the analog output configuration of the analyzer may be different than stated above. The outputs can be configured differently at the factory depending on whether they were assigned during the procurement of the product. It is possible to check the configuration of the analyzer by accessing the ANALOG I/O CONFIGURATION through the DIAG menu.
The analyzer operates in Dual Mode during gas detection. This means each of the measured concentrations can have two separate slopes and offsets, one for the low range and one for the high range. Though uncommon, a user may decide to calibrate the analyzer with nitric oxide at, for example, 100 PPB using the LOW range and then perform another calibration at 450 PPB using the HIGH range. Through the analog outputs the user can then assign analog output A1 to TNxCNC1 and output A2 to TNxCNC2. Gases with the “1” designation use the slope and offset for the LOW range, while gases with the “2” designation will use the slope and offset for the HIGH range. It is recommended that both the LOW and HIGH ranges be calibrated at the same time. Independent of whether the HIGH range is actually being outputted to the analog outputs.
For analog output configuration, signal type and range selection and calibration, use the T200 manual.
MAINTENANCE SCHEDULE
he maintenance requirements of the T201 are the same as a standard T200 NOx analyzer but with additional maintenance items (Table 4-1). Please refer to Section 13 in the T200 Operator Manual for the T200 maintenance schedule and for maintenance and repair procedures.
The T201 requires the following additional maintenance items.
Table 4-1. Preventative Maintenance Schedule
Item: Maintenance Interval: Reference Section:
NO2 molybdenum converter: Test every three months Section: 8.2.3 T200 Manual
501 NH3 Converter: Test every three months Replace annually or as necessary: Section 4.1 of this manual.
Reaction Cell: Clean annually or as necessary: Section 9.3.9 T200 Manual.
AutoZero flow check: Quarterly as needed: Section 4.4 of this manual.
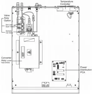
501 NH3 MAINTENANCE
The 501 NH3 external converter is operated at 825 ºCelsius. Because of this the stainless steel ¼” tube internal to the converter slowly oxidizes and may require replacement. Over time the converter’s efficiency will degrade, due to aging of the internal catalyst. This is characterized by a CONV value on the TNx channel of < 0.8 or > 1.2, despite the converter being at temperature. The efficiency of the converter should be checked quarterly. The converter should be cleaned out on a yearly basis by removing the outer tube and shaking the fine dust particles from both the outer and inner tubes. This is also a good time to replace the catalyst screen, if necessary.
The following procedure describes how to disassemble and replace converter parts. The various parts in the converter become delicate and brittle after prolonged exposure to high temperatures. It is therefore a good idea to have a complete set of replacement parts on hand before starting, as listed in Table 4-2.
Figure 4-1. Model 501 Chassis Internal Layout
Figure 4-2. Model 501 Converter, Exploded View
Table 4-2. 501 NH3 Converter Rebuild Parts List
Part No.: Description.
KIT000193: RETROFIT, 501 NH3 INNER TUBE w/SCREEN.
KIT000139: REBUILD, CERAMIC BUSHINGS, 501 NH3.
HE0000007: CERAMIC HEATER, 220W@60V 501XX.
REPLACING THE CATALYTIC CARTRIDGE
- Turn off power to the converter and allow to cool.
IT IS VERY IMPORTANT THAT THE CONVERTER BE COOL
BEFORE ATTEMPTING ANY DISASSEMBLY OR REPAIRS.
CAUTION – VERY HOT
Will cause severe burns. Disassembly while hot will damage other
converter components. Allow sufficient time to cool. - Remove the chassis cover of the 501 NH3, remove the aluminum cover over the oven, remove the two U-shaped hold down clamps.
- Disconnect the 1) stainless steel and 2) PTFE tubes from the converter cartridge.
- Loosen the nut holding the cartridge assembly in the U-shaped angle bracket mounted on the chassis floor.
- Gently lift and tilt the converter assembly out of the U-shaped bracket and slide the assembly out of the oven.
- Loosen the ¼” SS tube fitting nearest the hold-down bracket; this fitting holds the central tube in the converter. Replace the tube that is part of KIT000193.
- Re-assemble the converter by doing the above steps in reverse order.
Figure 4-3. Catalytic Cartridge
REPLACING THE THERMOCOUPLE
The following instructions provide the necessary information to replace the existing thermocouple. Figure 4-4 is provided for reference.
You must obtain the following replacement parts kit from TAPI:
- Type S thermocouple
You will need the following tools: - Nutdriver, 5/16
- Nutdriver, 11/32
- Diagonal Cutter
- Philips head Screwdriver #2
CAUTION: Avoid damage to the unit: use only Type S thermocouple in the 501 NH3 converter. It can be distinguished by its wire colors: red and black. If you have any other thermocouple, do NOT install it; call TAPI to obtain the correct part.
Figure 4-4. Thermocouple Location
Once you have the right tools and parts, referring to Figure 4-5 replace the thermocouple as follows:
Figure 4-5. Thermocouple and Wiring Location
- Ensure power is removed from the 501 NH3 Converter. If the Converter has been operational you will need to wait for at least 2 hours for the Converter oven to cool before continuing with the replacement of the thermocouple.
- Remove the cover from the Converter chassis.
- Unscrew the (4) nuts that secure the front panel to the chassis. They are located just behind the front panel along the top.
- Cut the tie-wraps that hold the lead wires and the thermocouple wires.
- Loosen the terminals on the Temp Controller to release the thermocouple wire, noting which wire is connected to which pin.
- Slide the thermocouple from the bobbin at the end of the heater.
- Slide the replacement thermocouple into the bobbin of the heater, ensuring that ¾” to 1” of thermocouple body (white portion) remains outside the bobbin.
- Connect the (2) wires of the new thermocouple to the corresponding terminals of the Temperature Controller (black wire to pin 1, red wire to pin 2).
- Secure the lead wires and the thermocouple wires with tie-wraps, ensuring that the first tie-wrap is 3” from heater, and that the second tie-wrap is 6” from the first (this is important for stability to ensure that the thermocouple remains securely in place).
- At this point, all connections have been made, both electrically and pneumatically. A leak check should be performed on the Converter to verify that all connections are leak free. If a leak is detected, the leak should be resolved before continuing.
- Close the front panel and secure with the (4) nuts. Install the top cover on the Converter chassis.
- The Converter is now ready for the application of power. You will be looking for an indication from the Temperature Controller that it is functioning correctly and driving the heater to the desired “set” temperature. Apply power now.
- After the Converter comes to the regulated temperature, perform the Auto Tune function to tune the Temperature Controller to the new thermocouple. (Consult with Technical Support for this procedure).
- After the Auto-Tune process is completed, verify that the “process” temperature is indicating that the desired temperature is stable and being regulated. The converter is now ready for operation.
CAUTION: Avoid damage to the component: the thermocouple wire can melt if closer to the heater than the recommended distance.
AUTOZERO FLOW CHECK
Since the T201 is an ammonia analyzer, the flow through the AutoZero orifice is especially important. Check the AutoZero flow as follows:
- This procedure should be performed with the sample pump running.
- Remove the top cover of the analyzer. Locate the vacuum manifold at the center rear of the chassis. Locate the 1/8” tube fitting located on the very left side, as viewed from the rear of the analyzer. It will have a label of “0.010” indicating the flow orifice installed.
- Remove the fitting and attach a calibrated flowmeter to the block fitting capable of measuring in the range of 500 cc/min. The flowmeter should indicate a flow of 500 cc/min ±10%.
- If the flow is outside this range (most likely lower, due to plugging):
1. Turn off the sample pump and instrument.
2. Remove the 1/8” pipe-to-tube fitting and remove the ¼” sintered filter (p/n FL0000001). This filter is meant to protect the orifice; it will usually become plugged and need replacement rather than the orifice. Replace the filter, and then re-assemble the manifold. Restart the sample pump and recheck the flow.
Table 4-3. Flow Check
501 NH3 CONVERTER SAMPLE FLOW CHECK
Note: Connect both the Teflon tubes between analyzer and converter.
Gas Port: Expected Flow (cc/min)
“SAMPLE IN”: 1000 +/- 10 %
ANALYZER SAMPLE FLOW CHECK
Note: Disconnect both the Teflon tubes between analyzer and converter
Gas Port: Expected Flow (cc/min)
“TO CONV”: 1000 or 500, +/- 10 %: When the analyzer is sampling TNx only, the bypass flow is measured. Therefore, the flow alternates between 500 and 1000 cc/min. This is the NOx channel.
“FROM CONV”: 500 +/- 10%: This is the TNx channel.
ALARMS AND CAUTIONS
Please refer to the T200 Operation Manual for a functional block diagram
of the analyzer.
ALARM
During initial warm up the internal Zero/Span factory option may exhibit a “Block Temperature” warning. This can be cleared once the block temperature stabilizes at 50 degrees Celsius. The block temperature is the actual temperature of the IZS block manifold inside the 501 NH3 converter. If the block temperature warning exhibits a negative number such as (-37), then the umbilical cord is probably not attached or the Thermistor has become disconnected.
CAUTION
Be aware that the ammonia converter operates at 825 degrees Celsius. Do not flow highly flammable gases through the T201 analyzer. When the analyzer is not in use, it is advisable to turn off the 501 NH3. If the converter hasn’t been powered for an extended period of time it is recommend that the analyzer be operated overnight prior to use.
Before spanning the analyzer it is good practice to observe the NORM PMT signal. Its value should be equal to twice the concentration of the delivered span gas. A common error made during calibration is to span the analyzer with either too low a gas concentration or an incorrect value entered into the CONC menu for TNx and NOx. Commonly this will cause a slope value much greater than one.
Note: As a basic rule, always zero first, then span.
CALCULATING MOLY CONVERTER EFFICIENCIES
PURPOSE
To provide instructions on how to calculate the efficiency of a Moly converter when using a GPT method of testing converters, by using the US EPA method, where the actual concentration of ozone is not a factor in the accuracy of the calculation of the converter efficiency. This procedure is based on the Code of Federal Regulations, Title 40, Chapter I, subchapter C, Part 50, Appendix F.
TOOLS
API T700 calibrator with O3 Gen option (or equivalent)
Moly Test Data Sheet (provided on page following this procedure)
PARTS
NONE
PROCEDURE
For the purpose of providing an example, this procedure uses 450 PPB NO gas as the reference point, you don’t have to pick these values, they are just an example. There is also an assumption that the analyzer has a good calibration done @ 450 PPB NO span gas. If this is not the case, then once you have finished the leak check on the analyzer, input your 450 PPB NO span gas and calibrate the analyzer.
Note: For the GPT to be performed correctly, there must be a minimum of 10% more NO than O3 produced. For example, if the Ozone produced is 400 PPB then the NO used must be 440 PPB or more. Typically 450 PPB NO is titrated against 400 PPB of Ozone.
- Leak check machine to ensure that there are no leaks in the analyzer.
- For the duration of this test, set the CE factor to 1.0000 (100%) in the instrument firmware (this would be in the CAL-CONC-CONV-SET menu).
3. The first gas check is to test to see how much the converter is eating NO gas or out gassing NO gas. Bypass the converter in the machine, by placing a short piece of tubing in place of the converter. Perform a straight dilution with NO gas and air as a diluent gas. Input this 450 PPB NO gas into the analyzer, allow the machine to stabilize, and write down the NOx value on your data sheet on line 3.
4. Remove the converter bypass and install the converter back into the NOx sample stream, such that the NO sample goes through the converter again and allow the machine to stabilize. Write down your NOx value on your data sheet on line 4 AND line 6 of the data sheet.
5. Note the NO value and input that on line 9 of the data sheet.
6. Subtract line 3 from line 4 and write that number down on line 5. The spec on the data sheet is the value that we use here in house, and your spec might be a bit higher. We have found that on NEW Moly converters this spec is a good one that predicts a good performing Moly converter, but in an older converter might eat a bit more NO, and this would be acceptable. If it is a constant value, or changes little over time, this is not a problem the machine will calibrate this out.
7. The next step is to perform your GPT. Generate the same 450 PPB NO gas and input 400 PPB of O3 (or generate 450 PPB NO and 400 PPB NO2, if that’s what your calibrator says). Allow the machine to stabilize for 10 minutes and then write down the NOx value on line 7 and the NO value on line 10.
8. Subtract line 7 from line 6 and put that onto line 8
9. Subtract line 10 from line 9 and put that onto line 11
10. Put the number from line 8 into the letter A on line 12 and put the number from line 11 into the letter B on line 12.
11. Divide A by B and multiply it by 100 and put it into letter C on line 12.
12. Put the number in letter C onto the C on line 13 and subtract that value from 100 and put it into letter D on line 13. this is the converter efficiency.
13. This value should be >96%. If below 96%, replace the converter.
MOLY TEST DATA SHEET
Line #: TEST: RESULT
2: LEAK-CHECK (WHEN HOT): YES / NO
3: NOX RESPONSE (MOLY BYPASSED): __________
4: NOX RESPONSE (MOLY IN-LINE): __________
5: OUT-GASSING / EATING (NO – NOX): __________ (>-5 PPB, <5 PPB)
6: (NOx ORIG) (NOX mode, O3 off): __________ PPB
7: (NOx REM) (NOX mode, O3 on): __________ PPB
8: NOX LOSS (9A – 10B): __________ (A) (<4% of NOx ORIG; example: for 450PPB 4% is 18PPB)
9: (NO ORIG) (NO mode, O3 off): __________ PPB
10: (NO REM) (NO mode, O3 on): __________ PPB
11: NO2 (9B – 10A): __________ (B) (>300PPB)
12: Efficiency LOSS: [ ( A / B ) x 100 ] = [ ( ____A____ / ____B____ ) x 100 ] = ____C____%
13: Total Conv Eff: [ 100% – C ] = 100% – ____C_____ = _____D_____ % ( > 96%)
Appendix A – Model 501 Interconnect
Note:
Technical Assistance regarding the use and maintenance of this instrument or any other Teledyne API product can be obtained by contacting Teledyne API’s Technical Support Department:
Telephone: 800-324-5190
Email: [email protected]
or by accessing various service options on our website at http://www.teledyne api.com/
Teledyne API
9970 Carroll Canyon Road
San Diego, CA 92131-1106
TOLL-FREE: +1 800-324-5190
FAX: +1 858-657-9816
TEL: +1 858-657-9800
E-MAIL: [email protected]
WEB SITE: www.teledyne-api.com
Copyright 2011-2020 07271D DCN8259
Teledyne API 05 February 2020
Teledyne T201 Ammonia Analyzer User Manual – Optimized PDF
Teledyne T201 Ammonia Analyzer User Manual – Original PDF



















