Champion Power Equipment, Inc., Santa Fe Springs, CA USA
MODeL #100519

PARTS INFORMATION
6250W OPeN FRAMe INveRTeR
SeRIAL NUMBeR RANGe: AFTeR 21MAR0300060
![]() | To order replacement parts please visit: shop.championpowerequipment.com or call 1-877-338-0999. |
GeNeRATOR PARTS DIAGRAM

GENERATOR PARTS LIST
| # | Part Number | Description | Qty. |
| 1 | 18100-Y9X0310-11300 | Muffler Assembly | 1 |
| 2 | 18001-Z080110-00A0 | Exhaust Outlet Gasket | 2 |
| 3 | 90001-0816-03 | Flange Bolt, M8 x 16, Black Zinc | 4 |
| 4 | 90303-0800-33 | Range Nut, M8, Black Zinc | 2 |
| 5 | 18013-Y9X0120-H300 | Muffler Shield | 1 |
| 6 | 90022-0612-03 | Flange Bolt, M6 x 12, Black Zinc | 3 |
| 7 | 18030-YA40110-H300 | Muffler Bracket | 1 |
| 8 | 90005-0816-03 | Flange Bolt, M8 x 16 | 2 |
| 9 | 16620-Y9X0111-L400 | Fuel Tank, 16L | 1 |
| 10 | 16601-Y020120-0000 | Fuel Tank Rubber Sleeve | 4 |
| 11 | 90683-Y020110-0000 | Bushing, 08.7 x 12.2, Blue White Zinc | 4 |
| 12 | 90408-Y020110-0000 | Rat Washer, 06, Black Zinc | 4 |
| 13 | 90007-0625-A3 | Flange Bolt, M6 x 25, Black Zinc | 4 |
| 14 | 16744-Y730110-0000 | Chain, Fuel Tank Cap | 1 |
| 15 | 16730-Y020610-H700 | Fuel Tank Cap | 1 |
| 16 | 16652-Y020120-00A0 | Fuel Filter | 1 |
| 17 | 37200-Y2V0110-0000 | Fuel Gauge | 1 |
| 18 | 16750-YA40211-0000 | Fuel Valve Assembly | 1 |
| 19 | 90685-0080-0EA0 | Clamp, 08 | 2 |
| 20 | 90686-Z080610-00M2 | Fuel Tube, 04.5 x 08.5 x 195 | 1 |
| 21 | 90408-Y990210-0000 | Rat Washer, 022 x 6.3 x 2 | 4 |
| 22 | 16658-Y730110-0000 | Clip, 00.8 x 010, Chain | 1 |
| 23 | 15150-Y1Z0110-0000 | One Way Valve | 1 |
| 24 | 16804-Y9X0310-0000 | Connection Pipe, 04.5 x 08.5 x 800 | 1 |
| 25 | 90698-Y1Z0110-0000 | Protective Rubber Sleeve, 08.5 | 1 |
| 26 | 16805-Y9X0110-0000 | Connection Pipe, Air Cleaner, 04.5-6.5 x 08.5- 10.5 x 230 | 1 |
| 27 | 16801-Y9K0111-0000 | Carbon Canister | 1 |
| 28 | 30431-Y9X0110-0000 | Rubber Sleeve, 09.5 x 011 x 300 | 1 |
| 29 | 51100-YBE0111-H700 | Frame Assembly, 025 x 1.2, 580 x 485 x 510 | 1 |
| 30 | 90306-1000-31A0 | Flange Nut, M10 x 1.25, Blue White Zinc | 8 |
| 31 | 90305-0800-31A0 | Flange Nut, M8, Blue White Zinc | 4 |
| 32 | 51002-YA40210-H700 | Dead Plate 1, Engine, 330 | 1 |
| 33 | 51002-YA40310-H700 | Dead Plate 2, Engine, 370 | 1 |
| 34 | 90002-1040-01A0 | Flange Bolt, M10 x 1.25 x 40, Blue White Zinc | 4 |
| 35 | 51005HY9X0110-0000 | Vibration Mount, Frame | 4 |
| 36 | 90001-0612-03 | Flange Bolt, M6 x 12, Black Zinc | 3 |
| 37 | 90001-0625-03 | Flange Bolt, M6 x 25, Black Zinc | 1 |
| 38 | 90415-0600-Z1 | Lock Washer, 06, Toothed, Blue White Zinc | 1 |
| 39 | 30009-YBE0110-0000 | Grounding Wire | 1 |
| 40 | 90305-0600-33 | Flange Nut, M6, Black Zinc | 3 |
| 41 | 90408-0600-E3 | Flat Washer, Black Zinc | 2 |
| 42 | 90403-0600-03 | Flat Washer, Black Zinc | 2 |
| 43 | 90312-0600-33 | Wing Nut, M6, Black Zinc | 1 |
| 44 | 17003-YA40110-0100 | Air Cleaner Support | 1 |
| 45 | 30081HYA40210-H700 | Holder 1, Control Unit | 1 |
| 46 | 30081 HYA40110-H700 | Holder 2, Control Unit | 1 |
| 47 | 90001-0608-03 | Flange Bolt, M6 x 8, Black Zinc | 1 |
| 48 | 30431-Z010110-0000 | Rubber Sleeve, 09.5 x 011 x 90 | 1 |
| 49 | 90314-0600-33 | Wing Nut, M6, Black Zinc | 1 |
| 50 | 35610-YBE0810-H300 | Control Panel Subassembly | 1 |
| 51 | 90007-0616-A3 | Flange Bolt, M6 x 16, Black Zinc | 4 |
| 52 | 90406-0600-E3 | Washer, 06.4 x 018 x 1.6, Black Zinc | 4 |
| 53 | 90001-0620-03 | Flange Bolt, M6 x 20, Black Zinc | 6 |
| 54 | 30043-YBE0111-0000 | Inverter, 4.8Kw/240V/60Hz | 1 |
| 55 | 90255-0510-53 | Pan Head Screw And Washer Assembly, MS x 10, Black Zinc | 6 |
| 56 | 35680-Y9X0210-0200 | Control Box | 1 |
| 57 | 54110-Y9X0310-H700 | Handle, 028 x 1.2 | 1 |
| 58 | 54101-y990110-0000 | Handle Sheath, 028 x 150 | 1 |
| 59 | CMP-SBG-5500 | Handle Assembly | 1 |
| 60 | 90583-YGK0110-03A0 | R Pin | 1 |
| 61 | 90001-0630-03 | Range Bolt, M6 x 30, Black Zinc | 4 |
| 62 | 54113HY9X0110-H700 | Handle Tube Connecting Seat | 1 |
| 63 | 90504-Y9X0110-0300 | Pin Shaft, 08 x 45, Black Zinc | 1 |
| 64 | 51008-Y2D0210-0000 | Shock Absorption Pole | 1 |
| 65 | 90501-Y2C0110-0300 | Cotter Pin, Black Zinc | 2 |
| 66 | 44020-Y9X0110-0300 | Roll Pin, 016 x 98, Black Zinc | 2 |
| 67 | 44110-Y9X0110-L400 | 8in. Wheel, Yellow | 2 |
| 68 | 51016-Y9X0110-H700 | Support Leg | 1 |
| 69 | 51014HY9X0110-0000 | Vibration Mount, Support Leg, 15 mm | 2 |
| 70 | 90305-0800-33A0 | Flange Nut, M8, Black Zinc | 2 |
| 71 | 90684-Z010310-0000 | Clip, 130 mm | 2 |
| 72 | 31234-YBE0110 | 8Amp Circuit Breaker, Push Button | 1 |
| 73 | 35160-YOG0110-0000 | Economy Switch | 1 |
| 74 | 35619-Y110110 | Automotive Receptacle, 12V DC | 1 |
| 75 | 30700-YBE0110 | Ignitor | 1 |
| 76 | 35160-Y450110-0000 | Switch, 16A/250V | 1 |
| 77 | 16080-Y9K0110 | Choke Cable Assembly | 1 |
| 78 | 35632-Y9X0310 | Intelligauge, VFT-3 | 1 |
| 79 | 35614-Y9X0110 | GFC15-20R Receptacle | 2 |
| 80 | 35654-YBE0110 | Receptacle Cover, GFCI 5-20R | 2 |
| 81 | 35614-Y090110 | L14-30R Receptacle, 125V/250V/30A | 1 |
| 82 | 35654-YBE0210 | Receptacle Cover, L14-30R | 1 |
| 83 | 31234-YBE0210 | 20Amp Circuit Breaker, Push Botton | 2 |
| 84 | 35646-Y2V0110 | Reset Button, AC250V/0.5A | 1 |
| 85 | R300MI000FB-CMP319 | Engine, 301cc | 1 |
| 86 | 93106HY020210-0000 | Flexible Oil Funnel | 1 |
| 87 | 35613-YBE0210-0000 | USB Adapter | 1 |
| 88 | 93041-YBE0110-0000 | Battery Charger Cables, 2 m | 1 |
| 89 | 90001-0610-03 | Bolt M6 x 10, Black Zinc | 2 |
| 90 | 35621-YBE0210-0000 | Bridge Rectifiers | 1 |
| 91 | 90005-0510-01 | Flange Bolt, M5 x 10, Blue White Zinc | 2 |
| 92 | 18213-Z800310-0000 | Plate, Spark Arrestor | 1 |
| 93 | 18250-Y9X0110-0000 | Spark Arrestor | 1 |
| 94 | 90722-Y2D0110-0000 | End Plug, Handle | 1 |
ENGINE PARTS DIAGRAM

ENGINE PARTS LIST
| # | Part Number | Description | Oty. |
| 1 | 12032-Z080110-0101 | Cylinder Head Cover Bolt Subassembly, Blue White Zinc | 1 |
| 2 | 12034-Z080110-0091 | Cylinder Head Cover Gasket Subassembly, Blue White Zinc | 1 |
| 3 | 12410-Z580110-0100 | Cylinder Head Cover Subassembly, Octagon, Blue White Zinc | 1 |
| 4 | 12004-Z580110-0099 | Cylinder Head Cover Gasket | 1 |
| 5 | 30010-Z010110-0000 | Spark Plug, F6RTC | 1 |
| 6 | 90203-Z010110-0000 | Stud, M8 x 34, Black Zinc | 2 |
| 7 | 90204-Z000120-0301 | Stud, M6/8 x 108, Black Zinc | 2 |
| 8 | 12140-Z00O210-0BAO | Cylinder Head Subassembly | 1 |
| 9 | 12003-Z080110-0001 | Cylinder Head Bolt, M10 x 80, Blue White Zinc | 4 |
| 10 | 90502-1220-00A0 | Pin, 012 x 020 | 2 |
| 11 | 12131-Z730210-0000 | Cylinder Head Gasket | 1 |
| 12 | 17004-Z080510-00A0 | Breather Tube, 010.5 x 015 x 125 | 1 |
| 13 | 90412-Z080110-00A0 | Flat Washer | 1 |
| 14 | 19304-Z080110-0006 | Cylinder Body Shroud, Blue White Zinc | 1 |
| 15 | 11310-Z00O310-01309 | Crankcase Subassembly | 1 |
| 16 | 90682-Z080110-0000 | Oil Seal, 030 x 046 x 8 | 1 |
| 17 | 90689-Z120110-0001 | Connecting, Oil Drain Fuel Hose, 06.5 x 012, M12x1.5 | 1 |
| 18 | 11011HZ980110-L401 | Oil Drain Fuel Hose, d=9.5, D=17, L=330, Black | 1 |
| 19 | 90001-0520-0102 | Hexagon Flange Bolt, M5 x 20, Blue White Zinc | 2 |
| 20 | 37060-Z080510-0000 | Oil Sensor | 1 |
| 21 | 90001-0616-01A0 | Hexagon Flange Bolt, M6 x 16, Blue White Zinc | 2 |
| 22 | 30400-Z980110-0003 | Ignition Coil | 1 |
| 23 | 90305-Z010210-0101 | Hexagon Flange Nut, M10 x 15, Blue White Zinc | 1 |
| 24 | 30130-Z980210-0000 | Trigger | 1 |
| 25 | 90001-0516-01A0 | Hexagon Flange Bolt, M5 x 16, Blue White Zinc | 2 |
| 26 | 30002-Z980111-0000 | Magneto Wiring Clamp | 1 |
| 27 | 90001-0510-01A0 | Hexagon Flange Bolt, M5 x 10, Blue White Zinc | 1 |
| 28 | 11411-Z000110-0BA1 | Crankcase Cover Assembly | 1 |
| 29 | 11001-Z580120-0000 | Crankcase Gasket | 1 |
| 30 | 90502-0912-00A0 | Pin, 09 x 012 | 2 |
| 31 | 15010-Z080130-L401 | Oil Dipstick Subassembly, 109C | 1 |
| 32 | 90547-0206-00TM | Deep Groove Ball Bearing | 1 |
| 33 | 90001-0835-0102 | Hexagon Flange Bolt, M8 x 35, Blue White Zinc | 7 |
| 34 | 13300-Z000110-RBTM | Crankshaft Assembly | 1 |
| 35 | 90524-Z010110-0000 | Woodruff Key | 1 |
| 36 | 13010-Z730120-00A9 | Connecting Rod | 1 |
| 37 | 13200-Z730110-0099 | Piston Rings Set | 1 |
| 38 | 13111-Z730120-00A9 | Piston | 1 |
| 39 | 13122-Z730110-0099 | Piston Pin Clip | 2 |
| 40 | 13121-Z730110-0000 | Piston Pin, 015 x 53 | 1 |
| 41 | 14200-Z730120-0099 | Camshaft Assembly | 1 |
| 42 | 14312-Z010110-0000 | Valve Lock Nut | 2 |
| 43 | 14314-Z010110-0000 | Valve Adjusting Nut | 2 |
| 44 | 14311-Z080110-0000 | Valve Rocker | 2 |
| 45 | 14313-Z010110-0000 | Valve Adjusting Bolt | 2 |
| 46 | 14090-Z080110-0000 | Guide Plate Subassembly, Blue White Zinc | 1 |
| 47 | 14070-Z730110-0000 | Valve Rod | 2 |
| 48 | 14081-Z580110-0000 | Valve Lifter | 2 |
| 49 | 12110-Z730110-00A9 | Valve set | 1 |
| 50 | 12111-Z730110-00A0 | Inlet Valve | 1 |
| 51 | 12121-Z730110-00A0 | Exhaust valve | 1 |
| 52 | 12101-Z020110-0000 | Seal Guide | 2 |
| 53 | 12105-Z080110-0000 | Valve Spring Seat | 2 |
| 54 | 12103-Z730110-0099 | Valve Spring | 2 |
| 55 | 12112-Z730110-0000 | Valve Spring Retainer | 2 |
| 56 | 12109-Z730110-0000 | Valve Collet | 4 |
| 57 | 90001-0620-01 | Hexagon Flange Bolt, M6 x 20, Blue White Zinc | 3 |
| 58 | 28200-Z980410-H700 | Recoil Starter Assembly | 1 |
| 59 | 90408-0600-El | Flat Washer, M6, Blue White Zinc | 3 |
| 60 | 90001-0612-0101 | Hexagon Flange Bolt, M6 x 12, Blue White Zinc | 10 |
| 61 | 28261-Z980110-0000 | Circlip, Rope | 1 |
| 62 | 28110-Z000110-L400 | Shroud | 1 |
| 63 | 19305-Z000120-0001 | Cylinder Body Shroud | 1 |
| 64 | 90684-Z030120-0000 | Clip, 100 mm | 1 |
| 65 | 17001-Z080210-0000 | Air Cleaner Gasket | 1 |
| 66 | 16100-Z00O212-00M0 | Carburetor Assembly | 1 |
| 67 | 16001-Z080110-0000 | Carburetor Gasket | 1 |
| 68 | 16003-Z00O310-00A0 | Carburetor Insulator Plate | 1 |
| 69 | 17002-Z080110-0000 | Inlet Gasket | 1 |
| 70 | 90001-0612-03 | Hexagon Flange Bolt, M6 x 12, Black Zinc | 5 |
| 71 | 17100-Z101710-0001 | Air Cleaner Subassembly | 1 |
| 72 | 90305-0600-3101 | Hexagon Flange Nut, M6, Blue White Zinc | 2 |
| 73 | 17151-Z100810-0000 | Element, Air Cleaner | 1 |
| 74 | 13501-Z080110-00A0 | Flywheel Nut, M16 x 1.5, Blue White Zinc | 1 |
| 75 | 28002-Z980110-0000 | Starter Pulley, Blue White Zinc | 1 |
| 76 | 28020-Z150120-0000 | Starter Pulley Base | 1 |
| 77 | 19352-Z980110-0000 | Impeller | 1 |
| 78 | 90102-0660-06A0 | Hexagon Socket Cap Screw, M6 x 60 | 3 |
| 79 | 30110-YBG0110-0000 | Rotor Component, 0210 x 69.5 | 1 |
| 80 | 30120 -YBE0211-0000 | Stator Component, 0179 x 39 | 1 |
| 81 | 16161-Z153010-00A0 | Main Jet, Standard | 1 |
| 16161-Z152810-00A0 | Main Jet, Altitude 3000-6000 Feet | 1 | |
| 16161-Z152610-00A0 | Main Jet, Altitude 6000-8000 Feet | 1 | |
| 82 | 16112-Z000110-0000 | Float Seal Ring | 1 |
| 83 | 90681-Z010510-0000 | Seal Ring | 1 |
| 84 | 90685-Z120210-0000 | Clamp | 2 |
| 85 | 11011-Z980210-0000 | Oil Drain Fuel Hose | 1 |
| 86 | 15031-Z980110-0000 | Engine Oil Plug | 1 |
| 87 | 300i-002 | Cylinder Head Subassembly | 1 |
| 88 | 90807-Z980110-0000 | Anti Take-off Chain | 1 |
| 89 | 90408-0600-E1A0 | Flat Washer, 06 | 3 |
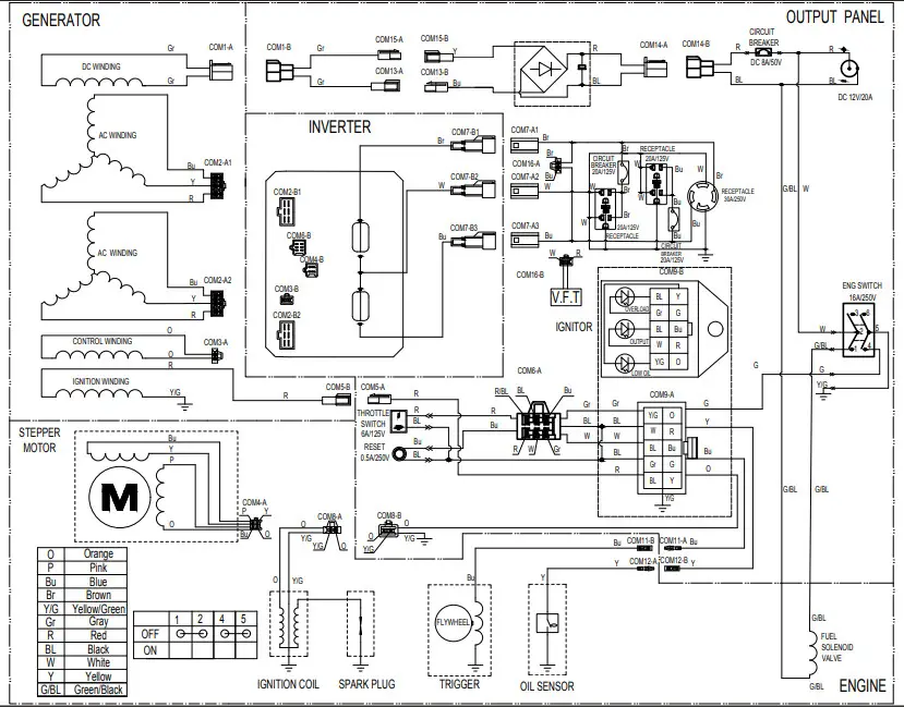
WIRING DIAGRAM






![Champion 4000w Open Frame Inverter [100807] User Manual Champion 4000w Open Frame Inverter [100807] User Manual](https://static-data1.manualsee.com/1/img/45/16948/2020/12/Champion-4000W-Open-Frame-Inverter.jpg)














