
Champion Power Equipment, Inc., Santa Fe Springs, CA USA
MODEL #201054

PARTS INFORMATION
4500W WIRELESS START OPEN FRAME INVERTER SERIAL NUMBER RANGE: ALL
To order replacement parts please
visit: shop.championpowerequipment.com or call 1-877-338-0999.
Contents hide
INVERTER PARTS DIAGRAM

INVERTER PARTS LIST
| # | Part Number | Description | Oty. |
| 1 | 100712234 | Cover, Dial Knob | 1 |
| 2 | 100031845-0002 | Screw M4 x 12 | 3 |
| 3 | 100725108 | Fuel Dial | 1 |
| 4 | 100725109 | Mounting Seat, Fuel Dial | 1 |
| 5 | 100032963-0003 | Self-tapping Screw ST3.5 x 13 | 4 |
| 6 | 100725112 | Slide Block, Fuel Switch | 1 |
| 7 | 100728457 | Fuel Valve | 1 |
| 8 | 5.1830.022 | CO Shutdown Module | 1 |
| 9 | 100730997 | Fuel Tube, 04 x 08 x 255 | 1 |
| 10 | 100725113 | Stopper, Fuel Dial | 1 |
| 11 | 100090978 | Butterfly Type Bolt M6 x 16 | 1 |
| 12 | 100725010 | Deco Trim, Recoil | 1 |
| 13 | 100010954-0001 | Screw M5 x 12 | 2 |
| 14 | 100011002-0003 | Self-tapping Screw ST4.2 x 19 | 2 |
| 15 | 100055592-0005 | Flange Bolt M6 x 10, GB16674 | 1 |
| 16 | 100011264-0002 | Flange Bolt M6 x 16 | 4 |
| 17 | 100725111 | Spring, Fuel Dial | 1 |
| 18 | 100011264-0003 | Flange Bolt M6 x 16, GB5789 | 1 |
| 19 | 100011263-0002 | Flange Bolt M6 x 15 | 2 |
| 20 | 100725250-0001 | Panel Assembly, See Figure F | 1 |
| 21 | 100729547 | Remote Control | 1 |
| 22 | 100011518-0001 | Flange Bolt M5 x 12 | 4 |
| 23 | 100725872 | Bracket, Inverter Module, Right | 1 |
| 24 | 100011261-0004 | Flange Bolt M6 x 12 | 11 |
| 25 | 100725013 | Protective Cover, Inverter Module | 1 |
| 26 | 100011266-0003 | Flange Bolt M6 x 20 | 4 |
| 27 | 100726330 | Vent Tube, Long | 1 |
| 28 | 100005148 | Clamp 08 | 6 |
| 29 | 100725015 | Vent Tube, Short | 1 |
| 30 | 100011260-0005 | Flange Bolt M6 x 10, GB5789 | 2 |
| # | Part Number | Description | Qty. |
| 31 | 100157588 | Carbon Canister, 320 cc | 1 |
| 32 | 100000658 | Clamp | 1 |
| 33 | 100005159 | Clamp 010.5 x 8 | 1 |
| 34 | 100725861 | Bracket, Inverter Module, Left | 1 |
| 35 | 100731716 | Inverter Module, 120V 60Hz | 1 |
| 36 | 100735082 | Fuel Tank Assembly, See Figure E | 1 |
| 37 | 100010437-0001 | Washer 06.5 x 1.5 x 018.2 | 4 |
| 38 | 100011267-0002 | Flange Bolt M6 x 22 | 4 |
| 39 | 100009075 | Sheath, Vent Tube | 1 |
| 40 | 100143536 | Rubber Mat | 1 |
| 41 | 100730439 | Frame Assembly – See Figure G | 1 |
| 42 | 1ZC7DFN16 | Engine, 224 cc, See Figure B | 1 |
| 43 | 100158476 | Holder, Air Cleaner | 1 |
| 44 | 100021402 | Battery, 12V 7Ah | 1 |
| 45 | 100041264-0003 | Pressing Plate, Battery | 1 |
| 46 | 100155005 | 12VDC USB Adapter | 1 |
| 47 | 100729994 | Grounding Wire | 1 |
| 48 | 100727488 | Electric Starter Module | 1 |
| 49 | 100727487 | DC Wire Harness, Battery | 1 |
| 50 | 100011260-0003 | Flange Bolt M6 x 10 | 2 |
| 51 | 100124562-0001 | Charger Module | 1 |
| 52 | 100718327 | Mounting Bolt, Spark Arrester | 2 |
| 53 | 100725011 | Shipping Bracket | 3 |
| 54 | 100713834 | Rectifier Bridge, Capacitance | 1 |
| # | Part Number | Description | Qty. |
| 55 | 100011422-0004 | Flange Nut M8, GB6170 | 2 |
| 56 | 100726331 | Insulation Foam | 1 |
| 57 | 100058175 | Gasket, Muther, Graphite | 1 |
| 58 | 100151975 | Muffler Subassembly | 1 |
| 59 | 100142015-0001 | Muffler Cover | 1 |
| 60 | 100097575-0002 | Flange Bolt M6 x 10, 0C340 | 3 |
| 61 | 100000667 | Clamp 08 x 8 | 1 |
| 62 | 100151976 | Muffler | 1 |
| 63 | 100154368 | Spark Arrester Assembly | 1 |
ENGINE PARTS DIAGRAM

ENGINE PARTS LIST
| # | Part Number | Description | Qty. |
| 1 | 100011264-0003 | Flange Bolt M6 x 16, GB5789 | 7 |
| 2 | 100002335 | Cylinder Head Cover(Cpe) | 1 |
| 3 | 100713739 | Breather Tube | 1 |
| 4 | 100066138 | Gasket, Cylinder Head Cover | 1 |
| 5 | 100002464-0001 | Flange Bolt M8 x 60 | 4 |
| 6 | 100159588 | Cylinder Head Assembly, See Figure C | 1 |
| 7 | 100011581-0001 | Flange Bolt M6 x 14 | 4 |
| 8 | 100062546 | Wire Clip B 1 | 1 |
| 9 | 100011263-0002 | Flange Bolt M6 x 15 | 1 |
| 10 | 100055588-0006 | Flange Bolt M6 x 20, GB16674 | 1 |
| 11 | 100006526 | Gasket, Muffler | 1 |
| 12 | 100142016 | Exhaust Pipe | 1 |
| 13 | 100011422-0004 | Flange Nut M8, GB6170 | 2 |
| 14 | 100011284-0003 | Flange Bolt M6 x 100 | 3 |
| 15 | 100135072 | Flange Bolt M6 | 4 |
| 16 | 100010894 | Washer 06 | 4 |
| 17 | 100724977-0001 | Recoil Starter | 1 |
| 18 | 100061091 | Stud Bolt M6 x 98 | 2 |
| 19 | 100078607 | Gasket, Insulator | 1 |
| 20 | 100122101 | Insulator, Carburetor | 1 |
| 21 | 100078606 | Gasket, Carburetor | 1 |
| 22 | 100732017 | Carburetor Assembly, See Figure D | 1 |
| 23 | 100051029-0004 | Screw M4 x6 | 2 |
| 24 | 100724985 | Pulley, Starter | 1 |
| 25 | 100087582 | Fan, Engine Cooling | 1 |
| 26 | 100126953 | Rotor Assembly, Permanent Magneto, 0180 x 64 mm | 1 |
| 27 | 100011540-0007 | Flange Bolt M6 x 50 | 3 |
| 28 | 100005148 | Clamp | 1 |
| 29 | 100730998 | Fuel Tube, 04 x 08 x 350 | 1 |
| # | Part Number | Description | Qty. |
| 30 | 100727489 | Stator Assembly, 0156 x35 mm | 1 |
| 31 | 100130948 | Lower Guard | 1 |
| 32 | 100017644 | Oil Seal 025 x 041.25 x 6 | 1 |
| 33 | 100727615 | Trigger | 1 |
| 34 | 100005152 | Clamp 011.5 | 1 |
| 35 | 100010887-0004 | Spring Washer 08 | 2 |
| 36 | 100005629 | Gasket 2, Carburetor | 1 |
| 37 | 100011459-0003 | Flange Nut M14 x 1.5 | 1 |
| 38 | 100731202 | Air Cleaner Assembly | 1 |
| 39 | 100731587 | Air Cleaner Base | 1 |
| 40 | 100005078 | Air Cleaner Baffle | 1 |
| 41 | 100004771 | Air Cleaner Element | 1 |
| 42 | 100717012 | Air Cleaner Cover | 1 |
| 43 | 100004949 | Air Cleaner Bolt | 1 |
| 44 | 100011463-0002 | Flange Nut M6 | 2 |
| 45 | 100007083 | Air Guide, Lower | 1 |
| 46 | 100011260-0005 | Flange Bolt M6 x 10 | 4 |
| 47 | 100724983-0001 | Fan Cover | 1 |
| 48 | 100010558 | Dowel Pin 010 x 16 | 2 |
| 49 | 100003243 | Piston Ring Set | 1 |
| 50 | 100072134 | 1st Piston Ring | 1 |
| 51 | 100072135 | 2nd Piston Ring | 1 |
| 52 | 100072136 | Oil Ring | 1 |
| 53 | 100149269 | Push Rod | 2 |
| 54 | 100149234 | Lifter, Valve | 2 |
| 55 | 100003086 | Piston | 1 |
| 56 | 100003221 | Circlip, Wrist Pin | 2 |
| 57 | 100003123 | Wrist Pin | 1 |
| 58 | 100003446 | Connecting Rod | 1 |
| 59 | 100010272 | Drain Bolt, M10 x 1.25 x 15 | 2 |
# | Part Number | Description | Qty. |
| 60 | 100010459 | Washer 010 x 1.5 x 016 | 3 |
| 61 | 100002910-0001 | Oil Drain Pipe | 1 |
| 62 | 100731194 | Oil Level Sensor | 1 |
| 63 | 100010761 | Bearing, TM6205 | 2 |
| 64 | 100126476 | Crankshaft | 1 |
| 65 | 100099599 | Camshaft | 1 |
| 66 | 100010148 | Gasket, Crankcase Cover | 1 |
| 67 | 100128008 | Cover, Crankcase | 1 |
| 68 | 100011319-0001 | Flange Bolt M8 x 32 | 6 |
| 69 | 100152738-0001 | Oil Dipstick Assembly | 1 |
| 70 | 100010550 | Dowel Pin 08 x 14 | 2 |
| 71 | 100011215-0001 | Flange Bolt M6 x 12 | 2 |
| 72 | 100122168 | Control Assembly | 1 |
| 73 | 100011266-0004 | Flange Bolt M6 x 20 | 3 |
| 74 | 100000655 | Wire Clip B | 1 |
| 75 | 100727607 | Ignition Coil | 1 |
| 76 | 100725320 | Crankcase | 1 |
| 77 | 100122099 | Bracket, Trigger | 1 |
| 78 | 100055591-0007 | Flange Bolt M6 x 12, GB16674 | 2 |
CYlINDER HEAD PART DIAGRAM

CYlINDER HEAD PART lIST
# | Part Number | Description | Qty. |
| 1 | 100149239 | Rocker Arm Assembly | 2 |
| 2 | 100050881 | Guide Plate, Push Rod | 1 |
| 3 | 100050896 | Valve Collet | 4 |
| 4 | 100073758 | Valve Spring Seat, Upper | 2 |
| 5 | 100713979 | Spring, Valve | 2 |
| 6 | 100004599 | Oil Seal, Intake Valve | 1 |
| 7 | 100010387 | Stud Bolt M8 x 34 | 2 |
| 8 | 100713981 | Exhaust Valve | 1 |
| 9 | 100009378 | Spark Plug F6RTC | 1 |
| 10 | 100713980 | Intake Valve | 1 |
| 11 | 100079792 | Cylinder Head | 1 |
| 12 | 100155656 | Gasket, Cylinder Head | 1 |
CARBURETOR PART DIAGRAM
CARBURETOR PART lIST
# | Part Number | Description | Qty. |
| 1 | 100730341 | Carburetor | 1 |
| 2 | 100005717 | 0-Ring, Fuel Bowl | 1 |
| 3 | 100005766 | Main Jet Standard (#68) | 1 |
| 100713414 | Main Jet Altitude 1000-3000m (#66) | / | |
| 4 | 100006037 | Gasket, Fuel Bowl Mounting Bolt | 1 |
| 5 | 100005725 | Mounting Bolt, Fuel Bowl | 1 |
| 6 | 100714111 | Protection Cover, Stepping Motor | 1 |
| 7 | 100031809-0002 | Screw M3 x 6 | 4 |
| 8 | 100727606 | Stepping Motor, Throttle | 1 |
| 9 | 100727605 | Stepping Motor, Choke | 1 |
FUEl TANK PART DIAGRAM

FUEl TANK PART LIST
# | Part Number | Description | Qty. |
| 1 | 100715500 | Bushing. 09 x 06.6 x 10 | 4 |
| 2 | 100711813 | Vibration Mounting. Fuel Tank | 4 |
| 3 | 100727794 | Fuel Gauge | 1 |
| 4 | 100099571 | Reversal Valve | 1 |
| 5 | 100098838 | Fuel Filter Assembly | 1 |
| 6 | 100727618-0001 | Fuel Tank. 11L | 1 |
| 7 | 100142004 | Fuel Tank Cap | 1 |
| 8 | 100714546 | Fitting. Fuel Tank | 1 |
CONTROL PANEL PART DIAGRAM

CONTROL PANEL PART LIST
| # | Part Number | Description | Qty. |
| 1 | 100011421-0002 | Flange Nut M6, GB6170 | 1 |
| 2 | 100010886-0002 | Spring Washer 06 | 1 |
| 3 | 100010910-0002 | Washer 06 | 1 |
| 4 | 100731289 | Intelligauge, INTSDINV | 1 |
| 5 | 100137347-0001 | Ignition Module | 1 |
| 6 | 10057719 | 8Amp Circuit Breaker, Push Button | 1 |
| 7 | 100092320-0002 | Grounding Stud | 1 |
| 8 | 100011025-0001 | Lock Washer 06, Toothed | 1 |
| 9 | 100010919-0001 | Washer 05 | 1 |
| 10 | 100011419-0003 | Flange Nut M5 | 1 |
| 11 | 100019782 | Receptacle, 12 VDC | 1 |
| 12 | 100091059-0001 | Parallel Outlet Socket, Red | 1 |
| 13 | 100091059-0002 | Parallel Outlet Socket, Black | 1 |
| 14 | 100150096-0001 | Cover, Parallel Outlet Socket, Red | 1 |
| 15 | 100150096-0002 | Cover, Parallel Outlet Socket, Black | 1 |
| 16 | 100731572 | Receptacle Cover, TT-30R | 1 |
| 17 | 100731575 | Receptacle Cover, 5-20R, Duplex | 1 |
| 18 | 100019747 | 20Amp Circuit Breaker, Push Button | 1 |
| 19 | 100019756 | 30Amp Circuit Breaker, Push Button | 1 |
| 20 | 100010885-0003 | Spring Washer 05 | 1 |
| 21 | 100020029 | Receptacle 5-20R, Duplex | 1 |
| 22 | 100020008 | Receptacle TT-30R | 1 |
| 23 | 100727641 | Control Panel Housing | 1 |
| 24 | 100000655 | Wire Clip B | 2 |
| 25 | 100011446-0001 | Flange Nut M4 | 8 |
| 26 | 100727492 | Wire Harness Assembly | 1 |
| 27 | 100120180 | Cover, Circuit Breaker | 3 |
| 28 | 100729981 | Start/Stop Control Module | 1 |
| 29 | 100730628 | One-button Start | 1 |
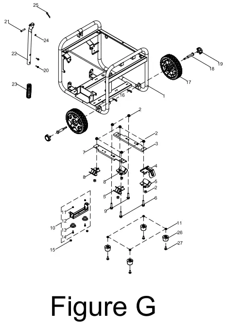
FRAME ASSEMBlY PART DIAGRAM

FRAME ASSEMBlY PART lIST
| # | Part Number | Description | Qty. |
| 1 | 100725007-0001 | Frame | |
| 2 | 100079483-0001 | Flange Nut M8 | 10 |
| 3 | 100731886 | Front Mounting Bracket, Engine | |
| 4 | 100162980 | Insulator shield | 1 |
| 5 | 100093523 | Vibration Mount 2, Support | 2 |
| 6 | 100011323-0001 | Flange Bolt M8 x 38 | 2 |
| 7 | 100162854 | Rear Mounting Bracket, Engine | 1 |
| 8 | 100093524 | Vibration Mount 1, Support | 2 |
| 9 | 100011320-0002 | Flange Bolt M8 x 35 | 2 |
| 10 | 100720829-0001 | Support Leg Assembly | 1 |
| 11 | 100011452-0003 | Flange Nut M6, GB6177.1 | 6 |
| 12 | 100020659-0001 | Support Leg | 1 |
| 13 | 100099931 | Vibration Mount | 2 |
| 14 | 100011265-0003 | Flange Bolt M6 x 18 | 2 |
| 15 | 100011453-0003 | Flange Nut M8, GB6177.1 | 2 |
| 16 | 100023415-0001 | R-pin | 2 |
| 17 | 100714023-0001 | 8 In. Wheel, Yellow | 2 |
| 18 | 100714025 | Roll Pin 010 | 2 |
| 19 | 100712243-0001 | Tire Cover, Yellow | 2 |
| 20 | 100095857-0005 | Flange Bolt M4 x 18 | 2 |
| 21 | 100011047-0003 | Roll Pin 08 x 40 | 1 |
| 22 | 100725016-0001 | Handle | 1 |
| 23 | 100716888 | Grip, Handle | 1 |
| 24 | 100731043 | Damping Pad, Handle | 1 |
| 25 | 100714685-0001 | R-pin, R5 | 1 |
| 26 | 100022335 | Damping Pad | 4 |
| 27 | 100010964-0002 | Screw M6 x 12 | 4 |
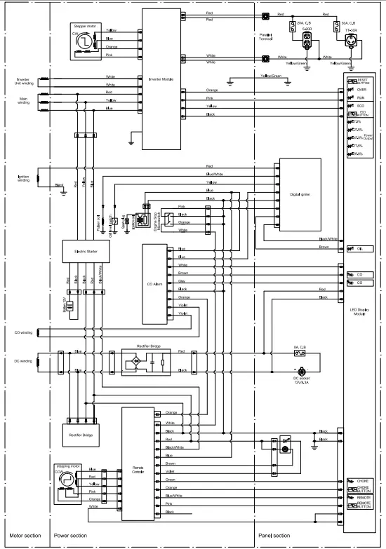
WIRING DIAGRAM

CARBURETOR PART lIST



![Champion 4000w Open Frame Inverter [100807] User Manual Champion 4000w Open Frame Inverter [100807] User Manual](https://static-data1.manualsee.com/1/img/45/16948/2020/12/Champion-4000W-Open-Frame-Inverter.jpg)














