EM82 Portable Air Conditioner
User Manual
IMPORTANT SAFEGUARDS
Essential safety requirements
Only use the local air conditioner according to the instructions in this manual. These instructions do not cover every possible condition and situation that could occur. Common sense and prudence must always be followed during the installation, operation, and storage of any electrical appliance. This appliance was built for household use and must not be used for other purposes.
FUNDAMENTAL SAFETY WARNINGS:
- The appliance is not intended for use by persons (including children) with reduced physical, sensory or mental capabilities, or lack of experience and knowledge unless they have been given supervision or instruction concerning the use of the appliance by a person responsible for their safety.
- Children should be supervised to ensure that they do not play with the appliance.
- Do not set heavy or hot objects on the appliance. Since the appliance uses electricity, the following safety instructions must be followed:
- Modifying or changing the characteristics of the appliance in any way is dangerous.
- The appliance must be installed according to national laws governing electrical systems.
- For any repairs, always consult the Technical Service Centres authorized by the manufacturing company. Repairs performed by incompetent individuals can be hazardous.
- This appliance must be earthed. Has the electrical system been checked by a qualified electrician?
- Avoid using extension cords.
- Before any cleaning or maintenance operation, always unplug from the mains.
- Do not pull on the electrical cord to move the appliance.
- Do not install the appliance in areas where the air may contain gas, oil, or sulfur or near heat sources.
- If the power cable is damaged, it must be replaced by the manufacturer or the manufacturer’s Customer Services in order to avoid all risks.
- Do not operate your local air conditioner in a wet room such as a bathroom or laundry room.
FOR EUROPEAN MARKETS ONLY:
- This appliance can be used by children aged 8 upwards and by persons with reduced physical, sensory or mental capabilities or who lack experience and knowledge if they are supervised or have been given instructions concerning the use of the appliance in a safe way and understand the hazards involved. Children must not play with the appliance. Cleaning and user maintenance must not be carried out by children unless they are older than 8 and supervised. Keep the appliance and its cord out of the reach of children under 8 years of age.
Please note:
- Clean the air filter at least once a week.
- When transporting, the appliance must be kept upright or resting on one side. Before transporting, drain all the water from the appliance. After transporting, wait at least one hour before turning on the appliance.
- Do not cover the appliance with plastic bags when stored.
- The packaging materials are recyclable. Please place them in the appropriate recycling collection containers.
- At the end of its life, deliver the local air conditioner to the appropriate collection centers.
SPECIFIC INFORMATION REGARDING APPLIANCES WITH R290 REFRIGERANT GAS
- Thoroughly read all of the warnings.
- When defrosting and cleaning the appliance, do not use any tools other than those recommended by the manufacturing company.
- The appliance must be placed in an area without any continuous sources of ignition (for example open flames, gas, or electrical appliances in operation).
- Do not puncture and do not burn.
- Refrigerant gases can be odorless.
- The appliance must be installed, used, and stored in an area that is greater than 15 m2.
- This appliance contains R290 refrigerant gas. (For more details on the refrigerant, see the back cover).
- R290 is a refrigerant gas that complies with European directives on the environment. Do not puncture any part of the refrigerant circuit.
- If the appliance is installed, operated, or stored in a non-ventilated area, the room must be designed to prevent the accumulation of refrigerant leaks resulting in a risk of fire or explosion due to ignition of the refrigerant caused by electric heaters, stoves, or other sources of ignition.
- The appliance must be stored in such a way as to prevent mechanical failure.
- Individuals who operate or work on the refrigerant circuit must have the appropriate certification issued by an accredited organization that ensures competence in handling refrigerants according to a specific evaluation recognized by associations in the industry.
- Repairs must be performed based on the recommendations from the manufacturing company.
Maintenance and repairs that require the assistance of other qualified personnel must be performed under the supervision of an individual specified in the use of flammable refrigerants.
DESCRIPTION
| 1. air outlet grille 2. control panel 3. handles 4. castors 5. filter 6. evaporator air intake grille 7. air exhaust hose housing 8. condenser air intake grille | 9. power cable 10. drain hose with 2 caps 11. flange with cap 12. air exhaust hose 13. hose adapter (2 pieces) 14. wall mounting accessory 15. window outlet 16. the remote control units (some models only) |
PREPARING FOR USE
ELECTRICAL CONNECTIONS
Before plugging the appliance into the mains socket, check that the:
- The mains power supply corresponds to the value indicated on the rating plate on the back of the appliance;
- The mains socket and electrical circuit are adequate for the appliance;
- The main socket matches the plug. If this is not the case, have the plug replaced;
- The main socket is adequately earthed. Failure to follow these important safety instructions absolves the manufacturer of all liability.
The power cable must be replaced by a qualified professional only.
The instructions below will enable you to prepare your air conditioner for operation as efficiently as possible.
Before use, make sure the air intake and outlet grilles are unobstructed.
AIR-CONDITIONING WITHOUT INSTALLATION
Just a few simple steps and your comfort is ensured with your air conditioner:
- Screw one of the hose adapters 13 to one end of the air exhaust hose 12.
- Fit the other adapter 13 to the air exhaust hose housing 7 at the back of the appliance (see fig. A).
- Screw the end of the hose without the adapter to the adapter previously mounted on the appliance (see fig. A).

- Fit the window outlet 15 to the air 12 exhaust hose as shown in fig. B.
- Place the air conditioner near a window or French window.
- Make sure the air exhaust hose is unobstructed.

- Open the window or French window slightly and position outlet 15 as shown in figure C.
Keep the air hoses as short and free of curves as possible to avoid constrictions.
AIR-CONDITIONING WITH INSTALLATION
If required, your appliance can also be installed semi-permanently (Fig. D).
Proceed as follows:
- Drill a hole (ø134mm) in an outside wall or through a window pane.
Respect the height and dimensions of the hole given in figure E.
in the window pane in the wooden kickboard of a French window in the wall: you are recommended to insulate the section of the wall using suitable insulation. Keep the air hoses as short and free of curves as possible to avoid constrictions.
- Fit the wall flange accessory 11 provided in the hole.
- Fit the air exhaust hose 13 in the relevant hose 7 located on the rear side of the appliance (see fig. A).
- Screw the wall mounting accessory 14 al tubo uscita aria 12 to the air exhaust 13 hose or, if necessary, unscrew the adapter 12 from the air exhaust hose and replace it with the wall installation terminal 14 (fig. F).

- Insert the other end of hose 12 on flange 11 as shown in fig. G.
When hose 12 is not fitted, the hole can be closed with flange cap 11.
NOTE.
When installing the air conditioner semi-permanently, you should leave a door slightly open (as little as 1 cm) to guarantee correct ventilation.
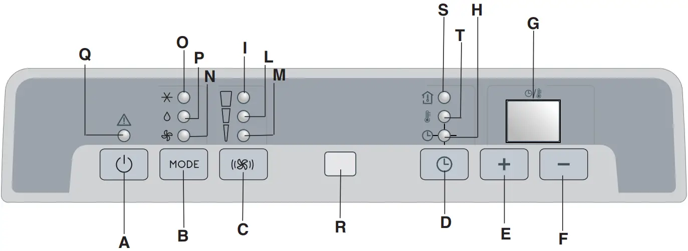
THE CONTROL PANEL

DESCRIPTION OF THE CONTROL PANEL
A. ON/Standby button
B. MODE selection button
Air conditioning, dehumidifying, fan.
C. Fan speed selection button (MAX/MED/MIN)
D. Timer button
E. Programmed operation increases temperature/time button
F. Programmed operation decreases temperature/time button
G. Display (Displays the temperature values set, room temperature, and the programmed operating time)
H. Timer in operation indicator light
I/L/M. Fan speed lights
N. Fan mode light
O. Air-conditioning mode light
P. Dehumidifying mode light
Q. Alarm light
R. Remote control signal receiver
S. Light: displays room temperature
T. Light: displays set temperature
✔ Never turn the local air conditioner off by unplugging it from the mains. Always press the
button, then wait for a few minutes before unplugging. This allows the appliance to perform a cycle of checks to verify the operation.
OPERATION
TURNING THE APPLIANCE ON
Plug the appliance into the mains.
Press the ON/Standby button (A) (when turned on, the air conditioner starts operating in the same mode as when it was turned off).
The display shows the room temperature.
Press the MODE button (B) until the indicator light corresponding to the required mode lights up:
Light (O): air-conditioning mode
Light (N): fan mode
Light (P): dehumidifying mode
AIR-CONDITIONING MODE
Ideal for hot humid weather when you need to cool and dehumidify the room.
By default, the room temperature is displayed.
Light (S) is on.
To set the required temperature, press the + (E) or – (F) buttons until the required temperature is displayed. (to switch between °F and °C, press the E and F buttons together for a few seconds).
Light (T) comes on and light (S) goes off.
Fifteen seconds after setting the temperature, the display switches back to room temperature.
Light (S) comes on again.
You can adjust the temperature in air conditioning mode only.
Then select the fan speed by pressing the FAN button (C) until the indicator light corresponding to the required fan speed lights up:
MAX: the air conditioner operates at maximum to reach the required temperature as rapidly as possible
MED: reduces noise levels but still maintains a good level of comfort
MIN: for silent operation
The most suitable temperature for the room during the summer varies from 24 to 27°C. You are recommended, however, not to set a temperature much below the outdoor temperature.
FAN MODE
Adjust fan speed by pressing the FAN button (C) as described for the air-conditioning mode.
Remember that the higher the speed, the more air is filtered. If you select “MIN” speed, less air is filtered but the appliance is also less noisy.
DEHUMIDIFYING MODE
Ideal for reducing the humidity in a room without lowering or raising the temperature (spring or autumn, damp rooms, rainy spells, etc). When the dehumidifying mode is selected, the light (P) turns on. In this mode, with temperatures higher than 25°C it is possible to adjust the ventilation speed.
If the temperature is less than 25°C the ventilation speed will be automatically adjusted by the appliance and the ventilation light “MED” (L) will turn on.
Note: Remember to install the air exhaust hose as described in the chapter: “Preparing for use”.
PROGRAMMING THE TIMER
The timer can be used to delay appliance start-up or shutdown. This avoids wasting electricity by optimizing operating periods.
How to program delayed start-up
- Plug the appliance into a mains socket and press the ON/Standby button (A), then select the required operating mode and other settings (temperature, fan speed, etc).
- Press the ON/Standby button (A) again to place the appliance in standby mode.
- Press the timer button (D). The timer light “H” flashes.
- Use the + (E) or – (F) buttons to set the number of hours delay before the appliance comes on.
- The time increases or decreases in steps of one hour.
The indicator light (H) flashes until the appliance starts up.
You can set the appliance to come on with a delay of up to 12 hours.
To cancel the timer program, press the timer button (D) again.
Light (H) stops flashing.
How to program delayed shut down
- The delayed shutdown can be programmed in any operating mode (air conditioning/fan/ dehumidifying).
- Press the timer button (D). The timer light “H” flashes.
- Use the + (E) or – (F) buttons to set the number of hours delay before the appliance goes off.
The time increases or decreases in steps of one hour.
The light (H) flashes until the appliance turns off as programmed.
At the set time, the air conditioner shuts down and remains on standby.
To cancel the timer program, press the timer button (D) again.
Light (H) stops flashing.
USING THE REMOTE CONTROL UNIT (SOME MODELS ONLY)
MODELS WITH REMOTE CONTROL
- Point the remote control at the receiver on the air-conditioner. The remote control must be no more than 5 meters away from the appliance (without obstacles between the remote control and the receiver).
- The remote control should be handled with extreme care and respect. Do not drop it, expose it to direct sunlight, or leave it near sources of heat.

DESCRIPTION OF THE REMOTE CONTROL
17) “ON/Standby” button
18) “MODE” button
19) Programmed operation/ decrease/increase temperature button
20) Pulsante “TIMER”
21) Pulsante selezione di velocità di ventilazione (MAX/MED/MIN)
22) °F/°C switching button
Replacing the batteries
- Remove the cover on the rear of the remote control;
- Replace the old batteries with two new LR03 “AAA” 1.5V batteries, inserting them correctly (see the instructions inside the battery compartment);
- Replace the cover.
If the remote control unit is replaced or discarded, the batteries must be removed and disposed of in accordance with current legislation as they are harmful to the environment. Do not mix alkaline, standard (zinc-carbon), and rechargeable (nickel-cadmium) batteries.
Do not throw the batteries in the fire as they could explode or leak dangerous liquids.
TURNING THE APPLIANCE ON
Plug the appliance into the mains.
Press the ON/Standby button (17) (when turned on, the local air conditioner starts operating in the same mode as when it was turned off).
Press the MODE button (18) to select the required mode
COOLING
DEHUMIDIFYING
FAN ONLY
On the control panel, the light corresponding to the selected mode comes on.
For air conditioning/dehumidifying/fan-only settings and programming the timer.
TIPS
To get the best from your air conditioner, follow these recommendations:
- close the windows and doors in the room to be a local air conditioner.
The only exception is when the appliance is installed through a hole in the wall.
In this case, you are recommended to leave a slight draught through a door or window to guarantee correct ventilation.
- Protect the room from direct exposure to the sun by partially closing curtains and/or blinds to make the appliance much more economical to run;
- Never rest objects of any kind on the air conditioner;
- Never obstruct the air intake 6 or outlet 1 grille;
- Make sure there are no heat sources in the room.

- Never use the appliance in very damp rooms (laundries for example).
- Never use the appliance outdoors.

- Make sure the air conditioner is on a level floor.
CLEANING
Before cleaning or maintenance, turn the appliance off by pressing the ON/Standby button (A) or in models with remote control units, by pressing the ON/Standby button 17, then always unplug the appliance from the main socket.
CLEANING THE CABINET
You should clean the appliance with a slightly damp cloth and then dry it with a dry cloth.
For safety reasons, never wash the air conditioner with water.
Precautions
Never use petrol, alcohol, or solvents to clean the appliance. Never spray insecticide liquids or similar.
CLEANING THE AIR FILTERS
To keep your local air conditioner working efficiently, you should clean the dust filter every week of operation.
The filter is housed in the intake grille.
To clean the filters, remove the filter as shown in figure H.
Use a vacuum cleaner to remove the dust collected on the filter.
If it is very dirty, immerse it in warm water and rinse it a number of times.
The water should never be hotter than 40°C.
After washing, leave the filter to dry.
Put the filter back in its housing.
START OF SEASON CHECKS
Make sure the power cable and plug are undamaged and the earth system is efficient. Follow the installation instructions precisely.
END-OF-SEASON OPERATIONS
To drain all water from the circuit, first, unscrew the anticlockwise direction of the external cap from the drain hose on the back of the appliance then remove the internal cap (figure I) and allow the water to drain out into a basin. When all the water has been drained, close the hose with the 2 caps. Clean the filter and leave it to dry before putting it back in its housing.
TROUBLESHOOTING
| PROBLEM | CAUSE | REMEDY |
| The local air conditioner does not come on | • no electricity • it is not plugged into the mains • the safety device has tripped | • wait • plug into the mains • contact your service center |
| The local air conditioner works for a short time only | • the air exhaust hose has a constriction • the air exhaust hose is blocked • there are bends in the air exhaust hose | • position the exhaust hose correctly • check there are no obstacles obstructing air discharge • eliminate the bends |
| The local air conditioner works but does not cool the room | • window open • there are heat sources in the room (burner, lamp, etc) • the exhaust hose is detached • air filter clogged • the local air conditioner is not powerful enough for the conditions or size of the room | • close the window • eliminate the heat source • connect the exhaust hose • clean or replace the filter |
| Particular odor in the room | • air purifying filters clogged | • clean or replace the filters |
| The local air conditioner does not operate for about 3 minutes after turning it on | • the safety device has tripped | • wait for three minutes |
| The alarm light Q comes on | • the tank inside the appliance is full. | • empty the tank (see “End of season operations) on page 25). |
SELF-DIAGNOSIS
The appliance has a self-diagnosis system to identify a number of malfunctions.
Error messages are displayed on the appliance display.
| IF…IS DISPLAYED, | IF…IS DISPLAYED, | IF…IS DISPLAYED, |
(sensor damaged) | ||
| …MEANS: room temperature is too low | …MEANS: room temperature is too high | …MEANS: contact your local customer service |
GUARANTEE/TECHNICAL SPECIFICATION
GUARANTEE AND TECHNICAL ASSISTANCE
The conditions of the guarantee and technical assistance are given on the certificate supplied with your appliance.
LIMIT CONDITIONS
Room temperature for air conditioning: 21 ÷ 35°C
TECHNICAL SPECIFICATION
| Power supply voltage Max. absorbed power | see rating plate |
| during air conditioning | “ |
| Refrigerant | “ |
| Cooling capacity | “ |
Transport, filling, cleaning, recovery, and disposal of refrigerant should be performed by a technical service center appointed by the manufacturer only.
The appliance should be disposed of by a specialist center appointed by the manufacturer only.
DISPOSAL
The appliance must not be disposed of with household waste but taken to an authorized waste separation and recycling center.



Keep the air hoses as short and free of curves as possible to avoid constrictions.

When hose 12 is not fitted, the hole can be closed with flange cap 11.





















