eCA120DN Compact Amplifiers Dante /Aes67 Interface Amplifier
User Manual
![]()

eCA120DN Compact Amplifiers Dante /Aes67 Interface Amplifier
eCA120DN / eCA120HZDN
COMPACT AMPLIFIERS
DANTETM/AES67 Interface Amplifier
IMPORTANT REMARK
The lightning flash with arrowhead symbol, within an equilateral triangle, is intended to alert the user to the presence of uninsulated “dangerous voltage” within the product’s enclosure that may be of sufficient magnitude to constitute a risk of electric shock to persons.
The exclamation point within an equilateral triangle is intended to alert the user to the presence of important operating and maintenance (servicing) instructions in the literature accompanying the appliance.
WARNING (If applicable): The terminals marked with symbol of “
” may be of
sufficient magnitude to constitute a risk of electric shock. The external wiring connected to the terminals requires installation by an instructed person or the use of ready-made leads or cords.
WARNING: To prevent fire or shock hazard, do not expose this equipment to rain or moisture.
WARNING: An apparatus with Class I construction shall be connected to a mains socket-outlet with a protective earthing connection.
IMPORTANT SAFETY INSTRUCTIONS
- Read these instructions.
- Keep these instructions.
- Heed all warnings
- Follow all instructions.
- Do not use this apparatus near water.
- Clean only with dry cloth.
- Do not block any ventilation openings. Install in accordance with the manufacturer’s instructions.
- Do not install near any heat sources such as radiators, heat registers, stoves, or other apparatus (including amplifiers) that produce heat.
- Do not defeat the safety purpose of the polarized or grounding type plug. A polarized plug has two blades with one wider than the other. A grounding type plug has two blades and a third grounding prong. The wide blade or the third prong are provided for your safety. If the provided plug does not fit into your outlet, consult an electrician for replacement of the obsolete outlet.
- Protect the power cord from being walked on or pinched particularly at the plugs, convenience receptacles, and at the point where they exit from the apparatus.
- Only use attachments/accessories specified by the manufacturer.
- Unplug the apparatus during lightening sorts or when unused for long periods of time.
- Refer all servicing to qualified personnel. Servicing is required when the apparatus has been damaged in any way, such as power supply cord or plug is damaged, liquid has been spilled or objects have fallen into the apparatus, the apparatus has been exposed to rain or moisture, does not operate normally, or has been dropped.
- Disconnecting from mains: When switching off the POWER switch, all the functions and light indicators of the unit will be stopped, but fully disconnecting the device from mains is done by unplugging the power cable from the mains input socket. For this reason, it always shall remain easily accessible.
- Equipment is connected to a socket-outlet with earthing connection by means of a power cord.
- The marking information is located at the bottom of the unit.
- The apparatus shall not be exposed to dripping or splashing and that no objects filled with liquids, such as vases, shall be placed on apparatus.
NOTE: This equipment has been tested and found to comply with the limits for a Class A digital device, pursuant to part 15 of the FCC Rules. These limits are designed to provide reasonable protection against harmful interference when the equipment is operated in a commercial environment. This equipment generates, uses, and can radiate radio frequency energy and, if not installed and used in accordance with the instruction manual, may cause harmful interference to radio communications. Operation of this equipment in a residential area is likely to cause harmful interference in which case the user will be required to correct the interference at his own expense.
WARNING: This product must not be discarded, under any circumstance, as unsorted urban waste. Take to the nearest electrical and electronic waste treatment centre.
NEEC AUDIO BARCELONA, S.L. accepts no liability for any damage that may be caused to people, animal or objects due to failure to comply with the warnings above.
IMPORTANT NOTE
Thank you for choosing our Ecler eCA120DN / eCA120HZDN DANTETM/AES67 Interface Amplifier!
It is VERY IMPORTANT to carefully read this manual and to fully understand its contents before any connection in order to maximize your use and get the best performance from this equipment. To ensure optimal operation of this device, we strongly recommend that its maintenance be carried out by our authorised Technical Services. Ecler eCA120DN / eCA120HZDN comes with a 3-year warranty.
INTRODUCTION
eCA120DN is a 2 x 60 WRMS @ 4 high efficiency (class D) stereo compact amplifier. It features 2 x analogue audio inputs and 2 x DANTETM/AES67 audio inputs, both with selectable priority function (over the other input signal) as well as an auxiliary audio output. Auto stand-by function (selectable) and fanless design (100% silent). It also has a remote control volume port compatible with ECLER Wpa wall-panel control series. Universal external power supply included. eCA120HZDN is a 120 WRMS @ 70V /100V efficiency (class D) mono compact amplifier for high impedance lines, with the same features than eCA120DN.
KEY FEATURES
- 2 x 60 W RMS @ 4 output (eCA120DN)
- 1 x 120W RMS @ 70V / 100V output (eCA120HZDN)
- 1 x auxiliary audio output (Euroblock connector), for connecting to a sub-woofer unit e.g.
- 1 x unbalanced stereo input (LINE INPUT), with dual RCA connector and 3-in Euroblock connector
- 2 x DANTETM/AES67 audio input (DANTE INPUT), with RJ-45 connector
- Selectable PRIORITY FUNCTION with selectable priority signal: the analogue audio input (LINE INPUT) can be selected as priority signal over the DANTETM/AES67 audio input (DANTE INPUT), or vice versa.
- Priority release time adjustment (FAST / SLOW).
- Selectable AUTO STANDBY function: in the absence of an audio signal the unit automatically goes into STANDBY mode, minimizing power consumption.
- Gain adjust of audio inputs on front panel (trimmers)
- Local volume control by knob
- Remote volume control (RJ-45 connector.) via Wpa wall-panel control series (010 VDC).
- Lightweight, silent, high-performance amplifier (fan-free convection cooling)
- External, universal power supply (included)
PACKING CONTENT
- eCA120DN or eCA120HZDN
- Universal external power supply DC24V
- 2 x 2-pin Euroblock connectors
- 2 x 3-pin Euroblock connectors
- 4 x adhesive legs for positioning the loudspeakers on a desktop
- Quick start guide
- Warranty card
POSITIONING AND FITTING
WARNING: Non-compliance with the instructions or neglecting warnings may cause malfunction or even damage the unit:
- Avoid turning on the device without the speakers connected to its outputs and without having previously set the volume/gain controls to minimum level.
- Always use shielded cables to make connections between devices.
- In an amplifier, avoid placing the speaker output cables close to other signal cables (micro, line…). This may cause the system to oscillate, damaging the amplifier and speakers.
eCA120DN / eCA120HZDN is suitable for installation on a wall or under a surface (table, shelf, cupboard, etc.), thanks to its design and layout of its connectors, controls and LED indicator lights. Along with the optional 1UHRMKIT accessory (not included), it is also possible to install the unit in a standard 19″ rack (1RU height).
This unit is intended for users with low technical expertise, for this reason, all input gain controls are accessible by means of an adjustment turnscrew, except for the output level adjustments, controlled with classic rotary knobs, easily accessible from the front panel.
Thanks to its low consumption and heat dissipation the eCA120DN / eCA120HZDN does not require forced cooling, however, it must be prevented from installing the unit in dusty environments with extreme temperature and/or humidity conditions.
The unit must be away from noise and interference sources (voltage variators, electric engines, etc.) as well as mains cables.
CONNECTING
8.1 Mains connection
The amplifier is powered by alternating current through its external power source: 100240 VAC and 50-60 Hz.
The atmosphere should be as dry and dust free as possible. Do not expose the unit to rain or water splashes. Do not place liquid containers or incandescent objects like candles on top of the unit.
Should any work or connection / disconnection task be done, always disconnect the unit from the mains supply. There are no elements that can be manipulated by the user inside the unit.
To avoid buzzing, do not allow the power cable to intertwine with the shielded cables that transport the audio signal.
8.2 DANTETM audio inputs
eCA120DN / eCA120HZDN allows the reception of 2 DANTETM/AES67 audio signals via Ethernet by means of an RJ-45 connector. Routing of DANTETM/AES67 audio signals trough the Ethernet network is achieved thanks to the Dante Controller software.
To learn more, check the developer’s documentation: www.audinate.com/products/software/dante-controller
Make sure that the front panel switch (INPUT SELECT) is in DANTE position, and then adjust the DANTE input gain with the front panel trimmer (DANTE INPUT) until the input audio signal is appropriate.
8.3 Analogue audio inputs
eCA120DN / eCA120HZDN input channel only supports stereo line signals (or two mono signals). It has an unbalanced stereo connection with dual RCA connector and 3-pin Euroblock connector (LINE IN). This input is designed to support -6dBV to 0dBV signals, given that the rotary volume control of the front panel provides an extra +6dB of gain at its maximum position.
This audio input can receive signals from CD players, radio tuners, mixing consoles, media players, audio outputs of computers and tablets, etc..
LINE IN connections are linked, so that when you use one of them as an audio signal input for your unit, you can use the other to send that signal to another unit or external equipment.
8.4 Audio output connections
eCA120DN: The powered output (OUT L y R) uses a Euroblock connector.
The connection cable that connects the eCA120DN connectors and the speakers should be good quality, with a suitable cross section and as short as possible.
Keep in mind that, minimum nominal impedance for each cannel is 4 . For a proper performance, the unit must not work under lower impedance than previously specified, under no circumstances.
eCA120HZDN:
The powered output (OUTPUT) uses a Euroblock connector with a common terminal (0V), a terminal for a 70V line and another terminal for a 100V line. Always use the common terminal and, depending on the type of speaker in the system, one of the two others, 70 / 100V, to feed the loudspeaker line.
The connection cable that connects the eCA120HZDN connectors and the speakers should be good quality, with a suitable cross section and as short as possible.
The OUTPUT provides a powered version of the mono-converted input signal. Remember that the total power used by the speakers connected to the eCA120HZDN output should not exceed the maximum power it can provide.
In addition, eCA120DN and eCA120HZDN feature an aux audio output (AUX OUTPUT) with Euroblock connector. This stereo audio signal is identical to the powered signal, but with LINE level. Perfect to connect an additional audio system like a self-powered subwoofer for bass reinforcement.
8.5 Remote control port
The RJ-45 (REMOTE VOLUME) connector allows to connect a WpaVOL-type wall control panel (or another model of the Wpa series) to adjust the overall output volume. The connection is made with a standard CAT5/CAT6 cable between the Wpa wall panel and the REMOTE connector of the eCA120DN / eCA120HZDN.
OPERATION AND USAGE
9.1 Start up Start up the eCA120DN / eCA120HZDN by connecting the equipment to an external power source to which the DC IN 24V connector of the amplifier has already been connected. The LED indicator ON/STBY immediately lights up on the front panel. We recommend you turn on all the devices in the following order: sound sources, mixer, equalisers, active filters and processors and, finally power amplifiers. Powering off should be done by following the exact reverse sequence. Following this order, the introduced noise due to turning on or switching off the devices will not affect those further on in the chain and will be inaudible.
Once turned on, the front volume control (VOLUME) and the controller connected to the REMOTE VOLUME port (if any) may be used to set the output volume of the signal powered by the unit.
To select the audio input signal, use the switch located at the front panel (INPUT SELECT).
9.2 Priority function
When the priority function (PRIO MODE) is activated, one of the input signals will have priority over the other, that is to say, when signal presence is detected in the priority input (signal level exceeds the threshold) the input signal selected with INPUT SELECT switch will be attenuated.
For instance, if priority function is activated (PRIO MODE in ON position) and the selected audio signal is DANTETM/AES67 (INPUT SELECT in DANTE position), the priority audio signal will be the analogue input.
The priority mode allows adjusting the attenuated signal recovery time (PRIO RELEASE TIME), by means of a switch FAST / SLOW located at the rear panel.
9.3 Auto-standby function
The AUTO STANDBY function (idle or low consumption mode) means you can install the eCA120DN / eCA120HZDN in inaccessible places and leave the device connected to the mains power supply permanently because when no signal is detected, it automatically goes into standby mode, saving energy.
To enable the AUTO STANDBY mode, the switch labelled “AUTO STBY” on the rear panel has to be in the ON position. When it is enabled and after 2 minutes or more without any audio signal at the audio input of the device (or a very weak signal, lower than the activation threshold), the eCA120DN / eCA120HZDN will automatically switch into standby mode, lighting up the red ON/STBY LED located on the front panel of the device. When a valid audio signal is detected in any of the inputs, the amplifier leaves standby mode and starts operating normally again and the ON/STBY LED goes green.
When enabling the AUTO STANDBY mode with the front panel switch (ON position), one of the 2 following assumptions may occur:
a) There is NO audio signal in the inputs. Result: the amplifier immediately goes into AUTO STANDBY mode.
b) There is an audio signal in the inputs. Result: the amplifier stays active.
9.4 LED indicators
- SP: The signal presence or SP LED indicator shows that there is a signal in the amplifier input. This lights up when the input level reaches the established detection threshold.
- CLIP: The saturation (or cut off) CLIP LED indicator comes on when the signal delivered to the speakers is close to the amplifier’s clipping or saturation level. Input signals should be set to ensure the CLIP indicators never stay on, but that they do so at most to the beat of the lowest sound frequencies. Otherwise the powered signal will be distorted with low quality and low intelligibility.
Note: If the input signal is too high, the CLIP indicator lighting up very frequently
over a short time interval (a few seconds), the amplifier may go into protection mode, being muted to return to normal operation in a short time. - ON/STBY: The green light comes on when the equipment is in normal operating mode and it goes red when it is in standby or low consumption mode (STANDBY).
9.5 Setup switches
- INPUT SELECT: selects the audio input (program audio) o LINE IN: analogue audio input
- DANTE: DANTETM/AES67 audio input
- PRIO MODE: turns ON/OFF the priority function.
- PRIO RELEASE TIME: sets the attenuated signal (program audio) recovery time (FAST / SLOW recovery).
- AUTO STBY: turns ON/OFF the AUTO STANDBY function. When the function is on, the eCA120DN / eCA120HZDN will automatically go into STANDBY or low consumption mode in the absence of audio signals in its inputs.
CLEANING
eCA120DN / eCA120HZDN must not be cleaned with solvents or abrasive substances which may damage the prints. Clean using a dry cloth. Under no circumstances allow water to enter any of the orifices in the equipment.
FRONT PANEL

- INPUT SELECT (audio input) switch
- PRIO MODE priority function switch
- DANTE INPUT (DANTETM/AES67 audio) adjust trimmer
- LINE INPUT (analogue audio) adjust trimmer
- MASTER VOLUME control
- SP (signal presence) indicator light
- CLIP indicator light
- ON/STBY (on / standby) indicator light
REAR PANEL

- DANTE INPUT RJ-45 connector,
- PRIO RELEASE TIME attenuated signal recovery time switch (FAST/ SLOW)
- AUTO-STBY (ON / OFF) switch
- LINE INPUT RCA connector
- LINE INPUT Euroblock connector
- REMOTE VOLUME RJ-45 connector
- AUX. OUTPUT (auxiliary LINE output) Euroblock connector
- A OUT L / R powered outputs
16 B 0V/70V/100V OUTPUT high impedance output, - DC24V power connector
TECHNICAL CHARACTERISTICS
| Analogue input / output | eCA120DN | eCA120HZDN |
| Power Frequency response THD+Noise @ 1kHz Full Pwr. SPKR OUT Channel crosstalk @ 1kHz Inputs Sensitivity nom/Impedance Volume adjust High Pass Filter (internal, no removable) Signal Noise Ratio | 2x56W@4Ω 1% THD 2x68W@4Ω 10% THD 2x34W@8Ω 1% THD 2x41W@8Ω 10% THD 15Hz – 25kHz (-3dB) < 0.15% >65dB 0dBV/>20kΩ -∞ to +6dBV NA >85dB | 98W@ 100Ω 1% THD 100V 98W@ 50Ω 1% THD 70V 75Hz – 25kHz (-3dB) < 0.07% >65dB 0dBV/>20kΩ -∞ to +6dBV 70Hz >70dB |
DANTE™/AES67 input / output
| Volume adjust Resolution Dynamic range | -∞ to 0dBV 24 bits 100dB |
DANTE™/AES67 audio interface
| Dante Network outputs Latency Connector Cable length between devices | 2 1 / 2 / 5 ms (selectable) 1 x RJ45 100m CAT5 or CAT5e / CAT6 |
Priority and input mode
| Priority function Priority release time (with Fade-in) | Threshold: -30dB Fast: 4seg. Slow:18 seg. |
Miscellaneous
| Remote control Auto standby Signal present Input select button Priority mode button | Master Volume Analog. 0 -10V based (RJ45 connector) Time: 90 seg. (aprox.) Threshold: -40dBV (L&R) Threshold -40dBV (L&R) Pressed: Dante™ INPUT Released: Line INPUT Pressed: Mode ON Released: Mode OFF |
Supply
| DC supply Mains (using supplied DC adapter) | 24V 100-240VAC + External PSU 24VDC |
Power consumption
| Pink noise, 1/8 power @ 4 ohm Pink noise, 1/3 power @ 4 ohm Standby mode (time 2 minutes) | 38,9VA / 26,6W 66,4VA / 56,9W 14,7VA / 4,9W | 38,4VA / 26,3W 65,4VA / 55,0W 14,3VA / 4,5W |
Mechanical
| Dimensions WxHxD Weight | 200x44x120mm 0,90 kg. | 435x44x120mm 2,8 kg. |
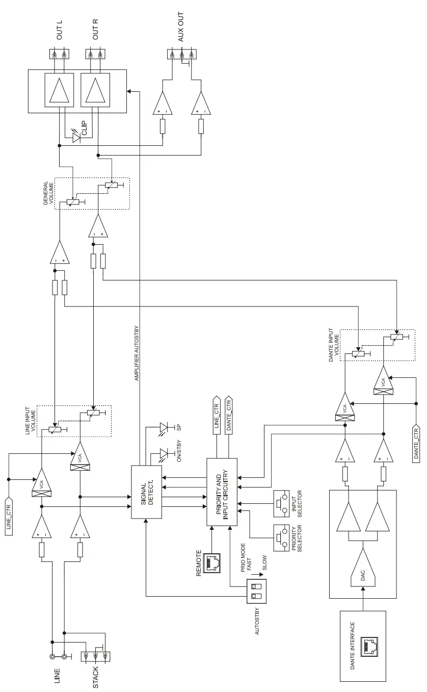
BLOCK DIAGRAM
eCA120DN:
eCA120HZDN: 
All product characteristics are subject to variation due to production tolerances. NEEC AUDIO BARCELONA S.L. reserves the right to make changes or improvements in the design or manufacturing that may affect these product specifications. For technical queries contact your supplier, distributor or complete the contact form on our website, in Support & Community – Ecler
Motors, 166-168 08038 Barcelona
– Spain – (+34) 932238403
[email protected]
www.ecler.com
References
Dante Controller, Pro AV Networking Software from Audinate | AV's Leading Technology
Pro Audio and Video Solutions | Ecler AV Experiences | Shaping sound for Life Spaces
Pro Audio and Video Solutions | Ecler AV Experiences | Shaping sound for Life Spaces
Ecler Support & Community: expert assistance, FAQs, news and more



















