ecler eHSA2-250 High Impedance Amplifiers

Product Information: Ecler eHSA Multichannel Amplifiers
The Ecler eHSA multichannel amplifiers are high impedance amplifiers that provide professional reliability at an affordable price. The models covered by this user manual are eHSA2-250, eHSA2-500, eHSA4-250, and eHSA4-500. These amplifiers are presented in a standard 19 rack format and are 2 units high.
It is important to note that the amplifier contains dangerous voltage within the product’s enclosure that may be of sufficient magnitude to constitute a risk of electric shock to persons.
Therefore, it is necessary to follow the instructions provided in the manual carefully.
The product comes with a 3-year warranty. In case of any issue, it is strongly recommended to get the maintenance done by authorized technical services.
Product Usage Instructions
- Important Remark: Before using the product, read the manual carefully. The lightning flash with an arrowhead symbol and exclamation point within an equilateral triangle symbol are intended to alert the user to the presence of dangerous voltage and important operating and maintenance instructions in the literature accompanying the appliance.
- Installation: Non-compliance with the instructions may cause malfunction and may even damage the unit. Avoid turning on the device without speakers connected to its outputs and without having previously adjusted the volume/gain controls at minimum level. Always use shielded cables to make connections between devices. In an amplifier, avoid placing the speaker output cables close to other signal cables (micro, line…). This may cause the system to oscillate, damaging the amplifier and speakers.
- Placement, Mounting, Cooling: The amplifier should be placed in a cool and well-ventilated area to avoid overheating. Fuse substitutions have to be performed by a qualified technician.
- Input Signal Connections: The input signal connections should be made using shielded cables to avoid noise interference.
Note: This product must not be discarded as unsorted urban waste under any circumstance. Take it to the nearest electrical and electronic waste treatment center. NEEC AUDIO BARCELONA, S.L. accepts no liability for any damage that may be caused due to failure to comply with the warnings provided in the manual.
IMPORTANT REMARK
The lightning flash with arrowhead symbol, within an equilateral triangle, is intended to alert the user to the presence of uninsulated “dangerous voltage” within the product’s enclosure that may be of sufficient magnitude to constitute a risk of electric shock to persons.
The exclamation point within an equilateral triangle is intended to alert the user to the presence of important operating and maintenance (servicing) instructions in the literature accompanying the appliance.
WARNING (If applicable): The terminals marked with symbol of “ ” may be of sufficient magnitude to constitute a risk of electric shock. The external wiring connected to the terminals requires installation by an instructed person or the use of ready-made leads or cords.
WARNING: To prevent fire or shock hazard, do not expose this equipment to rain or moisture.
WARNING: An apparatus with Class I construction shall be connected to a mains socket-outlet with a protective earthing connection.
IMPORTANT SAFETY INSTRUCTIONS
- Read these instructions.
- Keep these instructions.
- Heed all warnings.
- Follow all instructions.
- Do not use this apparatus near water.
- Clean only with dry cloth.
- Do not block any ventilation openings. Install in accordance with the manufacturer’s instructions.
- Do not install near any heat sources such as radiators, heat registers, stoves, or other apparatus (including amplifiers) that produce heat.
- Do not defeat the safety purpose of the polarized or grounding type plug. A polarized plug has two blades with one wider than the other. A grounding type plug has two blades and a third grounding prong. The wide blade or the third prong are provided for your safety. If the provided plug does not fit into your outlet, consult an electrician for replacement of the obsolete outlet.
- Protect the power cord from being walked on or pinched particularly at the plugs, convenience receptacles, and at the point where they exit from the apparatus.
- Only use attachments/accessories specified by the manufacturer.
- Unplug the apparatus during lightening sorts or when unused for long periods of time.
- Refer all servicing to qualified personnel. Servicing is required when the apparatus has been damaged in any way, such as power supply cord or plug is damaged, liquid has been spilled or objects have fallen into the apparatus, the apparatus has been exposed to rain or moisture, does not operate normally, or has been dropped.
- Disconnecting from mains: Switching off the POWER switch all the functions and light indicators of the amplifier will be stopped, but fully disconnecting the device from mains is done unplugging the power cord from the mains input socket. For this reason, it always shall remain readily operable.
- Equipment is connected to a socket-outlet with earthing connection by means of a power cord.
- The marking information is located at the bottom of apparatus.
- The apparatus shall not be exposed to dripping or splashing and that no objects filled with liquids, such as vases, shall be placed on apparatus.
NOTE: This equipment has been tested and found to comply with the limits for a Class A digital device, pursuant to part 15 of the FCC Rules. These limits are designed to provide reasonable protection against harmful interference when the equipment is operated in a commercial environment. This equipment generates, uses, and can radiate radio frequency energy and, if not installed and used in accordance with the instruction manual, may cause harmful interference to radio communications. Operation of this equipment in a residential area is likely to cause harmful interference in which case the user will be required to correct the interference at his own expense.
WARNING: This product must not be discarded, under any circumstance, as unsorted urban waste. Take to the nearest electrical and electronic waste treatment centre.
NEEC AUDIO BARCELONA, S.L. accepts no liability for any damage that may be caused to people, animal or objects due to failure to comply with the warnings above.
IMPORTANT NOTE
Thank you for choosing our Ecler eHSA multichannel amplifiers!
It is VERY IMPORTANT to carefully read this manual and to fully understand its contents before any connection in order to maximize your use and get the best performance from this equipment.
To ensure optimal operation of this device, we strongly recommend that its maintenance be carried out by our authorised Technical Services.
Ecler eHSA comes with a 3-year warranty.
INTRODUCTION
The Ecler Essentials eHSA high impedance amplifier series offers the renowned professional reliability of Ecler amplifiers at an affordable price.
The models covered by this manual are:
- eHSA2-250: 2 x 250W RMS @ 100V
- eHSA2-500: 2 x 500W RMS @ 100V
- eHSA4-250: 4 x 250W RMS @ 100V
- eHSA4-500: 4 x 500W RMS @ 100V
Equipped with balanced inputs on Euroblock connectors. Outputs also feature Euroblock connectors. It has an electronic limitation system to avoid signal saturation and a thermal protection and DC OUT protection, as well as a protection system against overload.
Main features
- Easily accessible input attenuation controls on the rear panel.
- Signal presence (SP), clipping (CLIP), protection against overload (PROT) and thermal protection (TH) indicators.
- Built-in, always active anticlip circuit
- Switchable high-pass filter, type 3rd order Butterworth, 75 Hz
- • Balanced inputs on Euroblock connectors
- Outputs on Euro lock connectors
- Accepts high impedance loads on 100V line
INSTALLATION
Non-compliance with the instructions may cause malfunction and may even damage the unit:
- Avoid turning on the device without speakers connected to its outputs and without having previously adjusted the volume / gain controls at minimum level.
- Always use shielded cables to make connections between devices.
- In an amplifier, avoid placing the speaker output cables close to other signal cables (micro, line…). This may cause the system to oscillate, damaging the amplifier and speakers.
Placement, mounting, cooling
All eHSA2-250, 2-500, 4-250 y 4-500 amplifiers are presented in standard 19” rack format and are 2 units high.
It is important that the amplifier, as a heat source, is not placed next to other equipment nor exposed to high temperatures.
It is also advisable not to rack the power amplifiers under other devices, but on top of these, that is to say as high as possible toward the top of the rack cabinet.
Mains connection
The eHSA amplifiers are powered by 115 to 230VAC, 50/60Hz. (by voltage selector on the rear panel, MAINS SELECTOR)
The mains cables must not be near the shielded cables carrying the audio signal, as this could cause humming.
In order to protect the power amplifier from eventual power consumption overloads, it is protected by a set of fuses. Should a fuse blow, it must be replaced immediately by one with identical rating. If it blows again please contact our Technical Service Department. NEVER REPLACE THE FUSE WITH ANOTHER ONE WITH A HIGHER VALUE.
CAUTION: Fuse substitutions have to be performed by a qualified technician.
Input signal connections
The signal input connectors are of EUROBLOCK and electronically balanced. The pin assignment is as follows:
- Hot or direct signal > +
- Cold or phase inverted signal > –
- Ground > Ground
For unbalanced connections, ground the negative terminal on the Euroblock.
In balanced mode, the input impedance is greater than 20k (10k unbalanced), allowing you to connect a large number of stages in parallel without compromising the sound quality.
Each input connector (INPUT CH1, INPUT CH2, etc., depending on the model) has an adjacent STACK link connector (same signal available in INPUT), enabled to connect the same input signal to several inputs or devices.
High-pass filter
Each input channel has a switch which activates (ON) or deactivates (OFF) its high pass filter: 3rd order Butterworth with cut-off frequency at 75 Hz.
Output connections
The 100V OUTPUTS section on the rear panel features Euroblock connectors.
The loudspeakers line has to be connected to the amplifier’s + and – terminals from each output channel.
The connection cable that joins the amplifiers outputs and the loudspeakers must be of good quality, sufficient section and as short as possible. This is most important when the distances to cover are long ones.
OPERATION AND USAGE
Start up
The red “PROT” LEDs light up when you turn on the POWER switch. A moment later all voltages have been stabilized and the amplifier is operating, “PROT” indicators turn off.
In a complete audio installation, it is important to power on the equipment according to the following sequence: sound sources (microphones, music players, etc.), mixers, equalizers, active filters and power amplifiers. To power off, follow the reverse sequence.
Input attenuators
These consists of rotating potentiometers (VOL), situated on the rear panel, one for each channel.
These attenuators allow connecting the amplifier to different types of mixers and processors, independent level control and connection of speakers that can’t handle the wattage supplied by the output stage at full power, without risking damage if the volume of the preamplifier-mixer is set too high.
Indicators
eHSA amplifiers include a simple yet effective indication system.
PROT indicators show the absence of loudspeaker output signal. These indicators may light up for following reasons:
- During start-up, until the boot time time has passed. This time period is needed for the internal operating voltages to settle.
- A short circuit is detected at the loudspeaker terminals (PROTECT function).
If these indicators remain lit in red, there’s a malfunction that should be investigated to find the cause of this lighting.
CLIP indicators light up when the signal level feeding the loudspeakers is just below the actual clipping. This CLIP system takes into account possible variations in the supply voltage, always giving a real indication. CLIP indicators light up to the beat of low frequencies when working at high power levels ; it’s normal as low frequencies are those with higher energy content. You must take care that these indicators do not remain continuously lit.
SP Signal Presence indicators indicate the presence of a valid signal at the amplifier inputs.
CLEANING
The front panel should not be cleaned with dissolvent or abrasive substances because silk-printing could be damaged. To clean it, use a soft cloth slightly wet with water and neutral liquid soap; dry it with a clean cloth. Be careful that water never gets into the amplifier through the holes of the front panel.
FUNCTION DIAGRAM
FUNCTION LIST
- Channel Vumeter LED indicators
- ON power indicator
- Power switch
- AC socket connector
- Fuse holder
- 230V / 115V selector
- Channel outputs Euroblock connectors (100V)
- High pass filter switch
- Channel input attenuators
- Channel input Euroblock connectors
- Channel stack Euroblock connectors

NOTE: Listed functions are for two-channel models; for models with more than two channels, the number of these functions matches the number of amplifier channels.
TECHNICAL CHARACTERISTICS
| eHSA2-250 | eHSA2-500 | eHSA4-250 | eHSA4-500 | |
| POWER @ 1kHz 1% THD, 100V output | ||||
| 1 Channel @ 100V Line | 250 WRMS | 500 WRMS | 250 WRMS | 500 WRMS |
| All Channels @ 100V Line | 250 WRMS | 500 WRMS | 250 WRMS | 450 WRMS |
| Frequency response (-3 dB, -3dB) | 40Hz – 20kHz | 40Hz – 20kHz | 40Hz – 20kHz | 40Hz – 20kHz |
| Filter (High-Pass) 3rd order Butterworth | 75Hz | 75Hz | 75Hz | 75Hz |
| THD+Noise @ 1kHz Full Power | <0.05% | <0.05% | <0.05% | <0.05% |
| S+N/N 20Hz – 20kHz | >80dB | >80dB | >80dB | >80dB |
| CMRR | >55dB | >55dB | >55dB | >55dB |
| Channel crosstalk @ 1kHz | >55dB | >55dB | >55dB | >55dB |
| Input Sensitivity / Impedance | 0dB/>20kΩ | 0dB/>20kΩ | 0dB/>20kΩ | 0dB/>20kΩ |
| Mains voltage | 115V/230V. Voltage changed by Switch, externally | |||
| Power consumption | ||||
| pink noise, 1/8 power | 125W | 195W | 210W | 380W |
| pink noise, 1/3 power | 270W | 425W | 450W | 860W |
| Idle | 40W | 40W | 65W | 65W |
| Dimensions (Handle excluded) | 482,6x88x365mm | 482,6x88x365mm | 482,6x88x373mm | 482,6x88x365mm |
| Weight | 6,2 kg | 6,3 kg | 7,0 kg | 7,6 kg |
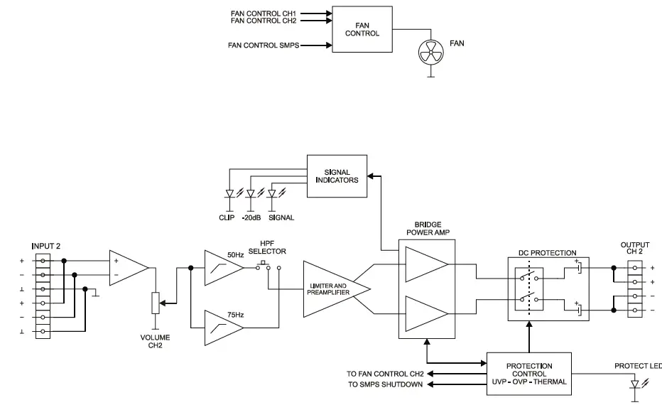
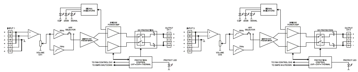
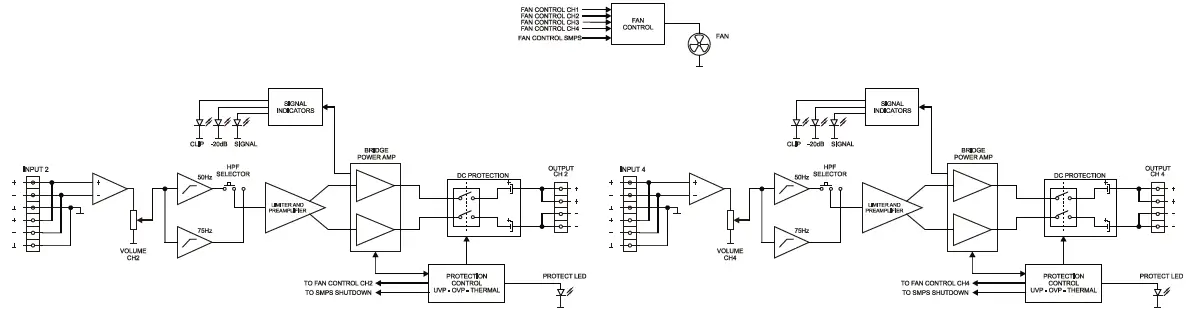
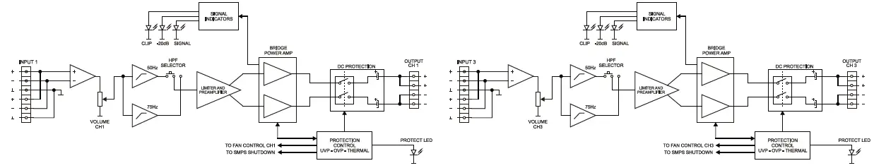
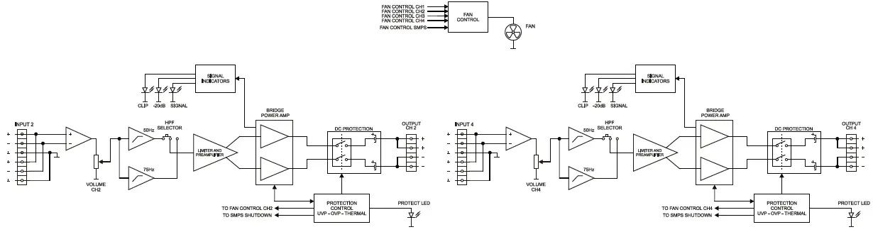
BLOCK DIAGRAM
- eHSA2-250


- eHSA2-500


- eHSA4-250


- eHSA4-500


All product characteristics are subject to variation due to production tolerances. NEEC AUDIO BARCELONA S.L. reserves the right to make changes or improvements in the design or manufacturing that may affect these product specifications.
For technical queries contact your supplier, distributor or complete the contact form on our website, in Support / Technical requests.
Motors, 166-168 08038 Barcelona – Spain – (+34) 932238403 | [email protected] | www.ecler.com




























