ecler DPA Series Amplifiers High end Stereo Amplifier

IMPORTANT REMARK
- The lightning flash with the arrowhead symbol, within an equilateral triangle, is intended to alert the user to the presence of uninsulated “dangerous voltage” within the product’s enclosure that may be of sufficient magnitude to constitute a risk of electric shock to persons.
- The exclamation point within an equilateral triangle is intended to alert the user to the presence of important operating and maintenance (servicing) instructions in the literature accompanying the appliance.
WARNING (If applicable):
The terminals marked with the symbol of “ ” may be of sufficient magnitude to constitute a risk of electric shock. The external wiring connected to the terminals requires installation by an instructed person or the use of ready-made leads or cords.
- WARNING: To prevent fire or shock hazards, do not expose this equipment to rain or moisture.
- WARNING: An apparatus with Class I construction shall be connected to a mains socket outlet with a protective earthing connection.
IMPORTANT SAFETY INSTRUCTIONS
- Read these instructions.
- Keep these instructions.
- Heed all warnings.
- Follow all instructions.
- Do not use this apparatus near water.
- Clean only with dry cloth.
- Do not block any ventilation openings. Install in accordance with the manufacturer’s instructions.
- Do not install near any heat sources such as radiators, heat registers, stoves, or other apparatus (including amplifiers) that produce heat.
- Do not defeat the safety purpose of the polarized or grounding-type plug. A polarized plug has two blades with one wider than the other. A grounding-type plug has two blades and a third grounding prong. The wide blade or the third prong are provided for your safety. If the provided plug does not fit into your outlet, consult an electrician for the replacement of the obsolete outlet.
- Protect the power cord from being walked on or pinched particularly at the plugs, convenience receptacles, and at the point where they exit from the apparatus.
- Only use attachments/accessories specified by the manufacturer.
- Unplug the apparatus during lightning sorts or when unused for long periods of time.
- Refer all servicing to qualified personnel. Servicing is required when the apparatus has been damaged in any way, such as a power supply cord or plug is damaged, liquid has been spilled or objects have fallen into the apparatus, the apparatus has been exposed to rain or moisture, does not operate normally, or has been dropped.
- Disconnecting from mains: When switching off the POWER switch, all the functions and light indicators of the unit will be stopped, but fully disconnecting the device from the mains is done by unplugging the power cable from the mains input socket. For this reason, it always shall remain easily accessible.
- Equipment is connected to a socket outlet with earthing connection by means of a power cord.
- The marking information is located at the bottom of the unit.
- The apparatus shall not be exposed to dripping or splashing and that no objects filled with liquids, such as vases, shall be placed on the apparatus.
WARNING:
This product must not be discarded, under any circumstance, as unsorted urban waste. Take to the nearest electrical and electronic waste treatment centre.
NEEC AUDIO BARCELONA, S.L.
accepts no liability for any damage that may be caused to people, animals or objects due to failure to comply with the warnings above.
IMPORTANT NOTE
Thank you for choosing our Ecler DPA Series, High-end Stereo Amplifier!
It is VERY IMPORTANT to carefully read this manual and to fully understand its contents before any connection in order to maximize your use and get the best performance from this equipment. To ensure the optimal operation of this device, we strongly recommend that its maintenance be carried out by our authorized Technical Services.
Ecler DPA Series comes with a 3-year warranty.
INTRODUCTION
With the PAM amplification series, ECLER introduced a new concept to the world of professional audio: The use of switching field effect transistors. The integration of these parts for audio applications represents a firm and spectacular enhancement compared to conventional amplifiers. These advantages can be outlined as follows:
- Lower internal resistance than bipolar transistors, which leads to less heating of the amplifier and more powerful and controlled bass.
Conventional Mosfets have a 4 to 7 times higher internal resistance than switching Mosfets. - The extremely high speed of these devices gives transparency to the upper frequencies till now only achieved by tube amplifiers. This fact also reduces TIM (transitory intermodulation) to very low levels. The SPM-Technology (Switching Power Mosfet) has been developed and patented by ECLER Laboratorio de Electro-Acústica, S.A.
The DPA power amplifier line is yet another step forward in the evolution of SPM technology. DPA amplifiers introduce innovations that probably make them one of the most reliable amplification lines of its class. SOA Contour following protection. The SOA is the safe operating area of transistors. A good protection system should respect this area and its shiftings, as the SOA changes as a function of the operating temperature. So, at 80°C it is considerably narrower than 25°C, the start-up temperature. Some manufacturers decide to use protection systems that compromise the performance of the components. You get fair protection, but the performance remains mediocre. Others prefer to leave “dark” areas between the safe operating area and the activation of protection, which is very risky indeed.
The new SOA contour following protection systems built into the DPA amplifiers guarantees total protection of the amplifier at any output power, load or operating temperature, as the intelligent electronic circuitry permanently watches for changes in the safety area, adapting itself to any situation. The best Damping in an amplifier of its class. In the DPA series, the typical output relays have been substituted with an electronic CROW BAR system. This device shunts to ground any signal in case of high voltages which could damage the connected speakers. Any kind of relay introduces a mechanical contact in the path of the audio signal to the loudspeakers. This contact implies a certain degree of wearing and an important reduction of the amplifier’s damping factor.
Ecler DPA2000 makes use of N-channel mosfets. This technology, which has been successfully implemented in the industrial product line “enviro”, allows for very high output power without the use of bridge configurations. The DPA2000 keeps its “All the Power All the Time” philosophy, even when driving 4 ohm speakers with a musical programme at maximum level. The DPA power amplifiers feature an expansion slot at the rear panel which is specially designed for the installation of a UCM20/AMIC or ALMAcard processor module. The stereo processor module UCM20 “Universal Crossover Module” is a card that has been specially designed to fit into ECLERs DPA Series SPM Technology power amplifiers. A power amplifier with built-in UCM20 may reproduce either the low or high frequencies, as required. The two outputs additionally allow feeding the filtered signal to an external amplifier.
The stereo digital processor module AMIC/ALMAcard has been specially designed to fit into ECLERs DPA Series SPM Technology power amplifiers and can be totally configured through Ecler “amic:lab”/EclerCOMM software. Its exceptional audio processing features make it a particularly versatile tool:
- Parametric equalizer, multiband
- Crossover with variable filter slopes
- Delay
- Phase inversion
- Signal generator
- Remote level control
Please refer to your Ecler distributor if you need to install a UCM20/AMIC or ALMAcard processor module inside a DPA power amplifier.
INSTALLATION
Precautions
The DPA600/1000/1400/2000 consumes a maximum power of 830VA / 1250VA / 1720VA / 3115VA, we therefore recommend a mains wire not inferior to 2,5mm2 and a (circuit breaker) superior to 10A/220VAC (15A/220VAC DPA2000) (data for one amplifier).
The amplifier should have an earth connection in good conditions (earth resistance, Rg=30 or less). The environment must be dry and dustless. Do not expose the unit to rain or water splashes, and do not place liquid containers or incandescent objects like candles on top of the unit. Do not obstruct the ventilation grilles with any kind of material.
In case there is some type of intervention and/or connection-disconnection of the amplifier, it is most important to previously disconnect the mains power supply. Do not manipulate the output terminals to the loudspeakers when the amplifier is switched on, there are voltages up to 400Vpp. The output cabling should be connected by a qualified technician. Otherwise only use pre-made flexible cables. There are no user-serviceable parts inside the amplifier.
Location, Assembly, Ventilation
The DPA600/1000/1400/2000 amplifiers are 2 RU high 19” rack modules.
It is important that the amplifier, as a heat source, is not placed next to other equipment nor exposed to high temperatures. Therefore, the ventilation path should be kept free to allow fresh air to enter the forced ventilation tunnel. This system takes air from the unit’s backside, bringing it directly to the power amp modules and distributing it to the transformer and capacitors and then obliging it to pass through the MOSFET cooling tunnel to finally blow out of the front panel. In case of rack mounting, this system avoids heat accumulation inside the unit and thus increases the lifetime of electrolytic capacitors. It is recommended to place power amplifiers on top of other equipment and not underneath.
All DPA amplifiers are supplied with plastic washers in order not to damage the rack ears when tightening the screws.
Mains connection
The DPA amplifiers are fed with alternate currents, depending on the country, of 110-120, 220-240V 47-63Hz. (see characteristics in the back of the unit) consuming:
MODEL
- DPA600
- DPA1000
- DPA1400
- DPA2000
CONSUMPTION
- 830VA
- 1250VA
- 1720VA
- 3115VA
Remark:
The mains cables must not be near the shielded cables carrying the audio signal, as this could cause humming.
Signal Input Connections
The signal input connectors are of XLR-3 type (10), electronically balanced. The pin assignment is as follows:
- HOT or direct signal >Pin 2
- COLD or inverted signal >Pin 3
- GROUND >Pin 1
For an unbalanced connection short-circuit pin 3 to pin 1.
The “STK OUTPUT” (9) are in parallel with the inputs and are used to supply the same input signal to other amplifiers or sound systems. These signal output connectors are of jack 1/4″ type. The pin assignment is as follows:
- HOT or direct signal >Tip
- COLD or inverted signal >Ring
- GROUND >Body
The input impedance is 22K (balanced) with a nominal input sensitivity of 0dBV(1V). This impedance makes it possible to parallel several amplifiers without losing audio quality.
Subsonic Filter
This filter cuts off inaudible frequency components which when amplified suppose a risk of damage to the low-frequency speakers as they generate excessive excursions of the woofer’s diaphragm. The DPAs feature a switchable, Butterworth-shaped Subsonic Filter located inside the unit (see fig.) with a 25Hz cut-off frequency and 18dB/oct slope.
Subsonic filters are very important when playing back vinyl records because the phono cartridges are especially sensitive to feedback and acoustic coupling at very low frequencies.
Remark:
DPA amplifiers are delivered with a switched-ON Subsonic Filter.
CAUTION:
Changes on the Subsonic Filter have to be performed by a qualified technician.
Limiter Circuit
This system is an always active protection inside the DPA series of amplifiers. The ANTICLIP circuitry constantly analyses harmonic distortion caused by excessive signal excursion at the power amplifier’s output and automatically reduces the input level in order never to exceed 1% total harmonic distortion. The DPA range of amplifiers are delivered with the anticlip system adjusted at a threshold of 1% THD (hard limiting). However, this value can be switched to a softer limiting (5% THD) via an internal jumper (see fig.).
The great convenience of such a circuit in any kind of installation has to be remarked: The clear advantage of a limiting system in front of conventional compressors is that the former does practically not alter the dynamic range, acting only when the distortion threshold is reached.
CAUTION:
Changes on the ANTICLIP configuration have to be performed by a qualified technician.
Output Connections
The OUTPUT section on the rear panel features Speakon connectors (12).
Whenever you need to operate the amplifier in BRIDGED mode (mono or bridged), you must set the “STEREO BRIDGED” Switch (11) to BRIDGED. The input signal is taken from the CHANNEL 1 connector and the signal output to the loudspeaker is on pins 1+ and 2+ of the Speakon connector “OUTPUT1”.
ATTENTION:
Terminals 1+, 1- and 2+, 2- must only be used in STEREO operation and terminals 1+, 2+ in BRIDGED operation. Other combinations would lead to poor output quality.
Please make sure that the resulting impedance of your installation, when the amplifier is operating in BRIDGE mode, is never lower than 4 Ohm (8 Ohm recommended). The connection cable that joins the amplifiers outputs and the loudspeakers must be of good quality, sufficient section and as short as possible. This is most important when the distances to cover are long ones i.e. up to 10 meters it is recommended to use a section not inferior to 2.5mm2 and for superior distances 4mm2.
OPERATION AND USAGE
Start-Up
Pushing the POWER (5) button lights up the integrated pilot light and both red CLIP PROT (2) LEDs during the approximately 10 seconds needed to stabilize all voltages. The CLIP PROT LEDs will then turn off meaning that the amplifier is now operative. In a complete audio installation, it is important to start up the equipment in the following sequence: sound sources, mixer, equalizers, active filters and finally power amplifiers. To turn them off the sequence should follow an inverse pattern.
Input Attenuators
This consists of rotative potentiometers, situated on the front panel (1).
These attenuators enable the connection of different types of mixing tables, independent regulation levels, and loudspeaker connections that allow an inferior power level than the level already supplied by the power amplifier at its maximum power, with no danger of damaging, by careless handling, the volume of the pre-amplified mixer.
Inside the device’s packaging, you will find a little plastic bag containing 2 transparent caps which protect the input attenuation settings from unwanted manipulation. These caps are transparent in order to let you visualize the current settings.
Once inserted, they cannot be removed with bare fingers, for this purpose, a small screwdriver is needed.
Indicators
The DPA amplifiers are equipped with a simple but efficient combined indicators system.
Indicator CLIP/PROT (2) functions as a PROTECTION indicator.
They point to the lack of signal at the speaker outputs. These indicators may light up due to the following reasons:
- From the moment the machine is switched on until the stand-by period finalizes that is necessary for the stability of the internal tensions of the power amplifier.
- Because the amplifier output has short-circuited.
- If the amplifier is giving a continuous voltage or is of very low frequency, this could damage the loudspeakers.
In any case, should these indicators permanently light up, it is a sign of malfunctioning and its cause should be investigated.
CLIP/PROT indicators functioning as CLIP indicators.
These illuminate when the signal given to the loudspeakers is 1.5dB before the real clip. This CLIP system takes into account the possible variations in the mains voltage always giving a real indication even if the electric mains varies. It is normal that working at high power levels, the CLIP indicators illuminate at the rhythm of the low frequencies which are the ones that pass major energetic contents. Make sure these indicators are not permanently illuminated.
THERMAL protection indicator (3)
Alerts of the tunnel cooling temperature when it has risen above 90 centigrade degrees. The amplifier will then start up automatically when the temperature descends to 75 centigrade degrees. The DPA power amplifiers feature separate thermal protection systems per channel. They operate independently, meaning that if one channel triggers its protection system, the other one can perfectly continue its normal operation.
SP Signal Presence indicator (4)
It points to the existence of a signal at the amplifier input. These indicators light up when the input signal surpasses -40dB.
CLEANING
The front panel should not be cleaned with dissolvent or abrasive substances because silk printing could be damaged. To clean it, use a soft cloth slightly wet with water and neutral liquid soap; dry it with a clean cloth. Be careful that water never gets into the amplifier through the holes of the front panel.
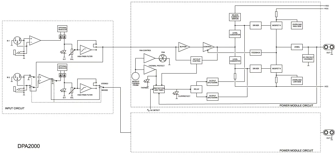
DIAGRAMS
Function Diagram
Front Panel 
- Input attenuator
- Combined clip and protection indicator, CLIP/PROT
- Thermal protection indicator, TH
- Signal present indicator, SP
- Illuminated mains switch
Rear Panel
- Mains socket
- Switch to disconnect chassis earth/electrical Ground, GND LINK
- Earth terminal, GND
- Jack output connector to other amplifiers, STK OUTPUT
- Input XLR connector, CHANNEL
- Bridge/mono selector switch
- Speakon connectors to the loudspeakers
- Fan
- Mains cable
Figures 

Block Diagram 

TECHNICAL CHARACTERISTICS
| POWER 20-20kHz 1% THD | DPA600 | DPA1000 | DPA1400 | DPA2000 |
| 2W Stereo | 410 WRMS | 682 WRMS | 990 WRMS | 1420 WRMS |
| 4W Stereo | 275 WRMS | 440 WRMS | 635 WRMS | 940 WRMS |
| 8W Stereo | 180 WRMS | 275 WRMS | 395 WRMS | 550 WRMS |
| 8W Bridged | 550 WRMS | 882 WRMS | 1270 WRMS | 1880 WRMS |
| Peak Power 2W/1kHz | 0.98Kw | 1.5Kw | 2Kw | 2.95Kw |
| Frequency response (-1dB) | 7Hz-50kHz | 7Hz-50kHz | 7Hz-50kHz | 6Hz-50kHz |
| High pass filter (-3dB) | 25Hz/Butt./18dB/oct. | |||
| THD+Noise @ 1kHz Full Pwr. | <0.03% | <0.03% | <0.03% | <0.07% |
| Imd. Dist. 50Hz & 7kHz, 4:1 | <0.05% | <0.08% | <0.08% | <0.08% |
| TIM 100 | <0.01% | <0.01% | <0.01% | <0.01% |
| S+N/N 20Hz-20kHz @ 1W/4W | >85dB | >85dB | >85dB | >85dB |
| Damping factor 1kHz @ 8W | >300 | >300 | >300 | >300 |
| Slew Rate | ±60V/µs | ±65V/µs | ±75V/µs | ±80Vµs |
| Channel crosstalk @ 1kHz | >75dB | >75dB | >75dB | >75dB |
| Input connector | XLR3 balanced | |||
| Input CMRR/ref. Max. PWR) | >60dB @ 1kHz | |||
| Input Sensitivity / Impedance | 0dBV/>22kW | |||
| Signal present indicator | -40dB | |||
| Output connectors | Speakon | |||
| Clip indicators | -1.5dB real clip | |||
| Anticlip limiter | 1% & 5% aprox. | |||
| Mains | 115V/230V. Voltage changed internally (NOT BY SWITCH) | |||
| Power consumption: | ||||
| (pink noise, 1/8 power @ 4ohm) | 479VA | 746VA | 1023VA | 1426VA |
| (pink noise, 1/3 power @ 4ohm) | 728VA | 1122VA | 1548VA | 2160VA |
| (max. Out) | 830VA | 1250VA | 1720VA | 3115VA |
| Dimensions | ||||
| Panel | 482.6×88 mm | |||
| Depth | 420 mm | 420 mm | 420 mm | 470 mm |
| Weight | 12.7kg | 16.6kg | 19.3kg | 22.7kg |
All product characteristics are subject to variation due to production tolerances.
NEEC AUDIO BARCELONA S.L.
reserves the right to make changes or improvements in the design or manufacturing that may affect these product specifications. For technical queries contact your supplier, or distributor or complete the contact form on our website, in Support/Technical requests.
Motors, 166‐168 08038 Barcelona ‐ Spain ‐ (+34) 932238403 | [email protected] | www.ecler.com.





















