ecler HSA2-400ES High Impedance Stereo Amplifier
IMPORTANT REMARK

The lightning flash with the arrowhead symbol, within an equilateral triangle, is intended to alert the user to the presence of uninsulated “dangerous voltage” within the product’s enclosure that may be of sufficient magnitude to constitute a risk of electric shock to persons.
The exclamation point within an equilateral triangle is intended to alert the user to the presence of important operating and maintenance (servicing) instructions in the literature accompanying the appliance
WARNING (If applicable): The terminals marked with the symbol of “may be of sufficient magnitude to constitute a risk of electric shock. The external wiring connected to the terminals requires installation by an instructed person or the use of ready-made leads or cords.
WARNING: To prevent fire or shock hazards, do not expose this equipment to rain or moisture.
WARNING: An apparatus with Class I construction shall be connected to a mains socket-outlet with a protective earthing connection.
IMPORTANT SAFETY INSTRUCTIONS
- Read these instructions.
- Keep these instructions.
- Heed all warnings.
- Follow all instructions.
- Do not use this apparatus near water.
- Clean only with a dry cloth.
- Do not block any ventilation openings. Install in accordance with the manufacturer’s instructions.
- Do not install near any heat sources such as radiators, heat registers, stoves, or other apparatus (including amplifiers) that produce heat.
- Do not defeat the safety purpose of the polarized or grounding-type plug. A polarized plug has two blades with one wider than the other. A grounding-type plug has two blades and a third grounding prong. The wide blade or the hird prong are provided for your safety. If the provided plug does not fit into your outlet, consult an electrician for the replacement of the obsolete outlet.
- Protect the power cord from being walked on or pinched particularly at the plugs, convenience receptacles, and at the point where they exit from the apparatus.
- Only use attachments/accessories specified by the manufacturer.
- Unplug the apparatus during lightning sorts or when unused for long periods of time.
- Refer all servicing to qualified personnel. Servicing is required when the apparatus has been damaged in any way, such as power supply cord or plug is damaged, liquid has been spilled or objects have fallen into the apparatus, the apparatus has been exposed to rain or moisture, does not operate normally, or has been dropped.
- Disconnecting from mains: Switching off the POWER switch all the functions and light indicators of the amplifier will be stopped, but fully disconnecting the device from mains is done by unplugging the power cord from the mains input socket. For this reason, it always shall remain readily operable.
- Equipment is connected to a socket outlet with earthing connection by means of a power cord.
- The marking information is located at the bottom of the apparatus.
- The apparatus shall not be exposed to dripping or splashing and no objects filled with liquids, such as vases, shall be placed on the apparatus.
NOTE: This equipment has been tested and found to comply with the limits for a Class A digital device, pursuant to part 15 of the FCC Rules. These limits are designed to provide reasonable protection against harmful interference when the equipment is operated in a commercial environment. This equipment generates, uses, and can radiate radio frequency energy and, if not installed and used in accordance with the instruction manual, may cause harmful interference to radio communications. Operation of this equipment in a residential area is likely to cause harmful interference in which case the user will be required to correct the interference at his own expense.
WARNING: This product must not be discarded, under any circumstance, as unsorted urban waste. Take to the nearest electrical and electronic waste treatment center.
NEEC AUDIO BARCELONA, S.L. accepts no liability for any damage that may be caused to people, animal,s or objects due to failure to comply with the warnings above.
IMPORTANT NOTE
Thank you for choosing our Ecler HSA2-400ES High Impedance Stereo Amplifier! It is VERY IMPORTANT to carefully read this manual and to fully understand its contents before any connection in order to maximize your use and get the best performance from this equipment. To ensure optimal operation of this device, we strongly recommend that its maintenance be carried out by our authorized Technical Services. Ecler HSA2-400ES comes with a 3-year warranty.
Non-compliance with the instructions or neglecting warnings may cause malfunction or even damage the unit:
- Avoid turning on the device without the speakers connected to its outputs and without having previously set the volume/gain controls to minimum level.
- Always use shielded cables to make connections between devices. In an amplifier, avoid placing the speaker output cables close to other signal cables (micro, line…). This may cause the system to oscillate, damaging the amplifier and speakers.
INTRODUCTION
The HSA2-400ES is a stereo amplifier with both high and low impedance outputs, offering the proven professional reliability of Ecler amplifiers at an affordable price. It uses very high-performance technology, auto standby and convection cooling, with a height of 2 rack units. Equipped with balanced inputs on XLR3 and Euroblock connectors and Euroblock output connectors. It has an electronic limitation system to avoid signal saturation as well as thermal protection.
Main features
- Easily accessible input attenuation controls on the front panel may be locked with Ecler exclusive system.
- REMOTE ports to remote control the volume of each channel using WPm series wall panels (0-10VDC)
- Switchable auto-standby circuit (energy saving mode when there is no input signal)
- Signal presence (SP), clipping (CLIP), and thermal protection (TH) indicators.
- Built-in, always active antislip circuit
- Switchable subsonic filter, 50Hz 18dB/oct slope (Butterworth 3r order)
- Operating mode selector: STEREO, MONO – BRIDGE
- Balanced inputs via XLR3 and Euroblock connectors
- Outputs on Euroblock connectors
- Switchable operation at low impedance (8/4Ω) and high impedance (70/100 V, for speakers with high-impedance transformer)
- Accepts 8, or 4Ω loads (1 or 2 speakers (8Ω) in parallel) when operating at low impedance
INSTALLATION
Placement, mounting, cooling
All HSA amplifier models are presented in standard 19” rack format and are 2 units high. It is important that the amplifier, as a heat source, is not placed next to other equipment nor exposed to high temperatures. The built-in convection cooling requires at least one free rack unit (empty space) both above and below each amplifier to ensure a correct airflow. It is also advisable not to rack the power amplifiers under other devices, but on top of these, as high as possible toward the top of the rack cabinet.
Mains connection
The HSA amplifiers are fed with alternate currents, depending on the country, of 110-120, 220-240V 47/63Hz. (see characteristics in the back of the unit).
The main cables must not be near the shielded cables carrying the audio signal, as this could cause humming.
In order to protect the power amplifier from eventual power consumption overloads it is protected by a set of fuses. Should a fuse blow, it must be replaced immediately by one with an identical rating. Should it blow again please contact our Technical Service Department. NEVER REPLACE THE FUSE WITH ANOTHER ONE WITH A HIGHER VALUE.
CAUTION: Fuse substitutions have to be performed by a qualified technician.
Input signal connections
The signal input connectors are of XLR-3 and EUROBLOCK (15, 16, 17, 18) and electronically balanced. The pin assignment is as follows:
For unbalanced connections, ground pin 3 on the XLR or the negative terminal on the Euroblock.
In balanced mode, the input impedance is greater than 20k(10k unbalanced), allowing you to connect a large number of stages in parallel without compromising the sound quality
Operation in low/high impedance and subsonic filter
The MODE switch (located on the rear) is able to change the operation mode of the amplifier outputs, in addition, to enabling/disabling the subsonic filter. The operation is the one described in the following table:
| Operation mode | Filter (50Hz 3rd Butterworth) | Outputs |
| Low impedance (LoZ) | Disabled | LoZ only |
| High impedance (HiZ) | Enabled | HiZ and LoZ |
If the switch is set in LoZ position, the high impedance outputs are not activated. If the switch is set in HiZ position, both the high and low impedance outputs work, in addition, the 3rd order Butterworth filter will be activated at 50Hz in both outputs.
Energy-saving mode
With the Auto Standby mode (switch) enabled, the amplifier activates the automatic circuit, switching to energy-saving / low consumption mode when an absence of audio signal is detected at the inputs of the unit. This process occurs in a period of time ≤ to 120 seconds, automatically recovering the normal working regime when the signal reappears. This function is Energy Star certified, which is only granted to products that have undergone exhaustive control and comply with the environmental specifications required by the seal.
The AUTO STBY function operation is the following:
| AUTO STBY button | JUMPER MJ102 | Operation |
| On | Factory defaults position | Energy Star autos by |
| On | User position | Amplifier autos by |
| Off | Factory defaults position | Disabled |
| Off | User position | Disabled |
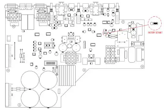
The jumper, is in the FACTORY DEFAULTS position by default (see chapter Configuration diagram), so when activating the AUTO STBY button, the ENERGY STAR AUTO STBY will be enabled. If you want to change the position of the jumper (user position), check the configuration diagram and contact qualified personnel.
Limiter circuit
This system is always active protection inside the HSA series of amplifiers. The ANTISLIP circuitry constantly analyses harmonic distortion caused by excessive signal excursion at the power amplifier’s output and automatically reduces the input level in order never to exceed 5% total harmonic distortion. The great convenience of such a circuit in any kind of installation has to be remarked: The clear advantage of a limiting system in front of conventional compressors is that the former does practically not alter the dynamic range, acting only when the distortion threshold is reached.
Output connections
The output section on the rear panel features Euroblock connectors.
In STEREO mode, each channel takes the signal from its corresponding input (OUTPUT CH1 from INPUT CH1 and OUTPUT CH2 from INPUT CH2). In MONO/BRIDGE mode, the signal is taken from INPUT CH1 only.
If you need to operate the amplifier in BRIDGED mode, you should place the “ST/MONO” switch in the MONO position. The input signal connection is performed using the channel 1 connector and the speaker output using BRIDGE labeled terminals on the Euroblock output connector.
When operating in BRIDGED mode, always makes sure that the resulting load impedance of the installation is never below 5.3Ω.
For each output channel, you can choose to connect a 4Ω speaker set to the “+/-“ output terminals, or a 100V line speaker group (minimum 25Ω total impedance) or a 70V line speaker group (minimum 12.5Ω total impedance), but never use more than one output type at the same time.
The connection cable that joins the amplifier’s outputs and the loudspeakers must be of good quality, sufficient section, and as short as possible. This is most important when the distances to cover are long ones i.e. up to 10 meters it is recommended to use a section not inferior to 2.5mm2 and for superior distances 4mm2.
OPERATION AND USAGE
Startup
Pushing the switch button lights up the integrated pilot light and both red “CLIP” LEDs during the approximately 10 seconds needed to stabilize all voltages. The “CLIP” LEDs will then turn off meaning that the amplifier is now operative. In a complete audio installation, it is important to start up the equipment in the following sequence: sound sources, mixer, equalizers, active filters, and finally power amplifiers. To turn them off the sequence should follow an inverse pattern.
Input attenuators
This consists of rotary potentiometers, situated on the front panel. These attenuators allow connecting the amplifier to different types of mixers and processors, independent level control, and connection of speakers that can’t handle the wattage supplied by the output stage at full power, without risking damage if the volume of the preamplifier-mixer is set too high. Inside the device’s packaging, you will find a little plastic bag containing 2 transparent caps which protect the input attenuation settings from unwanted manipulation. These caps are transparent in order to let you visualize the current settings. Once inserted, they cannot be removed with bare fingers, for this purpose, a small screwdriver is needed. The transparent caps on the volume controls are for single use only. Additional units can be purchased as spare parts. (ref: FCBOTD240100)
Indicators
HSA2-400ES amplifiers include a simple yet effective indication system.
CLIP/STBY indicators show the absence of loudspeaker output signal. These indicators may light up for following reasons:
- During start-up, until the STANDBY time has passed. This time period is needed for the internal operating voltages to settle.
- A short circuit is detected at the loudspeaker terminals (PROTECT function).
- The amplifier is outputting direct current or very low frequency signals that could damage the loudspeaker.
In any case, should these indicators light permanently, this is a sign of malfunction and the causes should be investigated.
The CLIP/STBY indicators light up just before the actual clipping threshold at the loudspeaker output is reached. The clip detection circuit considers supply voltage oscillations so that a dependable clip reading is achieved, even when operating with unstable mains voltage. It is usual that the CLIP indicators shine following the bass frequencies when the amplifier operates at high power levels, as these frequencies carry the main energy. Take care that the CLIP/STBY indicators are not permanently lit. SP Signal Presence indicators indicate the presence of a valid signal at the amplifier inputs. The ON/AUTO-STBY indicator lights green when the unit is ON and working in nominal conditions. The indicator lights red when the unit enters AUTO STANDBY mode (energy saving or low consumption mode).
CLEANING
The front panel should not be cleaned with dissolvent or abrasive substances because silk printing could be damaged. To clean it, use a soft cloth slightly wet with water and neutral liquid soap; dry it with a clean cloth. Be careful that water never gets into the amplifier through the holes of the front panel.
FUNCTION DIAGRAM AND LIST
FUNCTION LIST
- CLIP/STBY indicator CH 1
- SIGNAL PRESENT indicator CH 1
- Input attenuator CH 1
- SIGNAL PRESENT indicator CH 2
- CLIP/STBY indicator CH 2
- Input attenuator CH 2
- THERMAL protection indication
- ON/AUTO STANDBY indicator
- Power switch and pilot light
- Euroblock connectors to the loudspeakers CH 1
- Euroblock connectors to the loudspeakers CH 2
- Output terminals CH 1
- Output terminals CH 2
- High/Low Impedance (HiZ/LoZ)switch, MODE
- XLR input connector CH 1
- Input screwable terminal, CH 1
- XLR input connector CH 2
- Input screwable terminal, CH 2
- STEREO/MONO switch
- Screwable terminal for remote control CH 1
- Screwable terminal for remote control CH 2
- AUTO STBY switch
- Main socket
- Fuse holder
TECHNICAL CHARACTERISTICS
- HSA2-400ES
- POWER @ 1KHz 1% THD
- 100V output
- 1 Channel @ 25: 450 WRMS
- All Channels @ 25: 400 WRMS
- Low Z output:
- 1 Channel @ 4: 390 WRMS
- 1 Channel @ 8: 280 WRMS
- All Channels @ 4 : 350 WRMS
- 1 Bridged channel @ 8 : 700 WRMS
- Frequency response (-1dB, -3dB): 20Hz – 40kHz
- Filter (High-Pass) 3rd order Butterworth: 50Hz
- THD+Noise @ 1kHz Full Pwr:. <0.05%
- Intermodulation distortion 50Hz & 7kHz, 4:1: <0.06%
- TIM 100 <0.04%
- S+N/N 20Hz – 20kHz @ 1W/4 : >85dB
- CMRR >55dB Damping factor 1kHz @ 8: >360
- Channel crosstalk @ 1kHz: >55dB
- Input Sensitivity / Impedance: 0dBV/>20k
- Anticlip @ 2dBV input: <5%THD
- Mains Voltage: 115V/230V. Voltage changed internally (NOT BY SWITCH)
- Power consumption (pink noise, 1/8 power @ 4ohm): 143W / 204VA
- Power consumption (pink noise, 1/3 power @ 4ohm): 334W
- Power consumption (Idle) :25W
- Power consumption: (STBY) 0.5W
- Efficiency (typical): 85%
- STBY time: ≤120s
- Dimensions (Handle excluded): 482,6×88(2RU)x373mm / 19″x3.46″x14.68″
- Weight: 16,4 kg / 36.15 lb
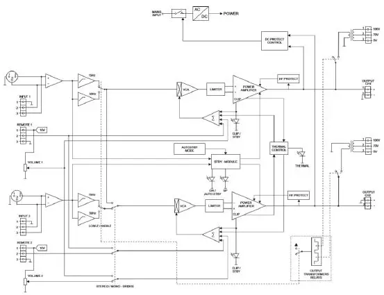
BLOCK DIAGRAM
CONFIGURATION DIAGRAM
All product characteristics are subject to variation due to production tolerances. NEEC AUDIO BARCELONA S.L. reserves the right to make changes or improvements in the design or manufacturing that may affect these product specifications.
Motors, 166‐168 08038 Barcelona ‐ Spain ‐ (+34) 932238403 | [email protected] | www.ecler.com























