Motor Kit
Installation and usage instructions
08448-01P Motor Kit
MOTOR KIT COMPACT F65L
Polar White 08448-01P
Titanium 08448-01T
Deep Black 08448-01H![]()
FIAMMASTORE


| Characteristics | |
| Power Supply | 12 V |
| Absorbed power max | 144 W |
| Motor protection fuse | T 6,3A L 250V |
| General protection fuse | 12:00 AM |
| Operating temperature | + 5°C / + 50°C |
Check that nothing has been damaged or deformed during transport.
In the event of doubts or questions concerning the installation, use or limitations of the product, contact the dealer. We recommend that the installation is carried out by qualifi ed personnel and in compliance with current local regulations.
Unroll completely the awning. Lower the legs

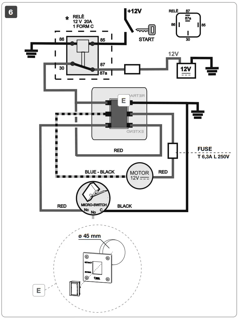
6 – CONNECT THE WIRES
Supply connection 12V ![]()
This product works at 12V
, never connect to a different voltage.
For safety reasons it is advisable to always disconnect the battery in the vehicle and therefore to work without current during installation.
Choose the safest and shortest installation route for the power cable. Reduce the length of the power cable as needed. Use only cable clamps suitable for the diameter of the power cable for the connection to the terminal box.
If incorrect terminals are used, this may cause a voltage drop and increase heat generation on the terminal.
The manufacturer shall not be held liable for claims for damages arising from the following:
- Faulty installation or connection of the product.
- Product damage caused by mechanical infl uences and overvoltage.
- Changes to the device without the express authorisation of the manufacturer.
For safety reasons we advice to make the electric connections as indicated on the diagram. When the ignition key is turned, the relay (*not supplied) cuts off the current to the electric motor, to avoid any accidental opening of the awning when the vehicle is moving.
The motor is equipped as standard with a fuse to prevent damage to the motor/circuit. In case of problems the fuse trips and disconnects the circuit, never put a fuse of different value from the one supplied (fuse 5×20 T 6,3A L 250V). Never operate the product without a fuse.
7 – GENERAL TEST OF THE ELECTRICAL OPERATION.
After making all electrical connections, before fi xing the motor covers, restore the current to 12V and do a general test of operation, performing the following tests:
- make sure that the awning opens when the switch is in EXTEND position and that it closes when the switch is in RETRACT position; on the contrary, invert the polarity;
- open the awning completely. Then close it and make sure the micro switch interrupts the movement if it is pressed. Otherwise, act on the microswitch by adjusting it with a clamp (1). Do not disconnect or change the micro switch on the end cap. On the contrary, warranty will be no longer valid. Do not put your hands in the mechanical parts of the awning, when the awning is moving. Make sure there are no obstacles in closing or opening the awning that prevent or slow down the movement. In case of engine failure, use crank handle F delivered as standard with the awning.


Assembly of the cap fastening rivets. Sequence:
- Insert the rivet (A+B) into the holes of the caps
- Detach the screw B (separating the screw from its support)
- Tighten the screw B fully
If it is necessary to remove the caps (e.g. to replace the fuse), gently loosen the screws and pull out the rivet body.
10 – USE OF THE PRODUCT
STANDARD OPERATION
The Control system key opens or closes the awning; taking your fi nger away from the button, the movement stops. Do not put your hands in the mechanical parts of the awning, when the awning is moving.
In case that the movement doesn’t stop, you could indentify why the Microswitch doesn’t work (because is not connected or defective); in this case the lead bar will fi nish the operation until the closing and it will trigger the protection fuse (that will safeguard the electrical system).
While closing of the lead bar automatically, do not insert your hands or objects that can hamper the movement.
Pay attention even to non – visible objects (F.I. branches above the awning Fabric) that can hamper the movement even before that the Microswitch takes action; in this case the protection fuse triggers and safeguard the electrical system.
Once the fuse triggers, it must be replaced with an identical (Fuse T 6,3A L 250V). Never use a different fuse. We recommend that you carry a spare fuse at all time.
In these cases, we always recommend that you contact the Service Centre.
MANUAL OPERATION
It is possible to close the awning by passing the 12V
operation (with the Control System); to do this, please use crank handle F delivered as standard.
In case of engine failure, use crank handle F delivered as standard.
Before leaving, make sure the awning is correctly closed.
In case of problems please contact your local dealer indicating the data on the nameplate. Consult our website for spare parts drawing.
Read the following instructions and warnings carefully; failure to observe these installation and usage instructions as well as the laws for driving in the relevant country may cause severe harm or damage for which the manufacturer declines all responsibility. Keep the original packaging to be used in case of return.
Always comply with speed limits and the Highway Code. The speed should always be suitable to traffic conditions and towed load.
Before leaving, make sure the awning is correctly closed.
Periodically check the fi xing status, especially after having traveled the fi rst Kms from the assembly and every time before and after long journeys.
You are advised not to wash the outer covering with an aggressive product that could alter the surface fi nishes or the materials.
If the awning is more than 100 mm out of the vehicle shape, the presence of the awning must be recorded in the vehicle’s registration documents (DIN 75303 – 2019).![]()
EU Declaration of Conformity (DoC)
We,
Company name: Fiamma
Postal address: Via San Rocco, 56
Postcode and city: Cardano al Campo – (Varese)
Telephone number: 0311/709111
E-mail address: [email protected]
Declare that the DoC is issued under our sole responsibility and belongs to the following product:
Apparatus model / Product: Awnings motor kit
Trademark: Fiamma
Model / Type:
| 06275x01y | Motor Kit F45 S |
| 06535x01y | Motor Kit F45 |
| 06536x01y | Motor Kit F65 |
| 05275x01y | Motor Kit F65 |
| 07779x01y | Motor Kit F65 L 018 |
| 07929x01y | Motor Kit Compact F80 S |
| 07929x02y | Motor Kit Plus F80 S |
| 08320x01y | Motor Kit Advanced F80 S |
| 07930x01y | Motor Kit Compact F80 L |
| 07930x02y | Motor Kit Plus F80 L |
| 08319x01y | Motor Kit Compact F45 S |
| 08318x01y | Motor Kit Compact F45 L |
| 08451x01y | Motor Kit Advanced F45 L |
| 08448x01y | Motor Kit Compact F65 L |
x = – right; A left
y = – Polar White; T Titanium; H Black
The object of the declaration described above is in conformity with the relevant Union harmonisation legislation:
- 2014/30/EU Electro Magnetic Compatibility Directive – EMCD.
- 2014/35/EU Low Voltage Directive – LVD.
- IEC 62368-1:2014 – LVD.
- 2011/65/EU Restriction of the use of certain hazardous substances Directive – RoHS.
- ECE/ONU/R10 Uniform provisions concerning the approval of vehicles with regard to electromagnetic compatibility – ECE ONU R10.
- EN 55014-1:2006 + A1:2009+ A2:2011 – RCM.
- EN 61000-3-2:2016 – RCM.
- EN 61000-3-3:2020 – RCM.
- EN 55014-2:2015 – RCM.
- EN 62311:2018 – RED (Advanced).
- ETSI EN 300 328 V.2.2.2 – RED (Advanced).
- ETSI EN 301 489-1 V.2.2.3 – RED (Advanced).
- ETSI EN 301 489-17 V.3.2.4 – RED (Advanced).
The following harmonised standards and/or technical specifications have been applied
Warranty Fiamma
In case of defects with regards to materials and manufacturing, the customer is entitled to the warranty in accordance with local laws and regulations of the country in which the product was purchased.

fiamma.com
Fiamma S.p.A. – Italy
Via San Rocco, 56
21010 Cardano al Campo (VA)
All rights reserved.
Fiamma S.p.A.
reserves the right to modify at any time, without notice, prices, materials,
specifi cations and models or to cease production of any model.
A1_IS_98691-070_revA

















