FIAMMA Compact F80S Polar Motor Kit

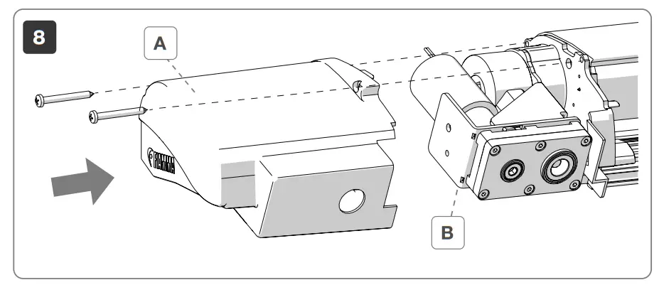
Package contents



Dimension

| Characteristics | |
| Power Supply | 12 V |
| Absorbed power max | 144 W |
| Motor protection fuse | T 4A L 250V |
| General protection fuse | 12 A |
| Operating temperature | + 5°C / + 50°C |
Installation Instructions
Check that nothing has been damaged or deformed during transport.
In the event of doubts or questions concerning the installation, use or limitations of the product, contact the dealer. We recommend that the installation is carried out by qualified personnel and in compliance with current local regulations.
Unroll completely the awning. Lower the legs.




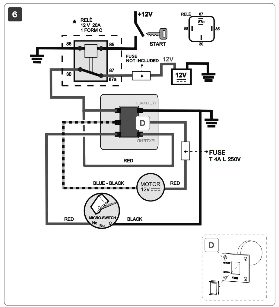
CONNECT THE WIRES
Supply connection 12V ![]()
This product works at 12V
, never connect to a different voltage.
For safety reasons it is advisable to always disconnect the battery in the vehicle and therefore to work without current during installation.
Choose the safest and shortest installation route for the power cable. Reduce the length of the power cable as needed. Use only cable clamps suitable for the diameter of the power cable for the connection to the terminal box
If incorrect terminals are used, this may cause a voltage drop and increase heat generation on the terminal.
The manufacturer shall not be held liable for claims for damages arising from the following:
- Faulty installation or connection of the product.
- Product damage caused by mechanical influences and overvoltage.
- Changes to the device without the express authorization of the manufacturer
For safety reasons we advice to make the electric connections as indicated on the diagram. When the ignition key is turned, the relay (*not supplied) cuts off the current to the electric motor, to avoid any accidental opening of the awning when the vehicle is moving.
The motor / motor + control unit system must be powered with a power line protected by a 12 A fuse. The motor is equipped as standard with a fuse to prevent damage. In case of problems the fuse trips and disconnects the circuit. Never put a fuse of different value from the one supplied (fuse 5×20 T 4A L 250V). Never operate the product without a fuse.

GENERAL TEST OF THE ELECTRICAL OPERATION.
After making all electrical connections, before fixing the motor covers, restore the current to 12V and do a general test of operation, performing the following tests: – make sure that the awning opens when the switch is in EXTEND position and that it closes when the switch is in RETRACT position; on the contrary, invert the polarity; – open the awning completely. Then close it and make sure the micro switch interrupts the movement if it is pressed. Otherwise, act on the microswitch by adjusting it with a clamp (1). Do not disconnect or change the micro switch on the end cap. On the contrary, warranty will be no longer valid. Do not put your hands in the mechanical parts of the awning, when the awning is moving. Make sure there are no obstacles in closing or opening the awning that prevent or slow down the movement. In case of engine failure, use crank handle E delivered as standard with the awning.
Instructions For Use




USE OF THE PRODUCT
STANDARD OPERATION
The Control system key opens or closes the awning; taking your finger away from the button, the movement stops. Do not put your hands in the mechanical parts of the awning, when the awning is moving.
In case that the movement doesn’t stop, you could indentify why the Microswitch doesn’t work (because is not connected or defective); in this case the lead bar will finish the operation until the closing and it will trigger the protection fuse (that will safeguard the electrical system). While closing of the lead bar automatically, do not insert your hands or objects that can hamper the movement. Pay attention even to non – visible objects (F.I. branches above the awning Fabric) that can hamper the movement even before that the Microswitch takes action; in this case the protection fuse triggers and safeguard the electrical system. Once the fuse triggers, it must be replaced with an identical (Fuse T 4A L 250V). Never use a different fuse. We recommend that you carry a spare fuse at all time. In these cases, we always recommend that you contact the Service Centre.
MANUAL OPERATION
It is possible to close the awning by passing the 12V
operation (with the Control System); to do this, please use crank handle E delivered as standard.
Safety instructions

In case of engine failure, use crank handle E delivered as standard.

Before leaving, make sure the awning is correctly closed.

In case of problems please contact your local dealer indicating the data on the nameplate. Consult our website for spare parts drawing.

EU Declaration of Conformity (DoC)

Warranty
Warranty Fiamma. In case of defects with regards to materials and manufacturing, the customer is entitled to the warranty in accordance with local laws and regulations of the country in which the product was purchased.
All rights reserved. reserves the right to modify at any time, without notice, prices, materials, specifications and models or to cease production of any model.




















