maXpeedingrods MXR4500i Inverter Generator User Manual

DISCLAIMERS
Thank you for buying our inverter generator.
- The copyright of this specification belongs to our company.
- Any contents of the manual shall not be copied without the written permission of the company.
- The company reserves the right of modification of product and revision of the manual without any notice.
- This book is an integral part of generators and should be incidental to the sale of generators.
- This manual includes instructions for the operation and maintenance of generators. Please read the instruction
carefully before using, otherwise the wrong operation may lead to safety trouble or equipment damage. Proper and safe operation will extend the service life of generator. - The company will continue to innovate and improve the design and quality of products.
- All the contents of this book are in line with the latest products at the time of printing this book.
- If there is any trouble, or do not know about the generator, please consult the after-sales service department of the company.
⚠ DANGER
This manual contains important instructions for operating this inverter generator. For your safety and the safety of others, be sure to read this manual thoroughly before operating the generator.
Failure to properly follow all instructions and precautions can cause you and others to be seriously hurt or killed.
SPECIFICATIONS

LIMITED WARRANTY
- DURATION:
Maxpeedingrods warrants all the inverter generators against defects in workmanship under normal use for a period of 2 years from the date of retail purchase by the original end-user
purchaser (“Warranty Period”), and free lifetime technical support and customer service. If a product is used for business, commercial, or industrial applications, the warranty period
will be limited to ninety ( 90) days from the date of purchase. - WHO GIVES THIS WARRANTY (WARRANTOR):
Chongqing Guoyu Technology Co., Ltd - WHO RECEIVES THIS WARRANTY(PURCHASER):
The original purchaser ( other than for purposes of resale) of the MAXPEEDINGRODS inverter. - WHAT PRODUCTS ARE COVERED BY THIS WARRANTY:
Any portable generator supplied or manufactured by Warrantor. - WHAT IS COVERED UNDER THIS WARRANTY:
Substantial defects on material and workmanship which occur within the duration of the warranty period. - WHAT IS NOT COVERED UNDER THIS WARRANTY:
A. Transportation changes for sending the product to Warrantor or its authorized service representative for warranty service, or for shipping repaired or replacement products back
to the customer; these charges must be borne by the customer.
B. Damages caused by abuse, accident, shipping, misuse, overloading, modification, and the effects of corrosion, erosion and normal wear and tear.
c. Warranty is voided if the customer fails to install, maintain and operate the product in accordance with the instructions and recommendations set forth in the owner’s manual(s), or if the product is used as rental equipment
D. Pre-delivery service, i.e. assembly, oil or lubricants, and adjustment.
E. Items or service that are normally required to maintain the product, i.e. lubricants and filters.
F. Warrantor will not pay for repairs or adjustments to the product, or for any costs or labour, performed without Warrantor’s prior authorization.
EXCLUSIONS AND LIMITATIONS:
Warrantor makes no other warranty of any kind, express or implied. Implied warranties, including warranties of merchantability and of fitness for a particular purpose, are hereby disclaimed. This warranty service described above is the exclusive remedy under this warranty; liability for incidental and consequential damages is excluded to the extent permitted by law. - RESPONSIBILITIES OF PURCHASER UNDER THIS WARRANTY:
A. The purchaser must provide dated proof of purchase and must notify Warrantor within the warranty period.
B. Deliver or ship the serviced generator or component to the nearest Warrantor’s authorized service representative. Freight costs, if any, must be borne by the purchaser.
SAFETY
SAFETY DEFINITIONS
The words DANGER, WARNING, CAUTION and NOTICE
are used throughout this manual to highlight important information. Be certain that the meanings of these alerts are known to all who work on or near the equipment.
⚠ This safety alert symbol appears with most safety statements. It means attention, become alert, your safety is involved! Please read and abide by the message that follows the safety alerts symbol.
⚠ DANGER
Indicates a hazardous situation which, if not avoided, will result in death or serious injury.
⚠ WARNING
Indicates a hazardous situation which, if not avoided, could result in death or serious injury.
⚠ CAUTION
Indicates a hazardous situation which, if not avoided, could result in minor or moderate injury.
NOTICE
Indicates a situation which can cause damage to the generator, personal property and/or the environment, or cause the equipment to operate improperly.
⚠WARNING
Connection of the product to a building’s electrical system is not applicable.
NOTE: Indicates a procedure, practice or condition that should be followed in order for the generator to function in the manner
intended.
SAFETY SYMBOL DEFINITIONS

GENERAL SAFETY RULES


USAGE NOTES
Please read and understand this manual well before operating.
Familiarize with the safe operating procedures of generators can help you avoid accidents.

SPECIAL REQUIREMENTS
- Electrical equipment includes unexposed wires and plugs.
- The protecting breaker should be matched with generator. The application parameters and performance should be totally matched if changing.
- Well grounded before using.
- If need extension wire, it must meet the requests as below: 4mm2, length no more than l00m.
SECURITY WARNING STICKERS
Pay attention to the security warning stickers before you use.

UNPACKING

WHAT COMES IN THE BOX
Inverter Generator ( l)
Owner Manual ( l )
Spark Plug Socket Wrench ( l )
Oil Funnel ( l )
Screwdriver ( l)
UK Plug ( 2)
Generator Dust cover ( l )
USB Adapter ( l )
COMPONENTS



CONTROL PANEL COMPONENTS
- Engine Control Switch:
Switch to “OFF” to stop the engine. Switch to “ON” before starting engine. - VFT Data Center:
Displays cumulative run time, single run time, output voltage and frequency. - Output Ready Light:
illuminates when the generator is operating normally. Indicates the generator is producing electrical power at the receptacles. - Overload Light:
Indicates that the generator is overloaded. - Low Oil Light:
Indicates low oil level . When the oil level in the crankcase falls below the safe operating limit, the low oil level indicator will illuminate and the generator will automatically shut off the engine. - DC Breaker:
If the inverter is overloaded. The DC breaker will trip to block current. - DC 12V, 8.3A Outlet:
The outlet is capable of carrying a rated of 8.3 amps. - AC Breaker:
If the inverter is overloaded. The AC breaker will trip to block current. - AC Reset:
The generator inverter will automatically switch OFF, when all AC output to protect the generator if overloaded or if there is a short circuit in a connected appliance. Unplug the devices and reduce the load. Push in the AC reset to reset it. - 230-Volt, 13-Amp Outlet:
The outlet is capable of carrying a maximum of 13 amps. - Ground Terminal:
The ground terminal is used to externally ground the generator.
OPERATION
BEFORE STARTING THE INVERTER
BEFORE STARTING THE INVERTER, REVIEW SAFETY SECTION STARTING.
Location Selection – Before starting the inverter, avoid exhaust and location hazards by verifying:
- You have selected a location to operate the inverter that is outdoors and well ventilated.
- You have selected a location with a level and solid surface on which to place the inverter
- You have selected a location that is at least 20 feet ( 6 m) away from any building, other equipment or combustible material.
- If the inverter is located close to a building, make sure it is not located near any windows, doors or vents.

NOTICE
Only operate the inverter on a solid, level surface.
Operating the inverter on a surface with loose material such as sand or grass clippings can cause debris to be ingested by the inverter that could:
- Block cooling vents
- Block air intake system
Weather – Never operate your inverter outdoors during rain, snow or any combination of weather conditions that could lead to moisture collecting on, in or around the generator.
Dry Surface – Always operate the inverter on a dry surface free of any moisture.
No Connected Loads – Make sure the inverter has no connected loads before starting it. To ensure there are no connected loads, unplug any electrical extension cords that are plugged into the control panel receptacles.
NOTICE
Starting the inverter with loads already applied to it could result in damage to any appliance being powered off the inverter during the brief start-up period.
GROUNDING THE INVERTERS
It is recommended to ground the generator with a good lead with in insulated leather in order to prevent the generator from being damaged by electric shock or the wrong use of electricity.

⚠ WARNING
Be sure the inverter is properly connected to earth ground before operating.
SERVICE ENVIRONMENT OF THE GENERATOR
- Applicable temperature: -5°C ~ 40°C.
- Applicable humidity: below 95%.
- Applicable altitude: regions below 1500m.
(it shall be used by reducing power in regions above 1000m)
When actual environmental condition is inconsistent with the condition of output power of the generator set:
- Every 5 of increase in ambient temperature will reduce the power of generator by about 2%.
- Every 30% of increase in relative humidity of air will reduce the power of generator by about 1.5%.
- Every 1000 feet rising of ASL will reduce the power the generator by about 4.5%.
USE GENERATOR AT HIGH ALTITUDE
- The density of air at high altitudes is lower than at sea level. Engine power is reduced as the air mass and air-fuel ratio decrease. Output will be reduced approximately 4.5% for every 1000 feet of increased altitude from sea level.
- At high altitudes increased exhaust emissions can also result due to the increased enrichment of the air fuel ratio. Other high altitude issues can include hard starting, increased fuel consumption and spark plug fouling.
- The performance of gasoline engines can be improved by replacing the carburettor with a slightly smaller main injector or by adjusting the adjusting screw. If you often use the generator at an altitude of more than 1000 feet, you can buy special high-altitude parts to replace for use.
Otherwise, the load power should be reduced to use the generator. - Even with the suitable carburettor, a 1000 feet rise in altitude reduces petrol engine power by about 4.5%. Without the replacement of a suitable carburettor, this decline would be even greater.
NOTICE
If a carburetor suitable for high altitude use is fitted to a gasoline engine for low altitude use, too thin mixture will reduce the power output of the gasoline engine, cause overheat or even serious damage.
CONNECT TO HOUSEHOLD POWER SUPPLY
- When the generator is connected to household power source as a backup power supply, the connection shall be carried out by a professional electrician or a person familiar with electricity.
- After connecting the load to the generator, check carefully whether electrical connection is safe and reliable.
- Improper electrical connection may cause generator damage, burning or fire.
- Avoid connecting this generator to commercial power outlet.
- When extending the cable, be sure not to exceed its length.
- The appearance of extension cable shall be protected by a layer of tough and elastic rubber cover (1EC25) or other substitutes.

GENERATOR CAPACITY
Make sure before starting the generator. The total power of the load apparatus ( the sum of resistive, capacitive and inductive load) shall not exceed the rated power of the generator.
Make sure the generator can supply enough continuous (running) and surge (starting) watts for the items you will power at the same time. Appliance and power tool manufacturers usually list rating information near the model or serial number.
NOTICE
- Do not overload the generator’s capacity. Exceeding the generator’s wattage/amperage capacity can damage the generator and/ or electrical devices connected to it.
- If more than one load or electrical equipment is connected to the generator set, remember that the one with the highest starting load is connected first, and the one with the lowest starting current is connected last.
TO DETERMINE POWER REQUIREMENTS:
- Select the items you will power at the same time.
- Total the continuous (running) watts of these items. This is the amount of power the generator must produce to keep the items running.
- Estimate how many surge (starting) watts you will need. Surge wattage is the short burst of power needed to start electric motor-driven tools or appliances such as a circular saw or refrigerator. Because not all motors start at the same time, total surge watts can be estimated by adding only the item(s) with the highest additional surge watts to the total rated watts f ram step.
Example:

*Wattages listed are approximate.
Verify electrical appliances actual wattage.
In general, capacitive and inductive load, especially motor drive device, produce a large starting current when starting up. The following table is for your reference when you connect these electrical appliances to the generator set.

ADD FUEL


Required Gasoline – Only use gasoline that meets the following requirements:
- Unleaded gasoline only
- Gasoline with maximum 10% ethanol added
- Gasoline with an 87 octane rating or higher
Filling the Fuel Tank – Follow the steps below to fill the fuel tank:
Fuel Tank Capacity : 7.5L
- Shut off the inverter.
- Allow the inverter to cool down so all surface areas of the muffler and engine are cool to the touch.
- Move the inverter to a flat surface.
- Clean area around the fuel cap.
- Remove the fuel cap by rotating counterclokwise.
NOTICE
Do not overfill the fuel tank. Spilled fuel will damage some plastic parts. - Slowly add gasoline into the fuel tank. Be very careful not to overfill the tank.
Note: The gasoline level should NOT be higher than the red ring.
- Install the fuel cap by rotating clockwise.
ADD ENGINE OIL
NOTICE
- Engine oil must be added when the inverter is on a flat, level surface, or an inaccurate reading may result. Do not overfill. If the engine is overfilled with oil, it can cause serious engine damage.
- The engine does not contain engine oil as shipped. Attempting to start the engine without adding engine oil will permanently damage internal engine components.
- The engine is equipped with a low oil shutdown switch. If the oil level becomes low, the engine may shut down and not start until the oil is filled to the proper level.
The included, recommended oil type for typical use is l0W-30 engine oil. If running the generator in extreme temperatures, refer to the following chart.

- Please place the generator on a horizontal place.
- Open the oil cap.
- Inject the specified amount of recommended oil and tighten the oil cap.(Oil capacity:0.6L)
START THE GENERATOR
Before attempting to start the inverter, verify the following:
The engine is filled with engine oil;
The inverter is situated in a proper location;
The inverter is on a dry surface;
All loads are disconnected from the inverter;
The inverter is properly grounded;

RECOIL-ST ART

NOTICE
Do not close the choke valve when the gasoline engine is started in hot state.
STOP THE GENERATOR
During normal operation , use the following steps to stop your inverter:
- Shut down and disconnect all electrical equipment.
- Turn off the ignition switch of generator.
- Turn off the fuel tap.
If you need to stop the generator in an emergency, put the ignition switch in the “off” position.
MAINTAIN
Good maintenance is the best guarantee to achieve safe, economic and zero-fault operation. It also contributes to the environment protection. To keep the engine in good condition, you must check and maintain it regularly. Please follow the schedule below.

NOTICE
- If you often work under high temperature or high load, you should change the oil every 10 hours.
- If you often work in dusty or harsh environments, the air filter element should be cleaned every l0 hours, and if necessary, the air filter element should be replaced every 25 hours.
- Check the period and date, and maintenance should be carried out on the first arriving machine.
- If the maintenance period expired, the maintenance should be carried out according to the form above as soon as possible.
⚠ DANGER
- Please stop the machine before carrying out any maintenance. The engine should be placed in a horizontal position. To prevent the engine from starting, separate the spark plug cap from the spark plug.
- Do not use it indoors or in poorly ventilated places such as tunnels and caves, and make sure that the working area is well ventilated. Exhaust gas from engine contains toxic gas carbon monoxide, which can cause shock, loss of consciousness and even death when inhaled.
CHANGE THE OIL
The oil can be discharged quickly and cleanly after starting the gasoline engine.
- Always operate or maintain the generator on a flat surface.
- Stop the engine.
- Let engine sit and cool for several minutes.
- Remove the oil gauge. Then remove the oil drain bolt.
- Allow oil to completely drain.
- Install the oil drain bolt and tighten it.
- Fill the oil and check the oil level.
- Install the oil gauge.

NOTICE
- Long-term and frequent skin contact with engine oil may lead to skin cancer. Although this is not inevitable, it is recommended to wash the skin exposed to engine oil immediately and thoroughly with soap and water.
- From the perspective of environmental protection, please properly dispose of the used engine oil after use. We strongly recommend that you put the waste engine oil in a sealed container and send it to the local service station or waste oil recovery center.
- Remember: do not throw it into a garbage or dump it on the ground or in a ditch.
CLEANING THE AIR FILTER
⚠WARNING
- Never use gasoline or other flammable solvents to clean the air filter. Use only household detergent soap to clean the air filter.
- Dirty air filter will affect air flowing into carburettor.
To prevent carburettor failure, please regularly maintain the air filter. If used in dusty environment, it should be maintained more frequently.
NOTICE
It is forbidden to start the generator without installing an air filter, otherwise the gasoline engine will be worn-out quickly.
The air filter must be cleaned after every 50 hours of use or 3 months (frequency should be increased if inverter is operated in a dusty environment).
- Turn off the inverter and let it cool for several minutes if running.
- Unscrew the bolts on air filter cover.
- Remove the foam element from the air cleaner housing.

- Wash the foam air filter element by submerging the element in a solution of household detergent soap and warm water. Slowly squeeze the foam to thoroughly clean.
NOTICE
NEVER twist or tear the foam air filter element during cleaning or drying. Only apply slow but firm squeezing action. - Rinse in clean water by submerging the air filter element in fresh water and applying a slow squeezing action.

NOTICE
Never dispose of soap cleaning solution used to clean the air filter by dumping the solution into a sewer, on the ground, or into ground water or waterways. Always be environmentally responsible. Follow the guidelines or other governmental agencies for proper disposal of hazardous materials. Consult local authorities or reclamation facility. - Dispose of used soap cleaning solution properly.
- Dry the air filter element by again applying a slow firm squeezing action.
- Return the air filter element to its position in the air cleaner housing.
- Install the air cleaner cover, making sure the tabs lock into place.
REPLACE THE SPARK PLUG
Please replace the spark plug in accordance with the original specification: F7TC/F7RTC
- Stop the inverter and let it cool for several minutes if running.
- Move the inverter to a flat, level surface.
- Detach the cover of spark plug.
- Remove the spark plug boot by firmly pulling the plastic spark plug boot handle directly away from the engine.
- Using the spark plug socket wrench provided, remove the spark plug from the cylinder head.
NOTICE
Never apply any side load or move the spark plug laterally when removing the spark plug. Applying a side load or moving the spark plug laterally may crack and damage the spark plug boot. - Place a clean rag over the opening created by the removal of the spark plug to make sure no dirt can get into the combustion chamber.
- Measure spark plug with thickness gauge, and bend the side electrodes to adjust the gap. The gap should be guaranteed to be 0.70-0.80mm.

Please use the spark plug with proper calorific value. - Inspect whether the spark plug gasket is in good condition.
- Install the spark plug, and tighten it with the socket wrench, press the spark plug ring and cover the spark plug cap tightly.
CLEANING THE SPARK ARRESTOR
Check and clean the spark arrestor after every 50 hours of use or 3 months.
- Stop the inverter and let it cool for several minutes if running.
- Move the inverter to a flat, level surface.
- Loosen the clamp holding the spark arrester onto the muffler with a screw driver.
- Slide the spark arrester band clamp off the spark arrester screen.
- Pull the spark arrester screen off the muffler exhaust pipe.
- Using a wire brush, remove any dirt and debris that may have collected on the spark arrester screen.
- If the spark arrester screen shows signs of wear (rips, tears or large openings in the screen), replace the spark arrester screen.
- Install the spark arrester components in the following order:
a. Place spark arrester screen over the muffler exhaust pipe. Push on the screen until it fully bottoms out.
b. Place the spark arrester band clamp over the screen and tighten with a screwdriver.
TRANSPORTING
- Allow the generator to cool a minimum of 30 minutes before transporting.
- Replace all protective covers on the generator control panel.
- Only use the generator’s fixed handle(s) to lift the unit or attach any load restraints such as ropes or tie-down straps. Do not attempt to lift or secure the generator by holding onto any of its other components.
- Keep the unit level during transport to minimize the possibility of fuel leakage or, if possible, drain the fuel or run the engine until the fuel tank is empty before transport.
STORAGE
⚠ WARNING
In order to avoid burning or fire caused by contact with high-temperature parts of the generator, the generator must be cooled before being packaged and stored.
Please ensure the storage area is clean and dry if long-term storage is needed.
- Clean the fuel in the fuel tank. Clean the fuel filter screen, 0-ring seal and settling cup before installing them. Unscrew the carburetor oil drain bolt, clean the fuel in the carburetor, and then install and tighten the carburetor oil drain bolt.
Usually, the engine oil is combustible and explosive. Please drain the oil under well ventilated conditions after shutdown. Fireworks are strictly prohibited during oil discharge.
NOTICE
Gasoline stored for as little as 60 days can go bad, causing gum, varnish and corrosive buildup in fuel lines, fuel
passages and the engine. This corrosive buildup restricts the flow of fuel, preventing an engine from starting after a
prolonged storage period. - Unscrew the oil level gauge and the oil drain bolt on the crankcase, and drain the oil in the crankcase.
Then tighten the oil drain bolt, fill new oil to the upper limit of oil, and then install the oil level gauge. - Remove the spark plug and pour a tablespoon of clean engine oil into the combustion chamber.
Rotate the crankshaft several times to distribute the oil everywhere. Then install the spark plug. - Gently pull the starting handle until resistance is felt, so that the intake and exhaust valves are closed.
- Place the generator set in a clean and dry area.
TROUBLE SHOOTING
⚠ WARNING
Before attempting to service or troubleshoot the generator, the owner or service technician must first read the owner’s manual and understand and follow all safety instructions. Failure to follow all instructions may result in conditions that can lead to voiding certification or product warranty, serious personal injury, property damage or even death.


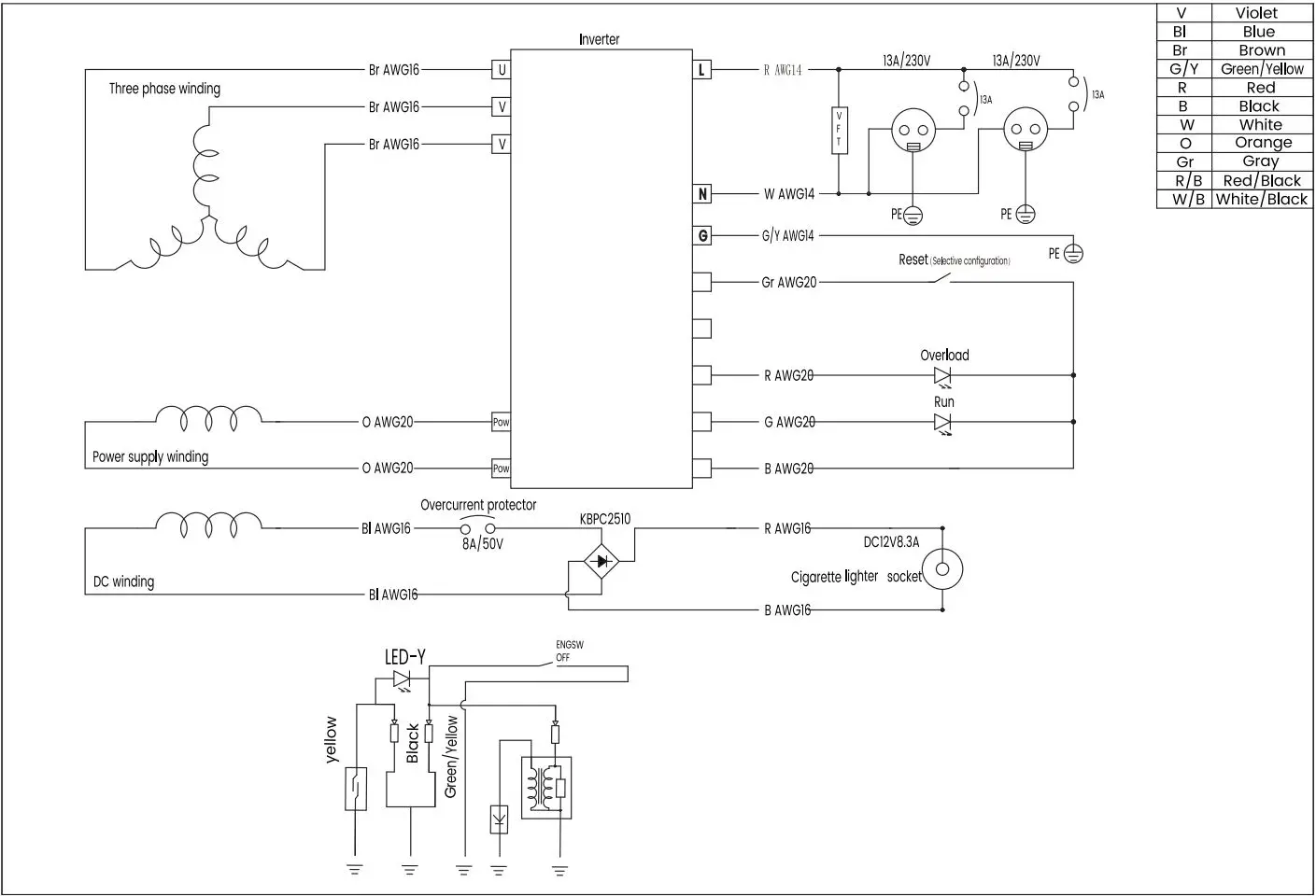
CIRCUIT DIAGRAM

UK DECLARATION OF CONFORMITY
The following products have been tested by us with the listed standards and found in compliance with The Supply of Machinery (Safety) Regulations 2008 (SI 2008/1597) , The Electromagnetic Compatibility Regulations 2016 (SI 2016 No. 1091 and amendments.)
Manufacture’s Name: Chongqing Guoyu Technology Co., Ltd
Manufacturer’s Address: Tuchang Town, Hechuan District, Chongqing, China
Product: Inverter generator
Type/Model: MXR4500i
The statement is based on a single evaluation of above-mentioned products. All products in series production are in conformity with the product sample detailed in this report. We Chongqing Guoyu Technology Co., Ltd hereby declare that this product(s) described complies with the relevant basic safety requirements of the following UK regulations:
Applied UK Regulations: SI 2008/1597 – The Supply of Machinery (Safety) Regulations 2008
SI 2016 No. 1091 and amendments -The Electromagnetic
Compatibility Regulations 2016
Applied Standards: BS EN ISO 8528-13:2016
BS EN 8528-8:2016
BS EN 55012:2007+A1 2009
Place of issue: Chongqing
Date of issue: 20/10/2022
Product Technical Director: Tang Guolan

APEX CE SPECIALISTS LIMITED
89 Princess Street, Manchester, M1 4HT, UK
Chongqing GuoyuTechnology Co., Ltd





















