ALCAD TCB-074 2 Wire Videodoor Entry System

ELEMENTS AND DIMENSIONS

9670164 MAN-500
Audio unit module., 2-wire system. Includes a GRF-302 audio unit, a front module of entrance panel and a RVE-014 speaker and microphone module.
9610044 GRF-302
Audio unit, 2-wire sys/em (does not include speaker and microphone module).
9770035 RVE-014
Speaker and microphone module.
9640020 TCB-074
ACTIVE VIEW video unit for 2-Wire video door entry system.
2-WllER SYSTEM WITH PUSHBUITONS
DESCRIPTION
- System for performing small to medium-sized installations.
- This system makes it possible to manage installations with:
– up lo 96 houses (monitors/telephones)
– up to 6 points of entry - Up lo 6 devices (monitors/telephones) per dwelling
- 2-wire connection, without connection polarity. l:ioth between f)C!nels and to the devices {monitors/telephones} in the dwellings.
- The programming of each connection bracket and/or telephone is performed from the main panel of the installation.
- Confidentialily feature
- Automatic switch-on feature with main pqnel (from telephone} or looped (from monitor}.
- Electronic call. Different call tone in dwelling depending on origin of the call (i.e. whether from the main panel or another panel).
OPERATION
There are two operating slates: system on standby and system active.
SYSTEM ON STANDBY
By default the telephones/ monitors are inacti~1 so that the functions of communicating with the entrance panel and Operating the door are disabled. The entrance panels are on standby, with the audio system disabled while waiting for a call to be made or for a telephone to activate the automatic switch-on system.
SYSTEM ACTIVE
The system changes from being on standby to being in the active slate when the telephone/monitor in a dwelling receives a call from an entrance panel or when the automatic switch-on feature is activated from one of the telephones/monitors.
Automatic switch-on feature
By picking up the receiver and pressing the automatic switch-on button of the telephone/monitor, you will be able to establish communication with the main entrance panel of the building as well as to open the street door. Duration of automatic switch-on: 60 seconds, or until the receiver is put down or a call is made from the entrance panel.
If you have a monitor, you will also be able to see the image captured by the camera. Repeatedly Pressings the automatic switch-on button will activate this feature in each of the entrance panels of the installation. See “The Looped automatic switch-on function’.
Receiving a call
Only telephones/ monitors associated to the pushbutton will receive the call. The call is confirmed at the entrance panel. If the receiver of another telephone/monitor is picked up, beeping tones will be heard. If the receiver of the telephone/monitor is off the hook or if no telephone/monitor is associated to that pushbutton, the panel will emit beeping tones. Time allowed to answer. 30 seconds. Maximum conversation time: 60 seconds. Prolongation of conversation time: +60 seconds.
Installations with several points of entry
The entrance panel from which the calrhas been made remains active. The panels installed at the other points of entry are disabled, i.e. they cannot be used to make calls to dwellings. The red light on these entrance panels will blink during the answering and conversation periods, thereby informing any visitor ‘that another panel in the building is active.
THE LOOPED AUTO-SWITCH-ON FUNCTION. 2-WIRE VIDEO DOOR ENTRY SYSTEM
The auto-switch-on function makes it possible lo see the image on the monitor, communicate with the entrance pane/ and open the door without having received a call.
In installations with several points of entry this function can be activated in the different entrance panels of the installation (looped auto-switch-on), by repeatedly pressing the auto-switch-on button. Thus (See picture below), when the auto-switch-on button is first pressed the main entrance will be activated (P}; then, as the button is pressed again and again, each of the secondary entrance panels of the building will be activated in tum (51,52,53,54,55), until eventually the loop is completed and the main entrance panel is activated once again.

OVERVIEW OF THE INSTAUATION: WIRING
For distances, number of devices, or types of cable different from those shown in the tables, additional elements may be necessary (e.g. BUS voltage regenerators, signal amplifiers, etc.). Consult the manufacturer.


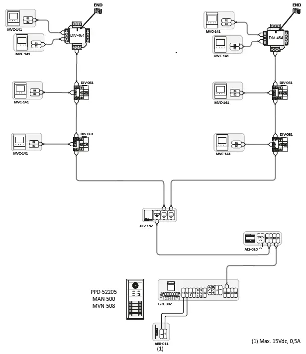
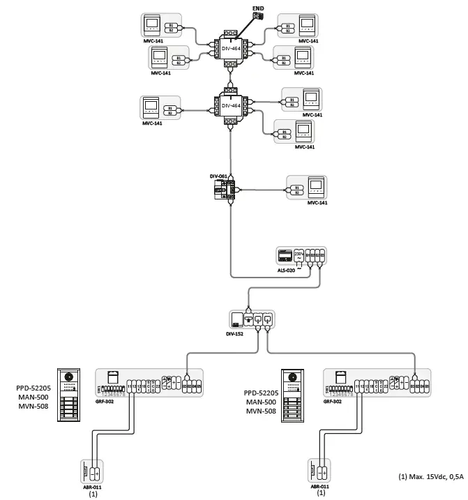
2-WIRE VIDEODOOR ENTRY SYSTEM with SPLITTER
For distances, number of devices, or types of cable different from phase shown in the tables, additional elements may be necessary {e.g. BUS voltage regenerators, signa( amplifiers, eh::.). Consult the manufacturer.

SIC Instanton

Configuring the entrance panel
Configure the entrance panel as the main panel
Programming the connection bracket of the monitor in each dwelling
The connection bracket of the monitor in each dwelling must be programmed from the entrance panel of the building. See the technical datasheet of the telephone/ connection bracket of the monitor.
BASIC INSTALLATION WITH SPLITTER. 2 RISES

Configuring the entrance panel
Configure the entrance panel as the main Panel:
Programming the telephones/connection &racket of the monitor in each dwelling
The telephone/connection bracket of the monitor in each dwelling must be programmed from the entrance panel of the building. See the technical datasheet of the telephone/ connection bracket of the monitor.
INSTAUATION WITH 2 POlNTS OF ENTRY

Configuring the entrance panel
Configure the entrance p0nel as the main Panel:
Programming the telephones/ connection bracket of the monitor in each dwelling
The telephone/connection bracket of the monitor in each dwelling must be programmed from the entrance panel of the building. See the lechnicol data sheet of the lelephone/ connection bracket of the monitor.
HOW TO CONNET THE AUDIO UNIT TO THE PUSHBUTTON PANEL


EXTENDING INSTALLTIONS

- Protective element: Place it on the terminals of the audio unit where you intend to connect the electric lock.


A With communication with the entrance panel –
B See configuration of the connection bracket of the monitor.
C On telephones with auxiliary pushbutton 2
RECOMMENDATIONS
- Some models of Rush-mounted boxes have one or more reinforcements for fitting it to the wall. In such cases, remove these parts.

- Fix the audio unit to the Rush-mounted box using the screws provided.

- Make the electrical connections. See the wiring diagrams

- When the connections have been made, decide which panel will be the main of the system panel from which the connection rackets telephones are programmed).

- Put the video unit in position and press finally to fix it to the pushbutton panel.

- Place the front module in the window of the Push button panel in such a way that the tabs of ‘this module (1) clip into the guides on the sides of the window (2}. Press firmly to fix the front module to the panel (3).

- Put the speaker-microphone module in position and press to fix it to the pushbutton panel.

- Fix the panel onto the hin9es of the Rush-mounted box. See the datasheet of the pushbutton entrance panel.

- Make the connections between the audio unit and the different elements of the panel (pushbuttons, speaker-microphone module, camera module, etc./. See “How to connect the audio unit to the pushbutton panel”,

- Programmed the connections brackets/telephones from the main entrance panel ( see the technical datasheet that comes with the connections bracket/telephone}.

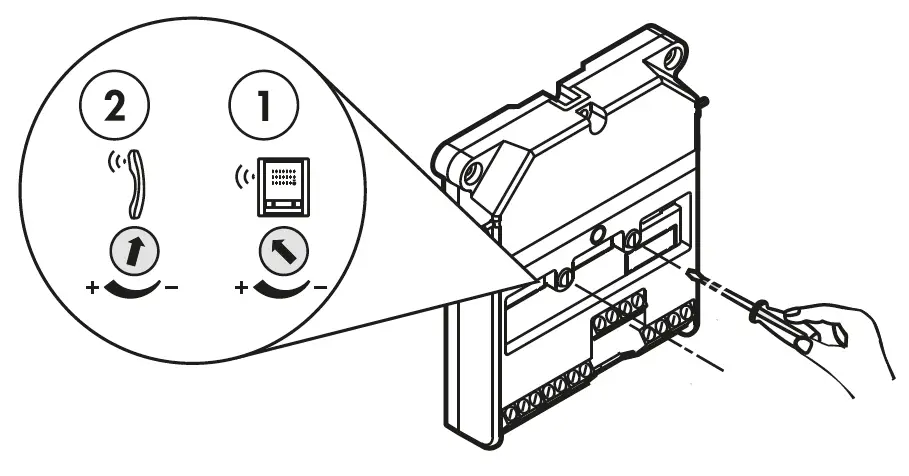
- Adjust the volume level on the entrance panel ( 1} and on the monitors/telephones {2}.

- Place the protective cover of the audio unit in position.

- Fix the panel to the Rush-mounded box. See the datasheet of the pushbutton entrance panel.

- If necessary, manually adjust the angle of the video unit until the desired orientation is “obtained. You con adjust the angle up lo 7 0° in all directions.
Note: You may, for greater convenience, perform this step after the entrance panel has been fixed in place. - Place the front module in the window of the Push button panel in such a way that the tabs of ‘this module ( 1) clip into the guides on the sides of the window (2/. Press firmly to fix the front module to the panel (3).















Note: You may, for greater convenience, perform this step after the entrance panel has been fixed in place.

















