
2-WIRE VIDEODOOR ENTRY SYSTEMS
DOOR-VIDEODOOR ENTRY SYSTEMS WITH KEYPAD UNIT
PAK-51010/PDK-51210
Door VideoDoor Entry Systems with Keypad Unit
2-WIRE VIDEODOOR ENTRY SYSTEM | 2-WIRE DOOR ENTRY SYSTEM |
ENTRANCE PANELS: INSIDE MODULES
ELEMENTS AND DIMENSIONS

Inside modules
| CODE | TYPE | 9610044 GRF-302 | 9770054 RVE-018 | 9770055 RVE-019 | 9650015 KPD-521 | 9640020 TCB-074 |
| 9800079 | PAK-51010 | • | • | • | • | |
| 9800195 | PDK-51210 | • | • | • | • | • |
9800079 PAK-51010
iBLACK entrance panel with 2-wire audio unit, TFT screen, electronic directory and keypad
9640020 TCB-074
Active View video unit for 2-wire system
9650015 KPD-521
TFT controller/keypad. 2-wire system
9800194 PDK-54210
iBLACK entrance panel with 2-wire audio unit, Active View video unit, TFT screen, electronic directory and keypad. For external entrance.
9610044 GRF-302
Audio unit, 2-wire system (does not include speaker and microphone module).
9770055 RVE-019
Speaker and microphone module. Keypad entrance panel.
9770054 RVE-018
Accessory to supply power to equipment. 2-wire system.
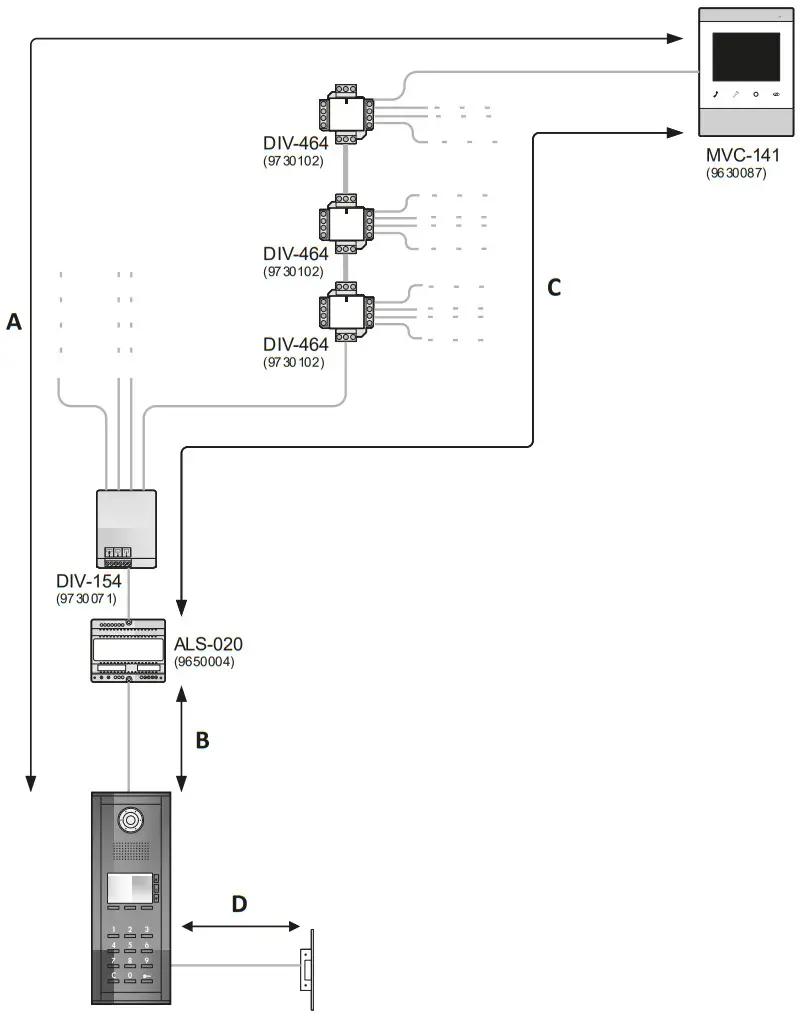
2-WIRE SYSTEM WITH KEYPAD UNIT
DESCRIPTION
- System for performing medium to large scale installations. Two available operating modes: basic or normal.
- This system makes it possible to manage installations with:
– Hp fo 2,000 dwellings (monitors/telephones|
– Up to 6 points of entry - Equipped with an electronic directory used to store helpful information, such as the names of residents or call codes.
- Up to 6 devices (monitors/telephones) per dwelling
- 2-wire connection, without connection polarity, both between panels and to the devices (monitors/telephones) in the dwellings.
- The programming of each connection bracket and/or telephone is performed from the main panel of the installation.
- Confidentiality feature
- Automatic switch-on feature with main panel (from telephone) or looped (from monitor).
- Electronic call. Different call tone in dwelling depending on origin off the call (i.e. whether from the main panel or another panel).
- Possibility of activating the electric lock directly om the entrance panel, by entering a pre-defined code (boor-opening function). It is possible to define a giterent code for each resident. A security system disables this option if an incorrect code has been entered a number of times consecutively.
- Similarly, it 1s also possible to configure the call tone, the number of times the call tone repeats, the time allowed for answering, the maximum conversation time, the number of digi in the code of each monitor/telephone and the activation time of the electric lock.
Note: The parameters are configured from the entrance panel (Configuring the entrance panel). A configuration menu is used to configure the entrance panel. This menu it is accessed from the keypad of the entrance panel itself.
OPERATION
MAKING A CALL TO A FLAT
T o make a call to a dwelling, key in its code on the keypad of the entrance panel. The code which is entered is shown at the top of the entrance panel screen. When it appears, press the OK key with the blue light.
Note: It is possible to make a call using the electronic directory. To do so, select “Search” on the main screen and navigate through the various options according to the chosen search criterion.

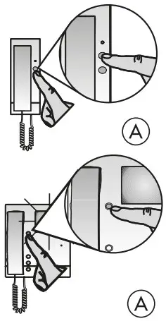
CTIVATING THE ELECTRIC LOCK FROM THE ENTRANCE PANEL
On the main screen, press the key marked
. The message “Door opening” will appear on the screen. Next, enter one of the door-opening codes previously configured. When the correct code is entered, the electric lock will be activated for the period of time which has been configured while a confirmation message will be shown simultaneously on the screen. If the code is wrong, the panel will show an error screen

THE LOOPED AUTO-SWITCH-ON FUNCTION. 2-WIRE VIDEO DOOR ENTRY SYSTEM
The auto-switch-on function makes it possible to see the image on the monitor, communicate with the entrance panel and open the door without having received a call.
In installations with several points of entry this function can be activated sequentially in the different entrance panels of the installation (looped auto-switch-on), by repeatedly pressing the auto-switch-on button. Thus (See picture below), when the auto-switch-on button is first pressed, @main entrance panel will be activated(P); then, as the button is pressed again and again, each of the secondary entrance panels of the building will be activated in turn (S1,S2,S3,S4,S5}, until eventually the loop is completed and the main entrance panel is activated once again.

For distances, number of devices, or types of cable different from those shown in the fables, additional elements may be necessary ( e. g. BUS voltage regenerators, signal amplifiers, etc.). Consult the manufacturer.

Ree of cable, total number of monitors and maximum distances
| CABLE TYPE | |||||
| MONITORS | CAB-307 1 mm² AWG: 17 | TCA-100 UTP CAT 6E | CAB-007 1 mm² AWG: 17 | CAB-004 0.5mm² AWG: 20 | 0.25mm² AWG: 22 |
| 8 | A:240m B:145m C:240m | A: 90m B:30m C: 60m | A: 115m B: 115m C:115m | A: 115m B: 70m C:115m | A:105m B:35m C:70m |
| 16 | A:235m B:140m C:200m | A: 75m B:30m C: 45m | A:110m B:110m C:110m | A:110m B:70m C:110m | A:85m B:35m C:50m |
| 24 | A:230m B:135m C:155m | A: 65m B:30m C: 35m | A:110m B:110m C:110m | A:110m B:65m C:75m | A: 70m B:30m C: 40m |
| 32 | A:230m B:135m C:130m | A: 55m B:30m C: 25m | A:110m B:110m C:110m | A: 110m B:65m C: 65m | A: 65m B:30m C: 35m |
| 40 | A:225m B:130m C:110m | A:50m B:25m C:25m | A:110m B:110m C:110m | A: 110m B:65m C: 55m | A: 60m B:30m C: 30m |
| 48 | A:225m B:125m C:100m | A:50m B:25m C:25m | A:110m B:110m C:95m | A:110m B:60m C:50m | A:55m B:30m C:25m |
| KEY | |
| A | Distance between panel and monitor farthest away |
| B | Distance between panel and power supply interface |
| C | Distance between power supply interface and monitor farthest away |
| D | Distance between panel and electric lock |
| CABLE TYPE | ||||
| ELECTRIC LOCK | CAB-307 1 mm² AWG: 17 | CAB-007 1 mm² AWG: 17 | CAB-004 0.5mm² AWG: 20 | 0.25mm² AWG: 22 |
| D: 25m | D: 25m | D: 25m | D: 20m | |
For distances, number of devices, or types of cable different from those shown in the tables, additional elements may be necessary ( e.g. BUS voltage regenerators, signal amplifiers, etc.). Consult the manufacturer.

Type of cable, total number of monitors and maximum distances
| KEY | |
| A | Distance between panel and monitor farthest away |
| B | Distance between panel and power supply interface |
| C | Distance between power supply interface and monitor farthest away |
| D | Distance between panel and electric lock |
| CABLE TYPE | |||||
| MONITORS | CAB-307 1 mm² AWG: 17 | TCA-100 UTP CAT 6E | CAB-007 1 mm² AWG: 17 | CAB-004 0.5mm² AWG: 20 | 0.25mm² AWG: 22 |
| 8 | A:165m B:145m C:165m | A:90m B:30m C:60m | A:90m B:90m C:90m | A:90m B:70m C:90m | A:90m B:35m C:65m |
| 16 | A:160m B:140m C:160m | A:75m B:30m C:45m | A:90m B:90m C:90m | A:90m B:70m C:90m | A:85m B:35m C:50m |
| 24 | A:160m B:135m C:155m | A:65m B:30m C:35m | A:85m B:85m C:85m | A:85m B:65m C:75m | A:70m B:30m C:40m |
| 32 | A:155m B:135m C:130m | A:55m B:30m C:25m | A:85m B:85m C:85m | A:85m B:65m C:65m | A:65m B:30m C:35m |
| 40 | A:155m B:130m C:110m | A:50m B:25m C:25m | A:85m B:85m C:85m | A:85m B:65m C:55m | A:60m B:30m C:30m |
| 48 | A:150m B:125m C:95m | A:50m B:25m C:25m | A:85m B:85m C:85m | A:85m B:60m C:50m | A:55m B:30m C:25m |
| CABLE TYPE | ||||
| ELECTRIC LOCK | CAB-307 1 mm² AWG: 17 | CAB-007 1 mm² AWG: 17 | CAB-004 0.5mm² AWG: 20 | 0.25mm² AWG: 22 |
| D:25m | D:25m | D:25m | D: 20m | |
BASIC INSTALLATION

See “ENTRANCE PANEL WITH KEYPAD CONFIGURATION INSTRUCTIONS”, page 18.
BASIC INSTALLATION WITH SPLITTER. 2 RISES

See “ENTRANCE PANEL WITH KEYPAD CONFIGURATION INSTRUCTIONS”, page 18.
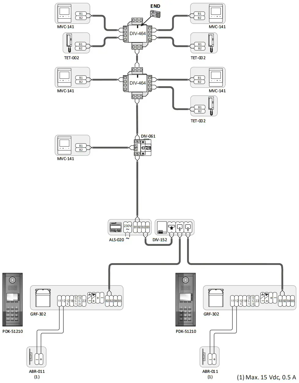
INSTALLATION WITH 2 POINTS OF ENTRY

See “ENTRANCE PANEL WITH KEYPAD CONFIGURATION INSTRUCTIONS”, page 18.
HOW TO CONNECT THE AUDIO UNIT TO THE KEYPAD PANEL
HOW TO CONNECT KPD-521, RVE-018

HOW TO CONNECT RVE-019

HOW TO CONNECT TCB-074

HOW TO CONNECT THE PANEL WITH DIRECTORY

PROGRAMMING INSTRUCTIONS
DESCRIPTION

The connection bracket/telephone must b e programmed from the main entrance panel of the system (See “Entrance panel with keypad configuration instructions”, page 18).
The programming code is stored in the connection bracket/telephone. If the connection bracket/telephone is replaced, remember to re-program it.
In installations where several devices (i.e. telephones or monitors) are associated to the same call line {in parallel), each device should be programmed separately but all should have the same code.
PROGRAMMING STEPS
If the device that you wish to programme is a telephone, begin at step 3. If it is a monitor, begin at step 1.
- In the case of a monitor: Connect the monitor cable strip in the connections bracket
- In the case of a monitor: For greater ease, you can lean the monitor against the connections bracket. To do so, fit the upper right-hand tab of the connections bracket into the central slot on the base of the monitor
- Connect the cord between the telephone/monitor base and the receiver. You will hear a continuous tone with the PROG switch in the ON position.
- Turn the PROG switch to the OFF position (4.1), the tone stops. Turn the switch back to the ON position (4.2).
- Press the lock release button. This will establish communication with the main entrance panel of the building. The telephone/monitor is ready to receive the code.
- From the main entrance panel, make a call to the dwelling where the felephone/ connections bracket to be programmed is installed. The screen of the entrance panel will show the device programming menu, enabling you to make the call either by using the electronic directory or by directly keying in the code of the dwelling. The panel emits a confirmation tone. The connection bracket/telephone has been programed.
- Once the receiver of the telephone/monitor has been hung up, the panel screen will show the message “Device programmed’ and will ask you if you wish to make a test call. Check the operation of the telephone/monitor (call, audio and door opening). If the monitor/telephone does not function correctly then repeat the process from Step 4.
Note: Maximum time limit of 1 minute between Steps 4 and 5 and between 5 and 6. The system warns by means of a series of beeps of the end of the time limit between Steps 5 and 6; repeat Step 5 to have another minute. If the time limit is exceeded the process must be repeated rom Step 4.
PROGRAMMING STEPS

EXTENDING INSTALLATIONS
| Electric lock | ||||
| Connection | Activation | |||
| Standard electric lock | Inverse electric lock | Power supply for AC electric lock | From the dwelling | External pushbuttons |
![]() | ![]() | ![]() | ![]() | ![]() |

| Activation of accessories (models APX-013, ASC-001, ASC-051, etc.) using auxiliary pushbuttons of the telephone/monitor | |||
| Aux. pushbuttons 1 | Aux. pushbuttons 2 | ||
| Connection | Activation | Connection | Activation |
![]() | ![]() | ||
A. With communication with the entrance panel
B. See configuration of the connection bracket of the monitor.
C. On telephones with auxiliary pushbutton 2
INSTALLING AND ADJUSTMENT INSTRUCTIONS
RECOMMENDATIONS
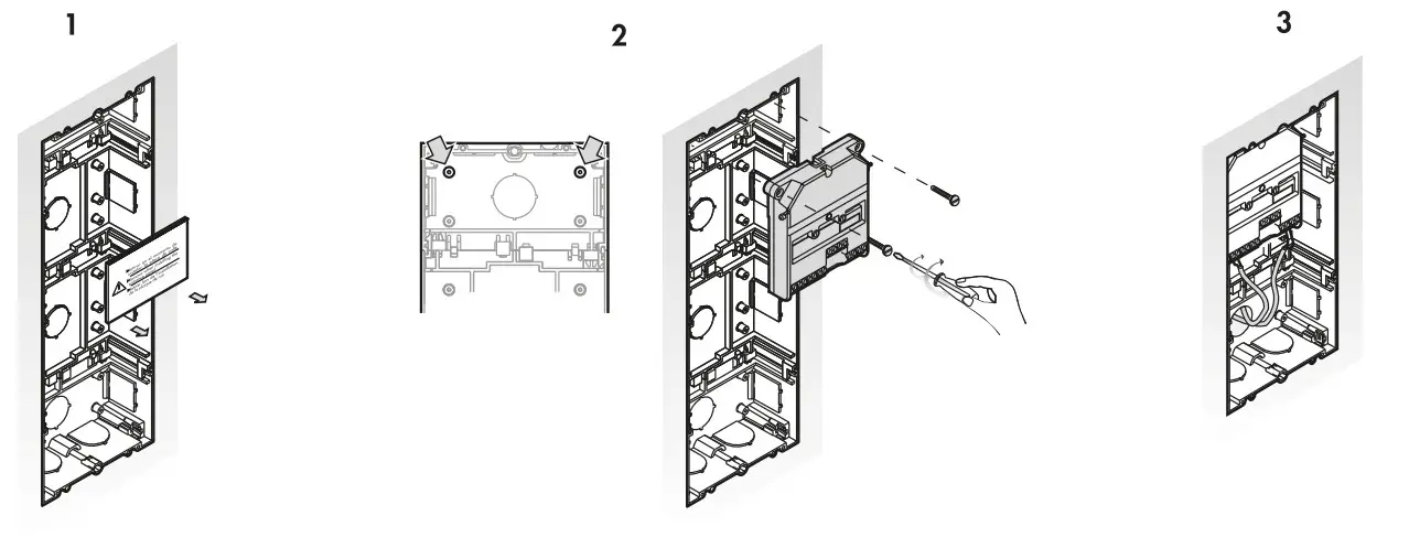
Before fixing the entrance panel to the pins of the flush-mounted box, put the audio unit in posi on and make the connections. It is much easier to make the connections in this way.
- Remove the reinforcement of the flush-mounted box.
- Fix the audio unit to the flush-mounted box using the screws provided.

- Make the electrical connections. See the wiring diagrams (pages 8 to 10).
- Remove the caps and the fixing pins from the flush-mounted box. Choose the two fixing pins you want to hinge the panel on to, so that it opens either to the right or to the left.

- The entrance panel is equipped with pivot points to hold the fixing axle in place on each of its sides (1). Attach the fixing axles you have removed to the corresponding pivot points (2 and 3). The unused pins should be placed in their slots

- Make the connections between the audio unit and the different elements of the panel (pushbuttons, speaker-microphone module, camera module, etc.). See “How to connect the audio unit to the keypad panel”, page 11.
- Fix the power supply accessory of the equipment to the flush-mounted box using the screws provided.

- Configure the entrance panel. See “Entrance panel with keypad configuration instructions”, page 18.
- Programme the connections brackets/telephones from the main entrance panel (See brackets/telephones instructions”. page 12).
- Adjust the volume level on the entrance panel (1) and on the monitors/telephones (2).

- Place the protective cover of the audio unit in position.
- Open the top and bottom front covers.
- Close the panel; press it against the flush-mounted box and attach it using the fixing screws.

- Close the top and bottom front covers.
ENTRANCE PANEL WITH KEYPAD CONFIGURATION INSTRUCTIONS
DESCRIPTION
The entrance panel with keyboard and electronic directory leaves the factory with the following characteristics:
- Ready to use:
– In a standard installation (building with a single entrance or access point)
– With pre-set operating characteristics (answering time, activation time of electric lock, etc.). See the factory default operating parameters in “Operating Parameters” on page 23. - Lets you program the telephones/connection brackets of the building with any number between 1 and 999.
- Lets the visitor make a call to a dwelling:
– By keying in the call code
– By selecting the name and surname of the resident-user of the dwelling in question (using “Search for resident”)
Note: This requires that the relevant information be entered previously in the entrance panel. See “Electronic Directory” on page 28. - So that it will be even easier for the visitor to make the call, the entrance panels show a number of options on screen
These on-screen options are displayed in a pre-set language and in a certain way (text mode).
To learn more about the default options, language and text mode, see “Visitor: screens” on page 24.
If the factory default characteristics are not suitable for your particular installation, you can reconfigure the entrance panel by using the installer menu. This menu is also used to enter the electronic directory.
The installer menu is accessed from the keypad of the entrance panel itself by keying in a MASTER code
The entrance panel leaves the factory with a MASTER code (factory default MASTER code} which allows you to open the menu. It is possible to change this MASTER code in the installer menu.
Note: In order to prevent unauthorised persons from accessing this menu, we recommend that you replace the factory default MASTER code with your own MASTER code. You can choose any number between 1 and 99999. See page 28.

STEPS FOR ACCESSING THE INSTALLER MENU
- With the main screen displayed on the screen, press the
keys simultaneously. The panel will emit a confirmation sound and show the ‘Enter code’ screen. - Key in the MASTER code. Press the OK key with the blue light to confirm.
If this is the first time that the installer menu has been accessed, enter the code ‘12345’ (Factory default MASTER code). Otherwise, key in the MASTER code that you have configured.
When the correct code has been entered, the panel will emit a beep and display the various options of the installer menu.
If the code is incorrect, an error message will appear on the screen.
Note: The maximum time allowed between step 1 and step 2 is 30 seconds. Once this period has elaspsed, you must begin again at step I. - The different options are shown in the default language. In order to change the language: select
Configuration” (3.1). Next, select “Default Language” (3.2). In the list of languages that is displayed, select the language you wish to use (3.3). Confirm that you want to change the language (3.4). - To learn more about modifying factory defaults, see “Configuration of the entrance panel according to the installation” on page 21.
To find out how to generate the electronic directory, see “Electronic Directory” on page 28.
STEPS FOR ACCESSING THE INSTALLER MENU

CONFIGURATION OF THE ENTRANCE PANEL
TYPE OF INSTALLATION AND RANGE OF PROGRAMMING CODES OF TELEPHONES/ CONNECTION BRACKETS
If you wish to assign a number between 1 and 9999 to the telephones/connection brackets, or if the panel is going to be working in an installation which is not standard, you will have to reconfigure the entrance panel before programming these devices. See “Configuration of the entrance panel according to the installation”.
OPERATING PARAMETERS
These parameters can be adapted at any time, before or after programming the equipment. See page 23.
VISITOR: SCREENS
Modify the factory default screen options on page 24.
ENABLE ADMINISTRATOR MENU
Enable a menu which makes it possible for a third party (the administrator) to perform small modifications in the electronic directory. See page 32.
CHANGE THE MASTER CODE.
See page 28.
CONFIGURATION OF THE ENTRANCE PANEL ACCORDING THE INSTALLATION
A. BASIC INSTALLATION

INSTALLATION PARAMETERS
| Description | Default value | Value to be chosen | Change the value in… |
| Location | BUILDING | BUILDING | ![]() |
| Type of panel | MAIN | MAIN | |
| Panel number | 1 | 1 | |
| Range of codes | 3(1) | 3,4(1) |
1) Range of values for codes of the connection brackets/telephones: ‘3’ – numbers from 1 to 999. ‘4’ – numbers from 1 to 9999
B. INSTALATION WITH SEVERAL POINTS OF ENTRY

Note: Determine the main entrance panel; panel from which the monitors/telephones will be programmed.
INSTALLATION PARAMETERS
CONFIGURATION OF THE MAIN ENTRANCE PANEL (P)
| Description | Default value | Value to be chosen | Change the value in… |
| Location | BUILDING | BUILDING | ![]() |
| Type of panel | MAIN | MAIN | |
| Panel number | 1 | 1 | |
| Range of codes | 3 (1) | 3,4(1) |
CONFIGURATION OF THE SECONDARY ENTRANCE PANEL (S)
| Description | Default value | Value to be chosen | Change the value in… |
| Location | BUILDING | BUILDING | ![]() |
| Type of panel | MAIN | SECONDARY | |
| Panel number | 1 | 1- 9(2) | |
| Range of codes | 3 (1) | 3,4(1) |
(1) Range of values for codes of the connection brackets/telephones: ‘3’ – numbers from 1 to 999. ‘4’ – numbers from 1 to 9999
(2) Assign a different number to each secondary entrance panel
OPERATING PARAMETERS
| Description | Default value | Change the value in… |
| Call settings | 3 | ![]() |
| Repetitions of the coil tone | ||
| Maximum conversation time (seconds) | 60 | |
| Answering time (seconds) | 30 | |
| Activation of electric lock | 3 | ![]() |
| From dwelling (seconds) | ||
| From external pushbutton (seconds) | 3 | |
| Voice synthesizer | No | |
| Auxiliary pushbuttons | 3 | ![]() |
| Activation time of electric lock (seconds) | ||
| Description | Not available | |
| Activation time of electric lock (seconds) | 3 | ![]() |
| Description Description Description | Not available | |
| Activation time of electric lock (seconds) | 3 | ![]() |
| Description | Not available | |
| Door open sensor | 2 (1) | ![]() |
| Detection time of door-open signal (Main entrance panel) | ||
| Door opening function | No | ![]() |
| Number of foiled attempts allowed | 3 | |
| Length of time function remains blocked (minutes) | 5 | |
| Number of digits | 5 | |
| Door opening code | 10101 | |
| Pressing keys on the keypad | 15 | ![]() |
| Activation time of relay 2 (seconds) |
(1) This requires the use of a mechanical device(The electric Lock) with mechanical indication of the status of the door and specific accessory.
VISITOR: SCREENS
SCREEN FLOW

CONFIGURATION OF THE SCREENS
(A) PRESENTATION OF TEXTS ON SCREEN
| Description | Default value |
|
| Operating mode: Basic, for basic features or Normal, for advanced features. | Basic | ![]() |
| Default language: Language in which the on-screen texts are displayed. | English | ![]() |
| Text mode: Mode in which the texts are displayed on screen. Mode 1 – ABC type Mode 2 – Abc type | Mode 1 | ![]() |
(B) “INITIAL MESSAGE” SCREEN
DESCRIPTION
Possibility, with the system in stand-by mode, of displaying an informative text on the screen. This text will be shown on screen, alternating with the initial help screen.

STEPS FOR ENTERING THE INFORMATION TEXT (INITIAL MESAGGE)
- Open the installer menu. See page 19.
- Select
Initial message’ - Select ‘Edit initial message
’ - Edit the text (4.1). When you have finished, press
(4.2). You can preview the edited text by selecting “Preview message”

(C) MAIN SCREEN
Basic operating mode
Shows electronic directory (see on page 28)
Normal operating mode
Default value

Shows help screen
Shows the call options (see page 27)
Normal operating mode
Configuration options

Language-language
Direct call 1
Direct call 2
| Description | Enable the option in… |
| Language-language | ![]() |
Note: When the visitor has finished using the system, it automatically returns to the default language. | |
| Direct calls | ![]() Note: |
| It is possible to define two users (Direct call 1 and direct call 2) whom the visitor can call directly from she initial screen. This feature can be useful in the case of commercial premises, installations with concierge unit, etc.
|
(D) CALL OPTIONS SCREEN
Default value

| Description | Disable the option in… |
| Search for resident | ![]() |
| Searches (by last name and name) for the resident whom the visitor wishes to call. Note: This requires that information corresponding to the different residents be entered (see ‘Electronic directory’ on page 28) |
Configuration options

| Description | Enable the option in… |
| Search for dwelling | ![]() |
Note: This feature requires entering the relevant information about the dwelling: building, flat/floor, door/side, etc. (see ‘Electronic directory’ on page 28). | |
| Call by code | ![]() |
Possibility of calling a dwelling by keying in the code of your choice. |
CHANGE THE MASTER CODE
- Open the installer menu. See page 19.
- Select
Configuration’ - Select System’
- Select ‘MASTER code’
ELECTRONIC DIRECTORY
DESCRIPTION

The directory presents a list of the residents or users of the installation. Its aim is to make it possible for a visitor, in the event that he does not know the code to enter to make a call to a dwelling, to find the desired resident/user either by his surname and first name. In the basic operating mode (see page 24) the entrance panel shows only the directory, while in the normal operating mode it is shown when it is selected the option ″
Find last name” or the option
Search dwelling’.
In order to do this, it is necessary for this information to be entered so that it is stored in the entrance panel.
The electronic directory is stored in the TFT-controller device in the entrance panel, model KPD-521. If this device is replaced, do not forget to enter the electronic directory in the new one.

STEPS FOR GENERATING THE ELECTRONIC DIRECTORY
- Use the purpose-made ALCAD software to create the electronic directory on a PC.
- Transfer the modified file to the root folder of the USB memory stick.
- Plug the USB memory stick into the USB connector of the entrance panel. This connector is located in the rear part of the panel.
- Open the installer menu. See page 19.
- Select ‘
Import/Export’ - Select ‘
USB! - Select “
Electronic directory’ - Select
Import’. After a few moments, the screen will show the contents of the USB memory stick (files, folders). - Use the
and
keys to select the file corresponding to the electronic directory.

STEPS FOR MODIFYING THE ELECTRONIC DIRECTORY FROM THE ENTRANCE PANEL
A. STEPS FOR MODIFYING THE ELECTRONIC DIRECTORY ON A PC

- Plug the USB memory stick into the USB connector of the entrance panel. This connector is located in the rear part of the panel.
- Open the installer menu. See page 19.
- Select ‘
Import/Export’ - Select ‘
USB’ - Select ′
Electronic Directory’ - Select
Export’. - Give a name to the file (7.1) and press
(7.2). The file will be copied to the root directory of the USB memory stick. - Remove the USB memory stick. Transfer the file to a PC and modify the information contained in the electronic directory using the purpose-made ALCAD software.
- Transfer the modified file to the USB memory stick and import it once again info the entrance panel, See page 29.
STEPS FOR MODIFYING THE ELECTRONIC DIRECTORY ON A PC
B. STEPS FOR MODIFYING THE ELECTRONIC DIRECTORY FROM THE ENTRANCE PANEL ![]()
- Open the installer menu. See page 19.
- Select ‘
Electronic directory’ - Work your way through the options until you reach the field whose information you wish to modify.

DESCRIPTION
From the administrator menu, you can only access and modify the following information: name, surname and door-opening code of all residents. The entrance panel leaves the factory with a pre-set ADMINISTRATOR code (factory default ADMINISTRATOR code) which allows you to access this menu, provided that you have enabled this option from the installer menu. It is possible to change the ADMINISTRATOR code from within the installer menu or the administrator menu itself.
Note: In order to prevent unauthorised persons from accessing this menu, we recommend that you replace the factory default ADMINISTRATOR code with your own ADMINISTRATOR code. You can choose any number between 1 and 99999.
| Description | Default value | Change the value in… |
| Enable menu | NO | ![]() |
| ADMINISTRATOR code | 23456 |
STEPS FOR ACCESSING THE ADMINISTRATOR MENU
- With the main screen displayed on the screen, press the right and left lower keys
simultaneously. The panel will emit a confirmation sound and show the ‘Enter code’ screen. - Key in the ADMINISTRATOR code. Press the key with the blue light to confirm.
If you do not know the ADMINISTRATOR code, kindly consult your installer.
When the correct code has been entered, the panel will emit a beep and display the various options of the administrator menu. If the code is incorrect, an error message will appear on the screen.
Note: The maximum time allowed between step 1 and step 2 is 30 seconds. Once this period has elaspsed, you must begin again at step 1. - Select
Edit residents’ to access the options that will allow you to find the resident-user whose information you wish to modify
Note: By default, the different options are shown in the language pre-set by the installer. To change the language, please consult youripycliferwinc 
TECHNICAL CHARACTERISTICS
Note: Reference values are provided only to enable the checking of equipment and are reliable. Do not use the terminals of the equipment to feed additional devices without first consulting the manufacturer.
AUDIO UNIT GRF-302
| POWER SUPPLY | Voltage | 12.5 – 18 V |
| Current | 350 mA (max) |
Operating temperature – 10 .. +55°C
NORMAL VOLTAGES DEPENDING ON THE STATE OF THE EQUIPMENT
| TERMINALS | INACTIVE | AT REST | WORKING |
| +1- | 12.5 – 18 V | ||
| B3, B2 | 12.5 – 18 V | ||
| B5, B4 | 12.5 – 18 V= | ||
| 22,18 | 3.3 V | OV | |
| SC1,18 | OV | 4,5 V | |
| SCO, 18 | 0 V | 4,5 V | |
| 12,11 | OV | 12.5 – 18 V | |
| 12c,11 | 12.5 – 18 V | OV | |
Operating temperature – 10 .. +55°C
1. Values are valid provided that no special power supply is used for the electric lock.
SPEAKER AND MICROPHONE MODULE RVE-019
Operating temperature – 10 .. +55°C
ACCESSORY TO SUPPLY POWER TO EQUIPMENT RVE-018
Operating temperature – 10 .. +55°C
VIDEO UNIT TCB-074
| TCB-074 | ||
| SENSOR | 1 /3″ WDR CMOS Active View | |
| LIGHTING | White leds | |
| VIEW ANGLE | H | 60° |
| V | 45° | |
| ORIENTATION | ||
Operating temperature – 10 .. +55°C
TFT CONTROLLER/KEYPAD KPD-521
| POWER SUPPLY | Voltage | 12.5 – 18 V= |
| Current | 200 mA (max) |
Operating temperature – 10 .. +55°C
TROUBLE SHOOTING
To program the connection brackets/telephones, make sure that you are doing so in the main entrance panel of the building (See “Entrance panel with keypad configuration instructions”, page 18) and that only one panel has been defined as the main panel of this building. Check that you have communication with the main entrance panel, before pressing the pushbutton you wish to associate to the connection bracket/telephone. Bear in mind that the entrance panel emits confirmation tones when the connections bracket or telephone has received the code (if the equipment is programmed) and shows the message “Equipment programmed” on the screen. (i.e. when the equipment is programmed). If you are unable to program the connection brackets/telephones: Check the connection between the audio unit and the TFT-Keypad controller.
Nothing works
Check whether the LED of the power supply unit interface is unlit. With LED unlit: a) check the mains voltage, b) disconnect terminals B3, B2 and Bl, B2 of the power supply unit interface and check the voltage in the terminals. If no voltage is detected in these terminals, the power supply unit interface may be defective. If a voltage is detected, check that there is no short circuit in the connections B3, B2 or B 1, B2 between the devices of the installation.
With LED lit: check the voltage between terminals B3, B2 and Bl, B2. Disconnect terminals B3, B2 and Bl, B2 of the power supply unit interface and re-check the voltage in the terminals. If no fault is detected, the power supply unit interface or the audio unit may be defective.
The entrance panel does not emit any sound when a call is made
Check whether the call rings on the monitors/telephones; if it does, see the following paragraph. Check connection B3, B2 of the entrance panel to the power supply unit interface. Check the connection between the audio unit and the TFT-Keypad controller. If no fault is detected, the audio unit may be defective.
The call rings on the monitors/telephones but the entrance panel does not emit any sound when a call is made
Check connection 30 between the speaker-microphone module and the audio unit. Check the adjustment of the volume control in the entrance panel. If no fault is detected, the audio unit may be defective.
The call does not ring on a monitor/telephone
If the entrance panel shows the message “Impossible to make the call”, see the next paragraph. If the entrance panel shows the message ‘Calling… 1c check that the call volume control switch on the monitor/telephone is not in the lowest position W. If no fault is detected, the monitor/telephone or the pushbutton of the panel may be defective.
The entrance panel shows the message “Impossible to make the call” and emits beeping tones when a call is attempted.
If the problem occurs with all the monitors/telephones, check the connection B1 , B2 of the power supply unit interface to the monitors/telephones. If the call has not rung on the monitor/telephone and if the problem occurs from all the entrance panels of the installation, make sure that the connection bracket/telephone has been programmed and that the receiver of the monitor/telephone has been hung up. Check that the programming switch of the connection bracket/telephone is set to the ON position. Re-check connection B3, B2 of the audio unit to the power supply unit interface and connection Bl , B2 of the power supply unit interface to the monitors/telephones. If no fault is detected, the connection bracket/telephone or other equipment of the installation may be defective. if the problem occurs from only one of the entrance panels of the installation, check the connection of this panel with the other panels. If no fault is detected, the audio unit of this panel may be defective.
No monitor/telephone can be heard at the entrance panel
Check connection 30 between the speaker-microphone module and the audio unit. Check the setting of the volume control in the audio unit. If no fault is detected, the speaker-microphone module may be defective.
One monitor/telephone cannot be heard at the entrance panel
Check the connections of the cable between the receiver and the base of the monitor/telephone. Check the hang-up pushbutton on the base of the monitor/telephone. If no fault is detected, the monitor/telephone may be defective.
The entrance panel cannot be heard on any telephone
Check connection 30 between the speaker-microphone module and the audio unit. Check the setting of the volume control in the audio unit. If no fault is detected, the speaker-microphone module may be defective.
The entrance panel cannot be heard on one telephone
Check the connections of the cable between the receiver and the base of the monitor/telephone. Check the hang-up pushbutton on the base of the monitor/telephone. If no fault is detected, the monitor/telephone may be defective.
Feedback is produced on all the telephones
Check the volume controls in the audio unit. If no fault is detected, the speaker-microphone module may be defective.
The electric lock does not work
In the audio unit, disconnect the wires of terminals 11, 12 or 11, 12c, as applicable to your case. Check the voltage between these terminals, making a bridge between terminals 22 and 18. If there is no voltage or if the voltage is lower than that specified, the audio unit may be defective. If the voltage is correct, check the connections of the electric lock. If no fault is detected, the electric lock may be defective.
In an installation with several points of entry, making a call from one of the panels does not disable the other panels of the system
Check connections B3, B2 between the different panels of the system. If no fault is detected, the audio unit may be defective.
The video system does not work on any monitor: automatic switch-on and normal screen switch-on do not work when a call is received
Check connection 39 between the camera and the audio unit. In colour systems, check that when a call is made, the LEDs of the camera light up. If no fault is detected, the camera or the audio unit may be defective.
The video system does not work on one monitor: automatic switch-on and normal screen switch-on do not work when a call is received
Check that the video ON/OFF switch on the monitor is set to the ON position. Check that the red LED on the monitor is lit up. Check the connection between the monitor and the connection bracket. If there are several monitors in the same dwelling, see “Installation of several monitors in the same dwelling”. If no fault is detected, the monitor may be defective.
Automatic switch-on does not work on any monitor/telephone
Check that the system is not engaged. Check that only one entrance panel has been defined as the main panel of the building (See “Entrance panel with keypad configuration instructions”, page 18). If there are several points of entry, check that the secondary panels have been numbered consecutively from I to 5 (See “Entrance panel with keypad configuration instructions”, page 18). If no fault is detected, the audio unit may be defective.
Automatic switch-on does not work on one monitor/telephone
Check that the system is not engaged. If no fault is detected, the connection bracket or the monitor may be defective.
ALCAD Electronics, S.L.
Tel. (+34) 943 63 96 60
[email protected]
Pol. Ind. Arreche-Ugalde,1
Apdo. 455 20305 IRUN – Spain
www.alcadelectronics.com
FRANCE – Hendaye
Tel. + 34 – 943 63 96 60
CZECH REPUBLIC – Ostrovacice
Tel. +420 546 427 059
UNITED ARAB EMIRATES – Dubai
Tel. +971 4 214 61 40
TURKEY – Istambul
Tel. +90 216 380 93 17![]()
ISO 9001
UNE-EN ISO 9001
Cod. 9800195A – Rev.01
2-WIRE VIDEODOOR ENTRY SYSTEM
2-WIRE DOOR ENTRY SYSTEM












Change the value in…
Change the value in…
Change the value in…
Change the value in…







Change the value in…


Enable the option in…





Change the value in…

















