ATLAS AT306006842 Inverter Supply

Cabinet installation operation manual
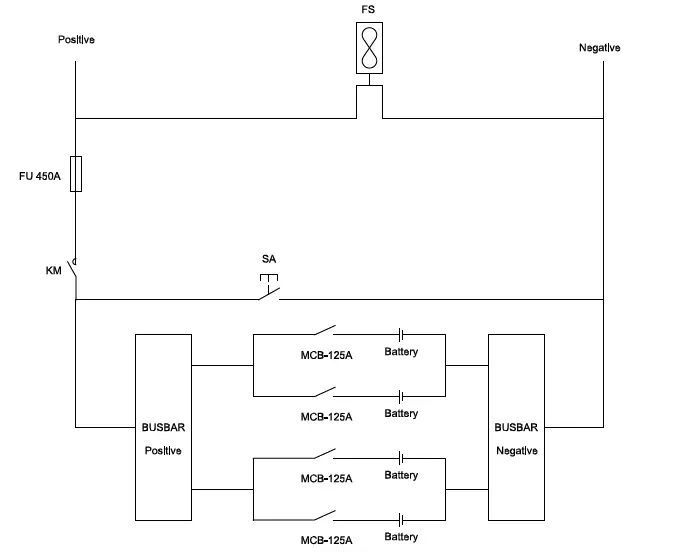
- System wiring diagram

- The installation guide

- Lock the tray to the rack of the cabinet from bottom to top. When installing multiple batteries, the installation tray ensures accurate installation of each battery. (Leave some gaps between each battery layer to facilitate heat dissipation)
- Place the battery on the tray with a forklift or other tools.
- Tighten the nut to the empty position of the battery installation port.
- Fasten the battery with screws. (It doesn’t matter if the holes in the battery aren’t damaged. The main function of the screw here is to avoid displacement of the chassis. At least ensure that there is one screw on the left and one screw on the right)
- Install the power module.
- After installation Assemble the power cables according to the wiring diagram. (MCB is disconnected)
- Install the RS485 parallel communication cable.
- Compile the physical address according to the DIP switch in the Cabinet Mounted Household Energy Storage Series User Manual.
- Install the Key Switches on the Cabinet Door.
- Connect the positive and negative wires of the key switch to the positive signal pole on the DC contactor and the negative bus bar.
- Install the positive and negative poles of the fan onto the positive and negative bus bars.

http://www.atlaspowersolutions.com1-435-233-6115





















