
TM4ES4 / TM4PDPS1
www.se.com

TM4ES4 Module Network Ethernet Switchs
DANGER
HAZARD OF ELECTRIC SHOCK, EXPLOSION OR ARC FLASH
- Disconnect all power from all equipment including connected devices prior to removing any covers or doors, or installing or removing any accessories, hardware, cables, or wires except under the specific conditions specified in the appropriate hardware guide for this equipment.
- Always use a properly rated voltage sensing device to confirm the power is off where and when indicated.
- Replace and secure all covers, accessories, hardware, cables, and wires and confirm that a proper ground connection exists before applying power to the unit.
- Use only the specified voltage when operating this equipment and any associated products.
Failure to follow these instructions will result in death or serious injury.
DANGER
POTENTIAL FOR EXPLOSION
- Only use this equipment in non-hazardous locations, or in locations that comply with Class I, Division 2, Groups A, B, C and D.
- Do not substitute components which would impair compliance to Class I Division 2.
- Do not connect or disconnect equipment unless power has been removed or the area is known to be non-hazardous.
Failure to follow these instructions will result in death or serious injury.
Electrical equipment should be installed, operated, serviced, and maintained only by qualified personnel.
No responsibility is assumed by Schneider Electric for any consequences arising out of the use of this material.

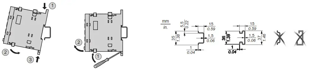
| 1 – Status LEDs 2 – Locking device 3 – Expansion connector 4 – 4 Ethernet ports | 5 – Profibus DP port 6 – Functional ground screw 7 – Clip-on lock for 35-mm (1.38 in.) top hat section rail (DIN rail) 8 – Screwing plate |
Mounting

Panel

WARNING
UNINTENDED EQUIPMENT OPERATION
- Use appropriate safety interlocks where personnel and/or equipment hazards exist.
- Install and operate this equipment in an enclosure appropriately rated for its intended environment and secured by a keyed or tooled locking mechanism.
- Power line and output circuits must be wired and fused in compliance with local and national regulatory requirements for the rated current and voltage of the particular equipment.
- Do not use this equipment in safety-critical machine functions unless the equipment is otherwise designated as functional safety equipment and conforming to applicable regulations and standards.
- Do not disassemble, repair, or modify this equipment.
- Do not connect any wiring to reserved, unused connections, or to connections designated as No Connection (N.C.).
Failure to follow these instructions can result in death, serious injury, or equipment damage.



WARNING
UNINTENDED EQUIPMENT OPERATION
Do not connect wires to unused terminals and/or terminals indicated as “No Connection (N.C.)”.
Failure to follow these instructions can result in death, serious injury, or equipment damage.
| Part Name | Hazardous Substances | |||||
| (Pb) | (Hg) | (Cd) | (Cr (VI)) | (PBB) | (PBDE) | |
| Metal parts | O | O | O | O | O | O |
| Plastic parts | O | O | O | O | O | O |
| Electronic | X | O | O | O | O | O |
| Contacts | O | O | O | O | O | O |
| Cables & cabling accessories | O | O | O | O | O | O |
This table is made according to SJ/T 11364.
O: Indicates that the concentration of hazardous substance in all of the homogeneous materials for this part is below the limit as stipulated in GB/T 26572.
X: Indicates that concentration of hazardous substance in at least one of the homogeneous materials used for this part is above the limit as stipulated in GB/T 26572.
UK Representative
Schneider Electric Limited Stafford Park 5 Telford, TF3 3BL United Kingdom
EAV47886 05
01 – 2022



















