OWNER’S MANUAL
Self-Priming Horizontal
Three and Four Stage Pumps
__________________________________
BERKELEY®

SSHM-2
Installation/Operation/Parts
For further operating, installation, or maintenance assistance:
Call 1-888-782-7483
293 WRIGHT STREET, DELAVAN, WI 53115 WWW.BERKELEYPUMPS.COM
PH: 888-782-7483
© 2013 Pentair, Ltd. All Rights Reserved. BE682 (Rev. 02/25/13)
Safety
Important Safety Instructions
SAVE THESE INSTRUCTIONS – This manual contains important instructions that should be followed during installation, operation, and maintenance of the product. Save this manual for future reference.
This is the safety alert symbol. When you see this symbol on your pump or in this manual, look for one of the following signal words and be alert to the potential for personal injury!
indicates a hazard which, if not avoided, will result in death or serious injury.
indicates a hazard which, if not avoided, could result in death or serious injury.
indicates a hazard which, if not avoided, could result in minor or moderate injury.
NOTICE addresses practices not related to personal injury.
Carefully read and follow all safety instructions in this manual and on pump.
Keep safety labels in good condition.
Replace missing or damaged safety labels.
Electrical Safety
Hazardous voltage. Follow these rules to avoid potential harm:
- Wire motor for correct voltage. See “Electrical” section of this manual and motor nameplate.
- Ground motor before connecting to power supply.
- Meet National Electrical Code, Canadian Electrical Code, and local codes for all wiring.
- Follow wiring instructions in this manual when connecting motor to power lines.
- Make workshops childproof; use padlocks and master switches; remove starter keys.
Risk of burns. Do not touch an operating motor. Motors can operate at high temperatures. To avoid burns when servicing pump, allow it to cool for 20 minutes after shut-down before handling.
California Proposition 65 Warning
This product and related accessories contain chemicals known to the State of California to cause cancer, birth defects or other reproductive harm.
![]() |
|
| Hazardous voltage. Can shock, burn, or cause death.Ground pump before connecting to power supply. |
![]() |
|
| Hazardous pressure! Do not run pump against closed discharge.Release all pressure on system before working on any component. |
General Safety
To avoid heat built-up in pump, over pressure hazard and possible injury, do not use in a pressure tank (domestic water) system. Do not use as a booster pump; pressurized suction may cause pump body to explode.
Do not allow pump or piping system to freeze. Freezing can damage pump and pipe, may lead to injury from equipment failure and will void warranty.
Pump water only with this pump.
Periodically inspect pump and system components.
Wear safety glasses at all times when working on pumps.
Keep work area clean, uncluttered and properly lighted; store properly all unused tools and equipment.
Keep visitors at a safe distance from the work areas.
Maximum inlet pressure . . . . . . . . . . . . . . . . . . . . . . . . . . 30 psi
Maximum operating pressure . . . . . . . . . . . . . . . . . . . . . . 130 psi
Maximum liquid temperature . . . . . . . . . . . . . . . . . . . . . . 120° F
Maximum motor starts per hour . . . . . . . . . . . . . . . . .. . . 15
Warranty
Limited Warranty
BERKELEY warrants to the original consumer purchaser (“Purchaser” or “You”) of the products listed below, that they will be free from defects in material and workmanship for the Warranty Period shown below.
| Product | Warranty Period |
| Water Systems: | |
| Water Systems Products — jet pumps, small centrifugal pumps, submersible pumps and related accessories | whichever occurs first: 12 months from date of original installation, or 18 months from date of manufacture |
| Pro-Source™ Composite Tanks | 5 years from date of original installation |
| Pro-Source™ Steel Pressure Tanks | 5 years from date of original installation |
| Pro-Source™ Epoxy-Lined Tanks | 3 years from date of original installation |
| Sump/Sewage/Effluent Products | 12 months from date of original installation, or 18 months from date of manufacture |
| Agricultural/Commercial: | |
| Centrifugals – close-coupled motor drive, frame mount, SAE mount, engine drive, VMS, SSCX, SSHM, solids handling, submersible solids handling | 12 months from date of original installation, or 24 months from date of manufacture |
| Submersible Turbines, 6” diameter and larger | 12 months from date of original installation, or 24 months from date of manufacture |
Our limited warranty will not apply to any product that, in our sole judgement, has been subject to negligence, misapplication, improper installation, or improper maintenance. Without limiting the foregoing, operating a three phase motor with single phase power through a phase converter will void the warranty. Note also that three phase motors must be protected by three-leg, ambient compensated, extra-quick trip overload relays of the recommended size or the warranty is void.
Your only remedy, and BERKELEY’s only duty, is that BERKELEY repair or replace defective products (at BERKELEY’s choice). You must pay all labor and shipping charges associated with this warranty and must request warranty service through the installing dealer as soon as a problem is discovered. No request for service will be accepted if received after the Warranty Period has expired. This warranty is not transferable.
BERKELEY SHALL NOT BE LIABLE FOR ANY CONSEQUENTIAL, INCIDENTAL, OR CONTINGENT DAMAGES WHATSOEVER.
THE FOREGOING LIMITED WARRANTIES ARE EXCLUSIVE AND IN LIEU OF ALL OTHER EXPRESS AND IMPLIED WARRANTIES, INCLUDING BUT NOT LIMITED TO IMPLIED WARRANTIES OF MERCHANTABILITY AND FITNESS FOR A PARTICULAR PURPOSE. THE FOREGOING LIMITED WARRANTIES SHALL NOT EXTEND BEYOND THE DURATION PROVIDED HEREIN.
Some states do not allow the exclusion or limitation of incidental or consequential damages or limitations on the duration of an implied warranty, so the above limitations or exclusions may not apply to You. This warranty gives You specific legal rights and You may also have other rights which vary from state to state.
This Limited Warranty is effective June 1, 2011 and replaces all undated warranties and warranties dated before June 1, 2011.
In the U.S.: BERKELEY, 293 Wright St., Delavan, WI 53115
In Canada: 269 Trillium Dr., Kitchener, Ontario N2G 4W5
Installation
Dirt and Scale Plug Pump and Pipes!

Use New Pipe for Best Results.

Figure 1 – No Dirt or Scale in Suction Pipe
- Pump Body
- Clean Flow!
- From Well
Before you install your pump
NOTICE: Well must not be more than 20′ depth to water.
- Long runs and many fittings increase friction and reduce flow. Locate pump as close to well as possible: use as few elbows and fittings as possible.
- Be sure well is clear of sand. Sand will plug the pump and void the warranty.
- Protect pump and all piping from freezing. Freezing will split pipe, damage pump and void the warranty. Check locally for frost protection requirements (usually pipe must be 12″ below frost line and pump must be insulated).
- Be sure all pipes and foot valve are clean and in good shape.
- No air pockets in suction pipe.
- No leaks in suction pipe. Use PTFE pipe thread sealant tape to seal pipe joints.
- Unions installed near pump and well will aid in servicing. Leave room to use wrenches.
Risk of explosion. Pump body may explode if used as a booster pump. DO NOT use in a booster application.
NOTICE: Use the installation method which matches your well type.- Install a check valve in the pump suction port. Be sure that the flow arrow points toward the pump. Failure to install a check valve on the inlet side of the pump may allow the pump body to drain between pump cycles, causing dry running, seal or internal failure, and voiding the warranty.

Figure 2 – Foot Valve Must Work Freely

- No Sags
- Sags Allow Air Pockets
If Air Pockets Form, Water Won’t Flow.
Keep Pipe Straight and Angled up to Pump.

Figure 3 – No Air Pockets in Suction Pipe
Use PTFE pipe thread sealant tape or pipe joint compound approved for use on PVC.


Figure 4 – Suction Pipe Must Not Leak
- No air leaks In Suction pipe.
- If air flows water won’t
- Use PTFE tape

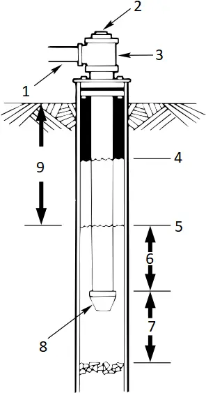
Figure 5 – Cased/Dug Well Installation
- Suction pipe
- Priming plug
- Priming tee
- Standing water level (pump off)
- Drawdown water level (pump on)
- 10-20′ (3-6 m)
- At least 5 feet (1.5 m)
- Foot Valve
- 20′ (6 m) max.

Figure 6 – Driven Point Installation
- Check valve
- Steel drive pipe
- Drive coupling
- Driven point

Figure 7 – Multiple Discharge
- Priming Plug
- Gate Valve
- To Service
- Check Valve
Cased Well Installation
- Inspect foot valve to be sure it works freely. Inspect strainer to be sure it is clean.
- Connect foot valve and strainer to the first length of suction pipe and lower pipe into well. Add sections of pipe as needed, using PTFE tape on male threads. Be sure that all suction pipe is leakproof or pump will lose prime and fail to pump. Install foot valve 10 to 20 feet below the lowest level to which water will drop while pump is operating (pumping water level). Your well driller can furnish this information.
- To prevent sand and sediment from entering the pumping system, the foot valve/strainer should be at least 5 feet above the bottom of the well.
- When the proper depth is reached, install a sanitary well seal over the pipe and in the well casing. Tighten the bolts to seal the casing.
- When using a foot valve, a priming tee and plug as shown in Figure 5 are recommended.
Dug Well Installation
Same as cased well installation.
Driven Point Installation
- Connect the suction pipe to the drive point as illustrated in Figure 6. Keep horizontal pipe run as short as possible. Use PTFE pipe thread sealant tape on male pipe threads. Multiple well points may be necessary to provide sufficient water to pump.
- Install a check valve in horizontal pipe. Flow arrow on check valve must point toward pump.
Horizontal Piping From Well To Pump
- Never install a suction pipe that is smaller than the suction port of the pump.
- To aid priming on well point installations, install a line check valve as shown in Figure 6. Be sure check valve flow arrow points toward pump.
Discharge Pipe Sizes
- If increasing discharge pipe size, install reducer in pump discharge port. Do not increase pipe size by stages.
- When the pump is set away from the points of water use, the discharge pipe size should be increased to reduce pressure losses caused by friction.
• Up to 100’ run: Same size as pump discharge port.
• 100’ to 300’ run: Increase one pipe size.
• 300’ to 600’ run: Increase two pipe sizes.
Sprinkling Application
This pump is designed to deliver plenty of water at full sprinkler pressure. It can pump from a pond, cistern or well points.
Pump discharge can be divided to supply two (2) or more sprinkler systems. A suggested multiple discharge to service is shown in Figure 7.
Do not use in a pressure tank or booster pump application.
Pump Installation
Make sure that all pipe joints in the suction pipe are air tight as well as water tight. If the suction pipe can suck air, the pump will not be able to pull water from the well.
- Bolt pump to solid, level foundation.
- Support all piping connected to the pump.
- Wrap 1-1/2 to two layers of PTFE tape clockwise (as you face end of pipe) on all male threads being attached to pump.
- Tighten joints hand tight plus 1-1/2 turns. Do not overtighten.
NOTICE: Install pump as close to well head as possible. Long piping runs and many fittings create friction and reduce flow.
NOTICE: For long horizontal pipe runs, install a priming tee between check valve and well head as shown in Figure 6. For driven point installations, install a check valve as shown in Figure 6. Be sure check valve flow arrow points toward pump.
Use schedule 80 or iron pipe. See Well Pipe Installation for more information.
Wiring
Hazardous voltage. Follow these rules to avoid potential harm:
- Ground motor before connecting to electrical power supply. Failure to ground motor can cause severe or fatal electrical shock hazard.
- Do not ground to a gas supply line.
- To avoid dangerous or fatal electrical shock, turn OFF power to motor before working on electrical connections.
- Supply voltage must be within ±10% of nameplate voltage. Incorrect voltage can cause fire or damage motor and voids warranty. If in doubt consult a licensed electrician.
- Use wire size specified in Wiring Chart. If possible, connect pump to a separate branch circuit with no other appliances on it.
- Wire motor as shown (Figure 12B). If motor nameplate diagram does not match either Figure 12A or 12B, follow nameplate diagram.

Figure 8 – Bolt Pump Down

Figure 9 – Independently Support All Piping Attached to Pump
Use PTFE pipe thread sealant tape or pipe joint compound approved for use on PVC.


Figure 10 – Use PTFE pipe thread sealant tape on pipe joints and connections to pump.
- No air leaks In Suction pipe.
- If air flows water won’t
- Use PTFE tape.

Hand Tight Plus 1-1/2 Turns With Wrench.

Figure 11 – Don’t overtighten.
- From Well
- Pump Body
Electrical

Figure 12A – 230V Single Phase Wiring Diagram
- Green Ground Screw
- 230 Volts
3-Phase Low Voltage

3-Phase High Voltage To reverse rotation, interchange any two line leads.

Figure 12B – 3-Phase Wiring Diagram
Connection Diagram for Single-Phase Motors
Your motor’s terminal board (under the motor end cover) should match the diagram in Figure 12A or 12B.
For single-phase motors, follow Figure 12A. For 3-phase motors, follow Figure 12B. If motor does not match this picture, follow the connection diagram on the motor nameplate or in the motor connection box.
Hazardous voltage. Can shock, burn, or cause death. Disconnect power to motor before working on pump or motor. Ground motor before connecting to power supply.
- Install, ground, wire and maintain this pump in accordance with electrical code requirements. Consult your local building inspector for information about codes.
- Provide a correctly fused disconnect switch for protection while working on motor. Consult local or national electrical codes for switch requirements.
- Disconnect power before servicing motor or pump. If the disconnect switch is out of sight of pump, lock it open and tag it to prevent unexpected power application.
- Ground the pump permanently using a wire of the same size as that specified in wiring chart (below). Make ground connection to green grounding terminal under motor canopy marked GRD. or
. - Connect ground wire to a grounded lead in the service panel or to a metal underground water pipe or well casing at least 10 feet long. Do not connect to plastic pipe or insulated fittings.
- Protect current carrying and grounding conductors from cuts, grease, heat, oil, and chemicals.
- Connect current carrying conductors to terminals L1 and L2 under motor canopy (single phase) or in motor connection box (3-phase). When replacing motor, check wiring diagram on motor nameplate against Figures 12A and 12B. If the motor wiring diagram does not match one of the diagrams in Figures 12A and 12B, follow the diagram on the motor.
- Motor has automatic internal thermal overload protection. If motor has stopped for unknown reasons, thermal overload may restart it unexpectedly, which could cause injury or property damage. Disconnect power before servicing motor.
- If this procedure or the wiring diagram is confusing, consult a licensed electrician.
Wiring Chart – Recommended Wire and Fuse Sizes
Model | Motor HP | Volts/Hz/Phase | Service Factor Amp | Branch Fuse* Rating Amp | Distance In Feet(Meters) From Motor To Supply | ||||
| 0 – 100 (0 – 30) | 101 – 200 (31 – 61) | 201 – 300 (62 – 91) | 301 – 400 (92 – 122) | 401 – 500 | |||||
AWG Wire Size (mm²) | |||||||||
| B82456 | 2 | 230/60/1 | 13.3 | 20 | 12 (3) | 12 (3) | 10 (5.5) | 10 (5.5) | 8 (8.4) |
B82639 | 2 | 208-230/460/60/3 | 10.2/5.1 | 15/15 | 14 (2)/14 (2) | 14 (2)/14 (2) | 12 (3)/14 (2) | 10 (5.5)/14 (2) | 10 (5.5)/14 (2) |
| B86073 | 2 | 230/60/1 | 9.8 | 20 | 14 (2) | 14 (2) | 12 (3) | 10 (5.5) | 10 (5.5) |
B86074 | 2 | 208-230/460/60/3 | 9.2/4.6 | 15/15 | 14 (2)/14 (2) | 14 (2)/14 (2) | 12 (3)/14 (2) | 10 (5.5)/14 (2) | 10 (5.5)/12 (3) |
* Dual element time delay fuse
Operation

Figure 13 – Remove Priming Plugs

Figure 14 – Fill Pump Before Starting

Figure 15 – Do Not Run Pump with Discharge Shut-off.
Priming The Pump
NOTICE: The term ‘priming’ refers to the process of pumping all the air out of the system, filling the pump and suction piping with water, and beginning to move water through the pump and out into the system. A ‘selfpriming’ pump generally will repeat this process without attention once the pump and system are full of water. If the water drains out of the pump (back into the well, for example), then the whole priming process must be repeated before operating the pump again.
To make sure that the pump will `retain its prime’ (that is, that the pump and its piping will stay full of water), BE SURE to install a check valve in the pump inlet port with the flow arrow pointing towards the pump. The check valve will prevent water from siphoning out of the pump body and back down into the well, which will keep the pump full and allow it to restart on its own.
DO NOT remove the recirculation valve cover (there are spring-loaded parts inside the recirculation valve – see Figure 16) when priming or draining the pump. The drain is a hex-head pipe plug underneath the pump body. To drain the pump, remove the hex plug (Ref. No. 17, Repair Parts diagram). Do not disturb the recirculation valve (Ref. No. 19).
- If the pump or the suction pipe have been drained for any reason, BE SURE to reprime the pump before starting it.
NOTICE: NEVER run the pump dry. Running the pump without water in it will damage the seals, can melt the impellers and diffusers, and voids the warranty. To prevent damage, fill the pump with water before starting.
- Remove priming plug (Figure 13).
- Make sure suction and discharge valves and any hoses on discharge side of pump are open.
- Fill pump and suction pipe with water.
- Replace priming plug, using PTFE tape on thread; tighten plug.
NOTICE: If a priming tee and plug have been provided for a long horizontal run, be sure to fill suction pipe through this tee and replace plug. (Don’t forget to PTFE tape the plug.) - Start pump: water should be produced in 5 minutes or less, the time depending on depth to water (not more than 20′) and length of horizontal run (10′ of horizontal suction pipe = 1′ of vertical lift due to friction losses in the pipe).
If no water is produced within 5 minutes, stop pump, release all pressure, remove priming plug, refill and try again.
Hazardous pressure and risk of explosion and scalding. If pump is run continuously at no flow (that is, with discharge shut off or without priming), water may boil in pump and piping system. Under steam pressure, pipes may rupture, blow off of fittings or blow out of pump ports and scald anyone near.
To prevent explosion, do the following:
A. Be sure discharge (valve, pistol grip hose nozzle, etc.) is open whenever pump is running.
B. If pump fails to produce water when attempting to prime, release all pressure, drain pump and refill with cold water after every two attempts.
C. When priming, monitor pump and piping temperature. If pump or piping begin to feel warm to the touch, shut off pump and allow system to cool off. Release all pressure in system and refill pump and piping with cold water.
Maintenance

Figure 16
- Vent Plug
- Recirculation Valve:
Do not disturb when draining pump! - Drain Plug

Figure 17

Figure 18
- Recirculation Valve
Do not disturb!

Figure 19

Figure 20
Maintenance
If motor is replaced, replace the shaft seal and O-Rings. Keep a seal and O-Rings on hand for future use.
Be sure to prime pump before starting.
NOTICE: The mechanical shaft seal in the pump is water lubricated and self-adjusting.
NOTICE: Drain pump (see Figure 16) when disconnecting from service or when it might freeze. You can fill the pump with RV anti-freeze (propylene glycol) to prevent it from freezing. DO NOT remove the Recirculation Valve to drain the pump (Figure 16). Remove the hex head plug on the bottom of the Pump Suction Body to drain the pump.
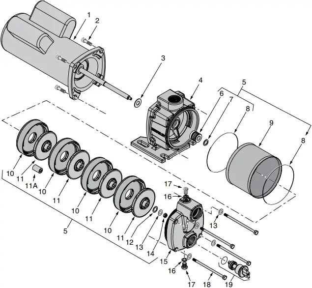
Pump Disassembly
See Repair Parts for Ref. No. references.
NOTICE: Do not disturb the recirculation valve (see Figure 16). It is NOT a drain plug!
- Shut off power to the pump before working on it.
- Close all suction and discharge valves to isolate the pump before proceeding further.
- Remove the hex head drain plug (Ref. No. 17) from the suction body and drain the pump.
- Disconnect the suction line.
- Remove four capscrews (Ref. No. 18) from the pump (see Figure 17).
- Pull the pump suction body forward (see Figure 18). Remove the sleeve (Ref. No. 9) by pulling it straight forward. Be careful not to damage the O-rings on the bracket and suction body.
- Remove the motor canopy, hold the motor shaft with a 7/16″ open end wrench, and remove the nut and two washers (Ref. Nos. 14, 13, 12) from the end of the shaft. See Figure 19.
- Slide the impellers and diffusers (Ref. Nos. 11, 10) off of the shaft (Figure 19).
- Slide the spacer (Ref. No. 7) off of the shaft, then pull the rotating half of the seal (Ref. No. 6) forward on the shaft and remove it.
- Block up the motor (so that the shaft will not take the weight of the motor when you loosen the capscrews holding the motor to the bracket), remove four capscrews (Ref. No. 2), and slide the motor and shaft back out of the bracket (see Figure 20).
NOTICE: To avoid springing the shaft, be sure that the shaft does not take the weight of the motor as you remove it.

Figure 21

Figure 22
- Pipe
- Cardboard Washer
- Seal Half

Figure 23
- Slinger

Figure 24

Figure 25
- Metal ring
- Correct orientation
- Incorrect orientation
Seal Removal
- Follow the instructions under “Pump Disassembly”, above.
- Remove the discharge pipe from the bracket (Ref. No. 4).
- Remove the hold down bolts from the bracket.
- Turn the bracket motor side up on the bench and use a screwdriver to carefully tap the stationary seal half out of the bracket (see Figure 21).
- Clean the seal seat cavity in the bracket.
Seal Installation
- Turn the bracket pump side up on the bench. You will need to block it up to do this (See Figure 22).
- Clean the seal cavity in the bracket.
- Wet the outer edge of the rubber cup on the ceramic seat with liquid soap. Be sparing!
- Put a clean cardboard washer on the seal face. With thumb pressure, press the ceramic seal half firmly and squarely into the seal cavity. The polished face of the ceramic seat is up. If the seal will not seat correctly, remove it, placing the seal face up on the bench. Reclean the cavity. The seal should now seat correctly.
- If the seal does not seat correctly after recleaning the cavity, place a clean cardboard washer over the polished seal face and carefully press it into place using a piece of standard 3/4″ pipe as a press.
NOTICE: Be sure you do not scratch the seal face. - Dispose of the cardboard washer and recheck the seal face to be sure it is free of dirt, foreign particles, scratches and grease.
- Inspect the shaft to be sure it is free of nicks and scratches.
Pump Reassembly
1. Bolt the bracket down to the foundation (see Figure 23).
2. Slide the motor shaft through the seal and bolt up the motor (see Figure 23). Make sure that the slinger is on the shaft between the bracket and the motor flange. Make sure that you don’t chip the seal face with the shaft shoulders and that the shaft does not take the weight of the motor at any time.
2. CAREFULLY slide the rotating seal half onto the shaft, seal face first.
Make sure that you don’t chip the seal face on the shaft shoulders.
3. Follow the seal half with the spacer (Ref. No. 7). Slide the washer up against the seal.
4. Slide a diffuser onto the shaft (open face out) until it seats on the bracket (see Figure 24). Follow the diffuser with an impeller on a four-stage pump or with the stainless steel spacer if a three-stage pump.
Engage the molded impeller key in the slot in the shaft. Don’t force it!
Be sure that the impeller eye, with metal ring, faces out (forward – see Figure 25).
5. Repeat step 4 with the remaining impellers and diffusers.
6. Reinstall the toothed washer, the flat washer, and the impeller nut (in that order – Ref. Nos. 12,13,14) onto the motor shaft (see Figure 26). Hold the shaft and tighten the impeller nut to 10 ft.-lbs. torque.
7. Check the sleeve O-Rings; if they show any damage or wear, replace them. Reinstall the sleeve O-Rings (Ref. No. 8) on the bracket and the suction body.
Maintenance • Troubleshooting

Figure 26

Figure 27
- Recirculation Valve
Do not disturb!
8. Reinstall the sleeve on the bracket and the pump suction body in the sleeve. Be sure that you do not pinch or damage the O-Ring. See Figure 27.
9. Install four capscrews (Ref. No. 18) through the pump head and into the bracket. Tighten the capscrews to 22 ft.-lbs. torque.
10. Reinstall the drain plug and washer (Ref. Nos. 17 and 16) in the suction body.
NOTICE: Do not disturb the recirculation valve.
11. Reinstall the suction and discharge piping and open all valves. Check for leaks.
12. Prime the pump according to the instructions on Page 8.
Troubleshooting
| Symptom | Possible Cause(s) | Corrective Action(s) |
| Motor will not run | Disconnect switch is off | Be sure switch is on. |
| Fuse is blown or circuit breaker tripped. | Replace fuse or reset circuit breaker. | |
| Starting switch is defective. | DISCONNECT POWER; Replace starting switch. | |
| Wires at motor are loose, disconnected, or wired incorrectly. | Refer to instructions on wiring. DISCONNECT POWER; check and tighten all wiring. | |
| Motor runs hot and overload kicks off. | Motor is wired incorrectly. | Refer to instructions on wiring. |
| Voltage is too low | Check with power company. Install heavier wiring if wire size is too small (See Electrical / Wiring Chart). | |
| Motor runs but no water is delivered in new installation:* | 1. Improper priming | 1. Re-prime according to instructions. |
| 2. Air leaks | 2. Check all connections on suction line, with soapy water or shaving cream. | |
| 3. Leaking foot valve or check valve | 3. Replace foot valve or check valve. | |
| * Stop pump; then check prime before looking for other causes. Unscrew priming plug and see if water is in priming hole. Pump has lost prime in installation already in use: | 1. Air leaks | 1. Check all connections on suction line and shaft seal. |
| 2. Water level below suction pipe inlet | 2. Lower suction line into water and re-prime. If receding water level in well exceeds 20’ (6.1M), a deep well pump is needed. | |
| Foot valve or strainer is plugged | Clean foot valvye or strainer. | |
| Impeller is plugged | Clean impeller. | |
| Check valve or foot valve is stuck shut | Replace check valve or foot valve. | |
| Pipes are frozen | Thaw pipes. Bury pipes below frost line. Heat pit or pump house. | |
| Foot valve and/or strainer are buried in sand or mud. | Raise foot valve and/or strainer above bottom of water source. Clean foot valve and strainer. | |
| Water level is too low for shallow well setup to deliver water. | Pump will not lift water more than 20’ (6.1M). | |
| Pump does not deliver water to full capacity. | Water level in well is lower than estimated. | A deep well jet will be needed if depth to water in your well is more than 20’ (6.1m). |
| Steel piping (if used) is corroded or limed, causing excess friction. | Replace with plastic pipe where possible, otherwise with new steel pipe. | |
| Piping is too small in size | Use larger piping. | |
| Packed well point | Backflush well point or sink new point. |
Repair Parts
Exploded View
1 ø | 3 ø | |
| 3 Stage | B86073 | B86077 |
| 4 Stage | B82456 | B82639 |

| Ref. | Part Description | Qty. | B82456 | B82639 | B86073 | B86074 |
| 1 | Motor | 1 | B85740 | B86076 | B86075 | B86077 |
| 2 | Socket Head Capscrew | 4 | U30-104ZP | |||
| 3 | Slinger | 1 | 17351-0009 | |||
| 4 | Bracket | 1 | M13784 | |||
| 5 | Impeller Repair Kit (Includes Ref. Nos. 6–8 and 10–14) | 1 | B85604 | B86078 | ||
| 6 | Shaft Seal | 1 | U9-469 | |||
| 7 | Spacer | 1 | 121P1710 | |||
| 8 | O-Ring | 2 | 111P2700 | |||
| 9 | Sleeve | 1 | 251A4310 | |||
| 10 | Diffuser | 4 | 101P6290 | |||
| 11 | Impeller | 3 or 4 | 101P6210 | |||
| 11A | Spacer (3 Stg pump only) | 1 | M15780 | |||
| 12 | Washer, Flat | 1 | 121P1760 | |||
| 13 | Washer, Toothed | 5 | M13975 | |||
| 14 | Impeller Nut | 1 | U36-204SSW | |||
| 15 | Pump Body (Suction) | 1 | 751S4800 | |||
| 16 | Washer | 2 | 121P0810 | |||
| 17 | Washer | 2 | 171P1180 | |||
| 18 | Capscrew | 4 | 121P1690 | |||
| 19 | Recirculation Valve Complete (Includes O-Ring | 1 | ZBR05820 | |||
OWNER’S MANUAL


















