DELTA Mini Relay IO Card

Product Introduction
The Delta Mini Relay I/O card is a UPS management tool that provides the following features:
- Six relay output contacts: transmit the UPS information for users to monitor the UPS status.
- Each output relay is configurable to meet the users’ needs for different UPS events.
- Each output relay has either Normally Open (NO) or Normally Closed (NC) configuration.
- Two input contacts: control the UPS.
- Each input contact is configurable for UPS shutdown or battery test.
- The UPS shutdown delay is adjustable.
- One temperature detection input contact: monitors the external temperature of the UPS (please contact service personnel for details).
- One Micro-USB: makes the configuration easier via a PC.
Packing List
The contents of the Delta Mini Relay I/O card package are listed in the following table. If any item is missing, please contact Delta customer service.



| No. | Item | Q’ty |
| 1 | Mini Relay I/O Card | 1 PC |
| 2 | Accessory Kit (housing terminal x 1 & screw x 2) | 1 SET |
| 3 | Micro-USB Cable | 1 PC |
| 4 | Installation & Operation Quick Guide | 1 PC |
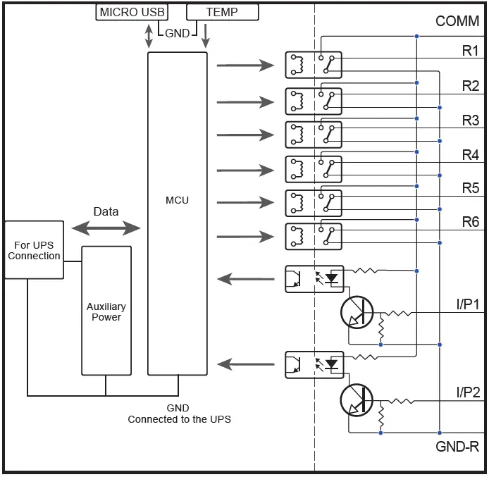
3 I/O PINOUT

| No. | Printing | Meaning | Description |
1 | ![]() | Micro-USB port |
|
2 | TEMP | Temperature detection input contact |
|
| 3 | GND | Temperature detection input contact (ground) | |
4 | COMM |
| Maximum voltage: 24Vdc |
5 | GND-R |
| Note that the GND-R and GND contacts are not the same. Please refer to 4 Internal Circuit for details. |
6 | R1 | One of the contacts in the output relay 1 | Maximum voltage: 24Vdc Maximum current: 1A |
R2 | One of the contacts in the output relay 2 | ||
R3 | One of the contacts in the output relay 3 |
| No. | Printing | Meaning | Description |
| 6 | R4 | One of the contacts in the output relay 4 | Maximum voltage: 24Vdc Maximum current: 1A |
R5 | One of the contacts in the output relay 5 | ||
| R6 | One of the contacts in the output relay 6 | ||
7 | I/P1 | Input contact 1 | Maximum voltage: 24Vdc Maximum current: 10mA |
| I/P2 | Input contact 2 |
Internal Circuit
Application Example
The default settings are applied to the following description about the interactions among the Delta Mini Relay I/O card, the UPS and the user-supplied peripherals.
Monitoring the UPS
To let the R1~R6 contacts reflect different UPS events, (1) provide 12V DC power to the COMM and GND-R contacts, (2) connect six LED indicators (user-supplied) to the R1~R6 contacts individually and (3) connect six current-limiting resistances (user-supplied) to the six LED indicators respectively. See Figure 2.
For example, when the UPS experiences a power failure and the contact R2 detects the event, the corresponding LED indicator (LED2) will be triggered.
Controlling the UPS
You may shut down the UPS or enable a 10-second battery test by pressing the button SW1 or SW2 (user-supplied) for 3 seconds (the time period of the signal confirmation is adjustable, please refer to 6.2 Configuration – 4 Input Signal Confirm). See Figure 2.
Installation & Configuration
NOTE:
Installation and configuration of the Delta Mini Relay I/O card can only be performed by qualified personnel. Do not open the covers of the Mini Relay I/O card to avoid any ESD damage.
Installation
The Delta Mini Relay I/O card works with most of the Delta UPSs that have mini slot design. Follow the steps below to install the Delta Mini Relay I/O card. Please note that Figure 3~Figure 5 are for reference only. The actual appearance of the mini slot and the UPS might be different from the ones shown in Figure 3~Figure 5.
- Cut along the edges of the mini slot cover with diagonal cutting pliers ( 1 ). Remove the mini slot cover from the UPS ( 2 ). Then, detach the provided cable from the mini slot cover. See Figure 3.

- Connect the cable to the Delta Mini Relay I/O card. See Figure 4.

- Slide the Delta Mini Relay I/O card into the mini slot and secure the card with 2 screws (provided in the accessory kit) to the UPS. See Figure 5.

Configuration
Please follow the steps below to configure the Delta Mini Relay I/O card.
- Use the provided Micro-USB cable to connect the Mini Relay I/O card to the USB port on the PC.
- Turn on the UPS, and the Mini Relay I/O card will be activated automatically after it is powered by the UPS.
- Turn on the utility ‘Mini Relay Card with USB’* on the PC, and you will see the screen shown in Figure 6.
NOTE:
The ‘Mini Relay card with USB’ utility requires a PC running Windows 7, 8 or 10. For utility configuration, you can download the latest version from the following link: https://datacenter-softwarecenter.deltaww.com.cn/Download/UPS/Software/MiniRelayCardWithUSB.rar
www.deltapowersolutions.com
Click the ‘Polling’ button at the top right of the window to establish communication between the UPS and the PC. Once the communi-cation is completed, the message ‘Polling successfully’ will appear at the bottom of the window
If the message does not appear, please check the USB connection and ensure that the UPS is turned on. Then, try again. - You may adjust the settings based on your needs. After all configurable items have been set up, click the ‘Update All’ button at the top right of the window to save the settings. Once the update is completed, the message ‘Update successfully’ will appear at the bottom of the window.
The configurable items in the ‘Mini Relay Card with USB’ utility are listed as follows.
Relay Status:
There are 13 options on each dropdown list where you can assign one or multiple UPS power event(s) to each relay; six of the options (No. 7~12) can be defined.
- If the options (No. 7~12) are not selected, the buttons next to ‘User-defined 1/2/…/6’ will be grayed out and disabled.
- If one of the options (No. 7~12) is selected for a relay, the corresponding ‘User-defined 1/2/…/6’ and the string shown on the button will become black. Click the button for setting. See Figure 7~Figure 9 for example:
- Figure 7: Select ‘7: User-defined 1’ for Relay 1.
- Figure 8: The corresponding ‘User-defined 1’ and the string (i.e. 0x873…) shown on the button will become black.
- Figure 9: Click the button, and the pop-up window will show a list of UPS events. Tick the box(es) for one or multiple UPS event(s) in the window, and click ‘OK’.

NOTE:
- The already configured ‘User-defined 1/2/…/6’ can be applied to any relays.
- If more than one UPS events are ticked in Figure 9, the corresponding relay(s) will be triggered when any of the ticked UPS events occurs.
- If no UPS event is ticked in Figure 9, the corresponding relay(s) will not be triggered.
- The string (a code starting with ‘0x…’) shown on each button (see Figure 8) represents the UPS event(s) selected. The string will vary with different selections.
Normally Open/ Closed:
This setting defines the trigger state of the output contacts R1~R6. From the ‘Normally Open/ Closed’ dropdown list, select a corre-sponding option for each output relay. See Figure 10.
‘Normally Open’
When the assigned UPS event does not occur and its corresponding relay is NOT triggered, the relay’s contact (R1, R2, …, or R6) connects to the GND-R contact of the relay. If the assigned UPS event occurs and triggers the corresponding relay, the relay’s contact (R1, R2, …, or R6) will connect to the COMM contact of the relay.
‘Normally Closed’
When the assigned UPS event does not occur and its corresponding relay is NOT triggered, the relay’s contact (R1, R2, …, or R6) connects to the COMM contact of the relay. If the assigned UPS event occurs and triggers the corresponding relay, the relay’s contact (R1, R2, …, or R6) will connect to the GND-R contact of the relay.
Input Signal:
The ‘Input Signal’ field defines the input control commands to the UPS. For each input contact, you can select ‘Remote shutdown’, ‘Test for 10 seconds’, or ‘Test until battery low’ from the ‘Input signal’ dropdown list. See Figure 11.
Input Signal Confirm:
Set the time period for input signal confirmation in the blank of ‘Input Signal Confirm’. There must be a minimum of 1 second set (adjustable to a maximum of 99 seconds), so that the UPS could recognize that the input signal is valid. In this example, the confirmation time for SW1 and SW2 is 3 seconds (see Figure 6), which means that you have to press the button (SW1/ SW2) for more than 3 seconds to confirm that the input signal is valid.
Delay Before Shutdown:
Set the time period for the delayed shutdown of the UPS in the blank of ‘Delay Before Shutdown’. The time period is adjustable from 1 second to a maximum of 9999 seconds. - If necessary, you may restore the Delta Mini Relay I/O card to its default settings by clicking the ‘Return to Default’ button at the top left of the window. Once the settings are completed, the message ‘Return to default successfully’ will appear at the bottom of the window. Click again the ‘Polling’ button at the top right of the window to obtain the default values.
NOTE:
For the default settings of the Delta Mini Relay I/O card, please see Figure 6 for details. You may adjust the set-tings according to your needs if some of the default settings are not what you need.
Technical Specifications
| Model | Mini Relay I/O Card |
| Size | 87 x 69 x 30 mm |
| Weight | 70 g |
| Operating Temperature | 0 ~ 50℃ |
| Operating Humidity | 10 ~ 80% |
| Power Input | 12 ± 3 Vdc |
| Power Consumption | 3 Watts (Max.) |






If the message does not appear, please check the USB connection and ensure that the UPS is turned on. Then, try again.
‘Normally Open’
Input Signal Confirm:


















