KASTA-S10IBH Smart Dry Contact Output Module Instruction

APP Installation
Visit www.kasta.com.au or your app store to download the free KASTA app. iOS: requires iOS 9.0 or later. Android: requires Android 4.4 or later. Devices must support Bluetooth 4.0
Important Safety Information
- This product must be installed by a licensed electrician in accordance with all the requirements of AS/NZS 3000 (current edition) and other relevant Standards and Regulations.
- Electricity MUST be disconnected prior to installation. Failure to do so may result in serious injury and or loss of life.
- Indoor use only. Not suitable for damp or explosive environments.
- Switching circuit suited for interconnection with SELV circuits.
- May be interconnected with Class I, Class II or Class III equipment.
- Complies to Australian Standards AS/NZS 60669.2.1 with AS/NZS 60669.1, AS/NZS 60950.1. AS/NZS CISPR 15.
- No user serviceable parts inside.
FEATURES
- Mains powered dry contact (voltage free relay) output module.
- ON/OFF control of equipment such as garage doors, motorised gates, sprinkler systems and garden lighting.
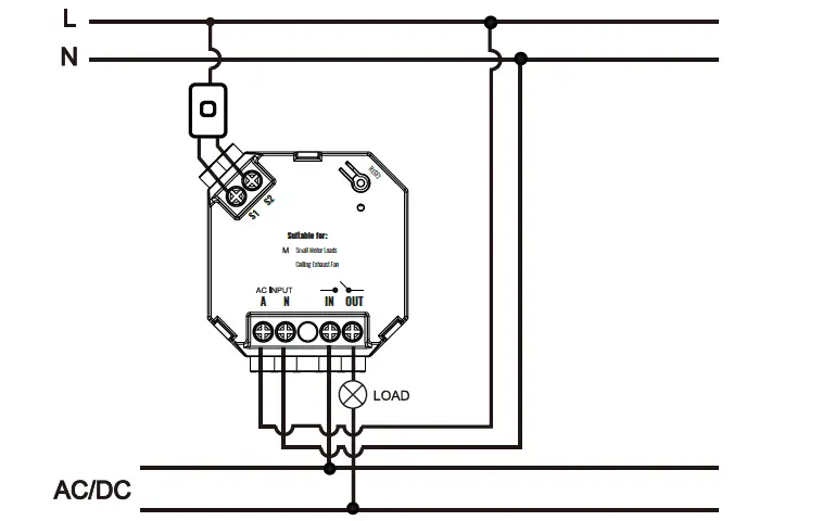
- Simple 6 wire connection – A, N, Load, S1, S2, In, Out.
- 4 output modes – 1s, 6s and 9s pulse ON (auto OFF) and toggle ON/OFF (default setting 1s pulse).
- Short Press (or toggle) on input S1 or S2 to activate ON state.
- Can be paired with KASTA remote switches for multi-way control (8x maximum).
- Smart functions via phone/tablet with the app such as schedules, timers, scenes and groups.
- Built in overvoltage protection.
- To prevent a reduction in Bluetooth signal strength, install away from metal objects.
FUNCTION SETUP
S1/S2 CONNECTION
- ON/OFF SWITCH: 1 CLICK
Turns connected device on or off.
RESET BUTTON ON MODULE
- PAIRING MODE: 6 CLICKS
Enter pairing mode for multi-way control. Lights will pulse. - FACTORY RESET: 9 CLICKS
Restores all settings back to factory. .
*If successful, status light will pulse the number of times that the switch was clicked, indicating function.
TECHNICAL SPECIFICATIONS
- Supply: 220-240V AC 50Hz
- Operating Temp: -20ºc to 40ºc
- Max Load Current: 10A for both voltage range (0-240VAC and 0-30VDC)
CONNECTION DIAGRAM



















