AGROWTEK RD8i Digital Intelligent Dry Contact Relay Instruction Manual
Specifications
| Input Power | 4 W @ 12-24Vdc Class II / Limited Energy Power Supply |
| Max Switching Current | 10A per point @ 120Vac ~ 5A per point @ 240Vac ~ 2A per point @ 24Vdc |
| Max Switching Voltage | 120 Vac ~ |
| HP Rating | 1/2HP (4FLA @ 240Vac ~)1/2HP (8FLA @ 120Vac ~) |
| Independent Contacts | 8x Normally Open |
| Status Indicators | Red LEDs |
| Enclosure Knock-Outs | (2) dia. 7/8” |
| Enclosure Rating | TYPE 12K NEMA |
| Minimum Cycle Time | 1 second |
| Interface | GrowNET™, MODBUS |
| Relay Ratings | 100,000 cycles |
| Relay Cycle Counters | Up to 4 billion cycles per relay |
Introduction
GrowControl RD series dry-contact relays interface Agrowtek’s intelligent controllers to devices in your growing environment to control lighting, ventilation, irrigation, HVAC and much more. Dry-contacts allow many different types of equipment to be controlled.
How “Dry-Contact” Relays Work
A relay consists of a mechanical switch and an electro-magnet to turn-on (close) a switch contact. A spring opens the switch when the electromagnet is no longer powered.
The microprocessor controls power to the magnet coil to open or close the switch contact as required by the controller program.
Dry-contact relays can be thought of like a wall-switch:
- Each relay “contact” has a pair of screw terminals just like a wall-switch does.
- A wall-switch (or relay contact) does not supply power, it only allows it through.
- Each switch is independent and can operate different circuits or voltages

A dry-contact relay is exactly the same as a wall switch, however, instead of operating the switch manually with your finger, an electromagnet operates the switch.

What Relays Control
Many types of devices can be operated with a dry-contact switch. A dry-contact interface allows Agrowtek controls to integrate with building controls, high amperage loads and other custom devices such as:
- High-Amp Relays & Contactors

- HVAC Control

- Irrigation / Gas Solenoids

- 120V Receptacles & Equipment

Manual Toggle Switches
Manual toggle switches are an option available on RD8i relay interfaces. Toggle switches allow a relay to be manually fired on, or forced off, in addition to being automatically operated by a control system. The toggle switches will operate the RD8i’s contacts as long as power is available to operate the coils even if the relay’s processor has been damaged or communication has been broken to the master controller.
To force an output on, move the toggle UP and the corresponding indicator will illuminate.
To force an output off, move the toggle DOWN and the corresponding indicator will extinguish.
To allow automatic operation of an output, move the toggle to the CENTER position.
Units with serial numbers 2111xxxx may be field upgraded to manual toggles.
Installation Instructions
DANGER Electrocution Hazard ![]()
Disconnected all power sources before servicing or wiring. For continued protection against electric shock ensure the enclosure is properly grounded at the marked chassis ground terminal. Install all electrical equipment and wiring in accordance with national and local electric codes. For indoor use in dry locations only (0-80% RH non condensing.) Replace serviceable parts only with those recommended by Agrowtek Inc.
General Notes:
- Install with the connections facing down to reduce the risk of water permeating the enclosures.
- For indoor installation only. Enclosures are not water-proof.
- Do not place sensor in direct sunlight.
Disconnect power from all devices before connecting or disconnecting cables to prevent damage to components
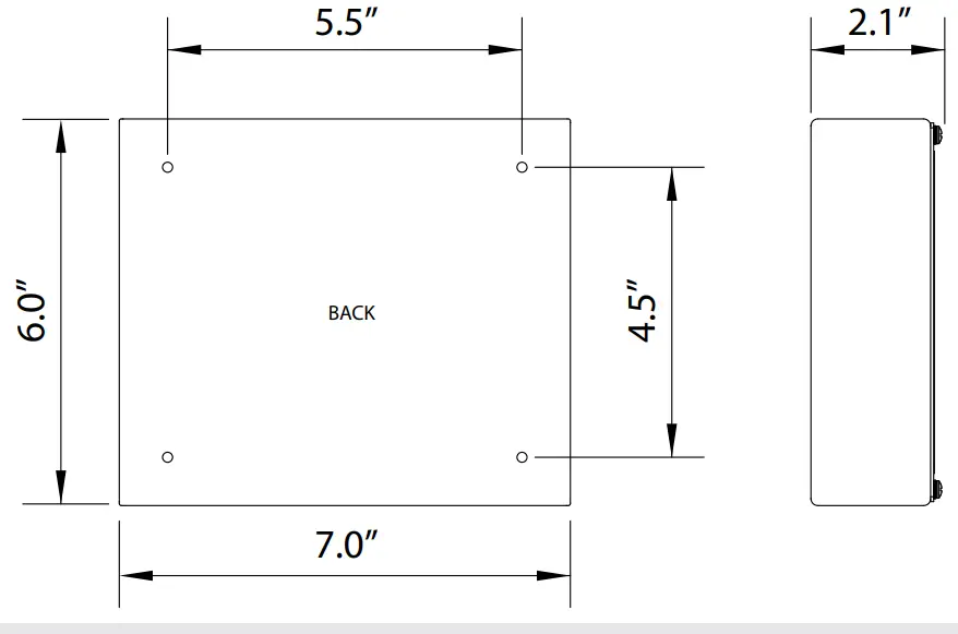
Installing the RD8i Relay
The RD8 intelligent relay is to be securely installed to a vertical wall surface using the four mounting holes provided in the rear of the enclosure.
- Remove the front cover panel using caution not to damage the LED light pipes.
- Locate the relay box and mark the mounting hole locations or use the dimensions below.
- Pre-drill and install anchors if necessary. Keep dust and debris away from the circuit board.
Ensure all dust and contaminants have been blown out of the enclosure. Hardware is not provided. Drywall screws are recommended.
Do NOT drill holes into the enclosure or enlarge holes. Metal chips from drills can cause short circuits on the PCB.
DC Power Connections
An external DC power jack and GrowNET power are located on the bottom of the relay. Standard 7/8” diameter knock-outs are provided on either side for standard 1/2” EMT conduit fittings.
12 – 24Vdc is required to operate the RD8i which may be supplied via:
a) the 2.1mm DC barrel jack and included power supply,
b) the GrowNET port from an HX8 hub, or
c) the Vin terminal block on the circuit board for DIN rail power supplies.

Dry Contact Terminals
DANGER! Risk of injury or death from electric shock; disconnect all power before wiring or service.
Each relay has one pair of normally-open contacts which are labeled below each contact. Each relay terminal pair is independent allowing mixed signal control.
Routing Wires
Route wires from the conduit fittings along each side of the relay pcb and above the relays to the terminal blocks as indicated by the red lines in the diagram below.
Do NOT route wires above the green terminal blocks; keep the processor area free of excess wiring.
General wire routing path shown by the bold red lines..
NOTICE: Install and connect equipment in accordance with all national and local electrical codes.
Example Connections, General

- High-Amp Contactors
High amp contactors and relays are operated by controlling the power to the magnet coil. When the magnet is energized, high current/voltage is switched on from a breaker panel to load receptacles. - HVAC Control Signals
24VAC HVAC control signals may be operated by dry contact. Use jumper wires for relays with a common source connection. - 120V Outlets
Contacts can switch up to 10A to directly feed receptacles or other 120V equipment. - Solenoid Valves
24VAC irrigation and gas valves can be controlled by switching power supplied by a step-down transformer. 24VAC is safer and more common than line-voltage for water/irrigation solenoids.
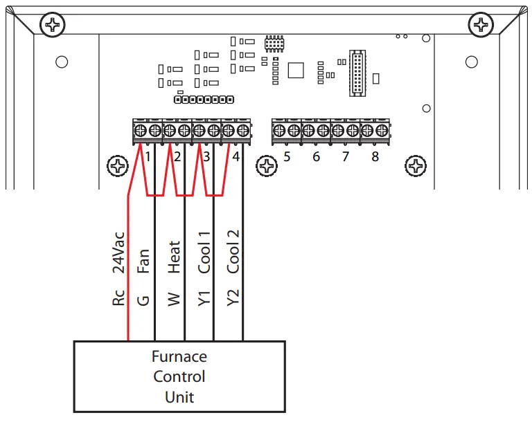
Example Connections, HVAC
Standard A/C units and HVAC heating and cooling control units that are operated by low-voltage (24Vac) control signals can be connected to the RD8i for programmable control.
Land each control signal (G, W, Y1, etc.) on a separate relay contact, then jumper the Rc (red) 24Vac power
lead to each terminal. When any of the relays are energized, the 24Vac will be connected to the control signal to activate the HVAC system.
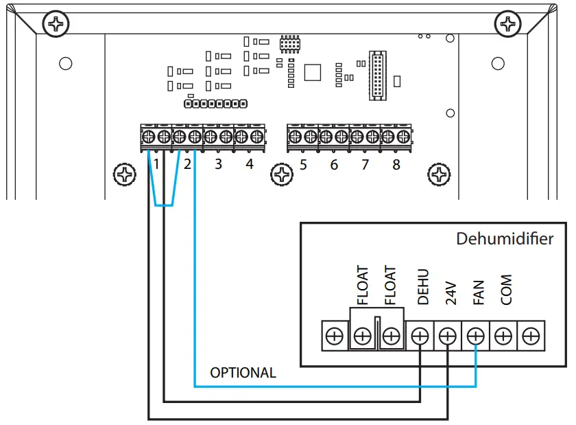
Example Connections, Quest Dehumidifiers
24VAC humidifier/dehumidifier control signals may be operated by dry contact. Simply connect the low voltage control signals to any contact. When the contact is activated, the control signal is connected and activates the humdity equipment. Check the equipment cycles properly by connecting the control wires together to verify the equipment turns on as expected before wiring to a relay contact.
Models with Wire Controls Leads
Models with Terminal Blocks
Optional
Models with separate fan control can use a second relay contact to operate only the fan for air circulation purposes if desired, otherwise, only the DEHU and 24V terminals are required on a single contact.
Example Connections, Anden Dehumidifiers
Anden dehumidifier units can be connected to a low-voltage dry-contact for external control. Multiple units can be daisy-chained together as shown in the diagram below.
- Dehumidifier Unit #1
Connect a dry-contact from the RD8i relay to the “DH” contacts on the first unit. - Dehumidifier Unit #2
Connect the “DH” contacts of unit #2 to the “VENT” contacts of unit #1.
Setup Procedure for External Control:
- Press any button to activate the display and ensure the unit is set to “OFF.”
- Hold the “MODE” button for three (3) seconds to ther the installer setup menu.
- “Remote” will be displayed on the screen.
- Press the “MODE” button until “External Disabled” is shown on the screen.
- Press “Up” or “Down” to set the display to “External Enabled.”
- Press “MODE” until “Done” is shown on the screen.
- Press the “ON” button; “External” should be shown on the screen.
Connection to GrowControl™ GCX
All GrowNET™ devices are connected using standard CAT5 Ethernet cable with RJ-45 connections.
Devices can be connected directly to the GrowNET™ ports on the bottom of the controller, or through HX8 GrowNET™ hubs. It is typical to simplify cabling by locating hubs centrally in hall ways and rooms allowing single runs from an 8-port device hub back to a central hub or back to the controller.
Refer to the GCX controller manual for details on adding the device to the system.
GrowNET™ Hubs
HX8 GrowNET ™ hubs expand a single port into eight more ports. Hubs can be daisy-chained to form a network of up to 100 devices per GrowNET™ bus. Individually buffered port transcievers provide excellent signal integrity and extended communication strength and range.
Hubs provide up to 1A of power for operating sensors and most relays directly over the CAT5 cable. A DC jack on the hub provides 24Vdc power to the ports from the included wall power supply. A terminal block power option is also available.
Installation Notes
NOTICE
GrowNET™ ports use standard RJ-45 connections but are NOT compatible the Ethernet network equipment. Do not connect GrowNET™ ports to Ethernet ports or network switch gear.
DIELECTRIC GREASE
Dielectric grease is recommended on RJ-45 GrowNET™ connections when used in humid environments. Place a small amount of grease onto the RJ-45 plug contacts before inserting into the GrowNET™ port. Non-conductive grease is designed to prevent corrosion from moisture in electrical connectors.
- Loctite LB 8423
- Dupont Molykote 4/5
- CRC 05105 Di-Electric Grease
- Super Lube 91016 Silicone Dielectric Grease
- Other Silicone or Lithium based insulating grease
Connection to Intelligent Sensor
A direct-link connection between a SXE sensor and intelligent relay requires Agrowtek’s cross-over adapter.
IMPORTANT! ONLY use cross-over adapters provided by Agrowtek.
Incorrect cross-over adapters or cables can cause damage to the equipment
Cross-Over Cable
A custom cross-over cable can be constructed as an alternative to using the cross-over adapter and two standard, straight Ethernet cables as shown in the diagram above. The cross-over wiring MUST match the diagram.
Connection to USB AgrowLINK
Agrowtek’s intelligent relays may be connected to the LX1 USB AgrowLINK for firmware updates, communication protocol configuration, addressing and manual operation. Standard drivers automatically install in Windows for the LX1 USB AgrowLINK. GrowNET API is available for custom software applications.
Connection to MODBUS RTU
RS-485 / RS-422
Use the LX2 ModLINK to connect MODBUS devices to the GrowNET™ port.
3.3/5Vdc Serial Bus Compatible.
Include required bus terminating resistors per EIA standard.
Serial Speed & Format
The default serial data format for the LX2 ModLINK interface is: 19,200 baud, 8-N-1.
Alternate speeds and formats between 9,600 – 115,200 baud may be configured with the free AgrowLINK PC utility using a LX1 USB AgrowLINK and the cross-over adapter supplied with the LX2 ModLINK.
Supported Commands
0x01 Read Coils
0x03 Read Multiple Registers
0x05 Write Single Coil
0x06 Write Single Register
0x15 Write Multiple Coils
A request to use a function that is not available will return an illegal function error (0x01).
Register Types
Data registers are 16 bits wide with addresses using the standard MODICON protocol. Floating point values use the standard IEEE 32-bit format occupying two contiguous 16 bit registers. ASCII values are stored with two characters (bytes) per register in hexadecimal format. Coil registers are single bit values which control and indicate the status of a relay; 1 = on, 0 = off.
MODBUS Coil Registers
| Parameter | Access | Address |
| Relay 1 | R/W | 1 |
| Relay 2 | R/W | 2 |
| Relay 3 | R/W | 3 |
| Relay 4 | R/W | 4 |
| Relay 5 | R/W | 5 |
| Relay 6 | R/W | 6 |
| Relay 7 | R/W | 7 |
| Relay 8 | R/W | 8 |
A request to read or write coils that are not available will return an illegal address error (0x02.)
MODBUS Holding Registers
| Parameter | Description | Range | Type | Access | Address |
| Address | Device Slave Address | 1 – 247 | 8 bit | R/W | 40001 |
| Serial# | Device Serial Number | ASCII | 8 char | R | 40004 |
| DOM | Date of Manufacture | ASCII | 8 char | R | 40008 |
| HW Version | Hardware Version | ASCII | 8 char | R | 40012 |
| FW Version | Firmware Version | ASCII | 8 char | R | 40016 |
| Timeout (seconds) | Turn off relays if no communication | 0 – 32767 | 16 bit, unsigned | R/W | 41001 |
| Relay Closure Count | Relay 1 | Unsigned Int | 32 bit, unsigned | R | 49001 |
| Relay 2 | 49003 | ||||
| Relay 3 | 49005 | ||||
| Relay 4 | 49007 | ||||
| Relay 5 | 49009 | ||||
| Relay 6 | 49011 | ||||
| Relay 7 | 49013 | ||||
| Relay 8 | 49015 |
A request to read or write a register that is not available will return an illegal address error (0x02).
Technical Information
Troublshooting
Relays are not activating, no power LED on PCB Ensure the relay input power has 12-24Vdc and are correctly wired for polarity. A dimliy lit red LED should illuminate when the circuit board has power.
Maintenance & Service
Exterior Cleaning
Exterior may be wiped with a damp cloth wish mild dish detergent, then wiped dry. Disconnect power before cleaning the enclosure to prevent electrical shock.
Storage and Disposal
Storage
Store equipment in a clean, dry environment with ambient temperature between10-50°C
Disposal
This indsutrial control equipment may contain traces of lead or other metals and environmental contaminants and must not be discarded as unsorted municipal waste, but must be collected separately for the purpose of treatment, recovery and environmentally sound disposal. Wash hands after handling internal components or PCB’s.
Warranty
Agrowtek Inc. warrants that all manufactured products are, to the best of its knowledge, free of defective
material and workmanship and warrants this product for 1 year from the date of purchase. This warranty
is extended to the original purchaser from the date of receipt. This warranty does not cover damages from
abuse, accidental breakage, or units that have been modified, altered, or installed in a manner other than
that which is specified in the installation instructions. Agrowtek Inc. must be contacted prior to return shipment for a return authorization. No returns will be accepted without a return authorization. This warranty is applicable only to products that have been properly stored, installed, and maintained per the installation and operation manual and used for their intended purpose. This limited warranty does not cover products installed in or operated under unusual conditions or environments including, but not limited to, high humidity or high temperature conditions. The products which have been claimed and comply with the aforementioned restrictions shall be replaced or repaired at the sole discretion of the Agrowtek Inc. at no charge.
This warranty is provided in lieu of all other warranty provisions, express or implied. It is including but not
limited to any implied warranty of fitness or merchantability for a particular purpose and is limited to the
Warranty Period. In no event or circumstance shall Agrowtek Inc. be liable to any third party or the claimant for damages in excess of the price paid for the product, or for any loss of use, inconvenience, commercial loss, loss of time, lost profits or savings or any other incidental, consequential or special damages arising out of the use of, or inability to use, the product. This disclaimer is made to the fullest extent allowed by law or regulation and is specifically made to specify that the liability of Agrowtek Inc. under this limited warranty, or any claimed extension thereof, shall be to replace or repair the Product or refund the price paid for the Product.

















