Mid Tower Case
Graphite
Save Money. Build Better.
User Manual
Front I/O Cable Connection
Front I/O Connectors
(Please refer to the motherboard’s manual for further instructions).

Note: Specifications may vary depending on your region.
Contact your local retailer for more information.

Accessory Bag Contents

How to Install
- Install Motherboard

- Install PSU

- a Install Add-on Card
(3b) Install Add-on Card
- a Install 2.5” SSD x 1
(4b) Install 2.5” SSD x1
(4c) Install 2.5” SSD x2
- a Install 3.5” HDD x1
(5b) Install 3.5” HDD x1
- a Install Front Fans

(6b) Install Top Fans
(6c) Install Rear Fan
- a Install Front Radiator
(7b) Install Top Radiator
(7c) Install Rear Radiator
I/O Panel

Hold the LED control button for 3 secs to switch between motherboard and button control Hold the LED control button for 6 secs to turn off LED and press once to turn it back on.
* LED control button functions vary depending on the version. Check the product page for more information.
Note: Specifications may vary depending on your region.
Contact your local retailer for more information.
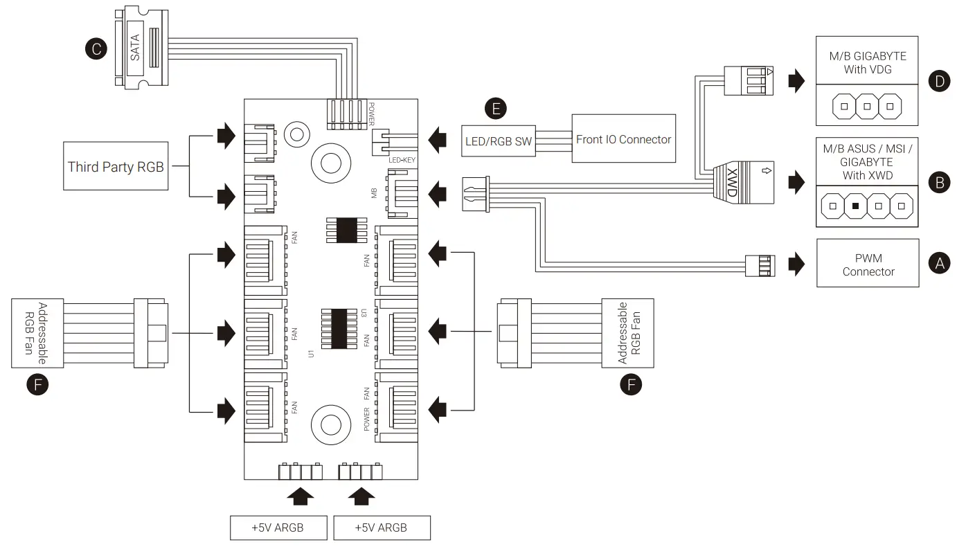
RGB Fan Hub (H66C)

Connection Set Up User Guide
For ASUS Aura Sync, MSI Mystic Light Sync, and GIGABYTE RGB Fusion Motherboards
- Connect (A) to the motherboard’s PWM socket
- Connect (B) to the motherboard’s Addressable RGB socket
- Connect (C) to PSU’s SATA connector
For GIGABYTE RGB Fusion Motherboards
- Connect (A) to the motherboard’s PWM socket
- Connect (D) to the motherboard’s Addressable RGB socket
- Connect (C) to PSU’s SATA connector
For Non-Addressable RGB Motherboards
- Connect (A) to the motherboard’s PWM socket
- Connect the 2-Pin LED button connector (E) with your hub.
- Connect (C) to PSU’s SATA connector
- Use the RGB fan connectors (F) to connect the Addressable RGB fans with your hub.


(3b) Install Add-on Card
(4b) Install 2.5” SSD x1
(4c) Install 2.5” SSD x2
(5b) Install 3.5” HDD x1

(6b) Install Top Fans
(6c) Install Rear Fan
(7b) Install Top Radiator
(7c) Install Rear Radiator



















