Vestil HPC-405 Hydraulic Pail Crusher Instruction

V estil Manufacturing Corp.
2999 Nort h Wayne Street, P.O. Box 507, Angola, IN 46703 Telephone: (260) 665-7586 Toll Free (800) 348-0868 Fax: (260) 665-1339
Web: www.vestilmfg.com
Mail: [email protected]
Receiving Instructions
After delivery, remove the packaging from the product. Inspect the product closely to determine whether it sustained damage during transport. If damage is discovered, record a complete description of it on the bill of lading. If the product is undamaged, discard the packaging.
NOTE: The end-user is solely responsible for confirming that product design, use, and maintenance comply with laws, regulations, codes, and mandatory standards applied where the product is used.
Technical Service & Replacement Parts
For answers to questions not addressed in these instructions and to order replacement parts, labels, and accessories, call our Technical Service and Parts Department at (260) 665-7586. The Department can also be contacted online at https://www.vestil.com/page-parts-request.php.
Electronic Copies of Instruction Manuals
Additional copies of this instruction manual may be downloaded from https://www.vestil.com/page-manuals.php.
SPECIFICATIONS
Dimensions and other product specifications appear in the following diagrams and table.
SIGNAL WORDS
This manual classifies personal injury risks and situations that might cause property damage with signal words. Signal words indicate the seriousness of injuries that might result if a particular act does, or does not, occur.
WARNING:Identifies a hazardous situation which, if not avoided, COULD result in DEATH or SERIOUS INJURY.
NOTICE: Identifies practices likely to result in product/property damage, such as operation that might damage the product.
SAFETY INSTRUCTIONS
Vestil strives to identify all hazards associated with the use of our products. However, material handling is dangerous and no manual can address every risk. The most effective way to avoid injury is for the end-user to exercise sound judgment whenever using this product.
WARNING:
Improper or careless operation might result in serious personal injuries or death.
- Read and understand the entire manual before installing, using or servicing the product.
- Read the manual to refresh your understanding of proper use and maintenance procedures.
- Do not operate the crusher with the loading door open.
- Do not operate the machine if the emergency stop switch does not function properly.
- Do not stand in front of the door during operation.
- Keep clear of all moving parts during operation.
- High pressure oil easily punctures skin which can cause injury such as gangrene. If a hose or coupling leaks, repair the leak before operating the crusher.
- Do not use the crusher if it is damaged or makes unusual noises during operation.
- Do not change the pressure relief valve setting! In particular, do not increase the setting.
- Do not clean out the drum crusher unless power is disconnected.
- Do not attempt to crush smooth-walled pails with this machine. Pails must be ribbed to crush properly. Dent the side of the pail in a few places before loading it into the crusher.
- Only use this unit to crush empty pails. Do not attempt to crush filled pails.
- Do not use brake fluids or jack oils in the hydraulic system. Only use AW-32 hydraulic oil or its equal.
- Do not modify the product in any way. Modifications might make the lifter unsafe to use and automatically void the Limited Warranty. See p. 10.
- DO NOT use this device unless every label is in place and easily readable. See Labeling Diagram on. p. 9.
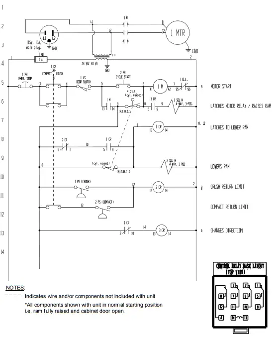
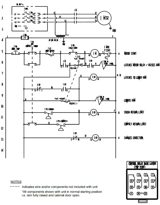
ELECTRICAL CIRCUIT DIAGRAM
115VAC, SINGLE PHASE (22-124-028 REV. B) 
208-230VAC, SINGLE PHASE (22-124-029 REV. B
3-PHASE (22-124-030 REV. B)
EXPLODED VIEW AND BILL OF MATERIALS
(22-006-019) 
| Item | Part no. | Description | Qty. | Item | Part no. | Description | Qty. |
| 1 | 22-514-047 | WELDMENT,CRUSHER BODY | 1 | 13 | 36114 | HEX NUT Z-PLATED, GRADE A, Ø5/8 – 11 UNC | 1 |
| 2 | 22-514-044 | WELDMENT,LEG | 3 | 14 | 11321 | HEX BOLT DIA 5/8″ – 11 x 4 1/2″LG | 1 |
| 3 | 11205 | HEX BOLT, GRADE A, ZINC PLATED, 1/2″-13X 1″ | 3 | 15 | 22-516-003 | WELDMENT,CRUSH PLATE TOP | 1 |
| 4 | 33624 | LOCK WASHER, Z PLATED, Ø 7/16 | 3 | 16 | 22-514-072 | WELDMENT, PLATEN | 1 |
| 5 | 22-016-070 | BRACKET,SHELF | 1 | 17 | 22-016-022 | BRACKET, PUSH PLATE GUIDE | 2 |
| 6 | 11105 | HEX BOLT, GRADE A, ZINC PLATED, 3/8″-16 X 1″ | 2 | 18 | 33008 | FLAT WASHER, LOW CARBON, USS, ZINC PLATED, 3/8″ | 6 |
| 7 | 37024 | NYLON INSERT LOCK NUT, GRADE 2, ZINC FINISH, 3/8″-16 | 2 | 19 | 11107 | HEX BOLT, GRADE A, ZINC FINISH, 3/8″-16 x 1-1/4″ | 4 |
| 8 | 22-525-003 | WELDMENT, HANDLE TIE BAR | 1 | 20 | 22-514-045 | WELDMENT,DOOR | 1 |
| 9 | 99-021-949 | CYLINDER, HYDRAULIC, Ø2 1/2″ x 18″, PISTON STYLE, FLANGE MOUNT | 1 | 21 | 11053 | Ø 5/16 – 18 x 3/4 LG HHCS #2 Z- PLATED, GRADE A | 3 |
| 10 | 11211 | HEX BOLT, GRADE A, ZINC FINISH, 1/2″-13 x 2″ | 4 | 22 | 37021 | NYLON INSERT LOCK NUT, GRADE 2, ZINC FINISH, 5/16″-18 | 3 |
| 11 | 37030 | 1/2″-13 NYLON INSERT LOCK NUT, GRADE 2 | 5 | 23 | 11219 | BOLT, HEX HEAD, GRADE A, Ø 1/2 – 13 UNC X 4 LG | 1 |
| 12 | 22-514-046 | WELDMENT,CRUSH PLATE | 1 | 24 | 99-612-001 | PIN, BULLDOG BOLT AND NUT ASSEMBLY | 3 |
INSTALLING THE CRUSHER-COMPACTOR
The crusher can be installed in either of 2 configurations: 1) as a full assembly including legs and shelf bracket; or 2) as a benchtop unit by removing the legs and shelf bracket.
Full assembly:
The foot plate of each leg includes a bolt hole for 1/2 inch anchor bolts of appropriate length as determined by your building engineer.
Benchtop configuration:
Benchtop installation requires disassembling the legs and shelf bracket. Remove the legs and the bracket by following the steps described and shown in the diagrams below.
OPERATING THE CRUSHER-COMPACTOR
To operate the device: 1) select the appropriate platen configuration. See Platen configurations on p. 8; 2) place a pail inside the cabinet and center it beneath the platen; 3) close the door and latch it; 4) turn the key switch on the control box to the appropriate mode, i.e. either CRUSH or COMPACT; 5) pull out the red emergency stop button; 6) press the START button and hold it until the motor engages. NOTE: Each unit is equipped with a momentary contact control. To begin a crushing or compacting cycle, simply press the START button and hold it until the motor engages. The ram will extend and retract without having to continue to press the button. The direction the ram travels (up/retract or down/extend) is determined by the starting position of the platen. If the platen is fully raised to the top of the cabinet (cylinder fully retracted), the cylinder will extend when the start button is pressed causing the platen to move downwards. If the platen is not fully raised when the START button is pressed, the cylinder will retract and raise the platen to the “Home” position. The power unit will turn off at that point. Pressing the START button again begins a new cycle. Hold the button for a few seconds to latch the circuit (wait until you hear the motor turn on) and begin the cycle.
When the crusher is in home position and the cycle start button is pressed, the cylinder pushes the platen down onto (or into if operating in COMPACT mode) the pail. In order to achieve a short cycle time, both sections of the pump in the power unit drive oil to the cylinder until the cylinder pressure reaches approximately 1000 PSI. At that time, the higher-displacement section recycles oil to the reservoir while the low-displacement, high-pressure section continues to pump oil to the cylinder. This arrangement creates a typical High-Low circuit. As the platen crushes a pail, or compacts the contents of the pail, the cylinder pressure increases until it reaches the set-point of a particular pressure switch/valve. The valve shifts to center and a timer activates that controls the period of decompression. When the decompression period ends, the directional valve shifts and reverses the direction of oil flow to the cylinder. Reversing the flow of oil causes the cylinder to retract and raise the platen to the home position. When the cylinder returns the platen all the way to the top of the cabinet, the power unit turns off. At this point, the cabinet door can be opened. Emergency stop button: The ram can be stopped at any point during a cycle. To stop the ram, press the red emergency stop button located on the control panel. Pressing the button instantly stops the motor and prevents the cylinder moving. To disengage the stop button, pull it out. Press the cycle start button again to retract the cylinder and return the platen to the home position. The crusher is again ready for normal operation.
HYDRAULIC CIRCUIT DIAGRAM
(22-125-026) 
| ITEM | PART NUMBER | DESCRIPTION | QTY. |
| 1 | 99-627-019 | ASSEMBLY. MANIFOLD, REGEN. CIRCUIT | 1 |
| 1.1 | 99-127-027 | MANIFOLD, HYDRAULIC, REGEN CIRCUIT | 1 |
| 1.2 | 99-153-052 | VALVE, HYDRAULIC, 4-WAY, 3-POS, MOTOR CENTER, VC08-3 | 1 |
| 1.3 | 99-153-011 | VALVE, CHECK, NOSE-IN/SIDE-OUT, VC08 | 2 |
| 1.4 | 99-153-006 | VALVE, PRESSURE RELIEF, 210 BAR | 1 |
| 1.5 | 99-153-110 | VALVE, SEQUENCE, HYDRAULIC, VC08 | 1 |
| 1.6 | 99-034-008 | ACCESSORIES, 24VAC COIL W/ DIN CONNECTOR | 2 |
| 2 | 99-021-949 | CYLINDER, HYDRAULIC, Ø2 1/2″x18″, FLANGE MOUNT | 1 |
| 3 | 01-135-050 | MOTOR, 3/4HP, 1PH, 1800RPM, 56F | 1 |
| 4 | 01-143-906-002 | PUMP, VANE, .073 DISPLACEMENT | 1 |
| 5 | 06-023-003 | RESERVOIR, HYDRAUILC, PLASTIC, 160 CUBIC INCHES | 1 |
PLATEN CONFIGURATIONS
The pail crusher comes with 2 platens to allow the Handle user to configure the crusher to perform different functions. The compactor platen is circular and is bolted onto the end of the cylinder. Its circular shape allows it to fit inside pails. The crusher platen consists of 2 plates—a top plate that slides over the compactor platen and a bottom plate that lies beneath the compactor platen. To remove the crushing platen, simply grasp both handles and Compaction Mode: Remove the crusher platen. Press the START button and lower the platen to an ergonomic level. Then, press the red emergency stop button to make the ram stop. Remove the crusher platen by sliding it off of the circular compactor platen. The crusher platen is heavy, so we recommend that at least 2 people perform this task together.
Crush mode: Install the crusher platen by sliding it unto the compactor platen. Only use the crusher platen to crush empty pails.
RECORD OF SATISFACTORY CONDITION
After installing the crusher and before using it for the first time, create a written description of its appearance and operation. Thoroughly photograph the inside and outside of the unit. Include photographs of each label applied to the unit. Press the START button. Watch the ram and listen to the motor as the ram cycles. Record your observations about the sound of the motor and the movement of the ram. Collect all writings and photos in a file. This file is a record of the unit in satisfactory condition. Compare the results each inspection with this record to determine whether the unit is in satisfactory condition. DO NOT use the crusher unless it is in satisfactory condition. NOTE: Purely cosmetic changes, such as damaged surface finish (paint or powder coat), are not changes from satisfactory condition. However, touchup paint should be applied to all areas where the finish is damaged as soon as the damage occurs.
INSPECTIONS & MAINTENANCE
Regular maintenance is essential for maximizing the service life of this product. Compare all inspection results to the RECORD OF SATISFACTORY CONDITION. Only use the unit if it is in satisfactory condition. If an inspection reveals any changes from satisfactory condition, repair/restore the unit to satisfactory conditin before returning it to service. Only use manufacturer-approved replacement parts. DON’T GUESS! Contact TECHNICAL SERVICE if you have questions that are not addressed in these instructions or if you are uncertain how to address an issue discovered during an inspection. Technical Service can be contacted by calling (260) 665-7586 and asking for the Service and Parts Department or by submitting your questions through Vestil’s online parts and service portal at https://www.vestil.com/page-parts-request.php.
- Examine the electrical system for damaged wires/cables.
- Inspect hydraulic hoses and fittings for kinks, punctures, tears, or other damage causing oil leaks.
- Empty the crushing chamber and cycle the ram. Listen for unusual noises and watch for cylinder binding during the cycle. Check the cylinder to make sure that it is not bent or cracked.
- Check the oil level in the reservoir. With the ram in the home position (cylinder fully retracted), oil should be 1” –11/2” below the top of the tank. If oil is needed, add ISO AW-32 hydraulic fluid or its equal.
- Make sure that all labels are in place and easily readable. See Labeling Diagram on p. 9.
- Disconnect the crusher from the electrical power source. Open the door and inspect the platens, cylinder, and crushing chamber. Make sure that the circular compactor platen is securely pinned to the end of the cylinder. Determine the condition of whichever platen(s) will be used. Look for broken welds, cracks, and other damage.
- Inspect the legs. Legs should be square, rigid and free of significant rust and corrosion.
- Repair areas where the finish is been damaged. Use steel wool or a steel bristle brush and a slightly dampened cloth to remove rust. Apply touchup paint to the affected areas once they are dry.
Change the hydraulic oil at least once per year, or immediately if it darkens, looks milky, or becomes gritty. To replace the hydraulic oil, remove the oil fill plug and drain oil from the reservoir. Then, flush the reservoir with fresh hydraulic fluid before filling it. Install the drain plug and fill the reservoir with new hydraulic fluid. Only use ISO AW-32 hydraulic oil or its equal.
LABELING DIAGRAM
The unit should be labeled as shown in the diagram. However, label content and location are subject to change so your product might not be labeled exactly as shown. Compare this diagram to your Record of Satisfactory Condition. Replace all labels that are dam aged, missing, or not easily readable (e.g. faded). Order replacement labels by contacting the Replacement Parts Department online at http://www.vestilmfg.com/parts_info.htm. Alternatively, you may request replacement parts and/or service by calling (260) 665-7586 and asking the operator to conn ect you to the Parts Department.
LIMITED WARRANTY
Vestil Manufacturing Corporation (“Vestil”) warrants this product to be free of defects in material and workmanship during the warranty period. Our warranty obligation is to provide a replacement for a defective, original part covered by the warranty after we receive a proper request from the Warrantee (you) for warranty service.
- Who may request service?
Only a warrantee may request service. You are a warrantee if you purchased the product from Vestil or from an authorized distributor AND Vestil has been fully paid. - Definition of “original part”?
An original part is a part used to make the product as shipped to the Warrantee. - What is a “proper request”?
A request for warranty service is proper if Vestil receives: 1) a photocopy of the Customer Invoice that displays the shipping date; AND 2) a written request for warranty service including your name and phone number. Send requests by one of the following methods:
US Mail Fax Vestil Manufacturing Corporation (260) 665-1339 2999 North Wayne Street, PO Box 507 Phone Angola, IN 46703 (260) 665-7586
Email [email protected]
Enter “Warranty service request” in the subject field.
In the written request, list the parts believed to be defective and include the address where replacements should be delivered. After Vestil receives your request for warranty service, an authorized representative will contact you to determine whether your claim is covered by the warranty. Before providing warranty service, Vestil will require you to send the entire product, or just the defective part (or parts), to its facility in Angola, IN.
- What is covered under the warranty?
The warranty covers defects in the following original, dynamic parts: motors, hydraulic pumps, motor controllers, and cylinders. It also covers defects in original parts that wear under normal usage conditions (“wearing parts”), such as bearings, hoses, wheels, seals, brushes, and batteries. - How long is the warranty period?
The warranty period for original dynamic components is 1 year. For wearing parts, the warranty period is 90 days. Both warranty periods begin on the date Vestil ships the product to the Warrantee. If the product was purchased from an authorized distributor, the periods begin when the distributor ships the product. Vestil may, at its sole discretion, extend a warranty period for products shipped from authorized distributors by up to 30 days to account for shipping time. - If a defective part is covered by the warranty, what will Vestil do to correct the problem?
Vestil will provide an appropriate replacement for any covered part. An authorized representative of Vestil will contact you to discuss your claim. - What is not covered by the warranty?
The Warrantee (you) is responsible for paying labor costs and freight costs to return the product to Vestil for warranty service.
Events that automatically void this Limited Warranty.
- Misuse;
- Negligent assembly, installation, operation or repair;
- Installation/use in corrosive environments;
- Inadequate or improper maintenance;
- Damage sustained during shipping;
- Collisions or other accidents that damage the product;
- Unauthorized modifications: Do not modify the product IN ANY WAY without first receiving written authorization from Vestil.
Do any other warranties apply to the product?
Vestil Manufacturing Corp. makes no other express warranties. All implied warranties are disclaimed to the extent allowed by law. Any implied warranty not disclaimed is limited in scope to the terms of this Limited Warranty. Vestil makes no warranty or representation that this product complies with any state or local design, performance, or safety code or standard. Noncompliance with any such code or standard is not a defect in material or workmanship.
Copyright 2021 Vestil Manufacturing Co.


















