suprema IM-120 Input Module

Safety information
Please read this safety instructions before you use the product to prevent injury to yourself and others and to prevent property damage. The term ‘product’ in this manual refers to the product and any items provided with the product.
Warning
Installation
- Do not install or repair the product arbitrarily.
• This may result in electric shock, fire, or product damage.
• Damages caused by any modifications or failure to follow installation instructions can void the manufacturer’s warranty. - Do not install the product in a place with direct sunlight, moisture, dust, soot, or a gas leak.
• This may result in electric shock or fire. - Do not install the product in a location with heat from an electric heater.
• This may result in fire due to overheating. - Install the product in a dry location.
• Humidity and liquids may result in electric shock or product damage. - Do not install the product in a location where it will be affected by radio frequencies.
• This may result in fire or product damage.
Operation
- Keep the product dry.
• Humidity and liquids may result in electric shock, fire, or product damage. - Do not use damaged power supply adaptors, plugs, or loose electrical sockets.
• Unsecured connections may cause electric shock or fire. - Do not bend or damage the power cord.
• This may result in electric shock or fire.
Caution
Installation
- Do not install the product under direct sunlight or UV light.
• This may result in product damage, malfunction, discoloration, or deformation. - Do not install the power supply cable in a location where people pass by.
• This may result in injury or product damage. - Do not install the product near magnetic objects, such as a magnet, TV, monitor (especially CRT), or speaker.
• The product may malfunction.
Operation
- Do not drop the product or cause impacts to the product.
• The product may malfunction. - Do not disconnect the power supply while upgrading the firmware of the product.
• The product may malfunction. - Do not press buttons on the product by force or do not press them with a sharp tool.
• The product may malfunction. - Do not store your product in very hot or very cold places. It is recommended to use the product at temperatures from -20°C to 60°C.
• The product may malfunction. - When cleaning the product, mind the following.
• Wipe the product with a clean and dry towel.
• If you need to sanitize the product, moisten the cloth or the wipe with a proper amount of rubbing alcohol and gently clean all exposed surfaces including the fingerprint sensor. Use rubbing alcohol (containing 70% Isopropyl alcohol) and a clean, non-abrasive cloth like lens wipe.
• Do not apply liquid directly to the surface of the product. - Do not use the product for anything other than its intended use.
• The product may malfunction.
Introduction
Components

NOTE: Components may vary according to the installation environment.
Accessory
You can use the Input Module with the enclosure (ENCR-10). The enclosure is sold separately, and you can install two
Input Modules in one enclosure. The enclosure includes a power status LED board, power distribution board, power supply, and tamper. To learn how to install the Input Module in the enclosure, refer to Using the Input Module with the enclosure.
NOTE:
- There is no optimal height for installing ENCR-10 on the wall. Install it to a safe and convenient location for you to use.
- Fixing screws for the enclosure, the device, and the power supply cable are included in the ENCR-10 package.
Use each screw correctly by following the details below.- Fixing screws for the enclosure (diameter: 4 mm, length: 25 mm) x 4
- Fixing screws for the device (diameter: 3 mm, length: 5 mm) x 6
- Fixing screws for the power supply cable (diameter: 3 mm, length: 8 mm) x 1
Name and function of each part

| No. | Name |
| 1 | RESET button |
| 2 | INIT button |
| 3 | Supervised Input (9, 10, 11) connection |
| 4 | Supervised Input (6, 7, 8) connection |
| 5 | Relay 1 connection |
| 6 | AUX IN (0, 1) and Tamper connection |
| 7 | RS-485 terminating resistance switch |
| 8 | RS-485 connection |
| 9 | Power connection (DC 12 – 24 V) |
| 10 | Relay 0 connection |
| 11 | Supervised Input (3, 4, 5) connection |
| 12 | Supervised Input (0, 1, 2) connection |
NOTE: Press and hold the INIT button for 2 seconds or longer to initialize the Input Module currently linked with a
device and connect it to a different device.
LED Indicator
You can check the status of the device by the color of the LED indicator.
| Item | LED | Status |
| POWER | Solid red | Power on |
|
STATUS | Solid green | Connected with the secure session |
| Solid blue | Disconnected from a master device | |
| Solid pink | Upgrading the firmware | |
| Solid yellow | RS-485 communication error due to different encryption key or OSDP packet loss | |
| Solid sky blue | Connected without the secure session | |
| Blinking green | Waiting for the final input to reset settings | |
| Solid green | Settings initialization completed | |
| SUPERVISED INPUT (0 – 11) | Solid red | Receiving an input signal |
| RELAY (0, 1) | Solid red | Relay operation |
| RS-485 TX | Blinking orange | Transmitting RS-485 data |
| RS-485 RX | Blinking green | Receiving RS-485 data |
| AUX IN (0, 1) | Solid orange | Receiving an AUX signal |
| TAMPER | Solid orange | Tamper operation |
Installation example
The Input Module provides instant relay behavior by connecting to BioStar 2 for detected inputs in real-time and it operates a relay or saves logs for detected inputs while it is disconnected from the master device. The Input Module supports 12 channel supervised input, 2 channel relay, 2 channel AUX input, and 1 channel tamper input to detect status, such as 1 channel RS-485, disconnection, short, on, or off for networking with the master device.
Installation
NOTE: To learn how to install the Input Module in the enclosure, refer to Using the Input Module with the enclosure.
- Fix a spacer on the position to mount Input Module using a fixing screw.
- Fix the product on top of the fixed spacer firmly using a fixing screw.
Power Connection
CAUTION:
- Make sure to use separate power for the access control device and Input Module.
- Use the correct power specifications (12 VDC, 130 mA or 24 VDC, 82 mA).
RS-485 Connection
You can connect the Input Module to a master device.
NOTE:
- Use an AWG24 twisted pair with less than 1.2 km in length for the RS-485 cable.
- If connecting with a RS-485 daisy chain, connect the termination resistor (120 Ω) to both ends of the daisy chain connection. If connected to the middle line, the signal level becomes smaller and the communication performance will deteriorate. Make sure to connect it to both ends of the daisy chain connection. Set the termination switch(TERM) to ON for Input Module.
RS485 wire size shall be over 26 AWG and all wiring must comply with National Electrical Code, ANSI/NFPA 70.
Relay Connection
The relay of the Input Module can control door locks and alarms. Connect the relay as NC (Normally Closed) or NO (Normally Open) by referring to the installation guide of the connection device.
NOTE:
Fail Safe Lock: In order to use the Fail Safe Lock, connect the NC relay as shown in the figure below. There is normally a current flowing through the relay for the Fail Safe Lock. When the relay is activated, blocking the current flow, the door will open. If the power supply to the product is cut off due to a power failure or an external factor, the door will open.
Fail Secure Lock: In order to use the Fail Secure Lock, connect NO relay as shown in the figure below. There is normally no current flowing through the relay for the Fail Secure Lock. When the current flow is activated by the relay, the door will open. If the power supply to the product is cut off due to a power failure or an external factor, the door will lock.
Connect a diode to both ends of the power input as shown in the figure below when installing a deadbolt or a door strike. Make sure to connect the Cathode (direction to the stripe) to the + part of the power while paying attention to the direction of the diode.
Do not connect the relay of the Input Module in duplicate to the device connected to the relay port of the master device.
Supervised Input Connection
You can connect a fire sensor, heat sensor, security sensor, door sensor, exit button, or etc. The SUPERVISED INPUT 0 to 11 pins detect the voltage flowing through the circuit to monitor device disconnection, short, on, and off conditions, and can also be used as a general TTL input. With BioStar 2, you can set the behavior according to the Supervised Input status, and you can monitor the status of each input.

NOTE:
- Do not connect the input of the Input Module in duplicate to the device connected to the input port of the master device.
- The Input Module can be used by connecting 1 kΩ, 2.2 kΩ, 4.7 kΩ, or 10 kΩ resistors. After connecting the resistor corresponding to the input device of the connection, set the same resistance value in BioStar 2.
- To learn how to operate it depending on the supervised input status, refer to the manual of BioStar 2.
Tamper Connection
If Input Module is detached from the installed location due to an external factor, it can trigger an alarm or save an event log.
Using the Input Module with the enclosure
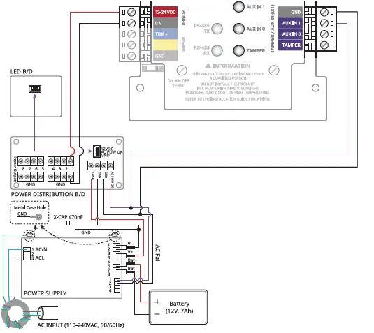
The Input Module can be installed inside the enclosure (ENCR-10) for physical and electrical protection. The enclosure includes a power status LED board, power distribution board, power supply, and tamper. The enclosure is sold separately.
Securing the battery
Insert the battery velcro strap into the enclosure and secure the battery.
CAUTION:
Use a backup battery with 12 VDC and 7 Ah or higher. This product was tested with ‘ES7-12’ battery of ‘ROCKET’. It is recommended to use a battery corresponding to ‘ES7-12’.
Installing the Input Module in the enclosure
Check the position to install the Input Module in the enclosure. You can install two Input Modules in one enclosure.
After positioning the Input Module in the enclosure, fix it with the fixing screws.
NOTE:
- There is no optimal height for installing ENCR-10 on the wall. Install it to a safe and convenient location for you to use.
- Fixing screws for the enclosure, the device and the power supply cable are included in the ENCR-10 package. Use each screw correctly by following the details below.
Fixing screws for the enclosure (diameter: 4 mm, length: 25 mm) x 4
Fixing screws for the device (diameter: 3 mm, length: 5 mm) x 6
Fixing screws for the power supply cable (diameter: 3 mm, length: 8 mm) x 1
Power and AUX Input Connection
You can connect an Uninterruptible Power Supply (UPS) to prevent power failure. And a power failure detector or a dry contact output can be connected to the AUX IN terminal.
CAUTION:
- Make sure to use separate power for the access control device and Input Module.
- Use the correct power specifications (12 VDC, 130 mA or 24 VDC, 82 mA).
Tamper Connection
If Input Module is detached from the installed location due to an external factor, it can trigger an alarm or save an event log.
NOTE:
For more information, contact the Suprema technical support team (support.supremainc.com).
Product Specifications
| Category | Feature | Specification |
|
General | Model | IM-120 |
| CPU | Cortex M3 72 MHz | |
| Memory | 512 KB Flash + 64 KB SRAM | |
|
LED | • Multi-color • Power – 1 • Status – 1 • RS-485 TX – 1 • RS-485 RX – 1 • Supervised Input – 12 • Relay – 2 • AUX IN – 2 • Tamper – 1 | |
| Operating Temperature | -20°C–60°C | |
| Storage Temperature | -40°C–70°C | |
| Operating Humidity | 0 %–95 %, non-condensing | |
| Storage Humidity | 0 %–95 %, non-condensing | |
| Dimension (W x H x D) | 90 mm x 190 mm x 21 mm | |
| Weight | 203 g | |
| Certificates | CE, FCC, KC, RoHS, REACH, WEEE | |
|
Interface | Supervised Input | 12 ch (TTL Input selectable) |
| RS-485 | 1 ch | |
| Relay | 2 relays | |
| AUX Input | 2 ch (AC POWER FAIL) | |
| Tamper Input | 1 ch | |
| Capacity | Text Log | 10ea per port* |
|
Electrical | Power | • Power: DC 12 V (Max. 130 mA) or DC 24 V (Max. 82 mA) • Adapter recommended specifications: DC 12 V (± 10%) with a minimum of 1 A or DC 24 V (±10%) with a minimum of 1 A** |
| Switch Input VIH | Max. 5 V (Dry Contact) | |
| Relay | 5 A @ 30 VDC Resistive load |
* Product specifications are subject to change without notice to improve.
* For events that occur while network connection is lost, up to 10 events can be saved per port. When a port is full, each newly logged event will replace the oldest one.
Dimensions

FCC compliance information
THIS DEVICE COMPLIES WITH PART 15 OF THE FCC RULES.
Operation is subject to the following two conditions:
- This device may not cause harmful interference, and
- This device must accept any interference received, including interference that may cause undesired operation.
- This equipment has been tested and found to comply with the limits for a Class A digital device, pursuant to part 15 of the FCC Rules. These limits are designed to provide reasonable protection against harmful interference in a commercial installation. This equipment generates, uses, and can radiate radio frequency energy and, if not installed and used in accordance with the instructions manual, it may cause harmful interference to radio communications. Operation of this equipment in a residential area is likely to cause harmful interference, in which case the user will be required to correct the interference at his own expense.
- Modifications: Any modifications made to this device that are not approved by Suprema Inc. may void the authority granted to the user by the FCC to operate this equipment.
Appendices
Disclaimers
- Information in this document is provided in connection with Suprema products.
- The right to use is acknowledged only for Suprema products included in the terms and conditions of use or sale for such products guaranteed by Suprema. No license, express or implied, by estoppel or otherwise, to any intellectual property is granted by this document.
- Except as expressly stated in an agreement between you and Suprema, Suprema assumes no liability whatsoever, and Suprema disclaims all warranties, express or implied including, without limitation, relating to fitness for a particular purpose, merchantability, or noninfringement.
- All warranties are VOID if Suprema products have been: 1) improperly installed or where the serial numbers, warranty date or quality assurance decals on the hardware are altered or removed; 2) used in a manner other than as authorized by Suprema; 3) modified, altered, or repaired by a party other than Suprema or a party authorized by Suprema; or 4) operated or maintained in unsuitable environmental conditions.
- Suprema products are not intended for use in medical, lifesaving, life-sustaining applications, or other applications in which the failure of the Suprema product could create a situation where personal injury or death may occur. Should you purchase or use Suprema products for any such unintended or unauthorized application, you shall indemnify and hold Suprema and its officers, employees, subsidiaries, affiliates, and distributors harmless against all claims, costs, damages, and expenses, and reasonable attorney fees arising out of, directly or indirectly, any claim of personal injury or death associated with such unintended or unauthorized use, even if such claim alleges that Suprema was negligent regarding the design or manufacture of the part.
- Suprema reserves the right to make changes to specifications and product descriptions at any time without notice to improve reliability, function, or design.
- Personal information, in the form of authentication messages and other relative information, may be stored within Suprema products during usage. Suprema does not take responsibility for any information, including personal information, stored within Suprema’s products that are not within Suprema’s direct control or as stated by the relevant terms and conditions. When any stored information, including personal information, is used, it is the responsibility of the product users to comply with national legislation (such as GDPR) and to ensure proper handling and processing.
- You must not rely on the absence or characteristics of any features or instructions marked “reserved” or
“undefined.” Suprema reserves these for future definition and shall have no responsibility whatsoever for conflicts or incompatibilities arising from future changes to them. - Except as expressly set forth herein, to the maximum extent permitted by law, the Suprema products are sold “as is”.
- Contact your local Suprema sales office or your distributor to obtain the latest specifications and before placing your product order.
Copyright Notice
Suprema has the copyright of this document. The rights of other product names, brands, and trademarks belong to individuals or organizations who own them..
Open Source License
- To request the modified source code based on FreeRTOS, which are included in this product, please visit at support. supremainc.com and contact to Suprema Tech Team.
MIT Open Source License
Permission is hereby granted, free of charge, to any person obtaining a copy of this software and associated documentation files (the “Software”), to deal in the Software without restriction, including without limitation the rights to use, copy, modify, merge, publish, distribute, sublicense, and/or sell copies of the Software, and to permit persons to whom the Software is furnished to do so, subject to the following conditions:
The above copyright notice and this permission notice shall be included in all copies or substantial portions of the Software.
THE SOFTWARE IS PROVIDED “AS IS”, WITHOUT WARRANTY OF ANY KIND, EXPRESS OR IMPLIED, INCLUDING BUT NOT LIMITED TO THE WARRANTIES OF MERCHANTABILITY, FITNESS FOR A PARTICULAR PURPOSE AND NONINFRINGEMENT. IN NO EVENT SHALL THE AUTHORS OR COPYRIGHT HOLDERS BE LIABLE FOR ANY CLAIM, DAMAGES OR OTHER LIABILITY, WHETHER IN AN ACTION OF CONTRACT, TORT OR OTHERWISE, ARISING FROM, OUT OF OR IN CONNECTION WITH THE SOFTWARE OR THE USE OR OTHER DEALINGS IN THE SOFTWARE.
Suprema Inc.
17F Parkview Tower, 248, Jeongjail-ro, Bundang-gu, Seongnam-si, Gyeonggi-do, 13554, Rep. of KOREA Tel: +82 31 783 4502 | Fax: +82 31 783 4503 | Inquiry: [email protected]
For more information about Suprema’s global branch offices, visit the webpage below by scanning the QR code.
https://supremainc.com/en/about/global-office.asp
© 2022 Suprema Inc. Suprema and identifying product names and numbers herein are registered trade marks of Suprema, Inc. All non-Suprema brands and product names are trademarks or registered trademarks of their respective companies.
Product appearance, build status and/or specifications are subject to change without notice.
















