
Output Module
INSTALLATION GUIDE
Safety information
Please read these safety instructions before you use the product to prevent injury to yourself and others and to prevent property damage. The term ‘product’ in this manual refers to the product and any items provided with the product.
Instructional icons
Warning: This symbol indicates situations that could result in death or severe injury.
Caution: This symbol indicates situations that may result in moderate injury or property damage.
Note: This symbol indicates notes or additional information.
Warning
Installation
Do not install or repair the product arbitrarily.
- This may result in electric shock, fire, or product damage.
- Damages caused by any modifications or failure to follow installation instructions can void the manufacturer’s warranty.
Do not install the product in a place with direct sunlight, moisture, dust, soot, or a gas leak.
- This may result in electric shock or fire.
Do not install the product in a location with heat from an electric heater.
- This may result in fire due to overheating. Install the product in a dry location.
- Humidity and liquids may result in electric shock or product damage.
Do not install the product in a location where it will be affected by radio frequencies.
- This may result in fire or product damage.
Operation
Keep the product dry.
- Humidity and liquids may result in electric shock, fire, or product damage.
Do not use damaged power supply adaptors, plugs, or loose electrical sockets.
- Unsecured connections may cause electric shock or fire.
Do not bend or damage the power cord.
- This may result in electric shock or fire.
Caution
Installation
Do not install the power supply cable in a location where people pass by.
- This may result in injury or product damage.
Do not install the product near magnetic objects, such as a magnet, TV, monitor (especially CRT), or speaker.
- The product may malfunction.
Operation
Do not drop the product or cause impacts to the product.
- The product may malfunction.
Do not disconnect the power supply while upgrading the firmware of the product.
- The product may malfunction.
Do not press buttons on the product by force or do not press them with a sharp tool.
- The product may malfunction.
When cleaning the product, mind the following.
- Wipe the product with a clean and dry towel.
- If you need to sanitize the product, moisten the cloth or wipe with a proper amount of rubbing alcohol and gently clean all exposed surfaces including the fingerprint sensor. Use rubbing alcohol (containing 70% Isopropyl alcohol) and a clean, non-abrasive cloth like a lens wipe.
- Do not apply the liquid directly to the surface of the product.
Do not use the product for anything other than its intended use.
- The product may malfunction.
Introduction
Components

| Output Module (OM-120) | Drilling Template |
![]() | ![]() |
| Fixing screw x12 | Spacer x6 |
• Components may vary according to the installation environment.
Accessory
You can use the Output Module with the enclosure (ENCR-10). The enclosure is sold separately, and you can install two Output Modules in one enclosure. The enclosure includes a power status LED board, power distribution board, power supply, and tamper. To learn how to install the Output Module in the enclosure, refer to Using the Output Module with the enclosure.


- There is no optimal height for installing ENCR-10 on the wall. Install it in a safe and convenient location for you to use.
- Fixing screws for the enclosure, the device, and the power supply cable are included in the ENCR-10 package. Use each screw correctly by following the details below.
– Fixing screws for the enclosure (diameter: 4 mm, length: 25 mm) x 4
– Fixing screws for the device (diameter: 3 mm, length: 5 mm) x 6
– Fixing screws for the power supply cable (diameter: 3 mm, length: 8 mm) x 1
Name of each part

• Press the INIT button to reset the Output Module interworking with a device and then connect to another device.
LED Indicator
You can check the status of the device by the color of the LED indicator.
| Item | LED | Status |
| POWER | Solid red | Power on |
| STATUS | Solid green | Connected with the secure session |
| Solid blue | Disconnected from a master device | |
| Solid pink | Upgrading the firmware | |
| Solid yellow | RS-485 communication error due to different encryption key or OSDP packet loss | |
| Solid sky blue | Connected without the secure session | |
| RELAY (0 – 11) | Solid red | Relay operation |
| RS-485 TX | Blinking green | Transmitting RS-485 data |
| RS-485 RX | Blinking orange | Receiving RS-485 data |
| AUX IN (0, 1) | Solid orange | Receiving an AUX signal |
Installation example
OM-120 is an expansion module for floor access control. Combined with the Suprema device and BioStar 2, a single module can control 12 floors. When the OM-120 is connected as a daisy chain via RS-485, you can control up to 192 floors per elevator.

Installation
Output Module can be mounted in the enclosure or elevator control panel.
• To learn how to install the Output Module in the enclosure, refer to Using the Output Module with the enclosure.
- Fix a spacer on the position to mount the Output Module using a fixing screw.
- Fix the product on top of the fixed spacer firmly using a fixing screw.

Power Connection


- Make sure to use separate power for the access control device and Output Module.
- Use the correct power specifications (12 VDC, 1 A).

- It is recommended to connect and use an Uninterruptible Power Supply (UPS) to prevent power failure.
RS-485 Connection
- RS-485 should be AWG24, twisted pair, and the maximum length is 1.2 km.
- Connect a termination resistor (120Ω) to both ends of an RS-485 daisy chain connection.
It should be installed at both ends of the daisy chain. If it is installed in the middle of the chain, the performance in communicating will deteriorate because it reduces the signal level. - Up to 31 modules can be connected to the master device.

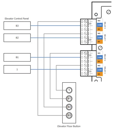
Relay Connection
- Relay connection may vary depending on the elevator. Please consult your elevator installer for details.
- Each relay has to be connected to the corresponding floor.
- Use the figure below as an example.

AUX
The dry contact output or tamper can be connected.

Using the Output Module with the enclosure
The Output Module can be installed inside the enclosure (ENCR-10) for physical and electrical protection. The enclosure includes a power status LED board, power distribution board, power supply, and tamper. The enclosure is sold separately.
Securing the battery
Insert the battery velcro strap into the enclosure and secure the battery.

![]()
- Use a backup battery with 12 VDC and 7 Ah or higher. This product was tested with the ‘ES7-12’ battery of ‘ROCKET’. It is recommended to use a battery corresponding to ‘ES7-12’.

- The battery is sold separately.
- If the dimension of the backup battery is larger than the recommended specification, it may not be able to be mounted in the enclosure or the enclosure may not close after it is mounted. Also, if the shape and dimension of the terminals are different, the battery cannot be connected using the cable provided.

Installing the Output Module in the enclosure
- Check the position to install the Output Module in the enclosure. You can install two Output Modules in one enclosure.

- After positioning the Output Module in the enclosure, fix it with the fixing screws.

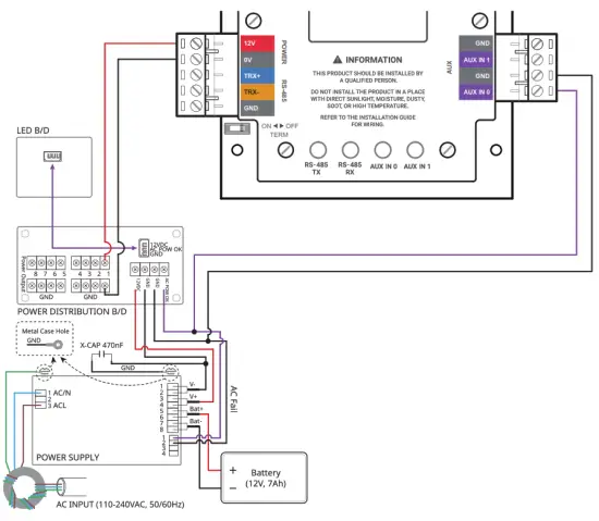
Power and AUX Input Connection
You can connect an Uninterruptible Power Supply (UPS) to prevent power failure. And a power failure detector or a dry contact output can be connected to the AUX IN terminal.

![]()
- Make sure to use separate power for the access control device and Output Module.
- Use the correct power specifications (12 VDC, 1 A).
- Use a backup battery with 12 VDC and 7 Ah or higher. This product was tested with ‘ES7-12’ battery of ‘ROCKET’. It is recommended to use a battery corresponding to ‘ES7-12’.
Tamper Connection
If the Output Module is detached from the installed location due to an external factor, it can trigger an alarm or save an event log.

• For more information, contact the Suprema technical support team (support.supremainc.com).
Product Specifications
Category | Feature | Specification |
|
General | Model | OM-120 |
| CPU | Cortex M3 72 MHz | |
| Memory | 128KB Flash, 20KB SRAM | |
| LED | Multi-color • POWER – 1 | |
| Operating Temperature | -20°C–60°C | |
| Storage Temperature | -40°C–70°C | |
| Operating Humidity | 0 %–95 %, non-condensing | |
| Storage Humidity | 0 %–95 %, non-condensing | |
| Dimension (W x H x D) | 90 mm x 190 mm x 21 mm | |
| Weight | 300 g | |
| Certificates | CE, FCC, KC, RoHS, REACH, WEEE | |
| Interface | RS-485 | 1 ch |
| AUX Input | 2ch Dry Contact Input | |
| Relay | 12 relays | |
| Capacity | Text Log | 10ea per port |
|
Electrical | Power | • Voltage: 12VDC • Current: Max. 1 A |
| Switch Input VIH | Max. 5 V (Dry Contact) | |
| Relay | 5 A @ 30 VDC Resistive load |
Dimensions

FCC compliance information
THIS DEVICE COMPLIES WITH PART 15 OF THE FCC RULES.
Operation is subject to the following two conditions:
(1) This device may not cause harmful interference, and
(2) This device must accept any interference received, including interference that may cause undesired operation.

- This equipment has been tested and found to comply with the limits for a Class A digital device, pursuant to part 15 of the FCC Rules. These limits are designed to provide reasonable protection against harmful interference in a commercial installation. This equipment generates, uses, and can radiate radio frequency energy and, if not installed and used in accordance with the instructions manual, it may cause harmful interference to radio communications. Operation of this equipment in a residential area is likely to cause harmful interference, in which case the user will be required to correct the interference at his own expense.
- Modifications: Any modifications made to this device that are not approved by Suprema Inc. may void the authority granted to the user by the FCC to operate this equipment.
Appendices
Disclaimers
- Information in this document is provided in connection with Suprema products. Appendices
- The right to use is acknowledged only for Suprema products included in the terms and conditions of use or sale for such products guaranteed by Suprema. No license, express or implied, by estoppel or otherwise, to any intellectual property is granted by this document.
- Except as expressly stated in an agreement between you and Suprema, Suprema assumes no liability whatsoever, and Suprema disclaims all warranties, express or implied including, without limitation, relating to fitness for a particular purpose, merchantability, or non-infringement.
- All warranties are VOID if Suprema products have been: 1) improperly installed or where the serial numbers, warranty data or quality assurance decals on the hardware are altered or removed; 2) used in a manner other than as authorized by Suprema; 3) modified, altered, or repaired by a party other than Suprema or a party authorized by Suprema; or 4) operated or maintained in unsuitable environmental conditions.
- Suprema products are not intended for use in medical, lifesaving, life-sustaining applications, or other applications in which the failure of the Suprema product could create a situation where personal injury or death may occur. Should you purchase or use Suprema products for any such unintended or unauthorized application, you shall indemnify and hold Suprema and its officers, employees, subsidiaries, affiliates, and distributors harmless against all claims, costs, damages, and expenses, and reasonable attorney fees arising out of, directly or indirectly, any claim of personal injury or death associated with such unintended or unauthorized use, even if such claim alleges that Suprema was negligent regarding the design or manufacture of the part.
- Suprema reserves the right to make changes to specifications and product descriptions at any time without notice to improve reliability, function, or design.
- Personal information, in the form of authentication messages and other relative information, may be stored within Suprema products during usage. Suprema does not take responsibility for any information, including personal information, stored within Suprema’s products that are not within Suprema’s direct control or as stated by the relevant terms and conditions. When any stored information, including personal information, is used, it is the responsibility of the product users to comply with national legislation (such as GDPR) and to ensure proper handling and processing.
- You must not rely on the absence or characteristics of any features or instructions marked “reserved” or “undefined.” Suprema reserves these for future definition and shall have no responsibility whatsoever for conflicts or incompatibilities arising from future changes to them.
- Except as expressly set forth herein, to the maximum extent permitted by law, the Suprema products are sold “as is”.
- Contact your local Suprema sales office or your distributor to obtain the latest specifications before placing your product order.
Copyright Notice
Suprema has the copyright of this document. The rights of other product names, brands, and trademarks belong to individuals or organizations who own them.

Suprema Inc.
17F Parkview Tower, 248, Jeongjail-ro, Bundang-gu, Seongnam-si, Gyeonggi-do, 13554, Rep. of KOREA
Tel: +82 31 783 4502 | Fax: +82 31 783 4503 | Inquiry: [email protected]
https://www.supremainc.com/en/about/contact-us.asp
For more information about Suprema’s global branch offices, visit the webpage below by scanning the QR code. http://www.supremainc.com/en/about/contact-us.asp
© 2021 Suprema Inc. Suprema and identifying product names and numbers herein are registered trademarks of Suprema, Inc.
All non-Suprema brands and product names are trademarks or registered trademarks of their respective companies.
Product appearance, build status, and/or specifications are subject to change without notice.























