VIMAR 01489 Smart Automation By-Me Plus

Instruction
Home automation control device with four push buttons, 1 0/1-10 V SELV output, 1 NO contact relay output 2A 120-240 V~ 50/60 Hz for ballast and LED driver, visible in darkness with RGB LEDs with intensity adjustment, to be completed with interchangeable half-button caps comprising 1 or 2 modules Linea, Eikon, Arkè or Plana – 2 modules.
The device is equipped with independent push buttons that can also be configured as rocker buttons, 0/1-10 V SELV proportional actuator for ballast and LED driver (the relay cuts off the load), 0/1-10 V SELV climate control proportional relay for motorized proportional valves (the relay does not cut off the load), RGB LEDs with configurable color, for setting and control functions in By-me home automation systems. The 0/1-10 V output is galvanically isolated (double insulation or reinforced insulation) from the mains power supply and from the BUS. For the Linea, Eikon and Arkè series, all the button covers, whether from the catalogue or customized, have symbols which can be backlit with customizable RGB colours.
FEATURES
- Rated supply voltage: 29 V BUS
- Absorption from the BUS: 25 mA
- Distance between 0/1-10 V output and load: max 50 m with twisted cable
- Terminals:
- TP bus,
- relay contacts (C, NO)
- 0/1-10 V SELV control
- 0/1-10 V SELV maximum output current:
- 30 mA absorption (load with 0/1-10 V SELV interface active)
- 10 mA delivery (load with 0/1-10 V SELV interface passive)
- 0/1-10 V SELV overload-protected output
- 4 push buttons which can also be configured as rocker buttons
- 4 RGB LEDs with configurable colour
- red LED and configuration push button
- Operating temperature: -5 °C ÷ +45 °C (indoor use)
- Protection degree: IP20
- Device 30489-01489 should be configured with the Automation Gateway 01410-01411 and App View Pro.
- Not compatible with By-me control panels 21509 and EasyTool Professional.
CONTROLLABLE LOADS
- Relay output (120 – 240 V~ controllable loads, NO contact):
- ballast and 2 A LED driver (5,000 cycles)
- 0/1-10 V SELV output:
- ballast and LED driver with 0/1-10 V SELV input
- motorised proportional valves with 0/1-10 V SELV input
Plug&Play
CAUTION: The plug&play mode requires the system to include only plug&play devices and not devices configured in the By-me Plus system.
For operation in Plug&Play mode, only install the 1-module fixed half-button caps on the device.
In the absence of a configuration, the device is pre-configured as a 0/1-10V propor-tional actuator:
- briefly press B to activate the relay actuator of the device;
- press B for a prolonged time to make the upwards adjustment (increase);
- briefly press C to deactivate the relay actuator of the device;
- press C for a prolonged time to make the downwards adjustment (decrease);
- press F to send a “Lights OFF” scenario over the bus;
- press E to send a “Lights OFF and roller shutters DOWN” scenario over the bus.
When push buttons are pressed, the LEDs are on for 3 s.
SETTING THE COLOUR OF THE LEDS
PLUG&PLAY mode.
- Procedure activation: simultaneously press push buttons E and F for a prolonged time; the LEDs will all illuminate in the colour currently set.
- Colour selection: briefly press push button E or F to view the next colour.
- Saving the colour and exiting the procedure: press push button F or E for a prolonged time.
- Exiting the procedure without saving the colour: automatic after a timeout of 5 s.
By-me Plus SYSTEM.
- The colour is set from the App using the respective menus.
OPERATION
Home automation device acting as a proportional actuator.
- Possible functions:
- Dimming control/adjustment of ballast and LED driver with 0/1-10 V SELV control interface (the load can be cut off by the relay).
- Operating motorised proportional valves with 0/1-10 V SELV control interface for temperature control systems (the load cannot be cut off by the relay).
At power-on the relay is set to OFF status. The subsequent status varies according to a configurable parameter.
CONFIGURATION
For the configuration operations, see the By-me Plus system manual.
- Functional units: 7
- Top left push button functional unit
- Bottom left push button functional unit
- Top right push button functional unit
- Bottom right push button functional unit
- Left rocker button functional unit
- Right rocker button functional unit
- Proportional actuator functional unit
INSTALLATION RULES
- If motorised valves are connected, these must be class III and equipped with the symbol.
- If ballasts or LED drivers are connected, these can either be class I or class II with the 0/1-10V SELV output.
- The 0/1-10 V interface of the controlled loads must be isolated from the mains power supply by double insulation or by reinforced insulation.
- Installation must be carried out by qualified persons in compliance with the current regulations regarding the installation of electrical equipment in the country where the products are installed.
- The relay output power circuit must be protected against overloads by installing a device, fuse or automatic 1-way switch, with a rated current not exceeding 10 A.
- Installation in flush mounting box. In the event of installation on a control unit, use the related accessory art. V51922.
- If this device is used for purposes other than those specified by the manufacturer, the protection provided may be compromised.
- Observe the maximum current and voltage values given for the device.
REGULATORY COMPLIANCE.
LV Directive. EMC directive. RoHS directive.
Standards EN IEC 60669-2-1, EN IEC 63044, EN 50491, EN IEC 63000.
REACH (EU) Regulation no. 1907/2006 – Art.33. The product may contain traces of lead.
WEEE – User information
The crossed bin symbol on the appliance or on its packaging indicates that the product at the end of its life must be collected separately from other waste. The user must therefore hand the equipment at the end of its life cycle over to the appropriate municipal centres for the differentiated collection of electrical and electronic waste. As an alternative to independent management, you can deliver the equipment you want to dispose of free of charge to the distributor when purchasing a new appliance of an equivalent type. You can also deliver electronic products to be disposed of that are smaller than 25 cm for free, with no obligation to purchase, to electronics distributors with a sales area of at least 400 m2. Proper sorted waste collection for subsequent recycling, processing and environmen-tally conscious disposal of the old equipment helps to prevent any possible negative impact on the environment and human health while promoting the practice of reusing and/or recycling materials used in manufacture.
FRONT AND REAR VIEW

- A: Configuration push button
- B. Push button 1
- C. Push button 2
- D. LED
- E: Push button 3
- F: Push button 4

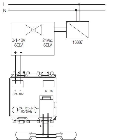
CONNECTIONS
- Connection with motorised proportional valve

- Connection to ballast or LED driver

Maximum distance between actuator and valve: 50 m. Use a twisted cable with a minimum cross-section of 0.5 mm2 (art. 01840).
Viale Vicenza, 14
36063 Marostica VI – Italy
www.vimar.com



















