VIMAR 01416 Smart Automation IP Video Entry System Router User Manual
IoT router for integration of IP video entryphone with IP/LAN network, Cloud and App for smartphone, tablet or touch IP supervisor, installation on DIN rail (60715 TH35), occupies 4 modules size 17.5 mm.
The router 01416 is a device that connects the IP video door entry system to the user’s Ethernet LAN network, for using the IP video door entry system via Vimar home automation systems.
The user IP/LAN connectivity is used to perform all operations locally or remotely via the APP available for Android/iOS.
FEATURES.
- Power supply: 12-30 Vdc SELV
- Consumption:
- 300 mA max at 12 V d.c.
- 140 mA max at 30 V d.c.
- Max. dissipated power: 4 W
- Connection to the respective LAN networks via RJ45 socket outlet (10/100 Mbps)
- With 4 backlit control buttons
- Input for landing call.
- Operating temperature: – 5 +40 °C (indoor use)
- Operating ambient humidity 10 – 80% (non-condensing)
- IP30 degree of protection
CONNECTIONS
- Terminals:
- power supply 12 – 30 V d.c. SELV
- RJ45 1 socket outlet for connection to the ethernet network (ETH1) of the user/home automation system domain
- RJ45 2 socket outlet for connection to IP video entryphone network (ETH2)
- Port for micro SD card
The router 01416 enables the transfer of information between the IP video entryphone network and an IP user network; if the latter has an Internet connection, via the cloud, all remote management functions for both installer and end user can be enabled. For an overview of the integrated architecture, see the figure EXAMPLE OF INTEGRATED INFRASTRUCTURE.
OPERATION
The router 01416 diversifies its functions according to the type of user (installer, end user or touch screen supervisor) interacting with the device via the LAN/IP network associated to the ETH1 interface on the router 01416
Installer
Configures the router 01416, setting the Date/Time, End User, associates the supervisor devices (touch screen art.s 01420, 01422 and 01425), etc.
End User
Uses the IP video door entry system services (video calls generated by outdoor units, notifications, messages and alarms) via local touch screens or via an APP, also remotely, via the cloud.
Functions available from the touch screen
- Outdoor unit self-starting.
- Outdoor unit lock opening.
- Audio intercom calls.
- Activating system actuations (stair light, auxiliary functions).
- System contacts list and favourites menu for quick access.
- Configurable video voicemail.
- Input for landing bell.
- Support for CCTV integration.
- Configuration of the router 01416 in the video entryphone system via the Video Door IP Manager software.
Key functions
- F1= Key for emergency procedure: the network configuration in DHCP is indicated, and the connection to the Cloud re-enabled (press for 10 s).
- F2= Key to request new IP address from the DHCP server (short press, only if set in DHCP on the user/ETH1 home automation system domain network).
- F3= No function.
- CONF= Key for Installer user association.
LED indications
When the gateway is switched on only LED F1 comes on for the full duration of the start-up procedure, and then – together with the other LEDs – signals the current operating status.
F1:
- On = Device working correctly.
- Flashing = Device reset in progress.
- Off = Device not working or Cloud enabled but not reachable.
F2 (router state in relation to the user IP/LAN network connected to the ETH1 socket outlet):
- On = Connection active and running.
- Off = No Ethernet connection (cable disconnected).
- Flashing = Connection active and running but with no IP address assigned (check the DHCP server).
F3 (router state in relation to the IP video entryphone connected to the ETH2 socket outlet):
- On = Connection active and running.
- Off = No bus connection (cable disconnected).
- Flashing = Connection active and running but with no video entryphone functions configured.
CONF: The LED comes on when the user/device is pairing.
INSTALLATION RULES
- Installation must be carried out by qualified persons in compliance with the current regulations regarding the installation of electrical equipment in the country where the products are installed.
- The router 01416 must be installed inside the electrical panels and must therefore be housed in the containers with DIN rail support.
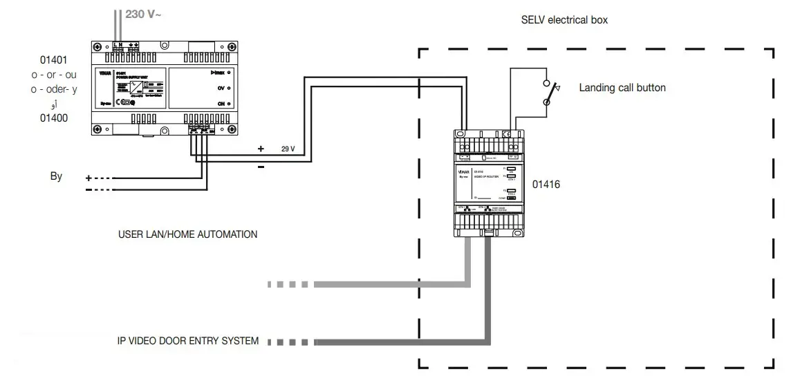
- The router 01416 can be powered by:
- Power supply 01831.1 (output 12V).
- Power supply 01400 or 01401 (via output 29V “AUX”).
- Maximum power cable length: 10 m (from power supply to router 01416).
- Power cable section: 2×0.5 mm2 up to 2×1.0 mm2
- The ethernet line must be wired with a UTP (non-shielded) cable, CAT.5e or superior.
- Maximum Ethernet cable length: 100 m.
- The router 01416 must be wired to the IP video door entry system (via the ETH2 interface) according to the rules adopted for a standard IP video door entry system.
- All electrical interfaces on the device are SELV. The device must therefore be installed in highvoltage-free SELV electrical panels; if present, the installer must guarantee double insulation between the high voltage and the SELV.
- In the event of access to mini/micro USB, micro SD ports and reset button (SELV interfaces), comply with the measures required to prevent electrostatic discharge from the user, which could damage the device.
WARNING: Update the firmware to the latest version! You can download it via cloud (with the device connected to the Internet) or from www.vimar.com Download Software VIEW Pro.
The VIEW Pro APP manual can be downloaded from the www.vimar.com website using the router 01416 article code.
REGULATORY COMPLIANCE.
EMC directive. Standards EN 60950-1, EN 61000-6-1, EN61000-6-3.
REACH (EU) Regulation no. 1907/2006 – Art.33. The product may contain traces of lead.
WEEE – Information for users
If the crossed-out bin symbol appears on the equipment or packaging, this means the product must not be included with other general waste at the end of its working life. The user must take the worn product to a sorted waste center, or return it to the retailer when purchasing a new one. Products for disposal can be consigned free of charge (without any new purchase obligation) to retailers with a sales area of at least 400 m2 , if they measure less than 25 cm. An efficient sorted waste collection for the environmentally friendly disposal of the used device, or its subsequent recycling, helps avoid the potential negative effects on the environment and people’s health, and encourages the re-use and/or recycling of the construction materials.
FRONT VIEW

A: Power supply terminals 12-30 V dc
B: Micro SD card housing
C: Landing Call Button connection terminals
D: F1 (Key 1/LED 1)
E: F2 (Key 2/LED 2)
F: F3 (Key 3/LED 3)
G: CONF (Key 4/LED 4)
H: RJ45 socket outlet for connection to IP video entryphone (ETH2)
I: RJ45 socket outlet for connection to the IP/LAN user network ethernet cable (ETH1)
L: Terminal covers which must be removed for wiring cables on H and I
CONNECTION to 29 V*

- from AUX output if a By-me power supply is available –
CONNECTION to 12 V

EXAMPLE OF INTEGRATED INFRASTRUCTURE

A = By-me Plus SYSTEM
B = SYSTEM By-alarm
C = ELVOX VIDEO DOOR ENTRY 2F+
D = ELVOX VIDEO DOOR ENTRY IP
E = ELVOX CCTV

49401432A0 07 2202

Viale Vicenza, 14
36063 Marostica VI – Italy
www.vimar.com















