VIMAR 02971 Smart Automation Rotary Dial Thermostat

Home automation system dials thermostat for room temperature control (heating and air conditioning), 2- and 4-pipe system management, 3-speed and proportional fan coil control, class I temperature control device (contribution 1%) in ON/OFF mode, class IV (contribution 2%) in PID mode, can be interfaced with an actuator with proportional analog outputs 01466.1 to make a class V modulating room thermostat (contribution 3%), 1 input for electronic temperature sensor 20432, 19432 or 14432 or wired temperature sensor 02965.1, white LED backlighting, to be completed with Eikon, Arké or Plana cover plates – 2 modules. For Idea, can be installed using the dedicated mounting frame 16723.
The thermostat is fitted with a front dial to adjust the setpoint (between 4°C and 40°C) and a central white LED display that shows the temperature measured, showing the setpoint only when the dial is being used. The circular ring around the display, with RGB backlighting, displays all the thermostat statuses. The device is fitted with 4 front buttons to be used for configuration and setting. The thermostat should be configured in the By-me Plus system using the View Pro App.
CHARACTERISTICS
- BUS supply voltage: 29 V
- Absorption from the BUS: 17.5 mA
- Terminals:
- 2 for TP bus
- 2 for external temperature probe (art. 02965.1 and 20432-19432-14432) Maximum length of the external sensor connection cable: 60 m.
- 2 for potential-free digital input (SELV) (function programmable via the View Pro App). The maximum length of the connection cable on the voltage-free contact input: is 30 m.
For the inputs, use a twisted cable with a minimum cross-section of 0.5 mm2 (art. 01840).
- 4 front buttons for control and configuration/reset.
- RGB LED for configuration status (flashing blue) and output status (configurable color) signaling.
- Temperature measurement precision:
- built-in sensor: measurement range from 0 to 40°, ±0.5 °C between 15 °C and 30 °C, ±0.8 °C at the extremes;
- auxiliary external sensor: like the built-in sensor. Beyond the operating temperature of the device, the error of the auxiliary external sensor increases up to a max of 2.5°C @ 80°C.
- Hysteresis: adjustable from 0.1°C to 1°C
- Management of 2- and 4-pipe systems.
- Heating, air conditioning with the management of the neutral zone (only with 4 pipes).
- Operation via a dedicated ON/OFF hot/cold valve By-me actuator with actuator 01471 and proportional type (0-10 V, 4-20 mA) with actuator 01466.1.
- Fan coil management (3 speeds/proportional, ON/OFF valves).
- Selectable PID or ON/OFF control algorithm:
- the ON/OFF algorithm is the control which, on exceeding the set temperature increased by the threshold value (and vice versa for air conditioning), the heating is switched off to then be turned back on when the room temperature drops below the set temperature.
- PID is a sophisticated algorithm capable of keeping the temperature in the setting more stable and it works by switching the system on and off so as to be like a gradual increase or decrease in the system’s thermal (or refrigerating) power; ideal for use in floor heating systems, the algorithm needs to be properly calibrated according to the type of environment and system.
- Boost function: control of an auxiliary actuator to speed up the heating or air conditioning of the environment.
- Mild season function: available from the supervisor only for systems configured with 4 pipes; when active, the secondary output is controlled with its own parameters.
- Input for external sensor (art. 02965.1-20432-19432-14432) with the following functions:
- Replacement of the internal sensor.
- Average with the internal one.
- Screed temperature limitation.
- Display on display only.
- Open window management function with delayed power on and off management.
- Remote manageable device.
- The device can be interfaced natively with third-party systems (KNX systems).
- Possibility of using an offset to correct the reading of the temperature measured according to a possible sample thermometer in order to compensate for errors due to special installations (North-facing wall, proximity to hot/cold water pipes, etc.).
- Operating temperature: 0 °C +40°C (indoor use).
- ErP classification (EU Reg. 811/2013): – ON/OFF: class I, contribution 1%. – PID: class IV, contribution 2%.
- The device should be configured with the home automation system gateway 01410-01411 and the View Pro App.
- Controllable via View App, Amazon Alexa, and Google Assistant voice assistants.
- The device is not compatible with the control unit 21509 and the EasyTool Professional software.
OPERATION
The front buttons, the display, the dial, and the lighting of the circular ring around the display can be used to adjust and display the ON/OFF operating modes of the thermostat, the state of the system (operating or not) as well as the seasonal mode (air conditioning, heating).
Use the dial to set a new setpoint, and in particular:
- in automatic operating mode, turn the dial for the thermostat to switch to manual operation for a period of time which can be set on the View App;
- in manual operation or reduction mode, the thermostat remains in this mode and the setpoint is that set on the dial.
CONFIGURATION
For all configuration operations, refer to the By-me Plus system manual.
The View App can be used to set:
- Time schedules (times and temperature levels T1, T2, and T3)
- Setpoint for all operating modes (Manual, Reduction, Absence, Protection)
- Timed manual operation time: from 0.5 to 23.5 hours (with 0.5-hour steps); default = 1 hour
INSTALLATION RULES
- Installation and configuration must be carried out by qualified persons in compliance with the current regulations regarding the installation of electrical equipment in the country where the products are installed.
- The device must be installed in a flush mounting box or surface mounting box with the related mounting frames and cover plates, at a height of 1.5 m above floor level, in a suitable position for the correct detection of the room temperature, avoiding installation in recesses, behind doors and curtains, areas affected by heat sources or subject to the flow of forced heating/cooling ventilation sources or affected by atmospheric factors. Avoid in particular installations on perimeter walls or in association with devices that generate heat (e.g. dimmers or lamps).
REGULATORY COMPLIANCE
LV Directive. EMC directive. RoHS directive. Standards EN 60669-2-5, EN 50491, EN IEC 63000. Temperature control device regulation (EU) no. 811/2013. REACH (EU) Regulation no. 1907/2006 – Art.33. The product may contain traces of lead.
WEEE – User information
The crossed bin symbol on the appliance or on its packaging indicates that the product at the end of its life must be collected separately from other waste. The user must therefore hand the equipment at the end of its life cycle over to the appropriate municipal centers for the differentiated collection of electrical and electronic waste. As an alternative to independent management, you can deliver the equipment you want to dispose of free of charge to the distributor when purchasing a new appliance of an equivalent type. You can also deliver electronic products to be disposed of that are smaller than 25 cm for free, with no obligation to purchase, to electronics distributors with a sales area of at least 400 m2. Proper sorted waste collection for subsequent recycling, processing, and environmentally conscious disposal of the old equipment helps to prevent any possible negative impact on the environment and human health while promoting the practice of reusing and/or recycling materials used in manufacture.
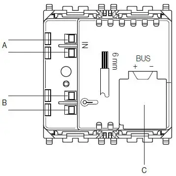
CONNECTIONS
- A: Potential-free digital input (SELV) with a configurable function.
- B: Terminals for the external temperature sensor.
- C: By-me bus terminals.

FRONT VIEW

| A | • Short press = degrees Celsius/Fahrenheit selection |
| B | Function configurable with the View Pro App |
|
C | Display • off = thermostat off; on = thermostat on • °C = degrees Celsius; °F = degrees Fahrenheit • H = heating; C = air conditioning |
| D | Dial • Rotation P = set point increase (0.1 °C – 0.2 °F) • Rotation Q = set point decrease (0.1 °C – 0.2 °F) |
| E | Illuminating circular ring |
| F | • Power on and off. Upon power on or off, the thermostat starts in the last operating mode associated with it set via the View App. |
| G | • Short press = fan coil speed adjustment (0-1-2-3 or Proportional/Automatic) |
| Simultaneously pressing B and G = thermostat configuration | |
CIRCULAR RING

| All lit amber* = thermostat in heating mode and relay active | |
| All lit blue** = thermostat in air conditioning mode and relay active | |
| All flashing red = thermostat locked, alarm state | |
| 1 | • Lit amber * = thermostat in heating mode and relay not active • Lit blue ** = thermostat air conditioning mode and relay not active |
- Amber with automatic colour; the selected colour is monochrome.
- Blue with automatic colour; the selected colour is monochrome.
Viale Vicenza, 14
36063 Marostica VI – Italy www.vimar.com.



















